L'automatisation
du téléphone
Janvier 1878 le premier central téléphonique
manuel commercial, employant un opérateur, a été
ouvert à New Haven, Connecticut..
Dans un court laps de temps, des centraux manuels avaient été
établis dans un certain nombre de villes à travers le
monde.
Décrocher le téléphone, appeler quelqu'un, être
appelé, ce sont des choses qui font partie du quotidien de
nos jours. Presque aucun dentre nous ne pense à quel
point le chemin a été semé dembûches
pour construire des systèmes de commutation automatisés
efficaces.
Nous examinerons ici les « inventeurs » euxmêmes,
leurs motivations, ainsi que les entreprises productrices, les brevets
individuels importants pour l'histoire du développement et
les différences dans les procédures de placement respectives.
Presque immédiatement, et, bien sûr, longtemps avant
que les exigences de l'art de la commutation ne soient clairement
envisagées, les inventeurs de nombreux horizons ont commencé
à concevoir des schémas pour effectuer les opérations
de commutation par des machines plutôt que par des opérateurs.
L'art breveté dans tout nouveau développement est généralement
bien en avance sur l'art commercial , et dans les premiers travaux
sur les centres téléphoniques avec cadrans, bon nombre
des idées fondamentales provenaient d'inventeurs sans formation
technique ni expérience pratique du téléphone,
et dont les arrangements mécaniques pour incarner leurs idées
étaient susceptibles d'être irréalisables ou irréalisables.
Le désir d'agir, de rechercher et donc de se
développer d'une manière orientée vers le client
ne peut pas être compris à cette époque parce
que, d'une part, les gens avaient encore en partie peur du support
téléphonique et, d'autre part, de prendre possession
de un seul instrument et les coûts de suivi qui en résultent
étaient encore trop élevés pour la majorité
de la population. La télégraphie électrique,
en revanche, était très répandue et le peuple
l'utilisait également. Il nest donc pas surprenant quau
début les appels téléphoniques aient été
effectués via les lignes télégraphiques
existantes.
Dès 1878-1879 un des premiers à cogiter sur ce problème
était Jan Willem Giltay
au Pays-Bas qui mis au point un système de signalisation qui
revenait automatiquement à la position de départ après
la fin d'une conversation.

Avant l'automatisation il avait été
imaginé et conçu divers procédés pour
optimiser les lignes, la partie la plus couteuse dans une mise en
oeuvre de réseau téléphoniques surtout pour les
abonnés élloignés.
D'autres systèmes comme la conception Stabler
, les stations à embrochables
les postes d'Appel Direct le système
M. Johnston Stephen... Ader,
Elsasser
Oesterreich et
Paul ... qui fonctionnent sur une ligne en boucle auquel
se greffe chaque station d'abonné.
Dans ces systèmes en boucle, chaque poste peut communiquer
avec chaque autre poste de la boucle, mais pour sortir sue le réseau
extérieur, il fallait passer encore par une opératrice
placée dans la boucle comme un simple abonné mais qui
pouvait établir une connexion vers le standard de la région
desservie.
sommaire
Dans les systèmes téléphoniques automatiques
(fonctionnement en auto-connexion), toutes ces fonctions sont effectuées
par des sélecteurs et des relais hébergés dans
un central . Les sélecteurs et les relais sont commandés
électromagnétiquement par l'abonné appelant.
Il est extrêmement difficile pour le profane
de pénétrer dans la technologie téléphonique,
car d'une part les dispositifs de sélection et d'autre part
les dispositifs de commutation d'autres branches de la technologie
ne sont pas bien connus. Il semble donc approprié de commencer
par décrire un dispositif de la forme la plus simple, telle
qu'elle était à l'état à cette époque
puis d'en déduire les concepts de base.
Si nous supposons un centre de commutation pour 100 abonnés
téléphoniques, le dispositif de commutation a pour tâche
d'établir des connexions entre les centaines d'extrémités
des lignes d'abonnés menant au central pendant la durée
de l'appel. Un participant apparaît toujours comme l'appelant,
le second comme l'appelé. L'appelant doit disposer dans le
central d'un dispositif lui permettant d'exprimer son désir
d'établir une communication téléphonique dans
le central; d'autre part, il doit être possible d'utiliser la
ligne appelée pour faire entrer dans la conversation le poste
téléphonique désiré en activant un réveil.
La fonction du fonctionnaire qui établissait les appels
manuellement est réalisée automatiquement par
le système électeur (sélecteur), un appareil
électro-mécanique qui établit des connexions
entre les lignes d'abonnés se terminant par des broches de
contact, au moyen d'éléments de réglage qui sont
généralement actionnés par des électroaimants.
Vous pouvez par exemple, connectez le participant au point de pivot
dun bras sélecteur capable deffectuer un mouvement
rotatif.
Si toutes les lignes d'abonnés sont disposées sous forme
de contacts en cercle ou en demi-cercle le long du trajet de ce bras,
l'abonné peut connecter sa ligne à n'importe quelle
ligne d'abonné s'il dispose d'un dispositif permettant de régler
le sélecteur rotatif sur un point de contact spécifique,
par exemple au moyen de son numéro consécutif. Une fois
une telle connexion établie, il faut alors lancer l'envoi du
courant de sonnerie à l'abonné appelé ; Lorsque
l'appelé répond, l'alimentation doit être fournie
aux deux participants par le système de batterie centrale et,
lorsque les participants ont raccroché, le composeur doit revenir
en position de repos.
Cela crée un certain nombre de tâches pour l'équipement
de l'appelant. Le participant doit avoir la possibilité de
mettre le sélecteur en état de fonctionnement afin qu'il
soit prêt pour le processus de numérotation de l'appelé.
Nous appellerons cette mesure préparatoire "occupation".
Le système doit alors disposer d'un dispositif permettant de
forcer la mise en position du sélecteur. S'il s'agit d'un mouvement
pas à pas, il doit être possible de produire des impulsions
ou des interruptions de courant selon un certain rythme qui activent
le mouvement pas à pas du sélecteur.
Lorsque la connexion est définitivement interrompue, l'occupation
de l'appelant doit être à nouveau annulée par
le système.
Dans le système à batterie centrale, où les postes
appelant et appelé sont alimentés en énergie
par la batterie du central via des selfs d'alimentation individuelles,
il était déjà courant dans le système
de central manuel de mettre en uvre ces selfs d'alimentation
sous forme de relais qui, lorsqu'ils étaient excités
via la boucle du poste de l'abonné, signalaient l'état
de conversation et l'état de raccrochage. Le même identifiant
peut également être utilisé par la technologiepour
attribuer et libérer son sélecteur. Le fait que les
processus nécessitent une caractéristique supplémentaire,
telle que l'application de terre ou une gradation temporelle dans
la génération d'impulsions, dépend de la conception
du système et lui donne son nom.
Si la terre est appliquée à la boucle téléphonique
pendant la numérotation, on parle alors de "système
de terre" ; si seules des impulsions d'interruption de
boucle à court terme sont utilisées, tandis qu'une interruption
longue de la boucle signifie raccrocher, on parle alors de "système
de boucle".
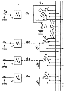
Système de terre (utilisant
la ligne de terre pour maintenir la connexion pendant la numérotation)
Cette figure explique l'idée de base d'un système téléphonique
avec fonctionnement avec un numéroteur.
De chaque poste d'abonné N, une ligne a mène à
un sélecteur dans le central. Les lignes sont reliées
aux lignes multiples (V) au sein du centre de contrôle par les
lignes q . Le sélecteur possède des bras de contact
(O) qui peuvent être tournés vers n'importe quel contact
sur les multiples lignes au moyen d'un mécanisme pas à
pas (électro-aimant H, loquet s et roue de commutation). L'électroaimant
H attire son armature une fois à chaque fois que le contact
ta du poste d'abonné est fermé. À chaque traction
de l'armature, le loquet S déplace le bras sélecteur
d'un contact plus loin.
Si, par exemple, l'abonné N1 veut contacter l'abonné
N3, il appuie trois fois sur sa touche ta , après quoi le bras
de contact O1 quitte le contact de repos r et, après 3 pas,
s'arrête sur le sélecteur multiple V3, auquel N3 est
relié via q3 et a3 .
En pratique, la saisie, la sélection d'un chemin de connexion
libre, le contrôle d'occupation, l'appel de l'abonné
souhaité, la signalisation (signaux sonores), la commutation
via la connexion vocale, le comptage et la déconnexion des
appels ainsi que le retour à la position de base sont tous
entièrement automatiques. Les électeurs du bureau central
sont contrôlés par les interruptions de courant des stations
d'abonnés, qui sont fondamentalement connectées comme
des appareils de bureau central. Afin de faciliter la transmission
des impulsions, chaque dispositif d'auto-connexion est équipé
d'un commutateur à 10 chiffres (4 suddisent dans notre exemple)
 |
N est le commutateur à cadran,
i la bobine d'induction,
H le combiné (combine microphone et récepteur),
h le commutateur à crochet,
c le condensateur d'isolement dans le circuit du réveil
W ;
La ligne vers le central est connectéeà a et b
|
Si le combiné est décroché, le microphone
et la bobine d'induction sont activés via le crochet commutateur
h . La boucle d'abonné ainsi fermée provoque l'occupation
d'un ensemble de connexions libre dans le central. Le réveil
W reste parallèle au microphone en pontant le condensateur. Ceci
permet d'éviter qu'une résistance excessive, qui se produit
dans les versions antérieures du microphone, ne provoque la déconnexion
involontaire d'une connexion existante.
En tournant le cadran, les câbles vers l'interphone sont brièvement
fermés (protection contre le bruit et réduction de la
résistance de l'appareil) jusqu'à ce que le cadran revienne
en position de repos (contact de travail du commutateur numérique,
à droite). Lorsque le disque est épuisé
, la boucle participante est interrompue autant de fois que le nombre
défini (contact d'impulsion de commutation de numéro,
gauche).
Dans le système à boucle,
la distinction entre « l'abonné a raccroché »,
« la pause de numérotation entre deux chiffres »
et « la numérotation en cours » se fait exclusivement
en fonction de la durée du courant et de l'interruption de
la boucle d'abonné.
L'un des problèmes les plus importants de la
téléphonie consiste dans la recherche d'une meilleure
utilisation des fils des réseaux.
On savait que jusqu'e là qu'il était à peu près
d'usage constant de desservir chaque abonné à l'aide
d'un fil spécial. Or, la moyenne des durées de communication
par jour pour un abonné ordinaire étant approximativement
de cinquante minutes, il en résulte pour le fil une période
d'environ neuf heures durant laquelle il se trouve entièrement
inutilisé.
Cet état de choses, évidemment contraire à l'économie
d'une bonne exploitation dans un réseau de faible étendue,
devient particulièrement grave lorsqu'il y a lieu de relier
en assez grand nombre des abonnés suburbains à un centre
téléphonique relativement éloigné.
Il amène en outre, dans les grands réseaux, une telle
multiplication de lignes, que l'accès de celles-ci au bureau
central devient d'une difficulté considérable. Dans
ces conditions, on s'est demandé quels moyens permettraient
de desservir deux ou plusieurs abonnés avec un seul fil.
Deux méthodes sont possibles a priori : ou bien faire fonctionner
la ligne en multiplex et permettre aux abonnés desservis par
elle de causer simultanément, ou bien tenir compte du temps
que celle-ci demeure inutilisée, et la mettre successivement
au service d'un certain nombre d'abonnés.
La première de ces deux méthodes, qui est d'une application
délicate, n'offre d'intérêt réel que lorsqu'il
s'agit de lignes interurbaines à longue distance. Pour celles-ci,
en effet, les intervalles d'inutilisation n'existent point comme dans
les réseaux locaux.
La seconde présente des facilités très différentes
suivant que les abonnés placés sur la même ligne
sont installés dans un local unique ou dans des immeubles différents.
Dans le premier cas, il n'y a pas de difficulté à multiplier
le nombre des fils entre les postes, et les solutions reposent entièrement
sur des agencements de communications. Dans le second, on est obligé
de recourir à un organe mécanique spécial, manuvré
à distance par la station centrale, et permettant de donner
à volonté le fil à tel ou tel abonné ;
c'est la station centrale automatique.
Nous nous proposons d'étudier ici quelles solutions ont été
proposées ou appliquées pour ces divers prblèmes,
et lesquelles paraissent actuellement les plus convenables pour l'exploitation
des réseaux téléphoniques.
sommaire
Plusieurs inventeurs, parmi lesquels nous mentionnons
spécialement MM. Elsasser, le Dr. A. M. Bosebrugh,
J. A. JBarrett et J. J. Curry ... se sont occupés du
problème et ont publié des solutions qui se ressemblent
tellement qu'il faut les regarder comme une seule invention. La question
de la priorité est épineuse et nous n'essaierons pas
de la résoudre.
Entre 1879 et 1900, un grand nombre de brevets
couvrant les systèmes de commutation avec un cadran ont été
délivrés, mais à l'exception du brevet Strowger
de 1891 et des brevets ultérieurs relatifs au système
Strowger, aucun n'a vraiement abouti à un système commercial
de grande capacité.
Une liste
des brevets relevant de la classification "Bureaux téléphoniques
automatiques" de l'Office des brevets est donnée dans
le tableau ci dessous. Parmi les 85 brevets recensés, vingt-six
brevets ont été délivrés entre le brevet
222 458 Connolly
et Mc-Tighe de 1879 et le brevet Strowger
n° 447918 de 1891, concernent
le fonctionnement de petits centres et électromagnétiques
à fonctionnement par étapes compliquées. des
mécanismes d'horlogerie synchronisés, d'inversions de
direction, de changements, etc. (brevets à télécharger).
|
N°
Brevet
|
Accordé
le
|
NOM dépositaire
|
Date de dépôt
|
|
|
09 Dec. 1879
|
Connolly & McTighe |
10 Sept. 1879
|
|
|
30 Dec. 1879
|
Westinghouse,
G.Jr. |
11 Oct. 1879
|
|
|
30 Dec. 1879
|
Westinghouse,
G.Jr. |
13 Oct. 1879
|
|
|
17 Feb. 1880
|
Westinghouse,
G.Jr. |
27 Oct. 1879
|
|
|
01 Feb. 1881
|
Westinghouse,
G.Jr. |
07 Feb. 1880
|
|
|
11 Oct. 1881
|
Buell, C. E.C et 248,134 |
15 June. 1881
|
|
|
04 Apr. 1882
|
Buell, C. E.C |
12 June. 1881
|
|
|
15 Aug. 1882
|
Connolly & McTighe |
29 Aug. 1881
|
|
|
15 Aug. 1882
|
Connolly, M.D. |
29 Nov. 1881
|
|
|
05 Sept. 1882
|
Connolly, M.D. |
29 Oct. 1881
|
|
|
15 Aug. 1882
|
Connolly, M.D. |
08 Nov. 1881
|
|
|
12 Dec. 1882
|
Snell, F.H. |
06 Sept. 1882
|
|
|
17 July. 1883
|
Cardwell, G.A |
01 July. 1882
|
|
|
07 Aug. 1883
|
Snell, F.H. |
28 Feb. 1883
|
|
|
28 Aug. 1883
|
O'Donel, I.M |
05 June. 1880
|
|
|
25 Dec. 1883
|
Bartelous,
J.V.M (france) |
15 June. 1882
|
|
|
18 Mar. 1884
|
Connolly, T.A |
10 Apr. 1883
|
|
|
06 Jan. 1885
|
Jackson & Cole |
05 Mar. 1884
|
|
|
09 Feb. 1886
|
Lockwood, T.D |
26 Sept. 1885
|
|
|
28 Sept. 1886
|
Bickford, J.H |
25 Nov. 1885
|
|
|
28 Sept. 1886
|
Bickford, J.H |
18 Jan. 1886
|
|
|
26 July. 1887
|
McCoy, J.A |
29 Jan. 1887
|
|
|
01 Nov. 1887
|
Lockwood, T.D |
11 Apr. 1887
|
|
|
01 May. 1888
|
McCoy, J.A |
06 July. 1881
|
|
|
06 Aug. 1889
|
Smith, J.R |
16 Feb. 1888
|
|
|
26 Aug. 1890
|
Ford, W/H |
31 Dec. 1889
|
|
|
16 Dec. 1890
|
Smith & Childs |
21 Sept. 1889
|
|
|
10 Mar. 1891
|
Strowger, A.B |
12 Mar. 1889
|
|
|
01 Aug. 1891
|
Hayes & Sears |
03 Feb. 1891
|
|
|
29 Nov. 1892
|
Strowger, A.B |
19 Feb. 1892
|
|
|
30 May. 1893
|
Clark, E,A |
05 Apr. 1892
|
|
|
30 May. 1893
|
McCaskey, A.S |
29 July. 1892
|
|
|
30 May. 1893
|
McCaskey, A.S |
25 Aug. 1892
|
|
|
20 June. 1893
|
McClaren, A,S |
13 June. 1892
|
|
|
05 Dec. 1893
|
Serdinko,J |
22 Apr. 1893
|
|
|
02 Jan. 1894
|
Callender,
R (et 530,325) |
24 Apr. 1893
|
|
|
02 Jan. 1894
|
Callender,
R |
12 May. 1893
|
|
|
02 Jan. 1894
|
Callender,
R |
13 Aug. 1892
|
|
|
20 Feb. 1894
|
Callender,
R |
02 Nov. 1893
|
|
|
20 Feb. 1894
|
Callender,
R |
02 Nov. 1893
|
|
|
20 Feb. 1894
|
Callender,
R |
02 Nov. 1893
|
|
|
22 May. 1894
|
Simoneau, L.E. |
11 July. 1893
|
|
|
06 Nov. 1894
|
Childs,W |
12 May. 1891
|
|
|
06 Nov. 1894
|
Childs,W |
21 May. 1890
|
|
|
04 Dec. 1894
|
Callender,
R |
18 Dec. 1893
|
|
|
12 Feb. 1895
|
Hey & Parso |
30 Mar. 1893
|
|
|
12 Mar. 1895
|
Nissl, F |
17 Feb. 1894
|
|
|
16 Apr. 1895
|
Decker,W |
14 May. 1894
|
|
|
07 May. 1895
|
McDonough, J.W |
21 May. 1891
|
|
|
28 May. 1895
|
Keith, Lundquist Erickson (Strowger) |
07 Nov. 1894
|
|
|
23 July. 1895
|
Shibata, W.Y |
11 Oct. 1894
|
|
|
30 July. 1895
|
Shibata, W.Y |
24 Nov.
1893
|
|
|
08 Oct. 1895
|
Hutchins, G.K |
06 May. 1893
|
|
|
24 Sept. 1895
|
Berditschewsky et Freudenberg |
27 Mar. 1895
|
|
|
03 Dec. 1895
|
J. G Smith |
18 Feb. 1893
|
|
|
03 Dec. 1895
|
J. G Smith |
20 Feb. 1893
|
|
|
17 Dec. 1895
|
Lounsbury, W.F |
23 Apr. 1895
|
|
|
04 Feb. 1896
|
Houts, W.A |
24 Dec. 1894
|
|
|
10 Mar. 1896
|
Freudenberg,
M. |
10 Jan. 1896
|
|
|
02 June. 1896
|
Dean,G, O, & J.Jr G. |
03 Aug. 1895
|
|
|
16 June. 1896
|
Berditschewsky et Freudenberg |
23 Mar. 1896
|
|
|
03 Nov. 1896
|
Brooks, M. |
26 Jan. 1895
|
|
|
29 Dec. 1896
|
Callender,
R. |
19 Mar. 1896
|
|
|
29 Dec. 1896
|
Keith, A.E. (Strowger) |
16 Sept. 1891
|
|
|
29 Dec. 1896
|
Houts & Nilson |
25 Aug. 1896
|
|
|
05 Jan. 1897
|
Bowman, L.G |
18 July. 1896
|
|
|
11 May. 1897
|
Clark,Ellacott
& Johnson |
28 Sept. 1893
|
|
|
15 June. 1897
|
Macklin, A.B |
07 Aug. 1896
|
|
|
13 July. 1897
|
Davis, W.W |
05 Sept. 1896
|
|
|
03 Aug. 1897
|
Freudenberg,
M. |
22 Oct. 1896
|
|
|
17 Aug. 1897
|
Van Wagenen, A. |
30 Apr. 1896
|
|
|
01 Sept. 1897
|
Strowger &
Keith |
19 Feb. 1896
|
|
|
05 Oct. 1897
|
Strowger, Lundquist
& Erickson |
17 July. 1895
|
|
|
11 Jan. 1898
|
Keith & Erickson (Strowger) |
20 Aug. 1896
|
|
|
24 May. 1898
|
Decker, W. |
25 Mar. 1895
|
|
|
24 May. 1898
|
Stillwell & Barneck |
10 Nov. 1896
|
|
|
05 July. 1898
|
Lundquist, F.A (Strowger) |
19 May. 1897
|
|
|
04 Oct. 1898
|
Nilson, L.G |
09 Mar. 1896
|
|
|
13 Oct. 1898
|
Snow, H.P |
01 Nov. 1891
|
|
|
21 Dec. 1898
|
Lundquist & Erikson (Strowger) |
28 Mar. 1893
|
|
|
09 May. 1899
|
Lundquist, F.A (Strowger) |
20 Sept. 1897
|
|
|
13 June. 1899
|
Decker, W. |
03 Aug. 1896
|
|
|
12 Sept. 1899
|
Slater, J.C. |
23 May. 1898
|
|
|
05 Dec. 1899
|
Keith & Erickson (Strowger) |
16 Dec. 1895
|
|
|
12 Dec. 1899
|
Seligmann-Lui, G. (France) |
27 May. 1898
|
Gustave Pierre Seligmann-Lui polytechnicien,
inspecteur adjoint à l'inspection générale des
Postes et des Télégraphes, fut une des pionniers des télécommunications.
Le 16 juillet 1894, par il est nommé Directeur du Service Téléphonique
de la région de Paris. Chargé de l'organisation du système
téléphonique français le 18 novembre 1896, il accomplit
plusieurs missions à l'étranger notamment au Cambodge,
au Siam et en Amérique où il se rendit en 1890; il passa
une semaine à New York visitant plusieurs compagnies téléphoniques
de la ville. En 1897 il présente un brevet pour automatiser le
systeme telephonique An Improved System of Automatic Telephone Exchange.
En 1898 il est nommé directeur-ingénieur adjoint à
la direction des services électriques de la région de
Paris, son brevet 639,186 est accordé. En 1899 il céde
son brevet à "Automatic Telephone Company, Limited"
Londres brevet 11698, le 8 juin. Il fut le traducteur français
du texte de Maxwell: Traité d'Électricité et de
magnétisme, Gauthier-Villars, 1885. Commandeur de la Légion
d'Honneur, Lieutenant Colonel, il est mort au combat le 9/12/1916 à
Sains-en-Gohelle dans la Somme.
sommaire
Plusieurs autres brevets couvrant des systèmes
automatiques de villages, de maisons et d'usines, non inclus dans
la liste ci-dessus, ont également été délivrés
au cours de cette période.
Le premier brevet
de central téléphonique à cadran,
n ° 222 458, connu a été demandé
le 10 septembre 1879 et délivré le 9 décembre
1879, conjointement à MD Connolly, de Philadelphie;
T. A. Connolly, de Washington, D. C. ; et T.
J. McTighe, de Pittsburgh.
Les systèmes téléphoniques à
cadran
tirent leur nom de l'utilisation d'un cadran, ou d'un dispositif équivalent,
actionné par un abonné ou un opérateur pour produire
les interruptions de courant qui dirigent ou contrôlent le processus
de commutation au bureau central.
L'utilisation d'un cadran à ces fins, cependant, est beaucoup
plus ancienne que le téléphone.
Il a été suggéré par William F.
Cooke en 1836 dans le cadre de la télégraphie,
et a été utilisé pour la première fois
dans le télégraphe à cadran du professeur Wheatstone
de 1839. Au cours des années suivantes, il a fait l'objet
de nombreuses améliorations et a été utilisé
non seulement dans les systèmes de télégraphe
à cadran, mais dans systèmes d'alarme incendie et de
messagerie de district.
La figure ci dessous montre les cadrans de transmission et de réception
du télégraphe Froment de 1851.
Lorsque le pointeur P du cadran de transmission (a) est déplacé
vers la lettre D, par exemple, quatre dents de la roue R seront déplacées
au-delà du ressort M, et quatre marques et ruptures du courant
de la batterie aura lieu. Ceux-ci attireront l'armature, a, de l'électroaimant
b, à la station éloignée (b) quatre fois, et,
au moyen du cliquet F, donneront quatre mouvements à la roue
à rochet G, faisant ainsi avancer l'aiguille du cadran récepteur
(c) à la lettre n. De cette façon, le message télégraphique
était épelé, lettre par lettre.

Étonnamment précoce et étonnamment complet, le
brevet de Connolly, Connolly et McTighe contenait la plupart des concepts
des systèmes de cadran commerciaux ultérieurs. Le cur
de ce système, et du système Strowger ultérieur
qui connut tant de succès, était le cliquet mécanique
et le cliquet (ou chien). Tout comme chaque mouvement d'un pendule
d'horloge fait avancer la roue d'échappement d'une dent, chaque
coup de relais fait avancer la roue à rochet de l'interrupteur
d'une dent avec une précision d'horlogerie.
Bien que ce premier système ait été de conception
grossière et limité à un petit nombre d'abonnés,
il n'en a pas moins incarné le principe générique
des systèmes à numérotation ultérieurs.
À chaque station, en plus du téléphone, de la
pile et de la sonnerie d'appel, se trouvaient une clé d'inversion,
un interrupteur composé et un cadran (figure 2a) semblable
à celui utilisé dans les systèmes de télégraphe
à cadran, et portant sur sa face les chiffres correspondant
aux differentes stations du centre.
Voir
la description détaillée sur cette page.
Au bureau central (figure 2b) se trouvaient des roues à rochet
: une roue pour chaque station, montées l'une au-dessus de
l'autre sur un arbre vertical commun et portant des bras d'essuie-glace
qui se déplaçaient avec les rochets.
Actionné par le circuit faites d'interruptions par le cadran
de l'abonné appelant, un électro-aimant fait tourner
le bras d'"essuie-glace" pour engager le contact de la ligne
de l'abonné appelé.
Le système Connolly et McTighe, avec huit stations connectées,
a été exposé à l'exposition
universelle de Paris en 1881, et diverses modifications
y ont été apportées par ses inventeurs dans des
brevets ultérieurs. Ce système n'a jamais été
employé commercialement.
Bien que ce premier système soit de conception
rudimentaire et limité à un petit nombre d'abonnés,
il incarne néanmoins le principe générique des
systèmes à numérotation ultérieurs que
nous allons détailler.
À chaque station, en plus du téléphone, de la
batterie et de la sonnette d'appel, se trouvaient une clé d'inversion,
un interrupteur composé et un cadran semblable à celui
utilisé dans les systèmes télégraphiques
à cadran, et portant sur sa face le numéros correspondant
aux différentes stations du central. Au bureau central se trouvaient
des roues à rochet : une roue pour chaque station, montées
les unes au-dessus des autres sur un arbre vertical commun et portant
des bras d'essuie-glace qui se déplaçaient avec les
rochets. Actionné par les interruptions de circuit effectuées
par le cadran de l'abonné appelant, un électro-aimant
déplacait le bras d'essuie-glace pour engager le contact de
la ligne de l'abonné appelé.
Bien que le mécanisme de commutation soit relativement simple,
diverses manipulations de la clé d'inversion et de l'interrupteur
composé ont été nécessaires par les deux
parties à une conversation pour effectuer les changements de
circuit nécessaires à la station, pour inverser le courant
sur la ligne, pour faire fonctionner les sonneries d'appel et pour
remettre l'appareil de commutation en fonctionnement normal lorsque
les interlocuteurs avaient fini de parler.
1882 Suite des brevets Connelly,
US262645, US262646,
US262647,
US263862
et en 1884 brevet US295356
En décembre 1879 les brevets nos US223201
et US223202,
délivrés à George Westinghouse,
(voir cette page), ont été les premiers à
prévoir l'exploitation d'un certain nombre de banlieues,
ou de satellites, aucun n'a abouti à un système commercial.
sommaire
Bien que n'appartenant pas à la liste éditée
par de l'Office des brevets, en 1881 lors de l'exposition
de Paris trois autres inventeurs, Leduc
, Bartelous, et Sinclair
ont présenté des machines de commutation automatique,
qui n'ont également jamais été utilisées
à cette date.
L'appareil Leduc représenté
sous sa dernière forme.

Les appareils Bartelous (belge) et Leduc sont détaillés
dans la page Leduc Bartelous.
En France dépôt du Brevet 138097
le 21.04.1882 ; BARTELOUS
Jacques-Victor-Michel ; (26 images)
Aux US Brevet en 1883 US 290,730
Dec 25, Jacques J.V M Bartelous "Switching apparatus for telephone
lines "..
En 1886 en Belgique il y avait 5 bureaux auxiliaires du réseau
de Bruxelles sont desservis par des commutateurs automatiques Bartelous.
sommaire
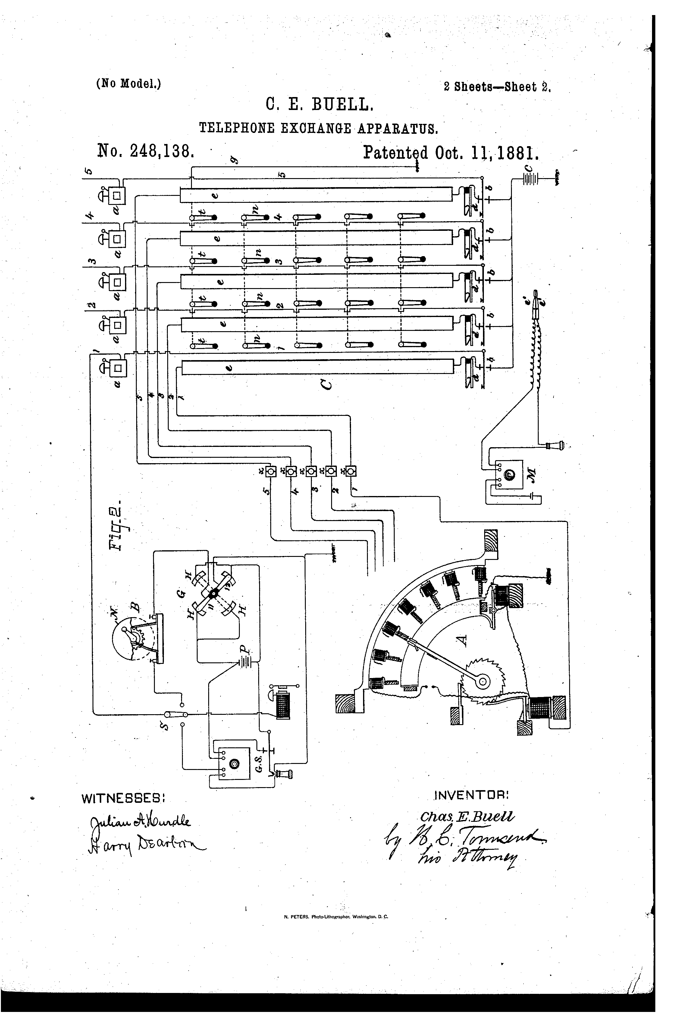
En
1881 Buell
imagine un système par palier
No. 248,138,
Brevet 11
Oct. 1881.
INPI Brevet de perfectionnements
apportés dans les appareils à l'usage des lignes téléphoniques
N° 145262
du 11.10.1881 ; BUELL Paris (75056) ; (22 images)
|
BUELL
téléphone exchange .
Spécification
: faisant partie des lettres patentes n° 248,138,
en date du 11 octobre 1881. Demande déposée le
15 juin 1881.
Améliorations nouvelles et utiles des appareils d'échange
téléphonique, dont ce qui suit est une spécification.
Mon invention constitue une amélioration par rapport
à cette classe d'appareils centraux téléphoniques
dans lesquels la connexion et la déconnexion des
lignes d'abonnés les unes avec les autres sont effectuées
à partir des postes d'abonnés. sans l'aide
de préposés de bureau neutres.
Bien que j'aie représenté dans les dessins annexés
une forme particulière de commutateur automatique à
des fins d'illustration, mon invention est applicable à
tout appareil d'échange automatique.
Tel que construit jusqu'à présent, l'appareil
de commutation automatique était défectueux en
ce sens lorsqu'il était impossible d'établir une
communication directe, téléphonique ou autre,
entre le central et les abonnés sur les fils utilisés
pour faire fonctionner le commutateur et pour communiquer entre
abonnés, en cas d'accident ou de perturbation de la commutation,
les affaires du central seraient momentanément paralysées.
Le but de mon invention est de remédier à ces
défauts et de fournir un moyen par lequel, sans perturber
le commutateur automatique, une communication orale peut avoir
lieu entre le central et tout abonné, ou vice versa,
tandis qu'en outre, en cas de dérangement d'une partie
quelconque ou tous les dispositifs de commutation automatique,
la communication peut toujours être maintenue entre les
abonnés.
A cet effet, mon invention consiste à interposer entre
le commutateur automatique et les lignes d'abonnés un
commutateur téléphonique à commande
manuelle de construction ordinaire quelconque, les différents
circuits d'abonnés passant par ledit commutateur jusqu'au
commutateur automatique, des moyens étant également
prévus pour connecter les différents circuits
d'abonnés. lignes à la terre avant de passer à
l'interrupteur automatique et pour déconnecter ou rompre
la connexion à la terre à travers ce dernier.
J'ai représenté dans les dessins annexés,
figures 1 et 2, deux formes d'interrupteur à commande
manuelle et deux manières de réaliser mon invention.
D'autres tableaux de commutation et d'autres moyens ou dispositifs
pour réaliser les diverses connexions électriques
envisagées par moi peuvent cependant être substitués
à ceux présentés sans s'écarter
de l'esprit de l'invention. En se référant à
la figure 1 des dessins, A représente une section d'un
interrupteur automatique construit de la manière indiquée
dans les lettres patentes des États-Unis délivrées
à M. D. et TA.
En se référant à la figure 1 des dessins,
A représente une section d'un interrupteur automatique
construit de la manière indiquée dans les lettres
patentes des États-Unis délivrées à
M. D. et TA. Connolly et T. J. McTighe, 9 décembre
1879, n°
222 458, mentionné précédemment,
le fil 6 des fils des abonnés étant indiqué
comme étant connecté à celui-ci.
Les différents circuits d'abonnés sont numérotés
de 1 à 6, consécutivement, et chacun accède
à l'autocommutateur et à ses prises de terre par
l'intermédiaire d'un standard téléphonique
7 à commande manuelle, C, interposé entre l'autocommutateur
A et les différentes lignes. En entrant dans le central,
chaque circuit est, par l'intermédiaire d'un annonciateur
et d'une sonnerie d'appel, a, à une clé sur l'interrupteur,
I, adapté pour déconnecter la ligne du tableau
et la connecter à une batterie ou un générateur
appelant, 0,- à un vérin à ressort, d,
de toute construction approuvée, à utiliser en
connexion avec des pointes métalliques isolées
divisées 6 6, connectées à un appareil
de communication téléphonique M ; à une
bande verticale, e, du tableau ; à un interrupteur f,
et de là aux dispositifs de commande du commutateur automatique,
et à la terre. La ligne 6 est représentée
connectée à une station d'abonné a B, auquel
point l'appareil 5. est sensiblement de la construction indiquée
dans le brevet de Connolly et McTighe ; S représentant
l'interrupteur adapté pour relier la ligne soit à
un rhéotome, B, et un changeur de pôles, O, pour
batterie P, à une sonnette d'appel, R, soit 9 à
un téléphone, T. Ledit interrupteur ferme également
le circuit de batterie 1? à travers les électrodes
et le primaire de la bobine d'induction en M T en même
temps qu'elle connecte la ligne au récepteur téléphonique
T. 5
Les commutateurs f dans l'appareil de commutation C sont chacun
adaptés pour couper le circuit d'une ligne d'abonné
avec l'appareil de commutation automatique et sa masse et connecter
la ligne à la terre par l'intermédiaire d'un fil
9.
Le fonctionnement normal du système lorsque les circuits
des différents abonnés passent à l'appareil
de commutation A est le même que celui du brevet mentionné
ci-dessus et n'a pas besoin d'être répété.
Si toutefois une communication orale est souhaitée entre
le bureau central et un abonné, ou vice versa, l'appareil
de standard 0 peut être instantanément mis en service,
le signal prédéterminé nécessaire
pour faire connaître une telle volonté de la part
d'un abonné étant donné sur la cloche a
par l'ouverture et la fermeture de la batterie P au moyen de
l'interrupteur S ou autre dispositif, tandis que, vice versa,
le centralisateur appuie sur hey I), mettant ainsi la batterie
ou le générateur 0 sur la ligne et déconnectant
simultanément la ligne des dispositifs de commutation
automatique et manuel, de manière à éviter
que la batterie c n'affecte les dispositifs électromagnétiques
de l'interrupteur A.
L'appareil téléphonique M peut être inséré
dans la ligne au moyen des vérins à ressort d
et des pointes 6. La nécessité d'une telle communication
peut provenir d'un dysfonctionnement du dispositif de commutation
automatique, de manière à mettre un abonné
en communication avec le correspondant souhaité. , auquel
cas il peut communiquer à l'opérateur du central
le fait qu'il n'obtient pas de réponse, et l'opérateur
effectue alors la connexion souhaitée dans le standard
C, avant de faire quoi il déconnecte les interrupteurs
des points auxquels sont connectés les fils menant à
l'interrupteur automatique A .
Si l'interrupteur automatique devient tellement déréglé
qu'il nécessite une réparation et rend son utilisation
ultérieure impossible pour le moment, lui et ses connexions
à la terre peuvent être entièrement déconnectés
des fils des abonnés au moyen des interrupteurs f et
de la connexion à la terre g. substitué. Les lignes
peuvent alors être connectées et les affaires du
central continuées sans interruption au moyen de l'interrupteur
0 seul, son fonctionnement dans ce service étant bien
compris. D'autres éventualités peuvent survenir
dans lesquelles il peut être mis en service en totalité
ou en partie conjointement avec l'interrupteur A ou totalement
indépendant de celui-ci ; mais je ne crois pas qu'il
soit nécessaire de tous les préciser.
Sur la figure 2 des dessins, j'ai montré une forme quelque
peu différente de tableau de commande manuel, bien que
le fonctionnement général de l'appareil soit sensiblement
le même que celui de la figure 1. Au lieu des interrupteurs
f normalement interposés dans le circuit et adaptés
à être tourné, de manière à
remplacer une connexion de masse, g, j'emploie une rangée
supérieure d'interrupteurs, t, dont les pivots sont connectés
à la masse 9, et une série de fiches de connexion,
à. un dans chaque circuit.
Les interrupteurs t peuvent être tournés de manière
à se connecter aux barrettes e, reliant ainsi les lignes
à la terre, tandis que la connexion des différents
circuits avec l'interrupteur automatique A est commandée
par les interrupteurs à fiche X.
Au lieu des barrettes de connexion m, comme le montre la figure
1, des leviers de commutation n sont utilisés pour connecter
les lignes. Le fonctionnement de ces appareils est bien compris.
Sur la figure 2, la ligne 1 est représentée connectée
au poste d'abonné B et au commutateur automatique A.
Une autre forme de changeur de pôles, G, est ici représentée.
L'effet de tourner son bras 11, 12 de manière à
occuper la position représentée en traits pleins
et pointillés et à se connecter aux segments H
peut être facilement suivi en traçant les circuits.
Le commutateur S connecte la ligne au rhéotome, à
la cloche et au téléphone de la manière
indiquée (également illustrée sur la figure
1 ;) mais le circuit de la batterie à travers l'émetteur
est contrôlé par un interrupteur à gravité,
G S, d'une manière bien connue. .
D'autres formes de commutateur central manuel peuvent être
remplacées par celles illustrées en les interposant
dans les circuits sensiblement de la même manière.
Ce que je revendique comme mon invention est :
1. La combinaison, avec un commutateur automatique de central
téléphonique, d'un commutateur manuel interposé
dans les circuits des abonnés entre les lignes et le
commutateur automatique, sensiblement comme décrit.
2. La combinaison d'un commutateur téléphonique
automatique, d'un commutateur manuel interposé dans les
circuits des abonnés entre les lignes et le commutateur
automatique, et de dispositifs adaptés pour rompre la
connexion des lignes avec le commutateur automatique et pour
substituer une mise à la terre indépendante. connexion
pour l'interrupteur manuel.
3. La combinaison, sensiblement telle que décrite, d'un
commutateur téléphonique automatique et d'un commutateur
manuel interposé entre le commutateur automatique et
les lignes, et des touches de signalisation adaptées
pour établir la connexion avec un générateur
et pour rompre simultanément la connexion avec l'automatique.
dispositifs de commutation, sensiblement comme décrit.
4. La combinaison, sensiblement telle que décrite, d'un
commutateur téléphonique automatique, d'un commutateur
manuel et d'un sectionneur interposé entre les deux et
adapté pour fermer une connexion indépendante
à la terre.
CHARLES E. BUELL
|
sommaire
1883 Il est communément admis que le
premier standard entièrement automatique utilisé en
Grande-Bretagne a été breveté par MD
Sinclair, alors ingénieur pour la National
Telephone Company à Glasgow.
L'appareil de Sinclair présente plusieurs
points communs avec celui de Connolly
& MacTighe : dans ce dernier, une
roue crantée est utilisée à la place de la barre
alternative crantée ; un échappement électromagnétique,
un mouvement d'horlogerie et des relais font également partie
de l'instrument . Il a été exposé à
l'Exposition électrique de Paris de 1881
Bien quil soit antérieur aux travaux bien connus de Strowger
en Amérique, il ne sagit pas dun développement
aussi significatif. En effet, l'invention de Sinclair n'était
pas un central téléphonique complet, mais plutôt
un commutateur de télécommande. Aujourd'hui,
nous appellerions ce concept un connecteur de ligne ou une unité
de concentrateur à distance.
L'appareil était destiné uniquement aux circuits monofilaires
et était efficace pour une ligne de jonction et cinq
lignes d'abonnés.
Lorsqu'un abonné appelait, son indicateur prenait contact avec
une barre coulissante qui reliait la ligne appelante à la ligne
de jonction menant au central et isolait toutes les autres lignes.
Les Brevets britanniques 3380 et 5964 ont été
délivrés en 1883 et le brevet 8541 en 1884 .
Voir sa description détaillée
sur cette page.
Selon un article lu par Aitken en 1911 et son Manual of the Telephone
, le premier commutateur de Sinclair fut installé à
Glasgow en 1883 et quelques-uns d'entre eux furent utilisés
en Écosse pendant un certain temps. On pense que des pièces
ont survécu au National Scottish Museum dÉdimbourg.
sommaire
1883, Lars Magnus Ericsson et Henrik Tore Cedergren
ont obtenu un brevet pour un central téléphonique automatique
et un générateur de numéros tout aussi automatique.
Le standard est mentionné dans la littérature technique
étrangère de lépoque en termes très
flatteurs.
Voir sa description
sur cette page.
1883 en février, Cedergren publia un prospectus pour
la création dune nouvelle compagnie téléphonique
suédoise indépendante, Stockholms Allmänna Telefonaktiebolag
(SAT), qui offrirait « des connexions téléphoniques
publiques à un prix inférieur et lutilisation
déquipements suédois ». Son objectif était
de fournir « des lignes téléphoniques dans chaque
bâtiment et pour tous les locataires ». L.M. Ericsson
& Co. dut sengager de son côté à ne
fournir de téléphones ou dautres équipements
à aucune autre compagnie téléphonique de Stockholm.
Un système de commutation appelé Automatic
Telephone Exchange a été présenté
dans un document de brevet 154885
(cliquez sur le lien du brevet), C'était ce qu'on appella un
interrupteur à cadran en étoile. L'appareil pour numéroter,
qui alimentait 5, 7 ou 10 participants, était relié
à la terre et au dispositif de commutation sur un fil pour
la communication et l'appel ainsi qu'un fil de commande.
Le contrôle se fai sur le lieu de travail de l'opérateur
dans le bureau via un générateur d'impulsions, qui envoyait
des impulsions positives au central distant via le fil de commande
pour réinitialiser les sélecteurs.
Le cadran et le générateur d'impulsions
La Stockholms Allmänna Telefonaktiebolag fondée
en avril 1883 et a commencé ses activités le 15 mai.
Le 31 octobre 1883, elle a ouvert son central téléphonique
central à Oxtorgsgatan 6, Norr-malm, dans le centre-nord de
Stockholm ; le 1er décembre, un autre à Urväders-gränd
9, Södermalm ; et le 1er mars 1884, un autre à Svartmangatan
6 à Gamla Stan...
En 1883, Lars Magnus et Cedergren présentèrent ensemble
des téléphones, des « commutateurs automatiques
» et des tableaux de distribution Ericsson à la grande
exposition internationale délectricité de Vienne.
Et SAT commanda plus que jamais à Ericsson : en 1883, par exemple,
elle commanda 1 000 téléphones...
En 1886, 150 systèmes étaient en service
et 45 systèmes furent livrés à la Poste Suisse.
Au total, environ 350 installations ont été mises en
service.
Le système lui-même était logé dans un
boîtier en bois, comme le montre la photo . Il comporte les
composants électriques suivants : un relais polarisé,
5 relais de ligne et 1 sélecteur avec aimant de réglage
et de réarmement.
L'alimentation électrique provenait du central avec une batterie
selon la longueur du câble allant du central au central, la
tension de fonctionnement était comprise entre 60 et 90 volts.
Le premier système fut présenté à l'exposition
de Vienne en août 1883.
Sans tout comprendre dans la traduction de ce système, je
vous livre ces quelques indications :
Tout d'abord, le sélecteur dans le centre d'échange
(central) devait être réinitialisé manuellement
par l'opérateur après que le participant ait donné
le signal final et débranché sa prise. Plus tard, une
machine de réinitialisation envoyait en permanence des impulsions
négatives aux lignes inutilisées, de sorte que les sélecteurs
étaient forcés de se mettre en position de repos. Cette
fonctionnalité, appelée « machine de réinitialisation
», était disponible une seule fois pour toutes les lignes
d'échange connectées au bureau.
Au cours du développement, le système de commande a
été étendu de telle sorte que, par exemple, avec
le système de commutation à 5 chiffres avec 15 impulsions
à envoyer, les connexions suivantes ont pu être établies
dans le central :
1 impulsion double avec connexion l
2 impulsions double avec connexion 2
3 impulsions double avec connexion 3
4 impulsions double avec connexion 4
5 impulsions double avec connexion 5
6 impulsions connexion l avec connexion 2
7 impulsions connexion l avec connexion 3
8 impulsions connexion l avec connexion 4
9 impulsions connexion l avec connexion 5
10 impulsions connexion 2 avec connexion 3
11 impulsions connexion 2 avec connexion 4
12 impulsions connexion 2 avec connexion 5
13 impulsions connexion 3 avec connexion 4
14 impulsions connexion 3 avec connexion 5
15 impulsions connexion 4 avec connexion 5
Cela a également marqué linvention du premier
codage de sélection.
Tant que le sélecteur de l'échange était sur
sa position 0, tous les participants étaient connectés
à la terre via leurs relais de ligne à la position 0
du sélecteur. Le participant utilise son téléphone,
et le relais de ligne du central lui répond, au même
moment, le téléphone sonne par ce même circuit.
Si le central était occupé par ailleurs, le cadran n'était
pas sur sa position 0 et, comme qu'indicateur d'occupation, votre
propre sonnerie ne tintait pas lorsque vous tourniez le cadran. L'appel
au bureau est effectué sur le fil de commande via le contact
du relais.
L'opérateur demande d'abord le numéro de téléphone
de l'appelant, puis le numéro de connexion souhaité.
Désormais, le composeur du central de l'appelant devait être
envoyé vers l'appelant ; la connexion souhaitée
se faisait alors, si possible, via la paire de cordons du propre poste
opérateur de l'opérateur, ou via une ligne de connexion
vers un autre poste du central. et au moyen d'un grand cri à
l'autre opérateur.
Une fois ce processus terminé, l'appelant était invité
à relancer le système en annonçant « Prêt »
afin que la connexion souhaitée sonne.
Les possibilités d'appel automatiques sur le poste de travail
du central n'étaient pas encore connues à l'époque
et afin de soulager le personnel du central au bureau, l'abonné
devait appeler lui-même la connexion souhaitée.
Si la personne appelée était également connectée
au central, l'opératrice du bureau devait régler par
impulsions le composeur de ce central sur la connexion souhaitée
et ensuite seulement faire l'annonce "Prêt".
À la fin de la conversation, les participants devait tourner
à nouveau le cadran pour demander aux opérateurs de
débrancher le cordon et de remettre le cadran au central. Les
opératrices avaient certainement vérifié si la
conversation était effectivement terminée en entrant
dans la file et en demandant « Parlez vous toujours ? »
L'automatisation des réseaux téléphoniques avait
commencé, mais il faudra encore de nombreuses années
avant que l'idée de base de la première solution, "l'appel
direct à l'abonné" d'un central distant, d'un bureau
ou d'un central privé, puisse être parfaitement mise
en uvre.
Au départ, il servait de concentrateur de lignes pour économiser
des lignes dont le nombre avait trouvé ses limites pour le
raccordement aux bureaux dans la conception des lignes aériennes
de l'époque.
sommaire
1884 Le système inventé par E. T. Gilliland,
de l'American Bell Telephone Company,
et couvert par le brevet n° 306,238,
du 7 octobre 1884 (non inclus dans le tableau ), avec des améliorations
ultérieures, jouissait d'un usage commercial limité.
Il a utilisé un certain nombre de lignes principales. Ce système
de "village", qui a été installé pour
la première fois à Leicester, Mass., en 1885,
a ensuite été employé dans un certain nombre
de petites villes, et a été exposé à l'exposition
universelle de Chicago en 1893.
Pour plus de détails, lire la page Gilliland.
Le
système Village de E.T Gilliland,de l'American
Bell Telephone Company,
Il jouissait d'une utilisation commerciale limitée. Pour faire
un appel, l'abonné presse un bouton correspondant à
la ligne de la station souhaitée, il connectait son téléphone
à cette ligne, et si , à l'écoute, il découvrait
que la ligne n'était pas en conversation , il sonnait l'abonné
avec sa magnéto, la conversation pouvait se faire si le demandé
décroche son appareil.
Ce système, installé pour la première fois à
Leicester (Massachusetts) en 1885 sera utilisé par la suite
dans plusieurs petites villes, a été exposé à
l'Exposition universelle de Chicago en 1893.
1886 Gilliland
a également déposé le brevet
n ° 334,014, par lequel l'opérateur de Vorcester
pouvait actionner un sélecteur rotatif à Leicester,
à six milles de distance, en sélectionnant et en appelant
n'importe quelle ligne du système Village.
Cela pourrait être considéré comme une forme embryonnaire
de numérotation par un opérateur. En 1885, elle fut
commercialement utilisée.
sommaire
En 1883 I. M. O'Donel,
Brevet US283,806 "Telephone Exchange"
.
Voir sa description détaillée
sur cette page.
sommaire
Brevet
N° 349 975. Breveté le 28 septembre 1886
J.H. BIOKFORD. SYSTÈME DE CENTRAL TÉLÉPHONIQUE
AUTOMATIQUE.
1886-87 Thomas D. Lockwood,
directeur du département des brevets de l'American Bell Company,
entra également dans le domaine de la commutation à
cadran et obtint deux brevets, no 335 708 et 372 378, délivrés
respectivement en 1886 et 1887.
Voir
sa description détaillée sur cette page.
Thomas D. Lockwood, directeur du département des brevets
de la société américaine Bell Company,
a obtenu deux brevets, 335
708 et 312,378
délivrés respectivement en 1886 et 1887 .
En 1886 JUPPONT dépose un brevet 176876
(lien Inpi) : système de communications téléphoniques
automatiques, le 19.06.1886 (13 pages)
Brevet 177789
(lien Inpi) du 05.08.1886 par HERZ Cornélius MARINOVITCH Bélisaire;
système automatique d'auditions téléphoniques
des représentations théâtrales ou autres applications
similaires, dit théâtrophone (31 pages),
suivi du brevet 183259
du 02.05.1887 - système de bureau central automatique principalement
applicable aux réseaux de téléphones
(10 pages)
En 1887 brevet 186595
du 25.10.1887 - commutateur automatique pour téléphones
; THIEBAUT Paris (5 pages)
sommaire
En 1889, H. V. Hayes et
H. D. Sears, de l'American Bell
Telephone Company, ont conçu un système de numérotation
pour les petits centres, qui a ensuite été couvert par
le brevet n° 457,477, délivré en 1891.
Il employait au bureau central un mécanisme de commutation
rotatif motorisé pour chaque ligne, qui pourrait être
mis en mouvement, par l'intermédiaire d'un relais polarisé
et d'autres appareils intervenant, par des courants positifs ou négatifs
envoyés sur la ligne par le générateur magnéto
d'abonné. La méthode de fonctionnement était
assez compliquée et le système n'a jamais dépassé
le stade du laboratoire.
Il représentait cependant le premier travail des ingénieurs
américains de Bell sur de véritables centres avec cadrans.
Les véritables avancées dans l'art des centres avec
cadrans avant le brevet Strowger de 1891, provenaient d'inventions
non directement liées aux systèmes téléphoniques
automatiques.
sommaire
Le 2 novembre 1889, par exemple, J.
G Smith, de New York, a déposé une demande de
brevet sur un système de commutation avec cadran pour les lignes
télégraphiques, qui a été délivré
le 23 août 1892, sous le numéro de brevet 481,247.
C'était le premier brevet à divulguer clairement l'utilisation
de "jonctions" entre des groupes de sélecteurs,
y compris la sélection automatique d'une jonction inactive,
qui est devenue plus tard une caractéristique essentielle de
tous les centraux téléphoniques sauf les plus
petits.
Dans le but de réduire le coût de l'offre d'un service
avec fil privé, aux courtiers et d'autres qui souhaitaient
une connexion télégraphique entre leurs bureaux de différentes
villes, l'inventeur n'a fourni que le nombre de lignes principales
suffisantes pour desservir le nombre maximum d'abonnés qui
télégraphiant à tout moment.
Pour éviter que deux ou plusieurs abonnés ne soient
connectés au même trunk ou "tronc", il a conçu
un mécanisme de recherche du premier tronc qui n'était
pas utilisé. A chaque poste d'abonné se trouvait un
cadran, avec des trous portant les numéros des circuits locaux
distants avec lesquels une communication pouvait être souhaitée,
et des moyens pour mettre en mouvement le mécanisme du central.
Au bureau central local, chaque ligne d'abonné se terminait
par un commutateur, ou sélecteur, dont la fonction était
de sélectionner une ligne réseau inactive. Les lignes
principales ont été multiplées par les «bancs
de contacts» sur chaque sélecteur, de sorte que chaque
ligne d'abonné puisse se connecter à chaque ligne principale.
Chaque ligne principale se terminait, au bureau central distant, dans
un commutateur, ou connecteur, qui a établi la connexion avec
la ligne d'abonné souhaitée. Toutes les lignes d'abonnés
du central distant ont été multiplexées vers
les bancs de tous les connecteurs. L'alimentation pour actionner les
interrupteurs était fournie par un arbre en rotation constante
entraîné par un petit moteur.
L'appareil et la méthode de fonctionnement de ce système
étaient beaucoup trop compliqués pour une description
adéquate ici.
En bref, un abonné désirant une connexion insére
une fiche en laiton dans le trou approprié de la plaque de
son cadran et, en actionnant des interrupteurs manuels appropriés,
faisant en sorte que son embrayage de sélection engage un disque
en rotation constante, qui fait avancer les balais de sélection
sur les bornes du coffre jusqu'à ce que la brosse d'essai rencontre
un tronc inactif, après quoi l'embrayage est débrayé
et la brosse s'arrête. Cela connectait la ligne d'abonné
appelant, par l'intermédiaire du tronc sélectionné,
à un commutateur de connecteur au bureau central distant, dont
les balais avançaient sur les bornes des lignes d'abonné,
une étape à la fois. Pour chacune de ces étapes,
le bras de numérotation de l'abonné appelant fait une
avance correspondante jusqu'à ce qu'il rencontre la fiche en
laiton qui avait été insérée dans le trou,
après quoi un changement de l'intensité du courant a
lieu, qui arrête le connecteur distant sur la borne appropriée,
et la connexion souhaitée est établie.
Bien que la caractéristique importante du brevet
Smith soit l'adoption du principe de jonction, l'invention utilise
également le principe de commande d'impulsion inverse
qui, sous une forme différente, est une caractéristique
du système avec cadran du "Panel
Bell System".
Dans deux brevets ultérieurs, nos 550 728 et 550 729, publié
en 1895, J. G Smith a appliqué
les caractéristiques de son central télégraphique
à cadran au fonctionnement du central téléphonique.
Le brevet n ° 329 874, délivré à Thomas Ahearn,
d'Ottawa, Canada, en 1885, couvrait le signal d'un gardien.
Afin d'obliger le gardien, dans ses rondes, à être à
chaque poste à l'heure convenable, l'inventeur a prévu
au poste central une brosse (balais) en rotation constante, entraînée
par une horloge, qui frotait lentement les contacts des lignes aux
divers stations et fermait le circuit de chacune d'elles pour une
durée déterminée. Si le gardien n'arrivait pas
à la station dans l'intervalle de temps indiqué, il
était incapable d'envoyer son signal, car le circuit passant
par l'indicateur de la station centrale était fermé.
Au lieu de cela, une alarme retenti à la station centrale.
Ce brevet n'était qu'une divulgation partielle du principe
du détecteur de ligne, car aucune disposition n'était
prise pour arrêter la brosse rotative sur une ligne particulière.
Il est mentionné ici parce qu'il a été cité
par l'Office des brevets en rapport avec l'invention de Van Size mentionnée
ci-dessous.
Le brevet n° 393 529, délivré à W. B. Van
Size, de Plainfield, N. J., le 27 novembre 1888,
et réédité par la suite, décrit un agencement
proche de la méthode de fonctionnement du détecteur
de ligne.
Pour simplifier l'équipement au poste d'un opérateur
manuel et pour éliminer la chute de l'annonciateur, l'inventeur
a prévu à chaque poste un bras radial ou balai tournant
constamment, relié à la terre par un électroaimant
et le casque téléphonique de l'opérateur, ce
balai frotait les contacts circulaires de les lignes d'abonné
affectées à cette position du standard. Lorsqu'un abonné
appelant manuvrait un interrupteur, connectant sa batterie à
la ligne, celui-ci actionnait l'électroaimant, et dès
que le balai tournant atteignait sa borne de ligne au moyen d'un cliquet,
le balai s'arrêtait sur ce terminal, connectant ainsi le téléphone
de l'opérateur au circuit. L'abonné pouvait alors transmettre
verbalement son appel à l'opératrice, qui le terminait
de la manière habituelle.
Bien que l'arrangement Van Size puisse difficilement être qualifié
de simplification de la méthode de fonctionnement manuelle
employée à l'époque, il représentait une
divulgation de brevet intéressante.
Tous les systèmes de commutation avec cadrans antérieurs
au début des années 1890 étaient gravement handicapés
par l'absence d'une centrale électrique fiable.
Les cellules primaires de batterie, telles que Le Clanché,
étaient les meilleures disponibles bien que la tension variait
considérablement.
sommaire
Autres brevets intermédiaires
1881 E. BELL, . No.
US248138. 7 Patented Oct. 11,1881. "TELEPHONE EXCHANGE
SYSTEM" (pas évident à comprendre)
1882 Frank H Snell brevets US
269,130 du 12 décembre 1882 "Automatic Telephone
Exchange".
1883 US 281,613 July 17, Gerge A Cardwell Automatic
"Telephone Exchange" .
1885 US 310,282 Jan 6, William A
Jackson & William R Cole "Telephone System"
1885 Le brevet n ° 329 874, délivré
à Thomas Ahearn, d'Ottawa, Canada,, couvrait le signal
d'un gardien. Afin de contraindre un gardien à faire son tour
à chaque station au moment voulu, Si le gardien n'est pas arrivé
à une station dans l'intervalle de temps imparti, une alarme
retenti à la gare centrale. Ce brevet n'était qu'une
divulgation partielle du principe du détecteur de ligne. Il
est mentionné ici car il a été cité par
le Bureau des brevets dans le cadre de l'invention de Van Size.
En 1886 en Italie, dans l'Etat autonome du
Vatican, puis sous le règne du pape Léon XIII,
G. B. Marzi développa et installa un commutateur automatique.
Dix stations téléphoniques furent exploitées
pendant plusieurs années via cet système dans les bureaux
du Saint-Siège.
|
Giovanni Battista Marzi : Après
son service militaire, à l'âge de 23 ans, il est
nommé directeur et organisateur du réseau téléphonique
romain naissant et en même temps secrétaire
pour l'Italie de la Société Générale
des Téléphones.
En 1884 abandonne la direction des téléphones
urbains et se consacre à la construction à la
fois d'équipements de précision et de fournitures
électriques et mécaniques militaires. Il a mis
en place, pour le compte de la Direction du Génie Militaire
, un réseau téléphonique complexe entre
toutes les casernes, fortifications et bureaux militaires de
Rome .
Ayant appris que le Vatican envisageait de créer
un réseau téléphonique interne, Marzi a
proposé de reprendre l'installation.
La proposition fut acceptée et, comme test, on lui confia
la mise en relation téléphonique automatique des
différents services de la Bibliothèque.
En 1886 Après avoir construit divers types d'appareils
téléphoniques pour des installations privées,
Marzi décida de résoudre le problème
de la connexion téléphonique automatique. Mais
il dut abandonner en raison du coût excessif des systèmes
et de la mise en uvre technique complexe et incertaine
du système. Marzi n'était pas découragé;
il a imaginé et mis en uvre une série de
dispositifs originaux, créant ainsi le premier CENTRE
TÉLÉPHONIQUE AUTOMATIQUE connu et exploité
dans le monde.
La petite installation a été inaugurée
au début de 1866 et a continué à fonctionner
en continu pendant plus de trois ans, jusqu'à ce que
l'utilisation de tableaux manuels ordinaires soit ensuite installés
pour les installations internes et pour les connexions aux réseaux
urbains.
Le chercheur et le sélecteur à 10 positions.
Simplicité, précision et solidité sont
les points forts du système Marzi, ce qui rend la probabilité
de pannes très faible et les réparations faciles.
Comment alors et pourquoi le système automatique de MARZI,
bien qu'opérationnel et testé par une longue expérience
dans les bureaux de la Bibliothèque du Vatican, n'a pas
eu plus d'encouragement et des applications plus étendues
? cela peut être expliqué comme pour de nombreuses
autres inventions, qui ont en effet surgi, mais pour une raison
ou une autre, sont restés à l'abandon.
Vatican, à
l'intérieur de la bibliothèque (Voir
le lien)
|
1887 KJ Mostasky, mécanicien
et électricien à Odessa (russie à l'époque),
a construit un système de commutation automatique. Il reprit
ce principe et avec son ami SM Berditschewsk.
1889 US 408,327 Aug 6, John R Smith "Telephone
System "
1890
brevet, No 435 295, avait été délivré
au Dr William I-I. Ford, de Saint-Louis,
en août 1890.
Cest le résultat de plusieurs années de travail
de son inventeur. En raison de sa complexité il n'aura pas
de succès,
1890 Préfigurant la complexité des systèmes
de commutation ultérieurs, un autre brevet, le n ° 435
295, délivré au Dr William
H. Ford, de Saint-Louis, en août 1890. Il était
le résultat de plusieurs années de travail par son inventeur
et contenait vingt-sept feuilles de dessins et vingt-deux pages de
texte. Voir sa description
détaillée sur cette page.
Le brevet n ° 393 529, délivré à W.
B. Van Size, de Plainfield, N. J., le 27 novembre 1888, et réédité
par la suite, divulguait un arrangement étroitement analogue
au mode de fonctionnement du détecteur de ligne.
1892 On trouvera un Brevet de Leroy B. Firman
Multiple Switch Board for Telephone Exchanges
1892 J.
G Smith, de New York, dépose un autre brevet sur un
système de commutation à cadran pour lignes télégraphiques,
qui a été délivré le 23 août 1892
en tant que brevet. 481,247.
Cétait le brevet qui devint plus tard un élément
essentiel de tous les centraux téléphoniques, à
lexception des plus petits.
Dans deux brevets ultérieurs, les brevets n ° 550 728
et 550 729, publiés en 1895, J. G. Smith appliqua
les fonctions de son central téléphonique télégraphique
à un central téléphonique.
1893 brevet 233492
17.10.1893 - commutateur central automatique perfectionné pour
réseaux téléphoniques ; NISSL Paris; (16 pages)
1895 Système
Nills Autriche du Brevet Nissl, F du 12 Mar. 1895 US535,806
1892 Pour la petite histoire, parallélement
en Russie : les inventeurs russes S. M. Berditchevski-Apostolov
et Mikhaïl Filippovitch Freudenberg élaborèrent
un central téléphonique entièrement automatique
(connecteur téléphonique) à 250 numéros.
Image du Brevet 546
725 obtenu en 1895.
Brevet 244832
02.02.1895 - auto-commutateur téléphonique, permettant
les communications téléphoniques entre les abonnés
d'un réseau, sans l'intermédiaire d'employés
spéciaux ; BERDITSCHEWSKY Salomon dit APOSTOLOFF FREUDENBERG
Moïse Paris (75056) ; (38 pages)
Brevet 248604
02.07.1895 - perfectionnements dans les auto-commutateurs téléphoniques
permettant les communications téléphoniques entre les
abonnés d'un réseau sans l'intermédiaire d'employés
spéciaux ; FREUDENBERG Paris (75056) ; (29 pages)
Brevet 258725
07.08.1896 - nouveau système d'auto-commutateur téléphonique
permettant de supprimer les employés dans les bureaux reliant
les divers abonnés entre eux ; FREUDENBERG Moïse Paris
(75056) ; (30 pages)
Brevet 276744
06.04.1898 - perfectionnements apportés aux appareils téléphoniques,
en vue de permettre le groupement d'un nombre quelconque d'abonnés
sur une même ligne aboutissant à un bureau central
; FREUDENBERG Paris (75056) ; (23 pages)

La maquette du central téléphonique de ce dernier
modèle fut fabriquée à Paris en 1898.
Les essais eurent succès mais la société anonyme
créée pour exploiter linvention ne put pas rivaliser
avec les compagnies qui exploitaient les stations téléphoniques
manuelles. Ce système ne suscita guère denthousiasme
parmi les Russes et pas d'écho dans le monde scientifique.
1893 Brevet Serdinko,
J, 510,195 Dec. 5, 1893
Serdinko photographe, vend son studio et senvole pour lExposition
universelle de 1893 à Chicago, lendroit idéal
pour un inventeur et un photographe. Après son retour au Nouveau-Brunswick
en octobre, John reçoit son quatrième brevet pour «
un système de central téléphonique automatique
».
C'est un brevet pour « un système et un dispositif simples,
spécialement adaptés à un central téléphonique,
qui permet de relier les appareils par un seul fil, qui dispense de
l'utilisation d'un opérateur au poste central, qui dispose
de moyens automatiques pour enregistrer les messages envoyés
par chaque abonné, et qui sont pourvus d'un dispositif de commutation
automatique au moyen duquel un abonné peut se connecter à
n'importe quel autre » ...
1893 Un système , appliqué depuis
six ans dans un certain nombre d'installations particulières
, est dû à M. Bernheim
.
puis un autre autocommutateur téléphonique de
Verner et Tedesco, tous deux Exposés par E. ESTAUNIÉ
dans cette page .
Système automatique dit auto-communicateur téléphonique
210171
du 12.12.1890 ; VERNER TEDESCO Paris (75056) ; (9 pages)
1894 brevet 236131
du 08.02.1894 - système d'intercommunication automatique pour
téléphones ; GELIS PERRON Paris; (23 pages)
1895 brevet 252552
du 17.12.1895 - système d'échange automatique téléphonique
; LOUNSBURY Paris (75056) ; (21 pages)
sommaire
Quelle conclusion pratique convient-il de tirer de
cette longue revue des premiers systèmes téléphoniques
automatiques ?
Les appareils proposés jusque là peuvent
être divisés en deux groupes .
Les premiers , d'un fonctionnement peu sûr ou ne sauvegardant
pas l'indépendance entière des communications ne pourraient
être acceptés dans des réseaux tels que les réseaux
français où le public est accoutumé à
une grande régularité dans le service .
Les seconds , solutions ingénieuses et complètes de
la question , n'arrivent à ce résultat qu'en utilisant
des organes délicats et coûteux .
Leur prix de revient dépasserait dans la plupart des cas l'économie
de fil correspondante .
Beaucoup d'appareils indiqués par leurs auteurs plutôt
que réalisés , ont été soumis à
l'appréciation du public depuis l'origine de cette étude
.
Sans avoir la prétention d'avoir passé en revue la totalité
des systèmes possibles , on peut dire que la plupart rentrent
pourtant dans les catégories diverses dont le principe a été
exposé ici . Dans aucun cas , ce n'est l'ingéniosité
qui a manqué ; s'il est un reproche à faire , c'est
au contraire une trop grande complexité de moyens , complexité
entraînant du même coup une élévation de
prix considérable et un entretien difficile .
Enfin , un fait nouveau est survenu qui a modifié complètement
la nature du problème : l'exploitation des grands réseaux
tend à se faire désormais à peu près exclusivement
à l'aide d'appareils multiples .
Comme la complication de ces multiples se prêterait mal à
des règles particulières d'appel concernant des groupes
d'abonnés spéciaux , la recherche des petites stations
automatiques s'est trouvée , par ce fait même , reléguée
au second plan . Quelque simples qu'elles soient , elles ne paraissent
plus pouvoir trouver place dans le nouvel outillage mis en uvre
.
Les conclusions auraient donc été , à première
vue , assez décourageantes si , des conditions nouvelles de
l'exploitation téléphonique , n'avait surgi l'idée
audacieuse et , il faut l'espérer , féconde d'étendre
le champ de la station automatique , en l'obligeant à mettre
en communication non plus deux , six ou même dix abonnés
, mais la totalité des abonnés d'un réseau .
On voit à ce desideratum divers avantages .
Les multiples téléphoniques , actuellement en service,
ont réussi à supprimer l'intermédiaire des lignes
de renvoi , et les téléphonistes desservant ces dernières
. Un seul employé suffit pour établir une communication
entre deux abonnés quelconques .
Le multiple automatique supprimerait ce dernier intermédiaire
et laisserait au public le soin de se mettre lui-même directement
en relation avec les abonnés qu'il désire . Le bureau
central n'existerait plus qu'au point de vue machines, le personnel
actuel deviendrait inutile , et l'unique intervention d'un mécanicien
surveillant le fonctionnement de l'appareil resterait nécessaire
.
La voie nouvelle est encore trop récente pour qu'il soit possible
de donner ici des appareils réalisés.
sommaire
C'est avec le système Strowger que
le téléphone automatique se concrétise.
Jusque là, les premiers systèmes ne commutaient que
quelques abonnés ne dépassant pas 100 .
Le mouvement et la construction des sélecteurs sont a priori
étrangers au principe de médiation automatique. Le mouvement
rotatif fournit le mécanisme de mouvement le plus simple, mais
à mesure que le nombre de lignes d'abonnés augmente,
la conception des étapes rotatives devient plus difficile.
Par exemple, pour régler le participant 240 sur un sélecteur
comportant environ 300 pas, on ne peut pas s'attendre à ce
que le participant envoie 240 impulsions individuelles pour que le
sélecteur fasse le même nombre de pas. Ce serait aussi
absurde que dessayer de construire un système numérique
de telle manière que, pour écrire le nombre 240, il
faudrait écrire 240 unités daffilée. Le
système numérique a utilisé la structure de la
décennie en introduisant la valeur de position dans laquelle
les nombres se répètent périodiquement. La technique
des sélécteurs doit également utiliser ce même
concept.
Le mécanisme de rotation devrait être conçu au
moins de telle manière que le sélecteur puisse d'abord
faire deux pas de cent, puis quatre pas de dix et enfin dix pas de
un. (Le nombre 0 est généralement équivalent
au nombre 10)
Une représentation mécanique favorable de la structure
du nombre décimal est sans aucun doute fournie par un mécanisme
capable d'effectuer un mouvement de levage et de rotation, et ainsi
le sélecteur de levage et de rotation est devenu le sélecteur
le plus couramment utilisé pour la sélection de réglage
de cet époque ou Strowger concoit son système.
Ce sélécteur conçu avec 100 positions, dispose
de 10 anneaux de contact avec 10 contacts les uns sur les autres.
Est-ce que cela s'applique dans un système à cent positions
? Par exemple, pour atteindre le nombre 79, on envoie d'abord une
série de 7 impulsions de courant , qui élève
le sélecteur de 7 pas, puis une série d'impulsions de
9, qui fait tourner le sélecteur de 9 pas.
Le passage d'un mécanisme de déplacement à l'autre
doit être "contrôlé" d'une manière
ou d'une autre, la manière la plus primitive étant la
séquence de processus successifs. Si nous équipons enfin
notre sélecteur d'un dispositif qui permet au sélecteur
de revenir en position de repos après une force de ressort
lorsque les cliquets sont soulevés, alors nous nous sommes
familiarisés avec les éléments de base du sélecteur
rotatif. Nous pourrions donc déjà connecter chaque abonné
au bras de commutation d'un sélecteur rotatif, occuper ce sélecteur
lorsque la boucle est fermée en décrochant l'abonné
appelant, c'est-à-dire le rendre réceptif à la
première série d'impulsions, le soulever progressivement
à l'aide de la première série d'impulsions de
courant, le faire tourner progressivement vers l'intérieur
à l'aide de la deuxième série d'impulsions de
courant et ainsi l'adapter à la ligne d'abonné connectée
à ce contact. Si nous équipons notre sélecteur
de dispositifs auxiliaires pour que des impulsions de courant de sonnerie
soient envoyées à l'abonné appelé, alors
une connexion vocale peut déjà être établie.
Une fois que l'abonné appelant a raccroché et que la
boucle de la station d'appel vers le composeur est interrompue, un
aimant de déverrouillage peut être activé, ce
qui ramène le composeur en position de repos.
Il serait désormais économiquement non viable déquiper
chaque participant dun sélecteur de paramètres,
comme cela était initialement prévu.
Il n'y avait pas un officier pour chaque participant, ni même
autant de cordons de connexion qu'il y avait de participants, mais
seulement autant de cordons de connexion que nécessaire au
maximum aux heures de pointe. Lexpérience montre que
même dans les villes les plus grandes et les plus animées,
ce pourcentage est de 6 à 7 %. Par conséquent, la ligne
d'abonné n'est pas connectée directement à un
sélecteur de réglage, mais uniquement à un sélecteur
auxiliaire et ce sélecteur auxiliaire est autorisé à
sélectionner un sélecteur de réglage libre. Lorsque
l'abonné initie l'établissement d'une connexion en fermant
la boucle lors du raccrochage, ce sélecteur auxiliaire, généralement
un petit sélecteur rotatif, est mis en mouvement et recherche
alors un sélecteur de réglage libre en tournant pas
à pas jusqu'à ce qu'il trouve un sélecteur de
réglage qui lui est connecté et qui n'est pas encore
en position de parole via un bras auxiliaire, appelé bras en
C, et une banque de contacts auxiliaires à laquelle sont connectées
les branches en C des sélecteurs de réglage.
Le sélecteur va donc tourner jusqu'à ce qu'il trouve
un potentiel sur le circuit auxiliaire, via lequel un relais auxiliaire,
appelé relais de test, peut réagir, de sorte qu'il interrompt
le circuit du mouvement pas à pas avec un contact. Notre sélecteur
auxiliaire a donc besoin d'un relais de démarrage, qui initie
le processus de mouvement, et d'un relais d'arrêt ou relais
de test, qui limite le mouvement en sélectionnant un sélecteur
de réglage libre et en interrompant le circuit pas à
pas. En utilisant ces concepts de base, nous pouvons maintenant considérer
un dispositif de commutation simple pour un système à
cent, si nous parlons brièvement des symbologies utilisées
dans les dispositifs de commutation.
Ainsi en 1891 est déposé le Brevet Strowger
du 10 mars et de numéro 447 918.
Il stipulait: "L'objet est de fournir des moyens par lesquels
une personne à une station peut établir une connexion
avec n'importe quelle autre station du système, à l'aide
d'appareils électriques, sans l'assistance d'un opérateur
à la station centrale" . Ce premier modèle ne dépassait
pas 99 abonnés maximum, avec un seul sélecteur à
100 positions.

Le développement du "Strowger Automatic Exchange",
de 1891, nécessitait cinq fils entre l'abonné et le
central, alors que les systèmes des frères Erickson
se contentaient de deux. En outre, Charles Erickson a explicitement
souligné que, bien que leur premier système ait été
conçu pour seulement une centaine de participants, celui-ci
s'est vite révélé complètement inadéquat
et, par conséquent, ils ont progressivement augmenté
leur capacité.
Evolution su Strowger
1895 Les frères Erickson, en collaboration
avec Keith et Lundquist, reçurent un brevet intitulé
Electrical Exchange le 28 mai 1895, numéro 540,168.
Puis Le 16 décembre 1895, Alexander E. Keith, John et Charles
J. Erickson déposèrent à nouveau une demande
de brevet pour le voteur désormais développé
conjointement. Près de deux ans s'écouleront avant que
le brevet sous le numéro 638
249 accordé en 1899 (appliqué en 1895). Cette
version a remplacé le commutateur Zither de Keith au central
de La Porte (Indiana) en 1895.
Compte tenu du fait qu'Almon Brown Strowger s'est retiré du
consortium à l'automne 1896 pour des raisons de santé
et a vendu ses brevets à l'entreprise à des fins de
commercialisation, il ne peut pas être associé au nouveau
développement basé sur l'invention des frères
Erickson.
En 1896 suivra le Brevet A. E; KEITH, 573
884 . décembre 1896 Lire
l'histoire de Strowger, ses brevets
Strowger 1897

...
Seuls deux types généraux de systèmes
téléphoniques automatiques avaient été
développés, bien que les deux aient diverses subdivisions.
Dans le premier type, et le plus ancien, il y avait
une connexion directe de la ligne appelante avec celle de l'appelé.
Chaque ligne d'abonné aboutissait au central dans le bras mobile
d'un commutateur individuel capable de se connecter aux bornes fixes
de toute autre ligne du central. Toutes les lignes d'abonnés
étaient connectées, ou multipléxées, aux
bornes fixes de chaque commutateur. La figure ci dessous illustre
ce principe pour un centre automatique de huit lignes d'abonnés.
Par souci de simplicité, les connexions multiples à
seulement quatre des huit lignes sont représentées.
Tant que le nombre de lignes dans le central était petit -
pas plus cent ou deux cents - ce type de système était
praticable.
Dans les grands centraux - plusieurs milliers de lignes, pour prendre
un cas extrême - on voit aisément que les commutateurs,
avec les multiples connexions nécessaires, seraient d'une taille
et d'un coût prohibitifs.
Le système Connolly et McTighe et les premières installations
Strowger étaient des exemples de ce type.

Représentation schématique du premier type de central
téléphonique automatique.
Au central, il y avait un commutateur individuel pour chaque abonné,
duquel ka ligne était connectée en permanence au bras
d'essuie-glace (numéros centraux). Chacune des lignes (huit
illustrées sur le schéma) était également
connectée, ou multiplée, à son propre contact
périphérique sur chaque interrupteur.
Le deuxième type de central automatique,
plus récent, utilisait le principe de la jonction ou du transfert,
dans lequel la connexion directe entre les terminaux des lignes appelantes
et appelées est supprimée et, à la place, une
telle connexion est établie via une ligne réseau du
bureau, la fonction des commutateurs du bureau central étant,
d'abord, d'unir la ligne d'appel à une extrémité
d'un tronc inactif, puis d'unir l'autre extrémité du
tronc à la ligne appelée.
Cette méthode a grandement diminué le coût et
la complexité de l'appareillage central des grands centraux,
puisqu'elle a permis l'utilisation de commutateurs de capacité
relativement faible. Seuls suffisamment de lignes réseau devaient
être fournies pour gérer le nombre maximal d'appels effectués
à tout moment.
Ce second type de système automatique comprenait deux classes
distinctes.
- Dans une classe, il y avait un commutateur individuel
pour chaque ligne d'abonné qui, lorsqu'il était actionné,
sélectionnait une jonction inactive d'un groupe menant à
la batterie de terminaux dans laquelle se trouvait la ligne appelée,
puis, au moyen d'un autre commutateur, reliait cette jjonction aux
terminaux de la ligne souhaitée.
Dans la figure 3, par exemple, les contacts périphériques,
qui en avaient 100 ou plus pour un grand central, sont maintenant
les bornes des circuits principaux menant aux bras de commutation
des sélecteurs qui établissent la connexion finale.
Dans cette classe ont été incluses les installations
ultérieures de Strowger.
- Dans l'autre classe du deuxième type, les lignes
d'abonnés n'étaient pas munies de commutateurs de sélection
individuels, et il n'y avait pas d'appareils de ce type normalement
connectés à leurs lignes. Au lieu de cela, plusieurs
circuits de jonction assignés à un groupe de lignes
d'abonnés étaient chacun munis d'un commutateur de sélection
approprié, ou « détecteur de ligne », à
leurs extrémités de circuit d'appel, adapté pour
saisir et se connecter avec les terminaux d'une ligne d'appel, pour
unir ces terminaux avec une jonction libre, puis au moyen de dispositifs
de commutation appropriés pour joindre l'autre extrémité
du tronc avec les terminaux de la ligne appelée.
Cette méthode de fonctionnement « de recherche de ligne
» a été employée pour la première
fois dans les systèmes
Lorimer et Faller.
Tel qu'il était utilisé, le mécanisme fonctionnant
en permanence amenait un commutateur commun à un groupe de
lignes en contact successif avec les lignes terminales et détectait
la condition électrique produite lorsqu'une ligne quelconque
avait lancé un appel. Un chemin était alors fourni de
la ligne appelante à un sélecteur de veille, que l'abonné
appelant en raccrochant pouvait désactiver pour achever son
appel.
En Amérique, deux ou trois systèmes différents
en usage réel ou expérimental ont été
publiées.
sommaire
1896 Freudenberg a inventé un un commutateur
fantaisiste, brevet américain numéro 556 007, mars 1896.
Les caractéristiques générales sont illustrées
dans la figure ci-dessous (extrait du brevet) . Il utilisait certains
des principes d'un système ferroviaire. Le commutateur était
contrôlé par l'abonné mais n'utilisait pas de
cadran (pas encore inventé). Il s'agissait d'un commutateur
à points croisés XY rudimentaire avec une ressemblance
grossière avec un commutateur à barres croisées
mais avec des barres fixes.

Entre 1892 et 1896 Romaine
Callender, qui appartient à l'entourage de Bell, a
breveté divers commutateurs automatiques avec 3 series de brevets.
les premières expériences réussies se passe à
New-York en 1895 avec des modèles en bois désignés
: Brandford Exchange ou de Callender Exchange. Son système
a finalement échoué, mais il a inspiré deux de
ses jeunes employés, George et James Lorimer
, à poursuivre les expériences. En avril 1900,
ils font breveter le système et sont prêts à
le commercialiser.
Lire la suite sur la page Lorimer.
Le système Lorimer en Europe a suscité un certain intérêt
et une nouvelle société, la Société Internationale
de l'Autocommutateur Lorimer, a été créée
à Paris en 1908 pour commercialiser le système. La France
acheté deux commutateurs pour Paris et Lyon, en Grande-Bretagne
deux autres pour Hereford et en Italie et un seul à Rome, Puis
il n'y eut pas plus de commandes en Europe. En France l'administration
finit par se rabattre sur le système automatique Strowger mais
qui arriva bien tardivement en 1913 à Nice.
En 1901 juste avant Faller,
Brownrigg, John J., and J. K. Norstrom, cédants
à la Globe Automatic Telephone Company,
Chicago, 111. son "Système téléphonique
automatique". (voir
Brevet US 738, 158 en pdf).
En 1902 Charles H. North avec Ernest Faller,
développent un centre téléphonique semi-automatique
; en 1904, il déposa un brevet.
1902 Lire la suite
sur la page Système Faller
sommaire
Au cours des 25 premières années du téléphone,
jusqu'au début du XXe siècle, les tentatives de mise
au point d'un système de commutation à numérotation
avaient été faites principalement par des inventeurs
sans expérience pratique du téléphone, comme
on l'a déjà noté.
Le problème était intéressant dans ses aspects
théoriques et, dans tout le pays, des hommes à l'esprit
inventif et connaissant l'électricité s'efforçaient
de le résoudre. Certaines des nombreuses propositions bizarres
ont déjà été décrites dans le Record.
En fait, cependant, il y avait très peu besoin d'un système
à numérotation dans ces premières années
de l'art du téléphone.
L'objectif dans l'esprit des nombreux inventeurs était probablement
d'économiser le coût des opérateurs, mais pour
la plupart, ils connaissaient trop peu le système téléphonique
et ses exigences pour se rendre compte qu'avec un système à
numérotation adéquat, l'économie sur les salaires
des opérateurs serait largement sinon entièrement compensée
par les dépenses d'entretien fortement accrues des appareils
de commutation plus élaborés et par les frais de port
requis sur l'investissement beaucoup plus important .
Le véritable besoin de changement avec des cadrans est dû
principalement à d'autres facteurs techniques et économiques
beaucoup plus complexes, et ne s'est manifesté avec une intensité
appréciable que bien après le tournant du siècle.
Les ingénieurs du système Bell avaient suivi de près
les brevets du système avec cadran depuis le tout début
et avaient poursuivi un peu de développement dans ce sens dès
la fin des années 1880. Cependant, ils reconnaissaient les
difficultés et savaient à quel point la commutation
avec cadrans serait peu bénéfique dans les conditions
existantes.
Il y avait un besoin beaucoup plus grand de développements
dans d'autres domaines, dans les instruments et appareils des stations,
dans les systèmes et méthodes de transmission et dans
les systèmes de distribution souterrains.
Au cours des années 1890 et au début des années
1900, par exemple, ils étaient très occupés à
développer et à installer dans tout le système
Bell le système à "batterie centrale" pour
remplacer le système à batterie locale ou les systèmes
à magnéto utilisés depuis le début de
l'activité téléphonique. Ce système a
constitué l'une des avancées les plus importantes jamais
réalisées dans l'art du téléphone et a
ouvert la voie à une formidable expansion du service téléphonique.
Cela a également donné aux ingénieurs une image
beaucoup plus large et plus claire des complexités, à
la fois techniques et économiques, du problème de commutation
dans les grands centres, ainsi que toutes les données de trafic
nécessaires pour faire des plans intelligents pour les besoins
futurs.
Au cours des dernières années du XIXe siècle,
de nombreuses fonctionnalités ont par ailleurs été
introduites pour économiser l'effort d'exploitation, telles
que la sonnerie automatique d'un abonné appelé lorsqu'un
opérateur se branche sur sa prise, et le déclenchement
automatique de la sonnerie lorsqu'il répond. Tous ces développements
et bien d'autres ouvraient la voie à un système avec
la numérotation vraiment satisfaisant.
Le premier besoin réel d'opération de numérotation
dans le système Bell est apparu dans certaines des petites
communautés où il n'y avait pas d'exploitation à
temps plein d'opérateur, donc le service 24 heures sur 24 devenait
très coûteux.
Les travaux ont donc commencé vers 1900 sur le développement
d'un petit central téléphonique et, en 1902, un
système de 50 lignes a été mis en service expérimental
dans le Queens, Long Island. Au cours de l'année suivante,
il a été remplacé par un système à
100 lignes.
D'autres systèmes de ce type, d'une capacité de 20 et
100 lignes, ont été construits en 1904 et 1905, pour
un total de plus de 40.
En suède : L'intérêt précoce
de la Telegraph Agency pour la téléphonie automatique
est marqué par les activités expérimentales menées
par G A Betulander à l'atelier
de la Telegraph Agency dès les années 1890. Un petit
nombre de petites centres automatiques y furent fabriquées
au cours des premières années du XXe siècle.
En 1910, le directeur du téléphone Axel
Hultman et l'ingénieur de ligne Herman Olson
de la Telegraph Agency entreprirent une étude aux États-Unis
et furent alors convaincus que la téléphonie automatique
avait de l'avenir. Certes, pour des raisons de précaution,
le principe semi-automatique était généralement
considéré comme préférable à l'époque.
Par conséquent, lorsque le Telegrafverket a voulu tester le
trafic automatique à plus grande échelle, un système
rotatif semi-automatique a été choisi, acheté
à Western Electric et mis en service à Landskrona en
1915, le seul système étranger opérationel que
le Telegrafverket a essayé en pratique .
Mais il a été décidé que le pays suédois
devrait avoir un système téléphonique d'origine
suédoise. Les soupçons à l'égard des constructions
étrangères étaient probablement bien réfléchis
et ont été prouvés par les expériences
de la station de Landskrona.
Hultman et Olson avaient déjà commencé à
travailler sur leurs propres système après leur retour
de leur voyage aux États-Unis. Alors qu'Olson s'en tenait aux
sélecteurs étape par étape, Hultman s'est finalement
lancé dans des sélecteurs mécaniques de format
géant à 10 000 lignes, composé de fils droits
et non isolés, appelés multiples à fils nus.
En Grande Bretagne, si la technique Strowger
était le système de commutation téléphonique
automatique le plus ancien, elle n'était en aucun cas la seule
option dont disposait la Poste lorsqu'elle a décidé
de faire ses essais. Trois alternatives étaient les systèmes
Lorimer, Rotary et Betulander, et un système Lorimer a été
commandé pour la Caterham Valley.
Il y a eu en fait des retards dans la fourniture de cet échange,
et il a finalement été installé non pas à
Caterham, mais à Hereford. Il a été ouvert le
1er août 1914, avec une capacité initiale de 500 lignes.
Le fabricant était la Canadian Machine
Telephone Company de Toronto, utilisant la technique brevetée
par l'américain EA Faller et connue sous le nom de système
Lorimer.
Celui-ci adoptait une approche de commutation automatique totalement
différente de celle de Strowger.
Le mécanisme de base était un commutateur rotatif, avec
une rangée cylindrique de 100 points, entraîné
par des embrayages électromagnétiques à partir
d'un système d'arbres en rotation continue. Chaque interrupteur
comportait dix jeux de balais ou d'essuie-glaces, également
espacés autour de l'arbre, tout groupe requis de dix contacts
étant choisi en sélectionnant les essuie-glaces appropriés
au moyen d'un commutateur de registre à impulsions associé
à chaque interrupteur principal. Les commutateurs étaient
interconnectés pour former l'équivalent de la disposition
classique du détecteur de ligne, du sélecteur de groupe
et du sélecteur final.
Du côté de l'abonné, le numéro à
appeler était réglé par le réglage de
quatre leviers qui donnaient également une indication visuelle
du numéro à quatre chiffres choisi. Pour démarrer
l'appel, l'abonné a effectué un seul tour de manivelle.
Ce dispositif était considéré comme plus fiable
puisque l'abonné pouvait vérifier le numéro sélectionné
avant d'appeler (ou après en cas de numéro erroné),
mais le mécanisme limitait bien sûr l'expansion future
en raison de ses quatre numéros fixes. capacité en chiffres.
Au fil des événements, Hereford a fonctionné
de manière fiable pendant plus de onze ans, mais il a toujours
été non standard et il n'y en avait pas d'autre en Grande-Bretagne.
Cependant, l'expérience a montré que l'utilisation d'équipements
de commutation avec la numérotation dans des bureaux sans surveillance
entraînait des exigences supplémentaires qu'il était
difficile, voire impossible de satisfaire à l'époque.
En conséquence, ces installations ont ensuite été
reconverties en exploitation manuelle. Ce n'est que plusieurs années
plus tard que la commutation avec numérotation pour les petits
bureaux sans surveillance s'est avérée techniquement
et économiquement réalisable.
À peu près à la même époque, cependant,
il a commencé à devenir évident qu'avant de nombreuses
années, la commutation avec la numérotation serait nécessaire
pour répondre aux conditions complexes des grandes villes,
où il était prévu qu'il n'y aurait pas un nombre
suffisant d'opérateurs compétents disponibles pour effectuer
toutes les commutations manuellement.
En conséquence, le développement de la commutation de
numérotation au sein du système Bell s'est transformé
en un programme intensif en 1905.
Cela a abouti à l'essai d'un système semi-automatique
à West Street en 1910, à l'installation commerciale
d'un système Panel
semi-automatique à Newarkin en 1915 et plus tard au
système de cadran à panneau entièrement automatique.
Bien que de nombreux brevets aient été délivrés
sur les systèmes de commutation avec cadran avant le début
des travaux du système Bell vers 1900, et que la plupart des
principes de commutation élémentaires aient été
divulgués, aucun des systèmes qui ont été
conçus n'a bénéficié d'une utilisation
commerciale étendue, à l'exception de celle d'Almon
B. Strowger et de ses associés. .
Charles H . North avait fondé la société
à Cleveland, Ohio en 1884, et on prétend qu'elle est
le plus ancien fabricant d'équipements du pays pour l'industrie
téléphonique indépendante. 1901 Au début
du XXe siècle, Charles North s'est associé à
Ernst Faller, un citoyen allemand vivant à New York,
qui a reçu en 1901 le brevet américain
686 892 pour son système téléphonique
automatique-manuel.
Avec le système semi automatique,
les abonnés pouvaient utiliser des postes téléphoniques
conventionnels sans dispositif de numérotation.
Au décrochage du combiné, l'abonné appelant déclenche
une double recherche dans le central téléphonique : d'abord
pour trouver la ligne appelante puis pour trouver un opérateur
libre. Un circuit tout relais a été utilisé pour
ce détecteur de ligne. Le poste libre de l'opérateur
était commuté automatiquement et mis en position
d'écoute pour que l'abonné puisse mentionner le numéro
de la ligne souhaitée. L'opérateur a saisi ce numéro
sur un clavier (ce qui était beaucoup plus rapide que la numérotation
sur un disque rotatif), et en appuyant sur une touche de démarrage,
un dispositif à impulsions a démarré en envoyant
des impulsions aux sélecteurs de ligne du centre automatique.
1906 Au USA, le développement du système automatique
a commencé avec un brevet reçu par Edward E. Clement,
( avocat spécialisé en propriété industrielle
à Washington, DC).
En 1907, North et Faller s'associent à Edward
E, North a acheté la National Engineering Co. de Baltimore
parce qu'ils détenaient de nombreux brevets et demandes de brevets,
au nom d'Edward E. Clement, qui s'appliquaient exclusivement à
la commutation semi-automatique et automatique impliquant des relais.
North Electric a ensuite complété un système semi-automatique,
l'Automanual.
Le premier centre a été établi en 1908 à
Ashtabula Harbor, Ohio. Exploité comme un satellite à
partir d'Ashtabula.
sommaire
Quest il généralement compris par un nombre limité
de participants ?
Si nous parlons de 10 ou 15 participants, il faut alors commencer
par les frères Connolly et McTighe, ou par Varzin au Vatican,
ou bien par Puskás de Pest, qui a développé lui-même
de tels systèmes très tôt et a ensuite construit
en relation avec Edison ! En réalité, d'innombrables
personnes ont réalisé des progrès dans ce domaine,
mais tous n'ont été utiles qu'à un nombre limité
de participants.
Salomon Berditschewsky et Moise Freudenberg, qui, à la même
époque, créaient déjà des installations
téléphoniques pour 250 abonnés à l'Université
d'Odessa, et seulement deux ans plus tard environ pour 10 000 abonnés.
Il convient également de noter à ce stade qu'au début,
ces grands systèmes ne disposaient que d'une seule ligne entre
l'abonné et le central téléphonique, alors que
Strowger avait encore besoin de jusqu'à cinq lignes.
Lorsque ce fait est devenu connu dans le monde occidental, il a pu
être prouvé que tous ceux qui ont une influence directe
sur l'histoire du développement ont profité des brevets
de Berditschewsky et Freudenberg de telle manière que des dispositifs
similaires, presque copiés, ont été utilisés
dans dans cette direction, des brevets furent rédigés
et attribués au groupe de personnes que nous venons de citer,
nous citerons ici quelques noms : Frank Lundquist, Alexander Keith,
John et Charles Erickson et en 1901 même Edmund Preissmann.
Une raison importante peut être invoquée pour expliquer
l'échec de Berditschewsky et Freudenberg, à savoir que
le jeune Freudenberg, qui avait même tenté de créer
sa propre entreprise à Londres, n'a jamais rivalisé
avec les grandes entreprises influentes, comme la Bell Company. changement.
Si lon se souvient de linvention du premier téléphone
utilisable, nétait-ce pas la même chose ?
Il est incontestable que les premiers cadrans utilisables ont été
construits par la Strowger Automatic et que le premier appareil de
ce type en Allemagne a été livré à Berlin
par le successeur de la Strowger Automatic. Il ne faut cependant pas
oublier quau moment où ce développement fut mis
au point, Strowger lui-même ne faisait plus partie de lentreprise
quil avait fondée. Il avait auparavant vendu ses brevets
et sa part dans l'entreprise. La question suivante se pose désormais
:
Pouvons-nous continuer à utiliser le terme composeur Strowger
pour un instrument simplement parce qu'il a été construit
par la Strowger Automatic Telephone Company et qu'Almon Brown Strowger
n'a jamais été impliqué dans son développement
?
A-t-on le droit de laisser les frères John et Charles Erickson
au deuxième rang ?
A-t-on le droit de laisser Moïse Freudenberg et Salomon Berditschewsky
tomber dans loubli alors même que leur invention est fondamentalement
considérée comme une source dinspiration pour
tous les inventeurs impliqués dans son développement
?
Il est temps que, dans ce cas aussi, nous ne puissions plus fermer
les yeux sur la vérité et que l'histoire soit corrigée.
Dans l'espoir que cet ouvrage contribuera à éveiller
votre intérêt pour l'histoire du développement
de la téléphonie automatique.
sommaire
Aperçu des premières
améliorations
L'invention de Bell a déclenché, comme nous l'avons
vu, un flot de développements technologiques. Des développements
qui ont suivi deux trajectoires. Une trajectoire qui concernait l'amélioration
des composants du téléphone lui-même : les Améliorations
des composants. Une autre trajectoire de développement a abouti
à des améliorations qui couvraient l'ensemble du système
: les améliorations du système . Cela a commencé
par de simples améliorations au cours de ces premières
années, mais au fil des ans - la téléphonie étant
également confrontée aux problèmes de capacité
rencontrés par la télégraphie - ce fut le développement
d'une infrastructure de télécommunications complexe.
Activité brevets
Comme les inventeurs qui pensent que leur invention a une nouveauté
spécifique qui mérite d'être protégée
ont l'habitude de déposer une demande de brevet, l'activité
des brevets dans un domaine technologique spécifique indique
l'importance de ce domaine. Dans le cas du développement de
la parole électrique, les brevets délivrés portaient
sur deux trajectoires : la trajectoire composante et la trajectoire
système. Les brevets des composants couvraient des parties
du système, comme le brevet de l'émetteur/récepteur
qui a commencé avec l'émetteur et le récepteur
de Bell. La trajectoire du système a vu les brevets liés
aux centres manuels, puis électromécaniques. Ici, ce
sont Scribner et Strowger qui ont été les premiers contributeurs.
Ils furent bientôt suivis par de nombreux autres. Dans la Figure
126, l'activité des brevets jusqu'en 1920 est représentée
graphiquement.
Le graphique montre clairement que le nombre total de brevets liés
à la téléphonie a considérablement augmenté
après la fin de la protection par brevet de Bell en 1894, en
particulier les brevets pour l'ensemble du système téléphonique
(y compris les centraux).
sommaire
1900 : parallélement à
l'automatisme arrive le besoin de téléphoner plus loin
.
La controverse Pupin-Campbell
Un problème majeur pour le développement de la téléphonie
était le coût des communications sur de plus longues
distances.
Comme le signal devenait vite trop faible du fait de l'atténuation
sur la ligne, il fallait des fils de cuivre coûteux de diamètre
croissant pour pouvoir communiquer sur de plus longues distances.
En 1900, la téléphonie interurbaine avait atteint ce
qui semblait être une limite pratique dans un circuit de 1 200
milles entre Boston et Chicago.
En moyenne, un quart du capital investi par les compagnies de téléphone
était dans ces fils. De nombreux scientifiques et ingénieurs
ont travaillé sur le problème de "l'atténuation
des ondes électriques
L'un de ces scientifiques était Michael Idvorsky Pupin
(1858 - 1935), un citoyen autrichien d'origine serbe qui a immigré
aux États-Unis en 1874 à l'âge de 16 ans. Il était
l'un de tous ces immigrants qui ont afflué aux États-Unis
depuis l'Europe, certains d'entre eux devenant célèbres
plus tard dans la vie (par exemple, Nicolas Tesla). Ses premières
années aux États-Unis ont été caractérisées
par les difficultés et la pauvreté en faisant des travaux
manuels, en travaillant dans des fermes et dans des usines. Après
s'être formé grâce à des cours du soir au
Cooper Union Institute, il a réussi à aller au Columbia
College. Là, non seulement il excellait dans le sport, mais
il est devenu fasciné par la physique. Après avoir obtenu
son diplôme en 1883, et le lendemain de son acquisition de la
citoyenneté américaine, il a été nommé
premier Tyndall Fellow in Physics du Columbia College. Les six années
suivantes ont été passées à l'Université
de Cambridge, en Angleterre, et à l'Université de Berlin,
en Allemagne, où en 1889, il a obtenu son diplôme de
docteur en philosophie sous Hermann von Helmholz. De retour en Amérique,
il rejoint le corps enseignant de son alma mater, Columbia University.
Pupin s'est engagé dans des recherches mathématiques
sur la vibration de cordes élastiques chargées à
intervalles successifs de masses uniformes de matière, et a
obtenu la solution de ce problème en 1895. Cela l'a conduit
plus tard à la solution d'un problème électrique
co-lié à la propagation de l'électricité
alternative. courants sur un conducteur uniforme, contenant des masses
d'inductance, c'est-à-dire des bobines d'inductance insérées
dans le conducteur à intervalles réguliers. La solution
a montré qu'un circuit téléphonique pouvait être
grandement amélioré en insérant des bobines d'inductance
à des distances spécifiées.
Ainsi, Pupin a inventé la « bobine pupin »
qui a rendu possible la communication sur de plus longues distances
sur des lignes plus fines : les « lignes téléphoniques
pupinisées ». L'importance économique serait
considérable car les appels interurbains étaient un
sujet brûlant dans la téléphonie à cette
époque.
Le circuit téléphonique chargé par bobine peut
sembler d'une simplicité trompeuse, car il se compose de bobines
d'inductance connectées en série avec les conducteurs
des fils téléphoniques à intervalles périodiques.
Cependant, un examen des détails historiques révèle
qu'il s'agissait de l'une des innovations électriques les plus
sophistiquées du XIXe siècle. Il est significatif que
chacun des demandeurs de la priorité de découverte ait
été
compétent en physique mathématique.
Pour ses travaux antérieurs sur les communications télégraphiques,
il avait déjà obtenu le brevet américain n°
519 346 le 8 mai 1894 .
Ce brevet impliquait des condensateurs en série, plutôt
que des inducteurs, qui ne devaient pas être distribués
le long de la ligne. Ensuite, on avait déjà compris
que, à côté de la résistance ohmique d'un
fil, d'autres facteurs influençaient également sa capacité
de transmission. Pupin a ajouté à cela les calculs mathématiques
et a introduit une bobine comme moyen de réduire l'atténuation.
Il prétendait:
"Ce que je revendique comme nouveau, et que je souhaite garantir
par des lettres patentes des États-Unis, c'est la méthode
de diminution de la constante d'atténuation d'un conducteur
d'onde uniforme qui consiste à augmenter suffisamment l'inductance
du conducteur pour garantir la diminution requise de l'atténuation
constante, en répartissant le long de celle-ci des sources
d'inductance en des points périodiquement récurrents,
la distance entre points consécutifs étant telle qu'elle
conserve approximativement son caractère de conducteur uniforme/par
rapport aux ondes à transmettre, sensiblement tel que décrit'
.
Il a obtenu les brevets américains n° 652 230 et
n° 652 231 le 19 juin 1900 pour « réduire
l'atténuation des ondes électriques » . Il s'agissait
des "brevets de bobine de chargement".
La revendication de priorité :
A côté de l'invention de Pupin, à la même
période, une invention similaire avait été faite
par George Campbell, travaillant pour l'American Telegraph & Telephone,
et Pupin, professeur d'électromécanique à l'Université
de Columbia. Mais qui avait la priorité ?
Travaillant chez AT&T, Georg Ashley Campbell (1870-1954),
ingénieur civil du MIT avait étudié à
Harvard, Gottingen, Vienne et Paris, et également sur le même
problème que Pupin. Il était membre du personnel d'ingénierie
du laboratoire de Boston de l'American Bell Telephone Company. Là,
il a travaillé sur le problème de la transmission longue
distance et a exploré l'utilisation des bobines.
La solution qu'il a trouvée semblait brevetable, mais il a
fallu beaucoup de temps pour traiter la demande de brevet avec AT&T.
Enfin, il dépose une demande de brevet le 5 mars 1900.
Pupin, travaillant comme professeur, ou Campbell travaillant chez
AT&T ? Cela ressemblait à la «bataille David
contre Goliath» une fois de plus, car maintenant AT&T était
le géant riche qui s'opposait à un professeur aux fonds
limités. Comme Pupin l'a déclaré plus tard dans
son autobiographie : Deux autres inventeurs avaient déposé
une demande de brevet pour la même invention. L'un d'eux était
un Américain, l'autre un inventeur français, et chacun
d'eux était soutenu par une puissante organisation industrielle.
Un professeur d'université avec un salaire de deux mille cinq
cents dollars par an ne peut supporter une longue lutte juridique
face à deux puissantes corporations ; mais c'est un fait psychologique
curieux que lorsque la revendication d'une invention est contestée,
il se battra pour elle tout comme une tigresse se battrait pour son
petit.
Les revendications contradictoires des brevets Puppin et de la demande
de brevet Campbell ont entraîné une procédure
d'ingérence prolongée. Campbell a été
lent dans sa réponse et finalement, le 6 avril 1904, le brevet
a été délivré à Pupin.
Après de nombreux témoignages au nom de chaque demandeur,
la décision de l'examinateur en faveur de Pupin a été
rendue en décembre 1903.
Le président de la société Bell, Frederick P.
Fish, a alors contacté Campbell pour lui demander de relire
la décision de l'examinateur et de donner des conseils sur
les mesures à prendre. l'entreprise devrait prendre. Fish a
déclaré qu'il souhaitait qu '"il n'y ait aucun
nuage sur le titre du candidat retenu". Apparemment, Campbell
a recommandé que l'affaire soit poursuivie, puisque la décision
de l'examinateur a été portée en appel devant
le conseil des examinateurs en chef en janvier. La décision
du conseil a été rendue en avril et a également
accordé la priorité à Pupin. La décision
du conseil aurait alors pu être portée en appel devant
le commissaire aux brevets et, si nécessaire, devant une cour
d'appel fédérale.
Cependant, Fish a décidé de ne pas poursuivre l'affaire,
laissant Pupin le vainqueur légal.
L'invention était d'une valeur énorme pour AT&T.
Les câbles téléphoniques pourrait maintenant être
utilisé pour doubler la distance, ou alternativement, un câble
de la moitié de la qualité (et du coût) précédents
pourrait être utilisé sur la même distance. On
estime qu'AT&T a économisé 100 millions de dollars
au cours du premier quart du XXe siècle . Ces chiffres illustrent
les sommes d'argent faramineuses liées au monopole de Bell.
Le litige a pris fin le 6 avril 1904, lorsque AT&T s'est retiré.
Craignant qu'il y ait un risque que la bataille se termine avec l'invention
déclarée non brevetable, ils ont décidé
d'acheter une option sur les brevets de Pupin moyennant une redevance
annuelle afin qu'AT&T contrôle les deux brevets. Ils ont
payé 185 000 $ à l'avance et 15 000 $ pour chaque année
pendant laquelle le brevet est resté en vigueur. En janvier
1901, Pupin avait reçu 200 000 $ et en 1917, lorsque le monopole
AT&T a pris fin et que les paiements ont cessé, il avait
reçu un total de 455 000 $ . Le résultat fut qu'il devint
un homme riche. Pupin a obtenu un succès financier qui a rarement,
voire jamais, été égalé par un professeur
d'ingénierie à temps plein.
sommaire
REVENONS A LA COMMUTATION AUTOMATIQUE
Evolution
des systèmes téléphoniques automatique
Reprenons les développements de
systèmes de commutation téléphonique avec des
cadrans, deux dispositions fondamentalement différentes
ont été conçues pour contrôler le fonctionnement
des commutateurs.
- Dans un agencement, le commutateur à chaque étage
successif répond directement au chiffre qui est composé.
Les systèmes utilisant cette méthode de fonctionnement
sont appelés systèmes à numérotation
directe, un exemple étant le système pas à
pas couramment utilisé dans le système Bell.
- Dans l'autre agencement, les informations composées sont
stockées pendant une courte période par un équipement
de commande centralisé avant d'être utilisées
pour commander les opérations de commutation.
Les systèmes utilisant le deuxième agencement sont connus
sous le nom de systèmes à commande communes,
dont des exemples sont rotatifs, à panneaux et à barres
transversales.
Ces deux arrangements ont des domaines économiques différents,
la commande à numérotation directe étant mieux
adaptée aux petits centraux téléphoniques et
les commandes communes aux plus grands centraux, en particulier ceux
des zones métropolitaines.
Un historique de l'évolution de ces types de systèmes
de commutation est présenté, suivi d'une discussion
de leurs mérites comparatifs pour divers domaines d'utilisation.
Comme nous venons de la voir, l'invention des machines pour commuter
les connexions téléphoniques a commencé peu de
temps après l'invention du téléphone.
Un précurseur du système pas à pas, le système
téléphonique Connolly et McTighe,
a été breveté en 1879 et le premier brevet
US447918 du système pas à pas Strowger
(step-by-step) a été délivré en 1891.
Brevets également déposés au Royaume-Uni
(6 mai 1891) et en Allemagne (27 juin 1892).
Strowger le 3 novembre 1892, met en service le premier central
téléphonique automatique avec 75 abonnés
au début, extensible à 99 dans la ville de La Porte
près de Chicago dans l'Indiana.
Le central de La Porte a été installé par la
Cushman Telephone Company. Cette société
indépendante remplaçait une filiale de Bell, qui avait
auparavant installé un central dans la même ville. En
1890, il y eut un procès entre les deux sociétés,
et le juge décida que les équipements téléphoniques
de la société Cushman violaient les brevets de Bell
(alors encore valables) et devaient être incinérés.
Il a fallu les évacuer en toute hâte pour éviter
ce sort. En juillet 1892, les autorités municipales de La Porte,
privées de téléphones par cette décision
judiciaire, autorisent la Cushman Telephone Company à installer
un autre central, fourni cette fois par la Strowger Automatic
Telephone Exchange Company, étant le premier central
automatique en public. service dans le monde. Cette installation utilisait
des mécanismes étape par étape (step-by-step).
Au début des années 1900, de nombreux ingénieurs
téléphoniques considéraient la commutation entièrement
automatique comme peu rentable, mais techniquement réalisable
si elle était limitée à des centraux uniques
avec des lignes individuelles à tarif forfaitaire.
Avec 5 types de comutateurs différents seront installés
sur une période de 6 ans. Il a fallu encore plusieurs années
avant de développer des comutateurs pratiques extrêmement
fiables, rentables et utilisés dans les petites et grandes
communautés.

Vers 1900, certains modèles importants étaient apparus
et sont devenus des modèles pour les générations
futures.
De 1900 aux années 1960, une quinzaine d'innovations
importantes en matière de commutation téléphonique
ont également eu lieu. Chacun a fait progresser létat
de lart.
Linéaire : système Américain Bell Panel
et Fallwahler
Allemand.
Rotatif : Connolly,
Lorimer,
Solo Rotatif *, Système Bell Rotary
7A .
Linéaire et Rotatif : Premier
Strowger Cithare
de Keith, Strowger
de Keith, Ericsson
500,
Line Switch
ou Keith's Plunger, et Ericsson
XY.
Autres
- Sytèmes A
relais , à Barre transversale Crossbar
,
- Commutateur Particulier : À titre d'exemple, le commutateur
Freudenberg
en1896.
- Séquence+
* Le commutateur pas à pas rotatif solo se distingue
du commutateur rotatif groupé, entraîné par moteur,
utilisé dans le « système de commutation automatique
rotary 7 A » et ses successeurs. Le solo rotatif est un cousin
de la version motorisée. Il s'agit d'un appareil autonome
(solo) et ne fait pas partie d'un réseau rotatif plus grand.
Sa lignée provient des idées des frères Lorimer
et de Strowger et a été créée
par Western Electric vers 1910. Il existe en de nombreuses versions
et il était plutôt simple à construire par rapport
aux nombreux commutateurs complexes.
sommaire
Des Centraux Automatiques ou semi-automatiques
:
À la différence d'un central manuel, où une opératrice
est affectée à un bloc d'abonnés fixe, dans le
cas du semi-automatique, l'appel est aiguillé vers la première
opératrice disponible. Ce qui répartit plus équitablement
la charge des appels à traiter.
Ensuite, l'opératrice d'arrivée, dite Semi-B, n'a plus
qu'à taper sur le clavier numérique à touches
le numéro d'appel téléphonique urbain demandé
par l'abonné du central manuel, et ensuite le commutateur s'occupe
automatiquement du reste.
Il a été envisagé des systèmes capables
de fonctionner soit sur une base semi-mécanique, soit sur une
base entièrement mécanique, selon que le cadran se trouve
au tableau "A" ou au poste de l'abonné.
Des travaux étaient également en cours pour prévoir
des arrangements permettant de répartir les appels entre les
bureaux de numérotation et pour surmonter les nombreuses faiblesses
et déficiences des systèmes de numérotation existants.
La société Strowger, Bell System et plusieurs autres
sociétés planifiaient ou développaient à
cette époque des systèmes automatiques et semi-automatiques.
Les systèmes entièrement automatiques étaient
pour la plupart à commandes directes, c'est à dire que
le cadran pilote les organes de recherche du numéro du corresôndant.
Ils comprenaient les systèmes Strowger
de la Western Electric à 100
lignes et 20 lignes, Clark,
Faller
le sysytème Lorimer
.
- Le système Strowger
du milieu des années 1890 prévoyait des sélecteurs
à deux chiffres de 100 points, un pour chaque ligne.
Pour chaque groupe de 100 lignes, les 100 prises de chaque sélecteur
ont été multiplées aux prises correspondantes
des autres sélecteurs desservant le groupe. Chaque prise du
groupe était reliée à un connecteur à
deux chiffres, chaque connecteur ayant accès à 100 lignes.
Ainsi, chaque groupe de 100 lignes disposait de 100 sélecteurs
et d'un maximum de 100 connecteurs et pouvait atteindre 10 000 lignes
dans un bureau complet.
Chaque groupe de connecteurs, jusqu'à un maximum de 100 connecteurs
par groupe, avait un multiple de 100 lignes de terminaison.
C'était donc un système mono-bureau à 4 chiffres
d'une capacité théorique de 10 000 lignes, nécessitant
1 sélecteur et 1 connecteur par ligne.
Les abonnés d'un groupe d'origine donné de 100 lignes
n'avaient qu'un seul chemin vers un groupe de destination particulier
de 100 lignes.
Puisqu'un sélecteur était prévu pour chaque ligne,
aucune tonalité n'était nécessaire. Les commutateurs
utilisaient le mouvement familier de haut en bas. Les centraux de
ce type installés étaient de petite taille, le plus
grand étant de l'ordre de 1 000 lignes de capacité.
Ce type a été suivi par un nouvel arrangement lorsque
la sélection automatique des lignes réseau a été
introduite.
Cela fournissait plusieurs chemins vers chaque groupe final de 100
lignes ; le sélecteur à ce stade est devenu un
commutateur à un chiffre.
- Le système Clark
était un système pas à pas rotatif à mouvement
unique utilisant des commutateurs à 75 points pouvant accueillir
un maximum de 74 lignes. Il n'avait pas de test d'occupation.
Il n'y avait pas de relais dans ce système "opérateur
automatique ".
- Un système peu connu de la Globe
Automatic Telephone Company en 1900 à 100 lignes
qui avait un cadran (ou clavier) particulier.
- Plus évolué (signalisation, test occupation ...) le
système Western Electric à
100 lignes et 20 lignes
à relais et commutateur rotatif, pouvait utiliser des lignes
partagées. Le sélecteur avait 100 points et le nombre
d'impulsions envoyées correspondait au numéro de la
ligne appelée.
Le système à 20 lignes était similaire au système
à 100 lignes.
- Le système Strowger
Western Electric 100 lignes ne
pouvait en réalité servir que de 99 lignes.
Il utilisait un sélecteur rotatif par ligne directement
piloté par un seul train d'impulsions généré
par un cadran actionné par un levier à la station.
Le sélecteur avait 100 points et le nombre d'impulsions envoyées
correspondait au numéro de la ligne appelée.
Le système à 20 lignes était similaire au système
à 100 lignes.
Les systèmes Faller et Lorimerétaient
appelés systèmes à "opérateur automatique",
mais il s'agissait en fait de versions à cadran direct.
Le système Faller na apparemment jamais été
utilisé commercialement, contrairement au système Lorimer.
Les inventeurs du système Lorimer
avaient plusieurs objectifs.
L'une d'elles consistait à produire un système pouvant
être installé en blocs de construction de 100 lignes,
appelés sections.
Une seule section pourrait être installée et exploitée
seule. Des sections supplémentaires par incréments de
capacité de 100 lignes pourraient être ajoutées
selon les besoins jusqu'à la limite de 10 000 lignes. Un autre
objectif était d'obtenir de bons contacts et ils utilisèrent
donc des commutateurs avec des contacts lourds comme ceux utilisés
dans les commutateurs de puissance.
La puissance nécessaire pour actionner les commutateurs avec
de tels contacts a conduit à l'adoption d'un entraînement
de puissance commun pour un certain nombre de commutateurs au lieu
d'électro-aimants individuels pour les commutateurs.
Un autre objectif encore était de fournir un minimum d'équipement
par ligne et de fournir l'équipement uniquement dans la mesure
requise par le trafic.
Les relais de ligne ont donc été omis
dans les premiers bureaux et les sections de 100 lignes ont été
divisées, d'un maximum de 10 par section, avec des dispositions
pour omettre les divisions si le trafic ne l'exigeait pas.
Le système Lorimer était un système de numérotation
directe exploité à partir d'un appareil d'appel prédéfini.
Il avait un étage de recherche de ligne, un étage de
sélection et un étage de connecteur.
L'appareil appelant, remonté par une manivelle, avait quatre
leviers réglables, un pour chaque chiffre, dont chacun mettait
à la terre une borne dans son propre ensemble de dix bornes
correspondant au chiffre configuré. Les leviers actionnaient
également un indicateur visuel.
Dans l'appareil appelant, il y avait aussi un interrupteur actionné
sur ses bornes par un échappement commandé par un aimant.
Des impulsions ont été envoyées depuis le bureau
central pour contrôler l'échappement et l'équipement
du bureau central a été entraîné en synchronisme
avec le commutateur de la station jusqu'à ce qu'un terminal
de station mis à la terre soit trouvé.
L'équipement du central est ensuite arrêté, mais
le commutateur de la station continuait à fonctionner jusqu'à
ce que le point de départ du chiffre suivant soit atteint.
Lorsque l'équipement du bureau central était prêt
pour le chiffre suivant, le processus était répété
jusqu'à ce que la ligne appelée soit atteinte.
Le système Lorimer a rapidement disparu de la scène
malgré de nombreuses caractéristiques intéressantes.
Les raisons de cette disparition ne ressortent pas clairement des
archives disponibles, mais certaines conjectures raisonnables peuvent
être formulées.
D'une part, le dispositif d'appel prédéfini devait être
coûteux, à la fois en termes de coût initial et
d'entretien ; il a également été conçu
pour un maximum de quatre chiffres et une refonte à plus de
quatre chiffres aurait nécessité des efforts substantiels
pour développer à la fois l'appareil d'appel et l'équipement
du bureau central. Il existe également des preuves indiquant
que le système coûtait plus cher que le système
Strowger
step-by-step.
Puis vers 1913 La North Electric Company a aussi développé
un système de commutation téléphonique (Sytéme
E.E Clément), qui utilisait exclusivement des relais et s'appelait
donc le système à relais intégral. Une
première et unique application a été l'utilisation
d'une solution tout-relais pour les sondes de ligne dans le central
automanuel installé à
Lima.
LES SYSTÈMES SEMI-AUTOMATIQUE
Ce réseau automatique était une forme de semi-automatique
dont les abonnés conservaient leurs postes de téléphone
manuels et étaient desservis par de petites succursales sans
surveillance, dont chacune disposait d'un seul groupe de lignes réseau
vers un bureau d'opérateur central.
Lors de l'émission des appels, les succursales agissaient comme
des concentrateurs, connectant automatiquement les lignes d'appel
aux lignes réseau au bureau central où se trouvaient
les opérateurs et qui demandait le numéro à appeler
,comme dans une pratique manuelle simple.
Les lignes appelées étaient atteintes via les succursales
par les opérateurs du bureau central qui accionnaient des jeux
de clés pour contrôler l'équipement de la succursale.
Il y avait plusieurs projets pour d'autres types de systèmes
semi-automatiques.
La plupart d'entre eux envisageaient de remplacer l'opérateur
"B" par une machine sous le contrôle de l'opérateur
"A".
Le projet d'utiliser des machines sous le contrôle des opérateurs
"A" pour remplacer les opérateurs "B" a
été mis en uvre avec succès à Saginaw,
Michigan, avec le système Strowger.
Un plan similaire était en opération à Los Angeles,
et plusieurs groupes d'ingénieurs étudièrent
les améliorations et les variantes.
En 1905 la situation de la commutation automatique était
la suivante :
Il y avait plusieurs villes à bureaux uniques qui disposaient
d'installations commerciales d'équipements pas à pas
Strowger avec de sévères limitations, même pour
ce domaine d'utilisation ; un certain nombre de lignes automatiques
de 100 et 20 lignes de la Western Electric Company étaient
en service commercial ; une petite quantité d'équipement
semi-automatique fonctionnait également, l'équipement
étant sous le contrôle direct du cadran de l'opérateur
« A » ; et des travaux de planification
et de développement étaient en cours pour supprimer
certaines des limitations et étendre le champ d'utilisation
des systèmes automatiques et semi-automatiques.
Le cadran rotatif
a été développé en 1896. Cependant,
bon nombre des premiers systèmes nutilisaient pas ce
type de cadran. Divers appareils d'appel ont été utilisés
pendant plusieurs années. Parmi ceux-ci se trouvaient des dispositifs
préréglés actionnés par levier, des jeux
de clés de plusieurs types et des cadrans avec des trous (dans
un cas jusqu'à 100) dans lesquels une cheville pouvait être
insérée.
Tandis que des mécanismes et des circuits étaient développés
pour la commutation directe par cadran, des travaux de nature théorique
étaient en cours et devaient avoir un effet important sur les
conceptions futures. Ce travail consistait en des études et
des observations sur la probabilité du trafic dont le résultat
était le développement de formules et de courbes sur
l'efficacité des groupes de lignes réseau qui ont fortement
influencé les opinions des ingénieurs quant aux dimensions
économiques des commutateurs.
G.T.Blood de l'American Telephone and Telegraph Company a découvert
en 1898 que la distribution binomiale correspondait étroitement
aux données observées sur la répartition des
appels. Le premier article complet sur le sujet fut celui de M.C.Rorty
en 1903, Application de la théorie des probabilités
aux problèmes de circulation. Les courbes accompagnant l'article
indiquent que l'efficacité des liaisons s'améliore avec
la taille du groupe.
Les travaux ultérieurs d'E.C. Molina postulant que le
niveau de service ressenti par un appel particulier s'appliquait à
chaque appel au bureau et développant l'approximation de "Poisson"
de l'expansion binomiale ont constitué la base de la théorie
des ressources partagées telle qu'utilisée dans le système
Bell.
Système de contournement : Brevet N°1 083 456 délivré
à E.C.Molina, 6 janvier 1916
La figure est une reproduction de trois courbes produites par Molina
le 6 juillet 1908, montrant la charge moyenne portée par différents
nombres de troncs pour trois conditions de probabilité, correspondant
à une condition d'occupation de toutes les lignes réseau
rencontrée respectivement par des appels une fois sur cent,
une fois sur mille et une sur dix mille fois.
A partir de ces courbes, on voit par exemple que dix lignes réseau
peuvent transporter une charge moyenne légèrement supérieure
à quatre appels avec une probabilité de perte de P.01.
Vingt lignes réseau peuvent transporter en moyenne plus de
onze appels simultanés avec le même P.01 mais avec une
augmentation de l'efficacité de 15 pour cent. Le rendement
passe de 41 à 56 pour cent.
ÉVOLUTION DU PRINCIPE DE LA TRADUCTION
Ces études ont eu un effet considérable sur la tendance
de la conception des systèmes.
La traduction est un réarrangement mécanique qui permet
la conversion des informations décimales reçues du cadran
en formes non décimales pour le contrôle des commutateurs
et à d'autres fins. Lorsque la traduction est rendue modifiable
par certains moyens tels que des connexions croisées, elle
constitue la base d'une grande partie de la flexibilité des
systèmes de contrôle courants.
Les circuits de commande à relais
ont deux conséquences importantes À long terme, ils
ont inspiré la prise de conscience que des combinaisons de
commutateurs pouvaient être construites pour représenter
des opérations arithmétiques et logiques arbitraires.
Plus immédiatement, ils ont résolu le dernier obstacle
technique majeur à l'adoption de la commutation automatique
: la capacité de l'adapter pour desservir les grandes zones
urbaines où Bell comptait plusieurs milliers d'abonnés.
Il est apparu que le regroupement des lignes d'abonné sur les
connecteurs en groupes de plus de 100 pourrait entraîner une
certaine économie et que d'autres économies étaient
possibles si les limitations imposées par les sélections
décimales étaient évitées.
Cependant, une nouvelle invention, à savoir la traduction,
était nécessaire avant que les systèmes puissent
fonctionner avec de grands commutateurs d'accès et des sélections
non décimales.
Les moyens par lesquels Alexander Keith a étendu le commutateur
Strowger à 10 000 lignes ne pouvaient pas être étendus
beaucoup plus loin. Continuer à multiplier les niveaux de commutation
nécessitait simplement trop d'équipement à consacrer
à chaque appel. Les ingénieurs de Bell ont appelé
le mécanisme de mise à l'échelle alternative
qu'ils ont conçu un expéditeur. Il stockait le
numéro composé par l'appelant dans un registre, puis
traduisait ce numéro en codes arbitraires (généralement
non décimaux) pour contrôler les mécanismes de
commutation. Cela permettait des arrangements de commutation beaucoup
plus flexibles - par exemple, les appels entre centraux pouvaient
être acheminés via un central (ce qui ne correspondait
à aucun chiffre dans le numéro composé), plutôt
que de devoir connecter directement chaque central d'une ville à
tous les autres.
Il semble que Edward C. Molina, ingénieur de recherche
à la division AT&T Traffic, ait été le premier
à concevoir l'expéditeur. Molina avait
fait sa marque avec des études novatrices appliquant les mathématiques
des probabilités à l'étude du trafic téléphonique.
Ces études l'amènent à réaliser, vers
1905, que si le routage des appels pouvait être découplé
du numéro décimal composé par l'utilisateur,
une utilisation automatisée des lignes pourrait être
beaucoup plus efficace.
Molina avait démontré mathématiquement que la
répartition des appels sur des groupes de lignes plus importants
permettait à un commutateur de prendre en charge un volume
d'appels plus important tout en conservant la même probabilité
d'une tonalité occupée. Les sélecteurs Strowger,
cependant, étaient limités à 100 lignes, sélectionnées
par deux chiffres composés. 1 000 sélecteurs de lignes
basés sur trois chiffres s'étaient révélés
peu pratiques. Les mouvements d'un sélecteur contrôlé
par un expéditeur ne devaient cependant pas nécessairement
correspondre aux chiffres décimaux saisis par l'appelant. Un
tel sélecteur pourrait choisir parmi 200, voire 500 lignes,
comme le faisaient respectivement les systèmes rotatifs et
à panneaux. Molina a proposé un dispositif de registre
et de traduction construit à partir d'un mélange de
relais et de roues à cliquet, mais au moment où AT&T
était réellement prêt à déployer
des systèmes à panneaux et rotatifs, d'autres ingénieurs
avaient concocté des émetteurs plus rapides, fabriqués
uniquement à partir de circuits de relais.
Le traducteur a introduit le concept de contrôle indirect
.La traduction a été proposée pour la première
fois par E.C. Molina à la fin 1905.
Une demande de brevet pour un système de traduction et de sélection
a été déposée le 20 avril 1906.
Une caractéristique nécessaire des systèmes employant
la traduction d'une série de chiffres, comme un code de bureau,
est le stockage des chiffres (enregistreurs). Il n'y avait qu'un petit
pas entre les concepts de traduction et de stockage de chiffres et
les arrangements qui fournissaient ces fonctionnalités dans
des circuits communs. Des commandes communes avec traduction ont été
utilisées pour la première fois dans le système
rotatif.

Dispositif de traduction de Molina, tiré du brevet américain
1 083 456 (déposé en 1906, accordé en 1914).
DÉVELOPPEMENTS DES SYSTÈMES
ROTARY ET PANEL
AUX US.
Le système rotatif était un système de contrôle
commun à part entière utilisant des enregistreurs pour
stocker les informations composées, pour les traduire afin
de contrôler les commutateurs électriques de deux cent
niveaux lors de la sélection des lignes réseau sortantes
du bureau d'origine et des sélections de lignes dans le bureau
d'arrivée. La traduction des chiffres utilisés pour
sélectionner les lignes était modifiable, mais la traduction
des chiffres numériques était fixée dans le câblage
des traducteurs. Dans la recherche de dispositions de câblage
moins coûteuses que celles requises par le système rotatif,
le banc Panel employant des bandes métalliques perforées
a été développé.
Chaque groupe de sélecteurs de ce système peut accueillir
100 prises avec trois fils par prise, et cinq groupes sont empilés
dans un cadre sur lequel 60 sélecteurs motorisés peuvent
chasser.
Pendant plusieurs années, à partir de 1907, le développement
parallèle des systèmes Rotary et Panel a été
poursuivi et les caractéristiques souhaitables de l'un ont
été incorporées dans l'autre.
Le système Panel comporte également des émetteurs
de registres avec une traduction modifiable pour sélectionner
les lignes réseau et une traduction fixe pour contrôler
les sélections dans l'équipement de terminaison.
Les différences majeures dans les premières conceptions
des systèmes rotatifs et à panneau étaient dues
à l'accès différent des deux systèmes
et aux différences dans les méthodes de contrôle
des sélecteurs. Le panneau et le rotatif utilisent des impulsions
réversibles pour contrôler les sélections.
Avec des impulsions inverses au fur et à mesure que les sélecteurs
progressent, ils renvoient des impulsions que l'expéditeur
compte.
Lorsqu'un sélecteur atteint la position souhaitée, l'émetteur
l'arrête en ouvrant le circuit d'impulsions.
Le panel et le rotatif, comme le système Lorimer, utilisent
un entraînement électrique à fonctionnement continu
commun à un certain nombre de commutateurs, car la taille accrue
du commutateur augmente l'accès à ces systèmes,
rendaient un entraînement séparé économique.
Ces systèmes comportent des moteurs
et des embrayages fonctionnant en permanence pour sélectionner
des contacts électriques.
Ce système a un fonctionnement tout en souplesse, de manière
non saccadée et qui permet une commutation des circuits plus
rapide que les commutateurs à fonctionnement pas-à-pas,
et de ce fait une capacité d'écoulement de trafic sensiblement
améliorée.
Stratégique : Le panel et les systèmes rotatifs ont
été conçus à l'origine pour un fonctionnement
semi-mécanique avec distribution automatique des appels aux
opérateurs comme complément possible et avec possibilité
d'un fonctionnement entièrement automatique si cela s'avérait
souhaitable, en plaçant le cadran ou un autre dispositif d'appel
au poste de l'abonné plutôt qu'à la position de
l'opérateur.
C'était un plan raisonnable lorsque le développement
de ces systèmes a commencé.
Des études ont montré que les systèmes semi-mécaniques
pourraient réduire le nombre d'opérateurs requis de
30 à 50 pour cent en éliminant les opérateurs
"B" et en augmentant l'efficacité des opérateurs
"A".
Du concept d'expéditeur au concept de contrôle commun
, il n'y avait qu'un pas à franchir. Il n'était pas
nécessaire, ont réalisé les équipes de
Western Electric, d'avoir un émetteur pour chaque ligne d'abonné,
ni même pour chaque appel actif. Au lieu de cela, un petit nombre
de ces dispositifs de contrôle pourraient être partagés
entre toutes les lignes. Lorsqu'un appel arrivait, un expéditeur
s'engageait brièvement pour enregistrer les chiffres composés,
parlait à l'équipement de commutation pour acheminer
l'appel, puis se désengageait pour se préparer à
un autre appel. Avec le panneau de commutation, l'émetteur
et le contrôle commun, AT&T disposait d'un système
flexible et évolutif capable de répondre même
aux besoins des énormes réseaux téléphoniques
de New York et de Chicago.
Relais dans un émetteur de commutateur Panel
À cette époque, les systèmes entièrement
automatiques souffraient d'un certain nombre de défauts tels
que les complications et le manque de fiabilité du dispositif
d'impulsions au poste de l'abonné, la nécessité
d'une batterie locale au poste et l'absence de dispositions concernant
la ligne partagée et le service de tarification des messages.
En outre, des doutes considérables existaient quant à
la capacité de l'abonné à composer avec une précision
acceptable les six ou sept chiffres numériques requis dans
certains centraux multibureaux.
Il y avait un besoin urgent d'alléger les difficultés
de l'exploitation manuelle après le début de la Première
Guerre mondiale.
La croissance du téléphone a été si rapide
qu'il a semblé pendant un certain temps que la demande de nouveaux
opérateurs, en particulier dans les grandes villes, pourrait
dépasser l'offre disponible. La concurrence d'autres industries
pour obtenir de l'aide féminine s'intensifiait également.
À mesure que de nouveaux bureaux s'ajoutaient, la situation
était encore aggravée par la complexité croissante
des opérations.
En raison du nombre croissant d'appels partagés, du nombre
croissant de centraux et du nombre croissant d'opérations manuelles
en tandem, la qualité du service se dégradait.
Le premier système, le ROTARY
7A SEMI-AUTOMATIQUE sous capitaux des USA, est mis en étude
en 1911 à Berlin,
Dès 1912, le cabinet détudes de la Western Electric,
filiale dAT&T est transféré à Anvers,
en Belgique.
En France c'est en 1912 que M. Chaumet, sous-secrétaire d'Etat
aux Postes et Télégraphes, a décidé l'établissement
de commutateurs semi-automatiques Rotary
dans les bureaux d'Angers et de Marseille et de commutateurs
automatiques Strowger
à Nice et à Orléans.
DÉVELOPPEMENT D'UN PLAN DE NUMÉROTATION DES GRANDES
VILLES AUX US
En 1916, le système entièrement automatique (Strowger)
avait établi une position compétitive avec le système
manuel pour les villes à bureau unique, et les bureaux manuels
et entièrement automatiques étaient considérés
comme plus économiques que les bureaux semi-mécaniques
pour ces villes.
Étant donné que le nombre de numérotations pour
un seul bureau était de quatre ou moins, peu de préoccupations
ont été ressenties quant à la précision
de la numérotation.
Pour les villes multi-bureaux, il est apparu qu'un fonctionnement
entièrement mécanique améliorerait le service
et serait plus économique que le système semi-mécanique
ou manuel et réduirait le besoin pressant d'opérateurs.
Cependant, malgré ces facteurs qui ont poussé à
l'adoption d'un système de numérotation et même
si un équipement automatique était effectivement utilisé
à Los Angeles et à Chicago dans la première décennie
du siècle, il y avait une certaine réticence à
adopter un fonctionnement entièrement automatique dans les
très grandes villes multi-bureaux en raison de l'absence d'un
plan de numérotation adapté.
Un plan fastidieux était à l'étude pour gérer
le trafic téléphonique dans ces villes.
Cela nécessitait l'utilisation de numéros à sept
chiffres, les clients du téléphone étant appelés
à utiliser des codes numériques arbitraires à
trois chiffres pour cibler les noms de bureaux. Dans le même
temps, les noms de bureaux existants seraient conservés pour
être utilisés par les clients manuels.
L'adoption de ce double arrangement aurait nécessité
la fourniture d'un répertoire encombrant, mais pire que cela,
il pensait que composer sept chiffres numériques serait trop
déroutant pour les clients et que, par conséquent, il
y aurait un nombre excessif d'erreurs de numérotation.
Il était donc prévu d'utiliser le fonctionnement semi-mécanique
pour des villes comme New York, en gardant un opérateur entre
le client et la machine.
Bien que ce système n'ait pas permis d'économiser autant
d'opérateurs que la méthode entièrement mécanique,
il a été jugé nécessaire de disposer d'opérateurs
formés afin que les clients ne soient pas soumis aux complications
liées à la numérotation. Selon l'arrangement
proposé, le client transmettrait oralement le nom et le numéro
du bureau, et l'opérateur remplacerait le nom du bureau par
le code de numérotation et la clé ou composerait le
code et le numéro dans la machine.
Des installations d'essai de ce système semi-mécaniques
ont été mises en service dans les bureaux de Waverly
et Mulberry, à Newark, dans le New Jersey, en 1915, ont démontré
que cette méthode pouvait fournir un service téléphonique
fiable et amélioré dans des conditions difficiles.
Cependant, en 1917, W.G. Blauvelt de l'American Telephone and
Telegraph Company proposa un plan de numérotation
qui permettrait au client de composer jusqu'à sept chiffres
avec une précision acceptable et qui serait également
satisfaisant pour un fonctionnement manuel.
Cet arrangement consistait en l'utilisation d'une à trois lettres
et de quatre chiffres.
Les premières lettres du nom du bureau étaient imprimées
en caractères gras dans l'annuaire pour indiquer aux clients
qu'ils devaient être composés avant les quatre numéros.
Les clients manuels utilisaient le nom du bureau comme auparavant.
Les lettres ainsi que les chiffres étaient placés sur
le cadran, alignés avec les trous pour les doigts du cadran.
Cette proposition a été immédiatement adoptée
et le développement du système Bell s'est poursuivi
dans le sens d'un fonctionnement entièrement automatique.
Le système Bell prévoyait d'utiliser le système
Panel dans les grandes villes, non seulement en raison de
l'efficacité des lignes réseau qui était possible
grâce à l'utilisation du grand commutateur panneau, mais
également parce que les lignes principales, n'étant
plus sous le contrôle direct du cadran dans ce système.
Le système Panel était également attrayant parce
qu'il offrait une certaine flexibilité pour la croissance et
pour faire face à des imprévus tels que l'introduction
de nouveaux types de services. Ces avantages étaient fournis
par les enregistreurs et traducteurs communs de ce système.
LES PREMIÈRES INSTALLATIONS
DE SYSTÈMES A CONTRÔLE COMMUNS
Les installations commerciales d'équipements rotatifs ont précédé
les premiers bureaux commerciaux.
Un système rotatif semi-mécanique fut installé
à Landskrona, en Suède, en 1915, mais
ne resta en service que peu de temps.
Un système similaire au Panel
: le Rotary
fabriqué par la Western Electric en Belgique à Anvers
a été installé en 1915 à Angers, en
France.
La première installation rotative entièrement mécanique
a eu lieu à Darlington, en Angleterre, en 1914.
Au début de 1918, des calendriers provisoires
furent établis pour les bureaux à 6 chiffres pour Kansas
City et Omaha et à la fin de cette année-là,
un bureau à 7 chiffres fut recommandé pour le bureau
de Pennsylvanie à New York.
Lorsque le bureau d'Atlantic à Omaha fut mis en service
le 10 décembre 1921, il devint la première installation
commerciale d'un système Panel
entièrement automatique.
Un système à contrôle commun utilisant des commutateurs
Strowger,
le système directeur, a été développé
en 1922.
Ce développement a été motivé par le désir
de fournir un équipement automatique au central multibureaux
de Londres, en Angleterre, où la configuration de l'installation
extérieure nécessitait un nombre considérable
de lignes à ressources partagées en tandem si l'on voulait
obtenir un réseau interurbain raisonnablement économique.
Toute l'installation extérieure à Londres pour le système
manuel était souterraine et il était nécessaire
que cet arrangement soit conservé lors de l'installation de
l'équipement à cadran. Cela tendait à fixer le
tracé des câbles téléphoniques et à
rendre coûteuse l'ouverture de nouvelles lignes directes à
mesure que de nouveaux bureaux étaient ouverts.
Les économies de liaison des tandems étaient extrêmement
souhaitables dans ces conditions et des commandes communes avec traduction
étaient nécessaires pour un système pratique
capable de fonctionner avec les tandems.
Le schéma directeur, qui est en principe parallèle au
schéma expéditeur-traducteur du système panel,
a été conçu pour répondre à cette
situation.
Le système directeur a été mis en service pour
la première fois à La Havane, Cuba, en
1924, puis à Londres en 1927.
En FRANCE le 18 mai 1923 l'Ingénieur,
Monsieur Barnay, dépose le brevet pour le système
ROTATIF R6
Brevet de commutation automatique qui est délivrée 24
janvier 1924. Ce système français de type pas
à pas est un hybride qui s'inspire à la fois des systèmes
Rotary et Strowger, Il est de surcroît simplifié
à l'extrême pour être le moins coûteux possible.
Le 9 avril 1924, la Compagnie des Téléphones Thomson-Houston
rachète alors le brevet de ce système à son concepteur
M. Barnay.
Le système R6 va être, développé par l'Ingénieur
français Fernand Gohorel de la Compagnie des Téléphones
Thomson-Houston et ses équipes.
ÉVOLUTION DU PRINCIPE DES MARQUEURS
Rétrospectivement, il est évident que le développement
de la pensée jusqu'au début des années 1920 était
limité par la conviction qu'il était nécessaire
que les sélecteurs effectuent les tests pour les lignes réseau
inutilisées, même avec des commandes communes. Cet arrangement
a été utilisé avec succès dans le système
pas à pas et il était naturel de suivre le même
plan.
Le développement ultérieur de l'idée du contrôle
commun, commençant par un système expérimental
de « coordonnées » en 1924, a abouti
à des systèmes de marqueurs dans lesquels le test du
tronc est effectué par les marqueurs.
Le système de coordonnées tire son nom de la
méthode de fonctionnement de son commutateur, le processus
ressemblant à la méthode de marquage d'un point par
l'utilisation de coordonnées. Le commutateur était essentiellement
une grande version du commutateur à barre transversale,
le Crossbar
et sélectionnait et maintenait un ensemble de points de
croisement par le fonctionnement d'éléments horizontaux
et verticaux. Ce commutateur Crossbar
a été inventé par J.N. Reynolds de la
Western Electric Company en 1913 et perfectionné en
1919 par Betulander . Cette
construction, fut utilisée dans les stations téléphoniques
automatiques à partir du milieu des années 1920.
Betulander fut aussi parmi les premiers à formuler le concept
de commande indirecte avec lutilisation du régistre de
mémoire.
La Betulander Company construisit quelques petites stations
automatiques à barres croisées, qui se firent
une bonne réputation.
À la fin de 1919, la petite entreprise Nay Autotelefon Betulander
a été rachetée par Ericsson en échange
d'un paiement en espèces et d'un accord de redevances sur les
ventes à Televerket en Suède, indépendamment
du fait que les systèmes proposés par Ericsson soient
basés sur le système Betulander et Palmgren.
Mais lannée suivante, Televerket Suède a choisi
le commutateur AGF
500 pour les équipements automatisés
à Stockholm et à Göteborg.
La traduction du code de bureau appelé, la sélection
d'une ligne réseau et le fonctionnement des commutateurs pour
connecter un circuit de transmission à la ligne réseau
étaient des fonctions d'un nouveau circuit, le marqueur,
que l'expéditeur appelait en service pendant une fraction de
seconde après avoir reçu le code du bureau. chiffres.
Lorsque le marqueur effectue le test des lignes réseau inactives,
l'accès aux lignes réseau à partir d'un commutateur
particulier n'est plus un facteur limitant la taille du groupe de
lignes réseau. Une fois les marqueurs inventés, il est
devenu possible de concevoir des systèmes utilisant des marqueurs
pour effectuer les tests de lignes réseau et tout type de commutateur
pour effectuer la connexion.
Lorsqu'une ligne réseau a été sélectionnée
par le marqueur, les commutateurs appropriés peuvent être
actionnés pour se connecter au terminal marqué.
La taille maximale du groupe de lignes réseau ne doit pas nécessairement
être limitée par le nombre de terminaux sur un commutateur.
Avec un réseau de commutateurs primaire et secondaire, des
groupes beaucoup plus grands que ceux accessibles sur un seul commutateur
peuvent être gérés.
Le système de coordonnées n'a pas été
développé pour un usage commercial. Le premier système
de marquage commercial fut le President 2, un bureau à
barres transversales N°1 mis en service à Brooklyn,
New York, en février 1938.
Des systèmes de barres transversales améliorés
ont été développés depuis lors, notamment
la barre transversale N°.5 et plusieurs autres types.
Il existe un aspect intéressant sur le développement
des systèmes de barres transversales.
Les dispositions ne semblaient pas attrayantes et
aucune tentative sérieuse n'a été faite pour
développer un système commercial utilisant le commutateur
soit comme commutateur de ligne, soit comme sélecteur.
Quelques années plus tard, une version améliorée
du commutateur crossbar a été développée
par l'administration téléphonique suédoise.
Leurs plans envisageaient l'utilisation du commutateur comme sélecteur
dans un système de commande à cadran direct.
En 1930, W.H. Matthies des Bell Telephone Laboratories s'est
rendu en Suède et, impressionné par les possibilités
du changement, a commandé des échantillons en Suède
après son retour aux États-Unis. Des travaux ont commencé
pour améliorer le commutateur et développer un système
moderne autour de celui-ci. Le commutateur à barre transversale,
comme mentionné précédemment, était une
petite version du commutateur à coordonnées et le développement
de la barre transversale N°1 a donc commencé sur un plan
basé sur les principes utilisés dans le système
de coordonnées dont certains avaient été appliqués
avec succès au système Panel avec l'adoption du décodeur
en 1927.
Courbes
développées par E.C.Molina pour l'ingénierie
du tronc.
LES TYPES DE SYSTÈMES DE CONTRÔLE
COMMUNS
Quatre variantes de base ont été utilisées dans
les systèmes avec des commandes communes.
Il s'agit de :
- 1° le stockage de chiffres dans des circuits communs sur une
base décimale et le contrôle des commutateurs par les
chiffres stockés sans traduction ;
- 2° stockage de chiffres dans les circuits communs sur une base
décimale, traduction fixe et contrôle des commutateurs
selon un modèle fixe par les informations traduites ;
- 3° une modification du plan précédent dans laquelle
la traduction peut être facilement changée pour tout
article de trafic ;
- 4° une autre variante encore dans laquelle la fonction de recherche
d'un chemin inactif est supprimée des sélecteurs et
placée dans de nouveaux circuits appelés marqueurs.
Chaque variation a entraîné des améliorations
par rapport aux méthodes de fonctionnement précédentes.
Le premier plan est le plus simple mais aussi le moins flexible.
Un avantage de cet agencement ainsi que des autres plans qui stockent
également les chiffres étape par étape est que
le temps interdigital ne contrôle pas la taille du groupe.
Les systèmes de contournement sont des exemples de cette méthode
de fonctionnement.
Un système de ce type est représenté sur la figure
3 suivante :

Les systèmes de dérivation utilisent un train de commutation
auxiliaire qui est sous le contrôle direct des impulsions composées
pour établir une connexion. Le circuit parlant est ensuite
établi sur un système de commutateurs parallèle.
Le train auxiliaire est libéré après l'établissement
de la connexion de conversation et est disponible pour être
utilisé dans l'établissement d'autres connexions.
Le système Lorimer évitait les pénalités
résultant de la chasse pendant l'intervalle interdigital en
stockant les chiffres à la station.
Un pas supplémentaire dans le sens de la flexibilité,
mais avec une complication supplémentaire, peut être
franchi par une traduction fixe d'une base décimale à
une base non décimale, c'est-à-dire une forme de traduction
dans laquelle un chiffre décimal donné, un ensemble
de chiffres décimaux, est toujours remplacé par le chiffre
décimal donné. même équivalent non décimal
prédéterminé.
Les boîtes permettent l'utilisation de commutateurs avec moins
de dix groupes de prises, permettant ainsi des économies en
permettant des groupes de prises plus grands avec une taille de commutateur
donnée.
Une troisième variante, encore plus flexible que les deux premières,
mais également plus compliquée, est un système
à traduction variable.
Une traduction modifiable est obtenue en fournissant certains moyens
tels que des connexions croisées pour modifier facilement le
modèle de sortie des traducteurs généralement
pour des ensembles de chiffres comme, par exemple, pour les codes
de bureau appelés.
La traduction modifiable des codes de bureau supprime
la limitation selon laquelle les lignes réseau pour une désignation
de bureau donnée doivent être situées dans une
position définie sur les commutateurs, ce qui est le résultat
nécessaire d'une traduction fixe.
Une flexibilité accrue de la numérotation est désormais
possible car les changements de désignation de bureau ne nécessitent
plus de réarrangements des commutateurs multiples.
Des réseaux de commutateurs plus économiques sont également
possibles car le plan de commutation peut se conformer aux exigences
du trafic sans tenir compte de la numérotation.
D'autres avantages de la traduction et d'un point de vue pratique,
une traduction flexible incluent la capacité d'opérer
avec des tandems, d'opérer avec plus d'un type d'impulsions
sortantes et d'opérer avec un nombre variable de chiffres.
L'équipement d'origine du système Panel est un exemple
de système utilisant une traduction modifiable. Ce type de
traduction est également utilisé pour les numéros
de lignes appelées ainsi que pour les codes de bureau dans
la barre transversale N°.1 et N°.5, permettant ainsi à
ces systèmes de décaler les lignes à des fins
d'équilibrage de charge sans nécessiter de changements
de numérotation.
Enfin, il existe le plan le plus flexible mais aussi le plus compliqué
de tous, dans lequel la sélection des chemins et des lignes
ou des lignes est séparée des sélecteurs et placée
dans des marqueurs.
Dans ce plan, la taille du groupe n'est pas limitée par le
nombre de terminaux qu'un commutateur peut rechercher en un seul balayage.
La barre transversale N°.1 est un exemple de système utilisant
la méthode de fonctionnement du marqueur.
Dans ce système, un commutateur n'a généralement
accès qu'à trois lignes réseau, mais lors de
tout appel, un marqueur peut tester 160 lignes réseau réparties
sur un certain nombre de commutateurs.
Les dispositions de contrôle communes typiques pour les systèmes
utilisant la translation sont illustrées à la Fig.3
pour le système de panneaux et sur la Fig.4 pour traverse N°1.

Les avantages constatés sont, dans chaque cas, les plus fondamentaux.
De nombreuses autres sont inhérentes au contrôle commun
et certaines seront mises en évidence lors d'une discussion
ultérieure.
Un certain nombre de systèmes de contrôle communs incarnant
les principes évoqués ont été conçus.
Rotary, Panel et coordination ont été mentionnés
précédemment.
Bien que le système de coordonnées n'ait jamais atteint
le stade commercial en tant que système complet, certaines
de ses caractéristiques ont été adoptées
dans le système Panel à partir de 1927 avec l'introduction
du décodeur pour remplacer le traducteur de panneaux original
à trois chiffres qui utilisait des sélecteurs de panneaux
spéciaux et des tambours générateurs d'impulsions
pour effectuer la traduction. emploi.
Ce traducteur était limité en termes de combinaisons
de chiffres et de nombres de codes à trois chiffres qu'il pouvait
gérer et exigeait également beaucoup d'attention de
la part des forces de maintenance.
À la place des traducteurs Panel, un petit groupe de décodeurs
à relais, allant de trois à six, en fonction du trafic,
a été fourni pour chaque bureau.
Les expéditeurs étaient connectés aux décodeurs
pendant environ un tiers de seconde par appel pour obtenir les informations
dérivées de la traduction des trois chiffres du code
du bureau.
Le connecteur permettant d'établir la connexion momentanée
du grand nombre de câbles requis entre les émetteurs
et les décodeurs présentait de nouveaux problèmes
qui ont été résolus par le développement
de nouveaux circuits de préférence de relais et de verrouillage
pour permettre autant de connexions simultanées entre les émetteurs
et les décodeurs qu'il y avait de décodeurs et pour
permettre une connexion uniforme. distribution des appels vers les
décodeurs.
Les circuits du décodeur effectuaient une vérification
automatique complète des problèmes, prévoyaient
un deuxième essai dans un autre décodeur lorsqu'un problème
était découvert et enregistraient les problèmes
sur un indicateur de problème de banc de lampes.
Au début des années 1930, encouragé par
le succès des décodeurs, le Bell System a commencé
le développement du système crossbar
N°.1 avec des marqueurs dans les équipements d'origine
et de destination et avec des fonctionnalités améliorées
par rapport au système de coordonnées auquel il ressemblait
à bien des égards.
Les circuits d'autocontrôle, les seconds essais et les indicateurs
de panne qui se sont révélés très efficaces
dans le système Panel de type décodeur étaient
des caractéristiques importantes de la barre transversale N°1.
Le routage alternatif automatique et la possibilité de fonctionner
avec des affectations PBX non consécutives étaient des
nouveautés majeures introduites pour la première fois
dans ce système.
Le système crossbar N°5 développé par la
suite comprenait un certain nombre d'améliorations, dont la
principale, du point de vue du contrôle commun, était
l'utilisation de marqueurs communs pour l'origine et la fin des affaires
et l'utilisation de la fonction de rappel pour établir la connexion.
Dans ce système, l'équipement commun enregistre l'identification
de la ligne appelante ainsi que le numéro appelé et,
après s'être connecté à la ligne appelée
ou au réseau sortant, interrompt la connexion vers l'équipement
commun à partir de la ligne appelante, puis rétablit
une connexion vers la ligne appelante.
Des commandes communes ont été utilisées par
le système Bell dans un certain nombre de systèmes en
plus de ceux déjà mentionnés.
Il s'agit notamment du tandem d'envoi de panneaux, du tandem de barre
transversale et de la barre transversale de péage N°.4,
A4A et 4 A.
COMPARAISON DES SYSTÈMES DE COMMANDE COMMUNS ET DES SYSTÈMES
A COMMANDE PAR NUMEROTATION DIRECTE
Les systèmes de commande à numérotation directe
et les systèmes de contrôle communs ont été
développés pour répondre à un large éventail
de situations, tant pour les grands que les petits centraux, mais,
comme indiqué précédemment, les systèmes
de contrôle à numérotation directe ont trouvé
leur plus grand domaine d'utilisation dans les petits centraux et
les systèmes de contrôle commun dans les plus grands.
.
Les raisons peuvent être mises en évidence par une discussion
de certains des éléments qui ont une influence importante
sur les coûts.
Il s'agit notamment des fonctionnalités affectant les plans
de numérotation, les dispositions de liaison, la flexibilité,
la qualité de service, la maintenance et l'ingénierie.
Il ne serait pas vain de tenter une discussion sur tous les facteurs
qui influent sur les coûts.
Cependant, certains des plus importants seront abordés.
RELATION ENTRE TYPE DE SYSTÈME ET PLANS DE NUMÉROTAGE
Les exigences dun bon plan de numérotation sont bien
connues.
Un bon plan doit être universel, c'est-à-dire qu'il doit
utiliser le même numéro pour joindre une ligne appelée
quel que soit le point d'origine de l'appel dans la zone couverte
par le plan de numérotation, doit permettre une numérotation
avec une précision acceptable, doit permettre des inscriptions
dans l'annuaire facilement compréhensibles. par les clients
à numérotation et manuelle, et doit utiliser un nombre
minimum de chiffres pour réduire le travail de numérotation.
Dans les petits réseaux, un plan satisfaisant peut être
mis en place avec presque n'importe quel type de système.
Toutefois, surtout dans les grands réseaux, les systèmes
de commande communs modernes présentent des avantages remarquables
en matière de numérotation. Ces avantages des contrôles
communs découlent de la méthode de fonctionnement plus
flexible.
Les systèmes de commande à numérotation directe
utilisent les chiffres dans les différentes étapes des
opérations de commutation tandis que les systèmes de
commande courants les stockent momentanément et peuvent les
retransmettre.
Le résultat est que lorsque des systèmes de commande
à numérotation directe sont utilisés, le plan
de numérotation et les plans de commutation et de liaison doivent
être conformes alors qu'avec les commandes communes, la numérotation,
la commutation et la liaison ne dépendent pas directement les
unes des autres car les chiffres peuvent être stockés
et traduits.
Les effets de ces différences sur la latitude autorisée
dans les arrangements de numérotation peuvent être mis
en évidence par quelques exemples.
Les systèmes de commande à numérotation directe
ne peuvent pas fonctionner de manière économique avec
un plan de numérotation universel dans un réseau exigeant
qu'un appel donné ait la possibilité d'être effectué
sur un nombre variable de liaisons.
La nécessité de fonctionner de cette manière
apparaît lorsque les appels peuvent être effectués
directement vers le bureau appelé ou via un ou plusieurs systèmes
tandem ou interurbains.
Les difficultés de numérotation d'un plan qui tente
d'utiliser des tandems avec des systèmes de commande à
cadran direct peuvent être illustrées en référence
à la Fig.5.
Supposons que A, B, C représentent trois bureaux de type commande
à numérotation directe dans une zone de plan de numérotation
à 6 chiffres et que ceux-ci sont reliés par des lignes
réseau directes entre bureaux.
Le bureau B est désigné ACademy (22 sur le cadran) et
le bureau C est désigné BLue Hills (25 sur le cadran).
L'analyse du tracé des grands axes de ce réseau indique,
disons, que des économies de route peuvent être réalisées
en établissant un tandem et que le trajet direct de A à
C n'est plus économique par rapport au trajet via le tandem
proposé.
Les chiffres 25 doivent maintenant sélectionner un itinéraire
en tandem.
Cependant, si nous utilisons les deux chiffres pour sélectionner
l'itinéraire vers le tandem, nous n'en avons plus pour sélectionner
l'itinéraire vers le bureau C au bureau tandem. Puisque ce
plan ne fonctionnera pas, voyons quels résultats il en résulte
si nous supposons que les lignes réseau tandem sont sélectionnées
au moyen du premier chiffre.
Désormais, tous les appels commençant par le chiffre
de code 2 au bureau A doivent être acheminés via tandem
et même si les économies nécessitent un itinéraire
direct vers le bureau de l'Académie depuis A, nous sommes obligés
d'utiliser l'itinéraire non rentable via tandem pour ce bureau.
En fait, nous devons considérer l'économie de l'acheminement
du trafic pour tous les bureaux dont les codes commencent par un chiffre
donné via tandem, ou l'acheminer sur des lignes réseau
directes, ou nous devons changer la désignation de l'un des
bureaux.
Nous pourrions, bien sûr, adopter l'expédient indésirable
consistant à utiliser une numérotation non universelle,
c'est-à-dire une numérotation qui varie selon le point
d'origine, comme, par exemple, en introduisant des chiffres supplémentaires
pour les appels en tandem de A à C et en omettant les appels
de B à C.
C'est une situation telle que celle qui a été décrite
qui a conduit, dans certains cas, à regrouper les bureaux dont
la désignation commence par le même premier chiffre dans
un même bâtiment, en zones échelonnées.
Bien entendu, cela entraîne des restrictions.
Une autre alternative consiste à utiliser des répéteurs
sélecteurs.
Avec ces dispositifs, une action "mitlaufer" a lieu dans
les sélecteurs de bureau local et tandem, c'est-à-dire
que les sélecteurs de bureau local et les sélecteurs
de bureau tandem suivent les impulsions de numérotation jusqu'à
ce que suffisamment d'informations soient reçues pour déterminer
l'itinéraire, après quoi l'équipement inutile
est libéré.
Cet équipement permet à la fois l'itinéraire
direct vers le bureau B et l'itinéraire en tandem vers le bureau
C sans changement de désignation du bureau.
Toutefois, les répéteurs sélecteurs sont coûteux
et le coût de leur introduction peut être considérable.
Ils gaspillent également une partie de la capacité des
lignes réseau et des équipements, car les répéteurs
sélecteurs fonctionnent en saisissant à la fois les
sélecteurs locaux et les lignes tandem à chaque appel.
Le plus souvent, peut-être, il serait moins coûteux de
renoncer à l'économie principale que d'introduire des
répéteurs sélecteurs.
Prenez maintenant le même réseau et supposez un équipement
de contrôle commun en tous points.
Avant l'introduction du tandem, les bureaux locaux traduisent les
deux premiers chiffres en informations permettant de sélectionner
une ligne réseau sortante, puis envoient uniquement les quatre
derniers chiffres numériques directement au bureau appelé.
Lorsque le tandem est introduit, la traduction au bureau A est modifiée
pour sélectionner une ligne réseau à utiliser
en tandem pour les appels vers BLue Hills et pour dire à l'expéditeur
en A de transmettre les chiffres du code ou des informations équivalentes
ainsi que le numéro de ligne pour ces appels. Pour les appels
à l'ACademy, l'accord existant est conservé.
Il n'y a pas de problème particulier en tandem puisque le code
du bureau appelé, BLue Hills, y est mis à disposition.
Le traducteur du bureau tandem dit à l'expéditeur tandem
d'omettre les chiffres du code du bureau lors de l'envoi d'impulsions
vers BLue Hills.
Il existe une différence essentielle dans le codage entre la
commande à numérotation directe et la commande commune
qui est masquée par l'utilisation des mêmes codes dans
les exemples.
Dans le cas du contrôle par numérotation directe, les
codes sont des codes de route (parfois appelés codes de groupe) ;
c'est-à-dire que les chiffres correspondent directement à
l'itinéraire passant par les commutateurs et sont utilisés
dans les opérations de commutation.
Dans le cas de contrôle courant, ce sont des codes de destination
et il n'est pas nécessaire qu'ils soient conformes à
l'itinéraire et ils ne sont pas non plus utilisés dans
le processus de commutation. Seuls les systèmes de contrôle
courants peuvent fonctionner avec des codes de destination.
Des systèmes de contrôle communs sont donc nécessaires
lorsqu'il est nécessaire d'acheminer les appels vers certains
bureaux par des lignes réseau directes et les appels vers d'autres
bureaux via des tandems sans restrictions de numérotation.
Un autre exemple de difficulté de numérotation avec
les systèmes de commande à numérotation directe,
remontant à l'utilisation de codes d'itinéraire, est
illustré par un exemple extrême sur la figure 6.
Cette figure montre un itinéraire multiswitch passant par quatre
systèmes de commutation automatique interpéage, A, B,
C, D, vers un client dont le numéro répertorié
est 2345 dans le central, MA en 2.
MA en 2 se trouve dans la zone du plan de numérotation 217,
une zone différente de celle du bureau appelant.
Des combinaisons de chiffres typiques sont affichées à
chaque endroit pour atteindre l'endroit suivant avec des systèmes
de commande à cadran direct.
Lors d'un appel depuis la zone du centre de péage A vers le
numéro MA 22345, l'opérateur de péage d'origine
doit composer 16 chiffres, par exemple le 059 076 097 157 2345.
Les appels commençant à des points intermédiaires
ou dans d'autres réseaux utilisent des numéros différents
selon l'itinéraire.
(Notez que les codes d'itinéraire commencent par ou 1 pour
les distinguer des codes locaux.
) Il est assez évident que la composition de telles combinaisons
est fastidieuse et nécessite des informations d'acheminement
élaborées dans chaque centre de péage.
Les appels interpéage via des systèmes de commande à
numérotation directe sont donc généralement limités
à être commutés à un seul endroit le long
de l'itinéraire, avec une utilisation peu fréquente
de deux points de commutation.
Toutefois, avec des systèmes de contrôle communs, la
situation est tout à fait différente.
Le point d'origine n'a qu'à composer les dix chiffres de la
destination 217 MA 22345.
À chaque point, à l'exception de celui qui précède
la zone appelée, l'ensemble complet des chiffres est envoyé
en avant.
À ce stade, l'indicatif régional est supprimé.
Au dernier point, D, qui est supposé avoir des circuits directs
vers le central appelé, MA 2 est sauté et 2345 est envoyé
en avant.
Si les points appelant et appelé se trouvaient dans la même
zone de plan de numérotage, seuls sept chiffres auraient été
nécessaires.
Notez que puisque les codes de destination sont utilisés, tous
les points en dehors de la zone du plan de numérotation composent
les mêmes 10 chiffres pour atteindre une ligne donnée
et tous les points à l'intérieur composent les mêmes
sept chiffres.
Bien que seule une petite proportion des appels payants nécessitent
des connexions multiswitch du type qui vient d'être décrit,
de telles connexions sont néanmoins nécessaires pour
un réseau national économiquement réalisable
dans lequel tous les appels sont composés jusqu'à leur
achèvement, et cet objectif ne peut pratiquement pas être
atteint sans des systèmes fonctionnant avec des codes de destination.
En outre, comme nous le verrons plus loin, des codes de destination
sont nécessaires pour réaliser les importantes économies
de ressources liées à l'acheminement alternatif automatique.
CONVERSION DES CODES
En passant, une autre caractéristique de certains systèmes
de contrôle courants, à savoir la conversion de code,
peut être mise en évidence ici car l'illustration de
la figure 6 convient. Les appels provenant d'un système de
contrôle commun peuvent utiliser des codes de nom de bureau
(tels que MA 2 pour les appels vers le MA du bureau 2) pour atteindre
des destinations via un équipement de commutation étape
par étape où les codes de routage (tels que 157) sont
largement utilisés.
L'équipement de traduction du bureau de contrôle commun
peut être agencé pour substituer des chiffres arbitraires
aux chiffres du code du nom du bureau ou, dans certains cas, pour
préfixer des chiffres arbitraires avant le numéro appelé.
Les chiffres arbitraires substitués ou préfixés
sont conformes aux exigences du bureau utilisant les codes de route.
Sur la figure 6, le bureau C, lorsqu'il est équipé de
commandes communes, pourrait être agencé pour convertir
MA 2 en 157, et par conséquent des codes conformes au plan
de numérotation national pourraient être utilisés
pour la zone 217 même si les appels étaient acheminés
via un équipement étape par étape.
RELATION ENTRE LE TYPE DE SYSTÈME ET LES ÉCONOMIES
DE TRUNKING
Il est important dans tout réseau de disposer d'un système
qui utilise le plus économiquement possible l'installation
principale, mais ce n'est pas aussi important dans un petit réseau
que dans un grand réseau.
Les petits réseaux ne peuvent tirer que de petites économies
d'arrangements qui permettent d'économiser des lignes réseau.
Par exemple, dans un réseau de bureau unique, les lignes réseau
sont constituées de fils allant de l'équipement d'origine
à l'équipement de destination dans le même bâtiment,
ainsi que de circuits de relais associés relativement bon marché.
Cependant, dans un grand réseau à péage, les
lignes réseau peuvent inclure des répéteurs coûteux,
des équipements de signalisation, des équipements de
porteuse et peut-être des suppresseurs d'écho, ainsi
que des canaux de transmission s'étendant jusqu'à des
centaines de kilomètres de longueur et des circuits relais
à péage coûteux.
Pour les réseaux plus importants, il existe donc un besoin
considérable d'économiser autant de lignes réseau
que possible.
Il est donc important d'exploiter ces réseaux avec des équipements
de commutation qui utilisent le plus efficacement possible les équipements
interurbains en fournissant un accès complet aux groupes, et
d'utiliser un agencement qui permette des économies de liaisons
via des tandems et des acheminements alternatifs automatiques.
Ce sont des caractéristiques fournies par les systèmes
de contrôle courants et qui contribuent à expliquer pourquoi
ces systèmes sont plus attractifs dans les grands réseaux,
à la fois payants et locaux.
Le coût des réaménagements pour la croissance,
les nouveaux itinéraires, l'équilibrage de la charge
et le rétablissement du service en cas d'urgence varient selon
le type de système.
En raison de la flexibilité des commandes communes, de tels
réarrangements sont plus faciles à réaliser et
coûtent généralement moins cher que dans les systèmes
de commande à cadran direct. En outre, la fréquence
des réaménagements est plus élevée dans
les grandes localités.
C'est donc un autre facteur en faveur de l'utilisation de contrôles
communs pour ces lieux.
SUPÉRIORITÉ DES SYSTÈMES DE CONTRÔLE
COMMUNS EN MATIÈRE D'ACCÈS AUX COMMUTATEURS
Il a déjà été mentionné que l'efficacité
des lignes réseau augmente à mesure que la taille du
groupe dans lequel ils sont sélectionnés augmente.
La reconnaissance de ce fait au début du développement
de la commutation des machines (vers 1905) a conduit à l'invention
de commandes communes.
Un sélecteur pas à pas ordinaire n'a accès qu'à
dix prises par niveau. L'accès à plus de dix prises
peut être obtenu en fournissant plusieurs niveaux ou en utilisant
des commutateurs de sortie rotatifs,* ou par des combinaisons
de ceux-ci.
Chaque fois qu'il est nécessaire d'utiliser des commutateurs
de ligne multiples ou rotatifs gradués, il y a toujours une
légère perte d'efficacité par rapport à
un accès complet.
Dans un système tel que le système à panneaux
dans lequel la recherche de lignes réseau est fonction des
sélecteurs, le nombre maximum de lignes réseau accessibles
à un appel à n'importe quelle étape de sélection
est limité par le nombre de sorties accessibles au commutateur
à cette étape.
Un sélecteur de district ou de bureau, par exemple, peut tester
un maximum de 90 lignes réseau dans un seul groupe, 90 étant
le nombre maximum de terminaux auxquels des lignes réseau peuvent
être affectées sur un seul panneau, les dix terminaux
restants sur un groupe étant réservé à
des fins de débordement.
Dans le système pas à pas, une limitation correspondante
est évitée par une combinaison de commutateurs de distribution
multiples et rotatifs, avec la pénalité d'une légère
perte d'efficacité.
Les systèmes de marqueurs évitent également cette
limitation en demandant aux marqueurs de sélectionner les troncs
avant de sélectionner les chemins d'accès aux troncs.
Les systèmes Crossbar avec marqueurs peuvent facilement tester
plusieurs centaines de lignes réseau pour un appel donné.
Dans certains systèmes de barres transversales N°
1, par exemple les lignes réseau sont testées
par sous-groupes de quarante, le temps de maintien des marqueurs est
donc augmenté lorsqu'il y a plus d'un sous-groupe à
tester.
Cette augmentation du temps de maintien du marqueur est largement
évitée dans des systèmes tels que les systèmes
à barres transversales de péage en prévoyant
des dispositions de test spéciales dans lesquelles une seule
indication par sous-groupe indique au marqueur quel sous-groupe a
une ou plusieurs lignes réseau disponibles, après quoi
le marqueur teste uniquement les lignes réseau individuelles
d'un sous-groupe dans lequel il est assuré de pouvoir trouver
un coffre disponible.
(Le projet de production de la barre transversale n ° 2 a été
annulé et la désignation « barre transversale
n ° 3 » a été ignorée pour des raisons
qui restent floues.)
* Un commutateur rotatif de lignes réseau sortantes
est conçu pour rechercher un seul groupe de lignes réseau
sortantes et se connecter à un groupe inactif. Il est prévu
pour la présélection et les commutateurs non utilisés
avanceront à partir des lignes réseau occupées.
L'accès maximum de dix terminaux sur un niveau en pas à
pas ordinaire n'est pas inhérent au système et pourrait
être surmonté par une conception de commutateur différente.
Un examen du fonctionnement dun système de commande à
numérotation directe aidera à clarifier ce point.
A chaque étape de commutation, deux actions ont lieu.
Tout d'abord, le commutateur suit les impulsions du cadran jusqu'à
ce qu'il atteigne un groupe de prises correspondant au chiffre composé.
Puis, dans l'intervalle qui suit ce chiffre et avant l'arrivée
des impulsions du chiffre suivant, le commutateur recherche au-dessus
des prises un chemin inactif pour atteindre l'étape suivante.
Le nombre de chemins à partir d'un niveau de commutateur est
donc limité par le nombre de terminaux que le commutateur peut
rechercher dans l'intervalle interdigital.
En supposant par exemple un intervalle interdigital de seizièmes
de seconde et une vitesse de chasse de 100 terminaux par seconde,
60 prises pourraient être prévues.
Cependant, si une vitesse de chasse aussi élevée pouvait
être atteinte et que les 60 points de vente étaient prévus,
il faudrait 60 terminaux par groupe, même pour les petits groupes
qui sont majoritaires. Un tel changement entraînerait donc un
gaspillage de terminaux.
Les systèmes de commande à cadran direct ont généralement
utilisé des commutateurs avec dix prises par niveau, bien que
des dispositions spéciales telles que des niveaux doubles aient
été utilisées pour augmenter le nombre de prises.
Un commutateur à double niveau fournit des bornes pour deux
lignes réseau à chaque étape rotative et ainsi
vingt lignes réseau par niveau peuvent être atteintes.
DES ÉCONOMIES DE TRUNK PROMISE . LE FONCTIONNEMENT
EN TANDEM AVEC DES SYSTÈMES DE COMMANDE COMMUNS
Un facteur important dans les économies principales est la
possibilité dutiliser des tandems.
Les difficultés de numérotation que rencontrent les
systèmes de commande à numérotation directe avec
les tandems ont déjà été évoquées.
Les tandems permettent de réaliser des économies principales
sur deux fronts. Premièrement, les routages tandem tirent parti
de l'efficacité résultant de la concentration des plus
petits éléments de trafic et de leur traitement sur
des groupes de liaisons communs.
La figure 7 montre comment cette économie est atteinte.
Dix bureaux entièrement interconnectés par des lignes
réseau unidirectionnelles nécessitent 90 groupes de
lignes réseau interbureaux.
Dix bureaux reliés entre eux uniquement par tandem ne nécessitent
que 20 groupes.
Les groupes en tandem sont plus grands en taille que les groupes directs
individuels qu'ils remplacent et, en raison de l'efficacité
accrue liée à la taille du groupe, moins de lignes réseau
sont nécessaires.
Il existe une deuxième possibilité d'augmentation de
l'efficacité, dont un exemple se produit lorsqu'une partie
des bureaux se trouve dans des quartiers d'affaires et une partie
dans des quartiers résidentiels.
Les pointes de trafic à ressources partagées provenant
de ces différents types de bureaux se produisent fréquemment
à des heures différentes, de sorte que les liaisons
en tandem peuvent être fournies de manière plus économique
pour une qualité de service donnée que par un arrangement
qui doit prendre en charge les pointes de chaque bureau séparément.
La non-coïncidence des pointes de trafic des différents
types de bureaux permet des économies aussi bien sur les lignes
réseau vers tandem que sur les lignes réseau tandem.
Par exemple, supposons qu'un bureau donné effectue des appels
en tandem vers certains bureaux qui ont une heure chargée le
matin et d'autres qui ont une heure chargée le soir.
Ensuite, le groupe en tandem doit fournir la capacité nécessaire
pour gérer le trafic pendant l'heure la plus chargée
des deux, mais cette capacité ne doit être prise en charge
que pour le trafic de pointe vers une partie des destinations.
Si des groupes directs individuels avaient été fournis
au lieu d'un groupe commun en tandem, chaque groupe aurait eu besoin
d'une capacité pour son propre pic, quel que soit le moment
où il se produisait.
Le groupe commun totandem bénéficie donc de la non-coïncidence
des pics. Une situation correspondante se produit également
sur les lignes réseau en tandem. Chaque groupe effectue des
appels vers une destination donnée à partir d'un certain
nombre de bureaux d'origine dont les heures de pointe peuvent ne pas
coïncider, et donc les groupes en tandem bénéficient
d'économies similaires à celles des groupes entrants
en tandem.
Des tandems sont également requis pour les itinéraires
alternatifs.
Le routage alternatif est un arrangement permettant de réaliser
des économies de lignes réseau en utilisant un nombre
limité de lignes réseau directes pour le trafic entre
deux bureaux et en permettant aux appels qui ne trouvent pas de ligne
réseau directe disponible de déborder successivement
vers un ou plusieurs tandems. Grâce à la possibilité
de charger très lourdement les circuits directs tout en fournissant
un bon service en acheminant le surplus de et vers un certain nombre
de bureaux via un point tandem commun, des économies substantielles
sont possibles.
Le routage alternatif automatique n'est pratique qu'avec les systèmes
de contrôle courants.
Des contrôles communs sont nécessaires dans un bureau
tandem. fournir les fonctionnalités de stockage et de déversement
de chiffres dans le bureau qui effectue l'itinéraire alternatif
afin qu'il puisse transmettre au point d'itinéraire alternatif
les chiffres dont ce dernier a besoin.
Les commandes communes présentent d'autres avantages par rapport
aux goulottes qui ont déjà été partiellement
évoqués.
Ils simplifient également les problèmes d'affectation
et d'équilibrage de charge à mesure que la taille des
groupes change ou que de nouveaux groupes sont ajoutés. Un
exemple de la différence dans les méthodes de gestion
de la croissance du tronc, étape par étape et barre
transversale, est intéressant.
Progressivement, lorsque les groupes dépassent 10 lignes réseau,
un niveau doit être introduit dans le câblage du commutateur,
ou les lignes réseau doivent être sous-groupées
ou des commutateurs de ligne réseau rotatifs doivent être
utilisés.
Si une nouvelle croissance se produit, des reclassements doivent être
effectués ou des réarrangements peuvent être nécessaires
dans le sous-groupe ou dans les commutateurs rotatifs du tronc. Cependant,
dans un système à barres transversales, dans la plupart
des cas, les lignes réseau supplémentaires sont simplement
affectées à des bornes de commutation de rechange qui
sont laissées vacantes à cette fin.
ITINÉRAIRES POUR CONDITIONS IRRÉGULIÈRES
Les contrôles communs sont adaptés à la reconnaissance
et au traitement efficaces de conditions irrégulières
telles que des signaux permanents, des codes vacants et des lignes
interrompues ou temporairement interceptées. Les registres
ou les expéditeurs détectent les problèmes de
ligne qui provoquent le décrochage permanent des signaux ou
des récepteurs par un circuit de synchronisation qui attend
un court instant pour que la numérotation commence. Si la numérotation
ne commence pas dans l'intervalle autorisé, la ligne est dirigée
vers un groupe commun de lignes de signalisation permanentes qui peuvent
apparaître devant les opérateurs ou sur un panneau de
test.
Dans le numéro 5, une carte d'enregistrement de problèmes
à barre transversale peut être réalisée
sur laquelle est indiqué l'emplacement de la ligne en problème.
Le système pas à pas indique des signaux permanents
par alarmes à la force de maintenance sur une base de groupe
de lignes, et les lignes en difficulté doivent être tracées.
Les codes vacants sont détectés par les traducteurs,
décodeurs et marqueurs des systèmes de contrôle
communs et les appels sont acheminés vers un groupe de lignes
réseau commun qui apparaît devant les opérateurs
ou qui renvoie "aucune tonalité de numéro de ce
type". L'agencement correspondant étape par étape
nécessite des connexions du multiple de commutation aux lignes
réseau de l'opérateur ou de la tonalité. Dans
des systèmes comme N°.1 crossbar et N°.5 crossbar qui
ont des commandes communes dans l'équipement de terminaison,
les lignes sur lesquelles le service a été interrompu
ou temporairement intercepté peuvent être reconnues par
les marqueurs et les appels redirigés vers un groupe commun
de lignes réseau d'interception.
Par exemple, l'interruption temporaire du destinataire est indiquée
par la suppression d'une seule interconnexion au niveau de la trame
du groupe de numéros. Cependant, dans le système pas
à pas, une ligne d'interception est généralement
fournie pour 100 numéros et les lignes dont le service doit
être intercepté doivent être interconnectées
à ces lignes réseau.
AUTRES AVANTAGES DES SYSTÈMES DE COMMANDE COMMUNS RÉSULTANT
DE LEUR CAPACITÉ À FONCTIONNER AVEC DES TANDEMS
Certaines des économies permises par les systèmes de
contrôle communs fonctionnant avec des tandems ont été
mentionnées précédemment.
Les tandems sont également utiles car ils fournissent des points
centralisés où des fonctionnalités spéciales
peuvent être concentrées avec des économies considérables.
Par exemple, les tandems sont utilisés pour la conversion d'impulsions
et pour la concentration des équipements de chargement des
messages. La conversion d'impulsions est nécessaire lorsqu'il
devient nécessaire de passer d'un type d'impulsion à
un autre, comme par exemple lors d'appels d'un central téléphonique
vers un bureau pas à pas.
Le panneau peut envoyer uniquement des impulsions d'indicateur d'appel
de panneau et de retour et pas à pas ne peut recevoir que des
impulsions de numérotation. Les deux systèmes sont donc
incompatibles sans aménagements particuliers.
Voici quelques-uns des plans qui peuvent être utilisés
pour gérer les appels étape par étape.
Premièrement, tous les émetteurs du panneau pourraient
être modifiés pour envoyer des impulsions de numérotation.
Deuxièmement, des émetteurs de déversement pourraient
être installés au niveau des lignes réseau sortantes
du bureau du panneau ou des lignes réseau entrantes dans le
bureau étape par étape pour recevoir, par exemple, des
impulsions de retour et les convertir en impulsions de numérotation.
Enfin, s'il y a un tandem dans la zone, les émetteurs tandem
pourraient être disposés (comme ils le sont réellement)
pour accepter des impulsions d'indicateur d'appel réversible
ou de panneau et envoyer des impulsions de numérotation.
Les deux premiers arrangements sont généralement plus
chers que le dernier.
Par conséquent, lorsqu'une conversion d'impulsions est requise,
elle est généralement effectuée en acheminant
les appels via tandem.
Pour effectuer des appels dans le sens inverse, c'est-à-dire
de pas à pas vers le panneau, il existe une exigence due à
l'utilisation du système pas à pas, à savoir
que dans les cas où la deuxième tonalité n'est
pas utilisée, l'équipement du bureau appelé ou
d'un tandem intermédiaire doit être prêt à
accepter les impulsions étape par étape qui sont composées
par le client peu de temps après la prise de la ligne réseau
entrante.
Pour répondre à cette exigence, des mécanismes
de liaison spéciaux à grande vitesse et coûteux
sont nécessaires pour relier les expéditeurs aux lignes
réseau entrantes ou les lignes réseau entrantes doivent
être disposées pour enregistrer et stocker un ou deux
chiffres.
Cependant, lorsque des appels sont effectués entre deux systèmes
utilisant tous deux des expéditeurs, des mécanismes
de liaison moins chers et plus lents peuvent être utilisés
car les expéditeurs appelants sont disposés à
attendre un signal attaché par l'expéditeur en provenance
du bureau appelé.
AVANTAGES DES COMMANDES COMMUNES POUR L'ENREGISTREMENT AUTOMATIQUE
DES INFORMATIONS POUR LA CHARGE
Le système tandem crossbar offre une méthode économique
pour établir un enregistrement à des fins de facturation
sur les appels facturés en gros à plusieurs unités,
appelé contrôle à distance de l'enregistrement
de zone. À l'heure actuelle, cette utilisation est limitée
aux bureaux panel d'origine.
Le tandem est conçu pour renvoyer des signaux au bureau d'origine
pour faire fonctionner le registre des messages du client jusqu'à
six fois pendant la période initiale sur un appel et également
pour le faire fonctionner en heures supplémentaires.
Ainsi, l'application de la numérotation client étendue
peut être augmentée de manière économique
en appliquant cet arrangement dans des endroits qui ne peuvent pas
justifier les arrangements d'enregistrement disponibles dans le système
de panneau lui-même, qui ne sont économiques que pour
un volume relativement important de cette activité.
Les systèmes crossbar locaux fournissent ces fonctionnalités
de manière suffisamment économique pour éviter
le besoin d'un contrôle en tandem des registres de messages
pour les appels provenant des bureaux crossbar.
Lorsque des bureaux tandem doivent contrôler l'équipement
qui enregistre les données de facturation des clients, ils
doivent être équipés de commandes communes si
l'on veut que l'arrangement soit économique.
Les données incluent l'origine de l'appel (le groupe de lignes
réseau particulier entrant en tandem sur lequel l'appel arrive)
et la destination (le code du bureau appelé). Ces éléments
doivent être analysés et combinés pour déterminer
la base du montant facturé.
Étant donné que ces fonctions nécessitent un
équipement complexe, il faut réaliser des économies
en fournissant un minimum d'équipement pour effectuer le travail.
Cet objectif est atteint en fournissant les fonctionnalités
requises dans les contrôles communs.
Dans les tandems agencés pour le contrôle à distance
de l'enregistrement de zone, par exemple, le nombre de fois où
l'enregistreur de messages du client est utilisé est déterminé
en partie par le choix du groupe de lignes réseau au bureau
d'origine et en partie par les marqueurs tandem.
En plus du contrôle à distance de l'enregistrement de
zone, il existe plusieurs autres méthodes de détermination
et d'enregistrement des données de taxation qui nécessitent
également l'utilisation d'un équipement de contrôle
commun.
Il s'agit de la billetterie ou taxation automatique, de la comptabilisation
automatique des messages et de la numérotation des zones de
pièces.
Dans la billetterie automatique, qui est utilisée avec des
systèmes pas à pas, les appels qui doivent être
émis sont dirigés vers des lignes réseau sortantes
qui sélectionnent les expéditeurs et d'autres équipements
courants qui déterminent le numéro de ligne appelante,
reconstruisent le code du bureau appelé et stockent et envoient
les chiffres requis pour les sélections au-delà du bureau
local. .
Le numéro de la ligne appelante et le code du bureau appelé
sont transmis par l'équipement commun à la ligne réseau
sortante qui est équipée d'un dispositif d'impression
de ticket qui imprime ces informations et d'autres données
nécessaires à la facturation.
Les tickets peuvent être utilisés pour des factures groupées
ainsi que pour des enregistrements détaillés puisqu'ils
peuvent être résumés au centre comptable par des
méthodes manuelles pour les appels pour lesquels des informations
détaillées ne sont pas requises.
La comptabilité automatique des messages est utilisée
avec les systèmes crossbar à la fois pour la facturation
globale et les enregistrements d'appels détaillés.
Avec ce système, les données nécessaires à
la facturation sont perforées sur une bande de papier par un
équipement de bureau central commun.
L'agencement a été décrit dans la littérature
technique et ne sera pas décrit davantage ici.
La méthode de création de tickets et la comptabilité
automatique des messages nécessitent la collecte d'une grande
quantité de données et la capacité d'effectuer
un travail complexe de traitement et d'enregistrement de ces données.
Cela nécessite un équipement complexe et coûteux
qui n'est pratique que s'il est fourni sur une base commune, de sorte
qu'il puisse être mis en service pendant une courte période,
puis remis dans le pool commun pour d'autres appels.
Les systèmes de contrôle à numérotation
directe sans commandes communes ne peuvent avoir que des registres
de messages sur la ligne et ne peuvent donc gérer que des appels
facturés en bloc.
En outre, en raison du coût des dispositifs permettant de déterminer
plusieurs données de facturation unitaires et d'exploiter le
registre de messages plus d'une fois lors d'un appel, l'exploitation
multiple des registres de messages sur des appels individuels n'est
pas pratique.
À partir des bornes à pièces des systèmes
de commande à numérotation directe, le client peut composer
des appels uniquement vers des bureaux situés dans la zone
de facturation locale.
Cependant, dans les zones de panneau et de barre transversale, la
configuration de « numérotation par zone de pièces
» est disponible pour permettre aux clients de pièces
de monnaie de composer au-delà de la zone locale.
Avec ce plan, les appels sont acheminés vers un bureau tandem
où l'achèvement est retardé jusqu'à ce
qu'un opérateur puisse se connecter au réseau principal
en tandem et superviser la collecte des pièces requises.
Le montant à collecter est indiqué par des lampes de
coffre qui apparaissent dans un multiple de standard.
Des contrôles communs entrent dans ce système au bureau
d'origine pour acheminer l'appel vers le tandem et pour déterminer
les frais, et au bureau tandem afin que les chiffres puissent être
stockés pendant que l'appel est retenu avant la collecte des
pièces.
TYPES DE PULSATIONS
Les systèmes de commande à numérotation directe
sont limités à un fonctionnement avec des impulsions
de numérotation et sont généralement limités
à des vitesses d'impulsion d'environ 10 impulsions par seconde
et d'environ un chiffre par seconde.
Les impulsions du cadran
ont des limites de portée qui peuvent être surmontées
par l'ajout de répéteurs d'impulsions aux points appropriés.
Les systèmes de contrôle courants stockent les chiffres
dans des expéditeurs qui peuvent les régénérer
selon différents types et combinaisons de types d'impulsions.
Les types d'impulsions de sortie que l'on trouve aujourd'hui dans
divers systèmes comprennent les impulsions réversibles,
les indicateurs d'appel de panneau, les impulsions de cadran, les
impulsions de touche CC et les impulsions multifréquences.
Le tandem d'émetteur de panneau et le péage n°4
peuvent également envoyer des informations numériques
aux opérateurs par la méthode de l'annonceur d'appel
qui utilise des annonces vocales dérivées d'enregistrements
sur film.
La possibilité de recevoir et d'envoyer plusieurs types d'impulsions
dans un seul système le rend plus flexible puisqu'il peut ensuite
se connecter à une variété d'équipements.
La régénération des impulsions ajoute à
la portée sans qu'il soit nécessaire d'ajouter des répéteurs
d'impulsions.
Certains des avantages que les systèmes de commande courants
tirent de leur capacité à fonctionner avec un type moderne
d'impulsions peuvent être mis en évidence par une brève
description des impulsions multifréquences qui constituent
un développement relativement récent.
Les informations numériques sont transmises sur toute installation
capable de traiter la voix en envoyant des poussées de courant
alternatif constitués de paires de fréquences dans la
gamme vocale sélectionnée parmi cinq fréquences.
Il existe dix de ces paires.
A la réception, une vérification est effectuée
pour garantir qu'exactement deux fréquences sont reçues
pour chaque chiffre.
Lorsqu'une ou plusieurs fréquences par chiffre sont détectées,
l'appel n'est pas établi mais un signal de réorganisation
est renvoyé à l'extrémité d'origine.
En plus des avantages de pouvoir transmettre sur des installations
vocales, y compris des répéteurs et des systèmes
porteurs, et de permettre des contrôles d'exactitude, ce type
d'impulsion peut actuellement être transmis à une vitesse
de sept chiffres par seconde.
Les opérateurs peuvent disposer de jeux de touches capables
d'envoyer des impulsions MF vers des équipements de commutation
locaux ou distants, avec un fonctionnement amélioré
résultant de la vitesse plus élevée et d'autres
avantages des impulsions MF.
Il est tout à fait faisable d'ajouter des types d'impulsions
IICAV aux systèmes de contrôle courants.
Les impulsions multifréquences n'ont été ajoutées
plus tard au tandem crossbar, par exemple, bien qu'elles soient utilisées
avec d'autres systèmes crossbar depuis un certain temps. Dans
ce cas, il fallait développer des émetteurs de nouvelles
capables de recevoir et d'envoyer les impulsions MF.L'ajout de ces
appareils, même dans les bureaux existants, n'est pas une tâche
difficile.
APPAREIL DE STATION AMÉLIORÉ
Les stations de la plupart des centraux sont équipées
de cadrans qui fonctionnent à environ 10 impulsions par seconde.
Dans les échanges pas à pas, cette vitesse d'impulsion
est le maximum autorisé par les capacités des commutateurs.
Dans les zones de panneaux et de barres transversales, l'équipement
commun est capable de fonctionner avec des impulsions de numérotation
plus rapides, et les opérateurs de PBX et de central téléphonique
dans ces zones reçoivent généralement des cadrans
qui fonctionnent à environ 18 impulsions par seconde.
Même les numéros rapides sont inefficaces par rapport
aux jeux de touches à bouton-poussoir utilisés par les
opérateurs pour l'impulsion des touches et il est évident
que les postes d'abonné dotés de boutons-poussoirs seraient
plus rapides et plus pratiques que les boutons-poussoirs.
De tels ensembles ont été utilisés à Media,
Pennsylvanie, à titre expérimental et ont fonctionné
d'une manière très satisfaisante.
Leur introduction a simplement nécessité la conception
et l'installation de registres pour recevoir les impulsions qu'ils
génèrent.
Cela a été fait avec peu de difficultés ou de
dépenses du côté du bureau central.
Cependant, avec les systèmes pas à pas ordinaires, de
tels dispositifs ne sont pas pratiques en raison du court intervalle
interdigital qu'ils permettent et en raison du coût de l'ajout
de l'équipement de réception d'impulsions dans chaque
sélecteur et de la fourniture d'une traduction pour transformer
les impulsions de touche en une forme permettant de piloter le commutateur.
CLASSES DE SERVICE
Les différences dans le traitement des appels provenant de
lignes non payantes, payantes et PBX ainsi que les différences
dans les traitements tarifaires nécessitent la reconnaissance
des classes de clients au niveau du central.
Progressivement, des groupes séparés de détecteurs
de lignes sont fournis pour permettre la ségrégation
en classes et lorsque les routages pour différentes classes
varient, des multiples de sélecteurs séparés
sont requis pour ces routages.
Les distinctions de classe au sein d'un groupe de recherche de ligne
peuvent être faites à l'aide de ressorts de poteaux normaux
et en marquant un quatrième conducteur dans le circuit de ligne.
Les systèmes de contrôle communs permettent de gérer
de manière économique de nombreuses classes de services.
La barre transversale n°5, par exemple, est la plus flexible à
cet égard.
Jusqu'à trente classes de service peuvent être gérées
dans une trame de liaison sur une seule ligne, y compris les pièces
et les non-pièces.
Les traitements spéciaux, les réacheminements et les
restrictions sont pour la plupart des fonctions des contrôles
communs et les inefficacités dues à la ségrégation
du trafic en petits groupes d'équipements de commutation sont
largement évitées.
CONNEXIONS DOUBLES
Dans les systèmes tels que les panneaux et les pas à
pas dans lesquels les sélecteurs effectuent la recherche, plusieurs
sélecteurs peuvent rechercher simultanément les mêmes
terminaux, et comme il y a un intervalle non surveillé juste
après qu'un terminal inactif a été trouvé
avant qu'il ne soit rendu occupé par la libération du
relais de test d'occupation. , des doubles connexions se produisent.
Des efforts et des dépenses considérables ont été
déployés pour réduire la probabilité de
doubles connexions dans ces systèmes.
En revanche, dans les systèmes qui utilisent des marqueurs,
les schémas de test des lignes réseau ne permettent
normalement pas de doubles connexions. Dans la plupart des systèmes
de marqueurs, un dispositif de verrouillage permet à un seul
marqueur à la fois de tester les lignes réseau d'un
groupe donné. Il existe des cas où les lignes réseau
sont communes à deux bureaux et où deux marqueurs sont
autorisés à tester les lignes réseau simultanément.
Dans ces cas, des dispositions de circuits spéciales sont fournies
à un coût nominal pour éviter les doubles connexions.
Les systèmes de commande communs modernes avec marqueurs sont
donc exempts de doubles connexions résultant de faiblesses
du système et celles-ci ne peuvent se produire qu'à
la suite de défauts dans des circuits ou des appareils.
BUREAUX THÉORIQUES
Il est parfois souhaitable d'attribuer plus d'une désignation
de bureau aux clients dans une seule unité de bureau central.
Une nouvelle unité peut être planifiée dans le
futur et si la croissance de l'unité existante peut être
prise avec une nouvelle désignation de bureau, alors lorsque
ce nouveau bureau est mis en service, cela peut se faire sans changement
de répertoire en transférant un bloc de lignes de l'ancienne
unité.
Une autre occasion d'attribuer plus d'une désignation à
une seule unité se présente lorsque les clients desservis
par l'unité sont dans deux zones tarifaires et que le service
aux lignes dans l'une des zones tarifaires doit être restreint
ou des frais supplémentaires perçus.
Les lignes desservies par une appellation complémentaire sont
appelées bureau théorique.
Les systèmes de contrôle communs gèrent les travaux
théoriques sans difficulté.
Dans le premier cas mentionné, l'équipement de traduction
dans les bureaux d'origine reconnaît que les désignations
de bureaux physiques et théoriques nécessitent un traitement
identique jusqu'à ce que la nouvelle unité soit mise
en service, moment auquel les changements de connexion transversale
du traducteur prennent en charge les nouveaux acheminements.
Lorsque des traitements tarifaires différents sont impliqués,
des enregistrements à des fins de facturation en fonction à
la fois de l'origine et de la destination de l'appel peuvent être
effectués par les méthodes mentionnées précédemment.
Dans certains cas où les données de facturation sont
déterminées dans un bureau en tandem et où des
traitements différents pour les mêmes destinations doivent
être accordés aux clients appelant depuis un bureau,
des groupes de lignes réseau divisés doivent être
fournis en tandem, un pour chaque traitement.
Dans le système étape par étape, les cours théoriques
peuvent être ouverts en multipliant deux niveaux de sélection
ensemble.
Par exemple, si le bureau physique est désigné 25 et
que l'on souhaite ouvrir un bureau théorique, disons 26, les
niveaux 5 et 6 sur les deuxièmes sélecteurs appropriés
du réseau peuvent être bloqués jusqu'à
ce que le bureau 2G soit transformé en bureau physique.
A ce moment-là, les niveaux sont divisés et les lignes
réseau vers le nouveau bureau sont connectées aux 6
niveaux des seconds sélecteurs.
Des restrictions pour atteindre des blocs de numéros peuvent
être appliquées en divisant les multiples de sélecteur
et en interceptant les appels vers des blocs restreints à partir
de l'une des divisions.
ASPECTS DE L'ENTRETIEN
L'expérience a montré que les interrupteurs soumis à
de nombreux mouvements, en particulier ceux dotés de brosses
qui essuyent les terminaux bancaires, ont tendance à s'user
excessivement et nécessitent des efforts de maintenance considérables,
voire parfois un remplacement.
D'un autre côté, les interrupteurs à mouvements
courts et à action de relais nécessitent peu d'entretien
et ont tendance à avoir une longue durée de vie.
En outre, les interrupteurs qui utilisent des brosses d'essuyage utilisent
principalement des contacts en métaux communs, tandis que les
interrupteurs de type relais peuvent facilement être équipés
de contacts en métaux précieux - et sont dans la plupart
des cas équipés de tels contacts - avec élimination
du bruit de transmission auquel les contacts en métaux communs
sont soumis.
Le commutateur crossbar est un commutateur de type relais avec des
contacts en métal précieux et des considérations
telles que celles mentionnées ont influencé son adoption.
Les avantages des commutateurs de type relais ne sont pas nécessairement
limités aux systèmes de commande courants puisque de
tels commutateurs ont été utilisés dans des systèmes
de commande à cadran direct.
La première utilisation du commutateur crossbar en Suède
a par exemple eu lieu dans un système pas à pas.
Cependant, des dispositions économiques pour utiliser de tels
commutateurs dans de grands systèmes nécessitent des
marqueurs.
En effet, il faut réaliser des économies en ayant plus
d'un appel à occuper un commutateur à la fois et le
contrôle des marqueurs est nécessaire pour y parvenir.
Des avantages importants en matière de maintenance ont été
introduits dans les systèmes utilisant des décodeurs
et des marqueurs.
Dans cette catégorie se trouvent les fonctionnalités
d'autovérification, les seconds essais avec un ordre de préférence
modifié et les fonctionnalités de rapport de problèmes.
Dans la barre transversale N° 5, la possibilité de signaler
l'emplacement d'une ligne avec un signal permanent en perforant une
carte d'enregistrement des incidents a éliminé le besoin
de retrouver les permanents.
Un certain nombre de systèmes sont utilisés pour détecter
les problèmes dans les marqueurs et les décodeurs et
dans les circuits qui s'y connectent.
Ceux-ci incluent des détecteurs de mauvaises séquences
d'opérations, de mauvaises combinaisons de relais, de courant
excessif, de faux potentiel et de manque de continuité. Ceux-ci
sont généralement introduits à faible coût
puisque les circuits auxquels ils sont appliqués sont de petits
multiplicateurs.
Cependant, certains d'entre eux font un travail de test important
puisqu'ils s'adressent et testent les nombreux éléments
du système de commutation auxquels les marqueurs ont accès.
Dans cette catégorie se trouvent les tests des liaisons transversales
pour les ouvertures, les fausses masses et les doubles connexions,
les tests des points de croisement des commutateurs pour la continuité,
les tests des lignes pour les fausses masses et pour les récepteurs
décrochés sur les lignes de première pièce
de monnaie.
Pour obtenir des enregistrements de problèmes clairs, les marqueurs
sont conçus avec des signaux de progression verrouillés.
Cela a facilité l'analyse des problèmes et a eu tendance
à améliorer la conception en éliminant les courses
de relais.
À partir du système de panneaux, des tests ont également
été introduits dans les émetteurs pour détecter
les lignes réseau ouvertes et inversées.
Ces tests ont été d'une aide considérable pour
maintenir les installations extérieures et détecter
les conditions pouvant conduire à de fausses accusations.
INCONVÉNIENTS DES CONTRÔLES COMMUNS
Jusqu'à présent, l'accent a été principalement
mis sur les avantages des contrôles communs. Il y a aussi quelques
inconvénients.
L'un des principaux problèmes est le coût de démarrage
important dû à la nécessité de fournir
un minimum d'équipements communs.
Ce minimum est prévu pour maintenir le fonctionnement en cas
de problème et pendant les intervalles où, par exemple,
les interconnexions nécessitent une modification en raison
de routes modifiées ou ajoutées.
Les exigences minimales établissent des barrières économiques
qui tendent à interdire l'utilisation économique de
commandes communes pour les petits systèmes isolés.
Un autre inconvénient est la performance des systèmes
de contrôle courants sous des surcharges sévères
et prolongées.
L'expérience avec ces systèmes indique que, bien qu'ils
se comparent assez favorablement aux systèmes de commande à
cadran direct en ce qui concerne leur capacité à gérer
des surcharges modérées, ils ne sont pas non plus capables
de gérer des surcharges sévères.
Ceci est en partie dû au fait que les éléments
des systèmes de commande communs sont utilisés avec
un rendement élevé et qu'il y a donc relativement moins
d'équipements libres à pleine charge pour absorber une
surcharge que dans les systèmes qui fonctionnent avec des groupements
plus petits et moins efficaces.
Chaque fois que le nombre 11 d'appels présentés au système
dépasse la capacité des éléments de commande
communs fournis, les appels excédentaires sont retardés.
Les actions des clients, des opérateurs et des machines de
commutation lorsqu'ils rencontrent des retards tendent à aggraver
la surcharge.
Les réactions des opérateurs et des clients face aux
retards peuvent être illustrées par deux exemples.
Le premier est tiré de l'exploitation d'un réseau de
systèmes de péage N°.4 lorsque l'un des N°.4
est fortement surchargé. Les opérateurs qui passent
des appels via le système surchargé rencontrent, disons,
un nombre anormal de conditions « pas de circuit »
dans les lignes réseau sortantes.
Cela les amène à faire des tentatives supplémentaires
pour obtenir des circuits.
Ces tentatives supplémentaires ainsi que le nombre excessif
de premières tentatives surchargent les marqueurs.
Le temps de rétention des expéditeurs est alors augmenté
en raison des retards de connexion aux marqueurs et ceci, ajouté
au nombre anormal d'utilisations des expéditeurs, entraîne
une pénurie supplémentaire d'expéditeurs.
Les opérateurs qui tentent de passer des appels via le système
sont donc ralentis en raison de la lenteur des signaux « expéditeur
attaché ».
(Ce sont les signaux qui indiquent aux opérateurs qu'ils peuvent
commencer à composer ou à composer). Les expéditeurs
dans les systèmes de connexion sont également retardés
en attendant que les expéditeurs deviennent inactifs dans le
bureau surchargé.
La surcharge a donc tendance à se propager à tous les
systèmes connectés. Cependant, il est possible de prévoir
des remèdes qui limitent la réaction face à un
système surchargé. Ces solutions sont des dispositions
permettant d'éliminer rapidement les expéditeurs en
attente d'expéditeurs.
Le routage alternatif automatique est également utile pour
acheminer le trafic autour de systèmes surchargés.
Le deuxième exemple est tiré des systèmes locaux.
Ici, la réaction des clients aux retards aggrave la surcharge.
Une surcharge importante entraîne une pénurie d'expéditeurs,
comme décrit ci-dessus.
Une pénurie d'expéditeurs dans un système local
entraîne des retards dans la tonalité.
Il y a toujours des clients qui n'écoutent pas la tonalité
ou qui ne l'attendront pas très longtemps et qui commencent
à composer avant que les expéditeurs ne soient connectés
à leurs lignes.
Le résultat d'une telle numérotation est soit une condition
de chiffres partiels dans laquelle l'expéditeur attend un intervalle
considérable pour un complément complet de chiffres,
soit un numéro erroné lorsque le premier chiffre est
tronqué.
Les retards réduisent encore davantage la capacité de
l'expéditeur et les mauvais numéros augmentent encore
le nombre de tentatives.
La charge « fait boule de neige » et la capacité
du système à gérer les appels dégénère.
Là encore, des dispositions sont disponibles pour contrôler
la surcharge.
Ceux-ci incluent des fonctionnalités permettant de bloquer
les appels avant qu'ils n'atteignent les expéditeurs et les
marqueurs, et de renvoyer les signaux d'occupation des chemins avec
un minimum de temps de maintien du circuit commun.
Bien qu'il existe donc une capacité de surcharge légèrement
plus grande progressivement en raison d'une utilisation moins efficace
de l'équipement, les systèmes de contrôle courants
font un bon travail pour gérer les surcharges modérées
et, grâce aux fonctionnalités de contrôle de charge,
peuvent fonctionner de manière satisfaisante même avec
des surcharges sévères.
Du point de vue de la maintenance, un inconvénient des commandes
communes réside dans la relative complexité des circuits.
Bien que cela ait introduit un problème de formation, les forces
de maintenance n'ont eu aucune difficulté à acquérir
les connaissances nécessaires pour effectuer un travail de
maintenance compétent.
sommaire
CONCLUSION
Nous arrivé en 1952 et les systèmes de contrôle
communs à part entière, illustrés par les systèmes
crossbar local et à péage, présentent un certain
nombre d'avantages importants par rapport aux systèmes dans
lesquels les commutateurs sont pilotés directement par le cadran
du client.
Les avantages proviennent en grande partie de la possibilité
de stocker des chiffres, de les traduire, de les utiliser de manière
flexible pour la commutation au sein du bureau et de transmettre autant
d'entre eux que nécessaire vers des points distants pour des
opérations de commutation ultérieures.
Les chiffres peuvent être convertis en d'autres de valeur différente
chaque fois que cela est avantageux.
La flexibilité inhérente des équipements de contrôle
commun permet d'adopter tout type de plan de numérotation pour
une zone locale ou un réseau national le mieux adapté
à cet objectif, sans tenir compte de la manière dont
les appels seront acheminés d'un point à un autre.
Les codes peuvent être attribués à volonté
pour représenter les destinations et le meilleur itinéraire
pour l'appel peut toujours être emprunté.
Le meilleur itinéraire peut dans certains cas impliquer un
fonctionnement en tandem ou même une demi-douzaine de commutateurs
en tandem.
Il peut s'agir de l'itinéraire choisi comme alternative après
un essai préalable d'un ou plusieurs autres itinéraires.
Une connexion peut être établie entre des bureaux de
différents types et sur des groupes de lignes réseau
nécessitant différentes formes d'impulsions.
Ces conditions peuvent être remplies par des équipements
de contrôle communs et la capacité de remplir de telles
conditions permet de fournir un équipement étape par
étape bon marché dans les endroits pour lesquels il
est le mieux adapté, compensant certaines de ses déficiences
par des équipements de contrôle communs dans d'autres
endroits.
Avec des commandes communes de type marqueur, les groupes de lignes
réseau d'un bureau peuvent avoir n'importe quelle taille souhaitée,
quelle que soit la conception du commutateur.
Le commutateur crossbar individuel, par exemple, donne accès
à seulement dix ou vingt prises comme normalement câblées,
mais des groupes de lignes réseau uniques à accès
complet de centaines de lignes réseau peuvent être utilisés
dans certains systèmes crossbar.
Les systèmes d'enregistrement des données de facturation,
mis à part les systèmes relativement simples dans lesquels
l'équipement de comptage est associé à la ligne
du client et fonctionne une fois par appel, utilisent un équipement
de contrôle commun.
Cela semble être nécessaire lorsqu'il faut établir
des enregistrements détaillés d'appels individuels à
des fins de taxation.
À mesure que des améliorations sont apportées
à la technique, elles peuvent plus facilement être incorporées
dans des systèmes de commande courants que dans des systèmes
pas à pas.
Par exemple, de nouveaux sous-ensembles qui peuvent utiliser des clés
ou d'autres dispositifs d'envoi différents du cadran peuvent
être pris en charge en prévoyant des installations appropriées
dans les expéditeurs et les registres.
Petit à petit les centres pas à pas seront remplacés
par le système Crossbar
afin de généraliser la commutation automatique dans
le monde entier.
Puis arrive les études pour de nouveaux centraux téléphoniques
semi et entièrement éléctronique : la
suite sur cette page.
sommaire
|