|
Le système
Crossbar
Au début des années 1950, les télécommunications
françaises disposaient de moyens techniques modernes, tout au moins
en transmission, car, en commutation, le problème de ladoption
dun nouveau système devait bientôt se poser ; il apparaissait,
en effet, que le système « L43 » avait des possibilités
limitées et que le Rotary « 7 B I » ne pouvait être
généralisé.
Une mission dingénieurs français se rendit en Suède,
à la fin de lannée 1949, puis, quelques mois après
aux Etats-Unis.
Les ingénieurs français firent alors connaissance avec ce
que lon appelait le matériel « crossbar » ; dans
ce matériel, sans organes rotatifs, la connexion seffectue
en actionnant une barre horizontale de sélection correspondant
à une ligne puis une barre verticale correspondant à une
autre ligne, afin dassurer au point de croisement de ces deux barres
les contacts nécessaires entre les deux lignes (doù
le nom de « crossbar » ou
« barres croisées »).
sommaire
Historique : avec le concepteur suédois Betulander (vu
à la page Betulander)
En 1900 , G. A. Betulander
conçu un commutateur avec des sélecteurs rotatifs, qui a
été exposé et démontré à l'exposition
universelle, exposition universelle à Paris en 1900, où
il a reçu une médaille d'or.
Après l'exposition, Betulander a installé l'interrupteur
à Järla Nacka qui a été utilisé
pendant de nombreuses années.
En 1905 Ericsson, compatriote
suédois de Betulander et de Palmgren, leur proposa
la création d'un système
à relais , une proposition qui était bien
en avance sur son temps. Ces études ne furent
pas appliquées en pratique mais ils sont devenus la base de tous
les systèmes à barres croisées qui suivirent.
|
Vers 1910, G.A
Betulander obtient un congé du Telegraph Administration,
et créé sa propre société, AB
Autotelefon Betulander, avec une usine à Stockholm
Suède.
Son compatriote Palmgren, a travaillé sur des conceptions
de sélecteur mécanique et il a été jugé
souhaitable de les transformer en petits sélecteurs de capacité
limitée et de construction simple pour assurer un fonctionnement
suffisamment bon et fiable.
Afin de pouvoir les employer dans de grands systèmes, il
y avait développé un principe entièrement nouveau,
qui était important pour l'avenir, un système avec
des commutateurs primaires et secondaires et des relais pour mettre
en liaison.
Grâce au principe du système de liaisons par relais,
la compagnie Betulander s'est rapidement consacrée uniquement
à la construction de tels systèmes.
Le principe de la commutation croisée US1234610
a été déposé et breveté en 1917
par Palmgren et Betulander.
|
 |
sommaire
 |
Parallélement
en Amérique, en Mai 1913 , lAméricain John
Reynolds déposait une demande de brevet du commutateur
de barre transversale
La caractéristique de l'appareil est un système électromagnétique
qui, par l'action des barres horizontales et verticales, actionnées
par des relais de façon directe et rapide, réalise une
serie de contacts aux points d'intersection.
Les raisons pour lesquelles le concept de Reynolds quand il est
apparu ne rencontrait pas beaucoup d'intérêt sont :
- De gros capitaux ont été investis dans le développement
et la fabrication de sélecteurs mécaniques type Strowger
et Rotary.
- le sélecteur Reynolds,selon les spécifications de
brevets, était plutôt compliqué et probablement
coûteux à fabriquer, comparé aux sélecteurs
mécaniques.
- La vitesse de fonctionnement ne semble pas avoir été
excellente.
Reynolds a conçu son «interrupteur crossbar» comme
un sélecteur et il ne semble pas avoir eu accès à
tout les moyens avec lequel il était possible économiquement
d'exploiter ce commutateur.
Toutefois en 1915 pour la Western Electric, Reynolds dépose
un brevet 1306124 .
Il n'y eut pas de suite, le sélecteur s'est avéré
trop coûteux à cette époque pour être utilisé. |
A peu près au même moment, Gotthief A.
Betulander de Televerket en Suède
a commencé à travailler sur un commutateur entièrement
à relais. Comme le comutateur Panel
américain, il disposait de circuits séparés pour
la sélection et la connexion.
En 1917, Betulander apprit lexistence du brevet de Reynold.
Découvrant qu'il nécessitait moins de relais, il l'a combiné
avec la section de connexion de sa conception, inventant ainsi le commutateur
crossbar.
Il vendit son invention à la société suédoise
L. M. Ericssson, qui disposait des ressources
nécessaires pour la préparer à la fabrication.
En 1921, Televerket choisit ce commutateur
pour l'utiliser dans les villes suédoises.
Par la suite Palmgren a été employé
par Ericsson, où il a travaillé jusqu'à sa retraite
à des postes qui comprenaient le directeur du laboratoire de la
station téléphonique. Palmgren reçut plusieurs récompenses
pour ses contributions, dont le bronze en 1941 et la médaille d'or
en 1946.
En 1950, il reçut la médaille d'or de la Société
suédoise d'ingénierie et cinq ans plus tard le prix d'argent,
la plus haute distinction d'Ericsson.
Nils Palmgren était une personne calme qui trouvait facile de travailler
avec les autres.
Sa timidité le rendait réticent à parler de ses propres
contributions. Il est décédé en janvier 1975 à
l'âge de 75 ans.
La nouvelle technique
dite « crossbar » est très prometteuse. Cette
fois, ce ne sont plus des organes tournants comme sur le Rotary qui assurent
les connexions, mais des barres croisées, doù le nom
de crossbar.
Le sélecteur
est constitué de barres verticales associées aux lignes
entrantes et de barres horizontales associées aux lignes sortantes.
Les barres, actionnées par des électro-aimants en fonction
de lappel, établissent le contact à leur intersection.
Cette nouvelle technique
est plus souple d'exploitation, notamment en ce qui concerne le montage
des multisélecteurs, ce qui permet de réaliser, par groupement
et multiplexage, le raccordement de nombreuses lignes entrantes à
un nombre important de lignes sortantes.
Sa simplicité permet une diminution des coûts dentretien.
Betulander fut aussi parmi les premiers à formuler le concept de
commande indirecte avec lutilisation du traducteur.
Déjà en 1919, la Betulander Company construisit quelques
petites stations automatiques à barres croisées, qui se
firent une bonne réputation.
Cest à cette époque-là que la première
station téléphonique automatique à barres croisées
fut ouverte à Göteborg, en honneur de 300e anniversaire
de la ville.
À la fin de 1919,
la petite entreprise Nay Autotelefon Betulander a été
rachetée par Ericssson, en échange d'un paiement
en espèces et d'un accord de redevances sur les ventes à
la Televerket, indépendamment du fait que les systèmes proposés
par Ericsson soient basés sur le système Betulander et Palmgren.
Alors lannée suivante, la Televerket : ptt suédois
a choisi le commutateur 500 pour équiper Stockholm
et Göteborg.
Commutateur
crossbar à 100 points, LM Ericsson, Suède, 1921
Après la vente de son entreprise, GA Betulander a repris
son emploi à la Televerket, où il a été chargé
de concevoir une station pour Sundsvall sur la base de son commutateur
crossbar,
en 1926 La station de Sundsvall
a été mise en service avec 3500 abonnés.
Sundsvall
Ce premier système crossbar utilisé dans ces installations
est appelé le système standard 41 du type commandé
par cadran comme dans un système pas à pas. Il est particulièrement
adapté pour les échanges ruraux et semi-ruraux, mais son
coût restait assez élévé.
En
1930, W. R. Mathies, de la division de recherche et développement
d'AT&T, maintenant connue sous le nom de Bell Telephone Laboratories,
s'est rendu en Suède et y a vu les sélecteurs crossbar utilisés
dans les centraux ruraux. Convaincu que de tels sélecteurs pouvaient
être adaptés à de gros interrupteurs, Mathies fit
reprendre les travaux à son groupe. Après avoir rejeté
l'idée de simplement remplacer les sélecteurs sur le modèle
de panneau existant, ils développèrent, à partir
de 1934, un tout nouveau commutateur destiné à un usage
urbain. Le nouveau commutateur utilisait la barre transversale ainsi que
certains de leurs travaux du début de la décennie.
En 1938 Le système Crossbar
N°1 ou 1XB était la principale technologie utilisée
par les centraux téléphoniques urbains desservis par le
Bell System au milieu du XXe siècle. Sa structure de commutation
utilisait le commutateur crossbar électromécanique pour
mettre en uvre la topologie du système de commutation Panel
des années 1920. Le premier Crossbar numéro 1 a été
installé dans le bureau central PResident-2 de Troy Avenue à
Brooklyn, New York, qui est devenu opérationnel en février
1938.
La barre transversale n°1 a été conçue pour être
utilisée dans les grandes zones métropolitaines telles que
New York, Chicago, Pittsburgh, Boston, Washington DC, etc. Souvent, la
barre transversale n°1 était utilisée conjointement
avec les commutateurs Panel existants dans le même bâtiment.
Le commutateur à barre transversale avait atteint
son objectif de réduction des coûts de fabrication et de
maintenance, et il possédait de nombreuses fonctionnalités
innovantes qui lui conféraient une conception plus flexible et
adaptable que les commutateurs Panel ou Strowger .
sommaire
Revenons sur l'dée de base du CROSSBAR :
un commutateur connectant plusieurs entrées à plusieurs
sorties de manière matricielle
Commutateur matriciel contrôlé par une grille de barres métalliques
croisées, matrice de nx contacts.
 |
Il y a un réseau de fils horizontaux
et verticaux représentés par des lignes continues.
Un ensemble de points de contact verticaux et horizontaux est connecté
à ces fils.
Les points de contact forment des paires, chaque paire consistant
en une banque de trois ou quatre horizontales et une banque correspondante
de points de contact verticaux.
Une paire de points de contact agit comme un commutateur de point
de croisement et reste séparée ou ouverte lorsqu'elle
n'est pas utilisée.
Les points de contact sont montés mécaniquement (et
isolés électriquement) sur un ensemble de barres horizontales
et verticales représentées en pointillés.
Les barres, quant à elles, sont attachées à un
ensemble d'électroaimants.
Lorsqu'un électro-aimant, par exemple dans le sens horizontal,
est alimenté, la barre qui lui est attachée tourne légèrement
de telle manière que les points de contact attachés
à la barre se rapprochent des points de contact en regard mais
ne créent aucun contact.
Maintenant, si un électro-aimant dans la direction verticale
est alimenté, la barre correspondante tourne, provoquant la
fermeture des points de contact à l'intersection des deux barres.
Cela se produit parce que les points de contact se rapprochent.
A titre d'exemple, si des électroaimants M2 et M3 sont alimentés,
un contact est établi au point de croisement 6 de telle sorte
que l'abonné B est connecté à l'abonné
C. |
Afin de bien comprendre le fonctionnement de la commutation
crossbar, considérons un schéma croisé de 6 X 6
Considérons maintenant l'établissement des connexions suivantes
dans l'ordre: A à C et B à E. D'abord, la barre horizontale
A est activée. Ensuite, la barre verticale C est alimentée.
Le point de connexion AC est verrouillé
et la conversation entre A et C peut maintenant se poursuivre.
Supposons que nous activions maintenant la barre horizontale de B
pour établir la connexion B-E, le point de convergence BC pouvant
être verrouillé et B sera amené dans le circuit
de A-C. Cela est empêché en introduisant une séquence
énergisante pour verrouiller les points de connexion.
Un point de connexion ne se verrouille que si la barre horizontale
est alimentée en premier, puis la barre verticale. (La séquence
peut bien être que la barre verticale est activée en
premier, puis la barre horizontale).
Par conséquent, le point de croisement BC ne se verrouille
pas même si la barre verticale C est excitée car la séquence
correcte n'est pas maintenue.
Pour établir la connexion B-E, la barre verticale E doit être
mise sous tension après la mise sous tension de la barre horizontale.
Dans ce cas, le point de connexion AE peut se verrouiller car la barre
horizontale A a déjà été mise sous tension
pour établir la connexion A-C.
Ce cas doit également être évité en effectuant
une mise hors tension de la barre horizontale A après le verrouillage
du point de croisement et en réalisant un agencement approprié
tel que le verrouillage soit maintenu même si la mise sous tension
dans le sens horizontal est effectuée par minute.
Le point de croisement reste verrouillé tant que la barre verticale
E reste sous tension.
Comme la barre horizontale A est désactivée immédiatement
après le verrouillage du point de connexion AC, le point de
connexion AE ne se bloque pas lorsque la barre verticale E est alimentée.
|

pigé ?
|
Cela se corse : On peut observer dans la première
matrice de commutation que différents points de commutation sont
utilisés pour établir une connexion entre deux abonnés
donnés, en fonction de qui initie l'appel.
Par exemple, lorsque l'abonné C souhaite appeler l'abonné
B, le point d'interconnexion CB est mis sous tension.
Par contre, lorsque B lance l'appel pour contacter C, le commutateur BC
est utilisé.
En concevant un mécanisme de contrôle approprié, un
seul commutateur peut être utilisé pour établir une
connexion entre deux abonnés, quel que soit celui qui lance l'appel.
Dans ce cas, la matrice de points croisés se réduit à
une matrice diagonale avec des commutateurs N2 / 2, comme le schéma
suivant :
.
 |
Les points de croisement dans la diagonale
relient les entrées et la sortie du même abonné.
Ceci n'est pas pertinent. Par conséquent, ceux-ci sont éliminés.
Le nombre de points de croisement se réduit alors à
N (N-1) / 2.
On peut rappeler que la quantité N (N-1) / 2 représente
le nombre de liens dans un réseau entièrement connecté.
Ainsi, la matrice de points de croisement diagonaux est entièrement
connectée.
La procédure d'établissement d'appel dépend ici
des abonnés source et de destination.
Lorsque l'abonné D lance un appel, sa barre horizontale est
activée en premier, puis la barre verticale appropriée.
|
Si l'abonné A lance un appel, la barre horizontale
de l'appelé est activée en premier, puis la barre verticale
de A.
Une matrice croisée diagonale est une configuration non bloquante.
Même N (N-1) / 2 commutateurs de point de croisement peuvent être
un très grand nombre à gérer dans la pratique.
Le nombre de commutateurs de points de connexion peut être réduit
de manière significative en concevant des configurations de blocage.
Ces configurations peuvent être des réseaux de commutation
à un ou plusieurs étages.

Le Double-Swing Bars : Mécaniquement la barre transversale
peut être optimale en connectant deux abonnés à une
seule barre et en laissant la barre tourner à la fois dans le sens
des aiguilles d'une montre et dans le sens inverse, fermant ainsi deux
contacts différents.
Avec un tel arrangement, le nombre de barres transversales diminue, alors
que le nombre de commutateurs de points de connexion reste le même.
Le nombre de barres verticales est inférieur au nombre d'abonnés
et détermine le nombre d'appels simultanés pouvant
être passés via le commutateur. C'est pas fini ça
se complique quand on va devoir dimentionner le centre fonction du trafic
à écouler, laissons ette partie pour les spécialistes.
A consulter un support de cours CROSSBAR
,
Par rapport aux anciens systèmes
rotatifs, seules les ressources strictement nécessaires
sont mobilisées par les organes nobles du commutateur. Il y a en
fait moins de gaspillage de ressource dans les systèmes crossbar
car il est très souple : une bonne partie des ressources peut être
utilisée tant quil reste suffisamment de points de connexions
disponibles à chaque étage dun commutateur ; ce qui
n était pas le cas dans les système rotatifs, car
dans ces anciens systèmes, dès quun contact du sélecteur
rotatif était mobilisé pour un abonné, cétait
alors lensemble du sélecteur qui était bloqué,
et qui ne pouvait plus servir à quiconque dautre !
- Cest pour cette raison que lon doive vraiment parler de
Multisélecteur dans le cas des systèmes crossbar, car chaque
Multisélecteur peut successivement et/ou simultanément établir
plusieurs connexions à la fois, au contraire des sélecteurs
des systèmes rotatifs qui ne sont que des sélecteurs simples
(quils soient à une seul mouvement rotatif, ou à deux
mouvements : rotatifs et ascensionnels) et qui ne peuvent établir
et maintenir, pour chaque sélecteur rotatif, quune seule
connexion à la fois !
- Les capacités détablissement et découlement
de trafic sont donc bien plus souples et bien plus importantes dans les
systèmes à barres croisées que dans les systèmes
rotatifs.
- Les communications sont aussi bien plus rapides à établir
car les multisélecteurs nont pas à « balayer
» les positions inutiles, tels que les systèmes rotatifs
sont contraints de le faire
Les abonnés sont connectés sur des Équipements de
Sélection de Lignes (ESL), tout comme le sont les abonnés
reliés aux commutateurs rotatifs. Mais désormais, avec l'avènement
des commutateurs électromécaniques à barres croisées,
ces équipements peuvent être déportés jusqu'à
quelques kilomètres du cur de chaîne du commutateur.
- Il s'agit là d'un autre progrès permettant de procéder
au retrait progressif des concentrateurs de lignes des zones éloignés
des villes importantes, en les remplaçant par des Équipements
de Sélection de Lignes Éclatés (ELE), permettant
de relier ces abonnés éloignés à un véritable
commutateur téléphonique ayant les mêmes capacités
d'écoulement de trafic que le service offert aux abonnés
des grandes métropoles.
sommaire
|
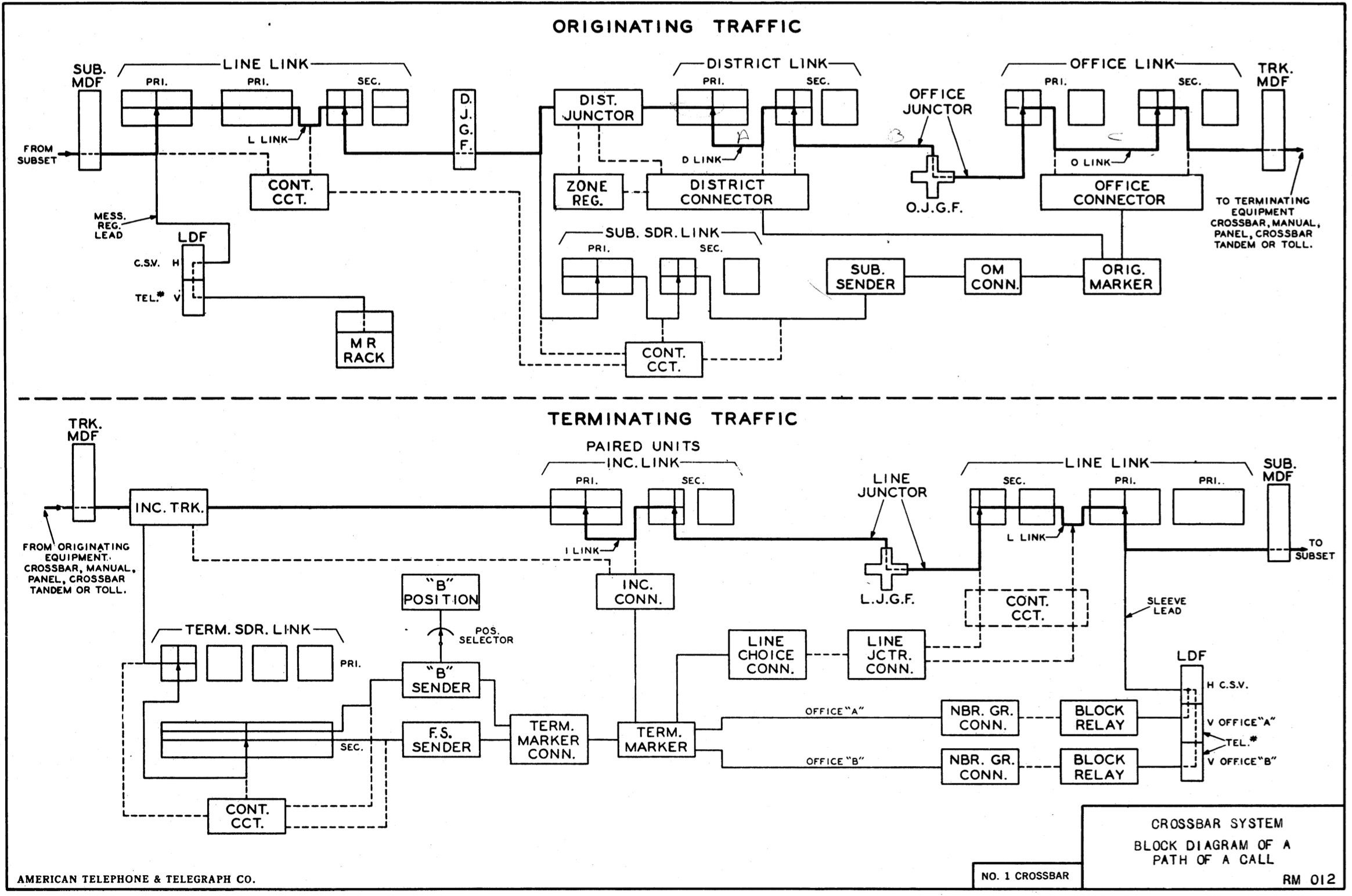
La disposition du Crossbar N°1 séparait
le trafic entrant et sortant en sections distinctes. Chaque section
avait ses propres éléments de contrôle centraux
appelés marqueurs . Le marqueur d'origine gérait le
routage des appels jusqu'à la ligne sortante, et le marqueur
de terminaison acheminait les appels depuis la ligne entrante jusqu'au
point de terminaison au niveau de la trame de liaison de ligne (LLF).
Notamment, cette conception signifiait que les appels inter-bureaux
étaient traités de la même manière que
les appels intra- bureaux. Aucune distinction n'était faite
entre les appels aboutissant dans le même bureau ou dans un
autre bureau Crossbar. Tout appel d'origine qui devait aboutir sur
la même machine passait par toute la section d'origine, puis
une ligne était sélectionnée vers la section
de terminaison, où les 4 ou 5 derniers chiffres du numéro
de téléphone étaient utilisés pour déterminer
l'emplacement de la ligne appelée.

L'architecture Crossbar n° 1 se compose d'une moitié
d'origine et d'une moitié de terminaison. Un appel intra-bureau
(depuis et vers le même bureau) s'étendra du début
du côté d'origine jusqu'à la fin du côté
de terminaison.
Malgré la division du système en deux moitiés
logiques, le Crossbar n° 1 plaçait toutes les lignes
d'abonnés sur l'une des plusieurs trames de liaison de ligne,
qui étaient utilisées à la fois pour l'origine
et la terminaison. Cela simplifiait l'administration et réduisait
le nombre de trames nécessaires, par rapport au système
de panneau précédent, où les lignes d'abonnés
étaient réparties entre des trames distinctes.
En plus du cadre de liaison de ligne, le 1XB était constitué
d'une série de cadres de barre transversale et de joncteurs
supplémentaires qui étaient utilisés pour l'achèvement
des appels. Les cadres « de liaison », y compris la
liaison de district, la liaison de bureau et la liaison entrante
, fournissaient la véritable structure de commutation qui
connectait les appels via la machine. D'autres cadres étaient
attachés aux cadres de liaison selon les besoins et fournissaient
des fonctions telles que la supervision, la signalisation et le
contrôle. Parmi ces cadres, on trouve notamment les joncteurs
de district , les émetteurs d'abonnés et les marqueurs
d'origine et de terminaison .
Les Marqueurs
Contrairement aux sélecteurs Panel
à entraînement par moteur et à embrayage, les
commutateurs crossbar utilisant le principe de liaison nécessitaient
des marqueurs d'origine et de terminaison pour trouver
un chemin de repos et configurer le train de commutation pour chaque
appel.
Un marqueur, étant un instrument de contrôle complexe
avec un temps de maintien court, avait pour tâche de décoder
les chiffres du numéro de téléphone à
sept chiffres pour déterminer le routage requis pour configurer
la matrice de commutation pour l'achèvement de l'appel. Les
premiers centraux crossbar utilisaient le commutateur crossbar selon
le principe du sélecteur, avec une entrée et généralement
100 ou 200 sorties, semblable à un commutateur pas à
pas . Le Crossbar n° 1 a été le pionnier du principe
de liaison, chaque commutateur individuel étant capable de
gérer autant d'appels téléphoniques qu'il avait
d'entrées ou de sorties, généralement dix.
Cette innovation a diminué le coût des commutateurs,
au détriment de commandes plus complexes. La complexité
des circuits a mis au défi l'art des dessins de circuits,
conduisant au développement de dessins de contacts détachés
, qui à leur tour ont conduit à l'application de l'algèbre
booléenne et des cartes de Karnaugh .
Dans un marqueur d'origine, un champ de connexion
croisée comportait un terminal pour chaque code de bureau
à deux ou trois chiffres. Un terminal de code de bureau particulier
était connecté à la bobine d'un relais de route.
Lorsque le point de code de bureau était mis à la
terre, il actionnait le relais de route, dont les contacts étaient
câblés dans un autre champ de connexion croisée
ou de données. Ces connexions croisées étaient
à leur tour utilisées pour activer les relais dans
le marqueur qui contrôlaient le traitement ou la gestion du
code de bureau composé. À l'aide de la sortie fournie
par son étage de décodage, le marqueur d'origine pouvait
sélectionner deux trames de liaison de bureau pour rechercher
des lignes inactives vers la destination. Une fois que le marqueur
d'origine avait établi un chemin vers le bureau appelé,
il renvoyait des informations pulsées à l'expéditeur
de l'abonné. L'expéditeur envoyait ensuite les chiffres
restants du numéro de téléphone appelé
au bureau de terminaison distant.
Dans un marqueur de terminaison, il y avait également
un champ de connexion croisée qui était utilisé
pour déclarer à quelles trames le marqueur devait
accéder afin de terminer l'appel vers la ligne souhaitée.
Les lignes d'abonnés étaient terminées à
des emplacements arbitraires sur la trame de liaison de ligne, et
il incombait au marqueur de terminaison de localiser la ligne et
de fermer les points de croisement requis pour connecter l'appel
à sa destination.
Lorsqu'un bureau était construit, fermé ou modifié,
le personnel des autres bureaux recevait une lettre d'acheminement
, ordonnant que les champs de connexion croisée soient modifiés
à une date et une heure particulières, généralement
après minuit, pour s'adapter au changement du réseau.
Les champs de connexion croisée de traduction tels que ceux-ci
ont été parmi les premiers à être convertis
des bornes soudées aux bornes à enroulement de fil
.
L'une des caractéristiques remarquables du marqueur d'origine
était l'avance de l'itinéraire : si toutes les lignes
étaient occupées, le marqueur actionnait un relais
d'itinéraire différent pour sélectionner un
itinéraire alternatif via un tandem. Cette fonction permettait
de maintenir des groupes de lignes de petite taille et de les charger
davantage en trafic, ce qui permettait de réduire les coûts
des installations extérieures .
Les Expéditeurs
Les centraux de Crossbar numéro
1 utilisaient des émetteurs et des récepteurs complexes
et polyvalents pour communiquer entre eux et avec d'autres centraux
de commutation. Lorsqu'un abonné décrochait son téléphone,
il était connecté à un émetteur d'origine
(également appelé émetteur de l'abonné
). Cet émetteur recevait et enregistrait les chiffres composés,
communiquait avec un marqueur d'origine pour établir le chemin
de l'appel, puis transmettait les chiffres composés au central
de terminaison dans le format requis. Dans de nombreux cas, les
centraux de Crossbar numéro 1 pouvaient avoir plus de 100
émetteurs d'abonnés, car chaque émetteur ne
traitait qu'un seul appel à la fois. Une fois l'étape
de configuration de l'appel terminée, l'émetteur revenait
à la normale et attendait d'être pris en charge par
un autre appelant.
Dans la moitié terminale du bureau crossbar, un circuit de
liaison d'émetteur terminal connectait un émetteur
terminal au tronc, afin de recevoir les informations de l'émetteur
d'origine. Cela se faisait généralement à l'aide
d'impulsions réversibles, comme dans le commutateur Panel.
Les émetteurs terminaux multifréquences ont été
introduits dans les années 1950 dans le cadre de la numérotation
directe à distance , et également utilisés
pour le trafic entrant en provenance de certains centraux crossbar
locaux. Une fois que l'émetteur terminal avait reçu
et stocké les chiffres du numéro de téléphone
appelé, il activait un marqueur de terminaison , qui utilisait
ensuite un circuit de groupe de numéros pour trouver la ligne,
marquait un chemin inactif et actionnait les commutateurs crossbar
pour utiliser les liaisons pour connecter le tronc entrant à
la ligne.
Le système d'impulsions réversibles utilisé
dans 1XB avait une fonction « High Five » grâce
à laquelle la sélection de « incoming brush»
pouvait être incrémentée de cinq. Ainsi, les
nouveaux numéros IB 6 à 10 désignaient un deuxième
groupe de dix mille numéros de téléphone, appelé
bureau « B ». Cela permettait à chaque section
entrante 1XB de gérer vingt mille lignes, tandis qu'un bureau
Panel utilisant le système d'impulsions réversibles
pouvait gérer un maximum de 10 000 lignes par bureau.
Les émetteurs à terminaison multifréquences
ont atteint le même objectif en acceptant un cinquième
chiffre pour distinguer les codes de bureau desservis par le même
bureau. Le marqueur d'origine a indiqué à l'expéditeur
de supprimer les deux premiers des sept chiffres dans ces cas. Parfois,
les deux codes de bureau avaient le même troisième
chiffre, auquel cas les trois premiers chiffres du bureau «
B » étaient supprimés et remplacés par
un seul chiffre, indiqué par AR pour Arbitrary, généralement
un zéro. Le potentiel de cinq chiffres entrants pour adresser
un bureau de 100 000 lignes n'a pas été exploité.
XBT Une version tandem du 1XB omettait la section
entrante et les cadres de liaison de ligne et remplaçait
les circuits de jonction par des lignes entrantes, ne laissant que
la possibilité de connecter ces lignes entrantes aux lignes
sortantes. Dans de nombreux cas, le commutateur tandem Crossbar
(XBT) résultant remplaçait un tandem Panel Sender,
car ses émetteurs multifréquences pouvaient recevoir
sept chiffres et certains étaient modifiés pour en
accepter dix. Parfois, il remplaçait également un
tandem Office Select, car ses émetteurs Revertive Pulse pouvaient
accepter les paramètres Office Brush et Group. Dans les grandes
villes, certains XBT étaient strictement des commutateurs
téléphoniques entrants de classe 4 , certains sortants,
quelques-uns bidirectionnels et certains uniquement pour le trafic
tandem dans la zone métropolitaine. La spécialisation
était moins marquée dans les zones moins denses. Les
XBT ont servi les compagnies de téléphone locales
jusqu'à la fin du 20e siècle, date à laquelle
ils ont été remplacés par des commutateurs
4ESS ou d'autres commutateurs numériques.
|
sommaire
Il subsistera deux systèmes Crossbar nettement distincts : le système
Suèdois et le système Amèricain.
Par la suite en Suède :
Lorsque les suédois furent informés sur les avantages du
système crossbar américain de Reynolds, les travaux
reprirent pour concevoir un système suédois similaire.
Un effort a été fait pour concevoir une nouveau système
qui aurait un faible coût, peu d'entretien ....
Cet effort s'est matérialisé dans un nouveau système
crossbar dénommé A204.
De 1930 jusu'aux années 1880, les centraux téléphoniques
automatiques furent construits en Suède par ERICSSON sur la base
de cette technique.
Plus de mille stations de ce type ont été fabriquées
et installées par Televerket au cours décennies suivantes.
La technologie de commutation crossbar a donc survécu en tant
que système pour les stations téléphoniques en Suède,
car elle est devenue la norme établie pour les stations de petite
et moyenne capacité . Ce fut de même dans beaucoup de pays.
sommaire
Le sélecteur à barre transversale dans sa forme moderne
est une invention suédoise datant de 1917-1918. Il a été
conçu à lorigine pour réduire le coût
du système de relais alors en vigueur. Lors d'un centre test sur
le système de relais à Stockholm pour 400 abonnés,
des sélecteurs crossbar
ont été installés pour certaines fonctions de connexion.
Les résultats de cette opération expérimentale ont
été encourageants à bien des égards. L'administration
télégraphique suédoise a consacré un travail
considérable au développement de systèmes à
sélecteurs à barres transversales. Le sélecteur crossbar
a été utilisé dans une large mesure comme sélecteur
décimal piloté pas à pas. De plus, les sélecteurs
ont trouvé un excellent emploi comme dispositifs d'enregistrement
dans les registres. Cependant, comme le sélecteur a pris une nouvelle
importance en tant qu'élément de connexion dans les centraux
téléphoniques avec des systèmes de circuits de dérivation,
une étude sera faite ici des installations de connexion les plus
courantes sur ces principes.
 
Fig. 1 Sélecteur Crossbar avec 10 ponts et 5 barres
La figure 2 montre sous forme de diagramme la banque de contacts dans
un sélecteur à barres transversales à 10 ponts. Les
lignes verticales représentent les ressorts de contact fixes sur
les ponts. Pour chaque pont, 10 ressorts de contact mobiles sont représentés.
Ainsi, pour actionner le 6ème groupe de contacts sur le 3ème
pont, la barre aimantée 6 est d'abord excitée et la 3ème
barre tourne dans un sens. Son fil indicateur 6 se trouvera alors sous
le 6ème groupe de ressorts sur tous les ponts. Lorsque le pont
magnétique 3 est excité, le fil indicateur est fermement
saisi sous le groupe de ressorts qui est actionné.
La barre magnétique peut alors se libérer, après
quoi la barre revient à sa position d'origine.
Le fil indicateur est toujours maintenu par l'aimant du pont excité
et le groupe de contacts 36 reste actionné tant que l'aimant du
pont est excité.
Le sélecteur à barres transversales est donc constitué
d'un certain nombre d'unités de sélection de relais, les
ponts, qui sont mis en place par un dispositif commun, les barres avec
leurs aimants. Le fonctionnement d'un groupe de contacts dans le sélecteur
est très rapide car il suffit d'exciter un barreau magnétique
suivi de l'excitation d'un aimant en pont.
Pour chaque pont, jusqu'à 5 groupes de contacts peuvent être
actionnés simultanément. La limitation est due au fait que
de chaque paire de groupes de contacts, seul un groupe peut être
actionné, car le même fil indicateur (dans les deux positions
de la barre) est utilisé pour les deux groupes de contacts. Toutefois,
en général, un seul groupe de contacts par pont est alimenté
dans le sélecteur.
Un pont comportant 10 groupes de contacts fonctionne comme un sélecteur
à 10 lignes. En augmentant le nombre de groupes de contacts à
12 et en les doublant du nombre de contacts établis, le pont peut
fonctionner comme un sélecteur de 20 lignes. Le sélecteur
crossbar aura alors six barres. En actionnant l'une des cinq barres ordinaires
du sélecteur, on sélectionne la paire de lignes à
laquelle appartient la ligne à laquelle le sélecteur doit
être contacté. Au moyen de la 6ème barre, la partie
supérieure ou inférieure des groupes de contacts du sélecteur
est connectée. La ligne souhaitée dans la paire sélectionnée
sera ainsi connectée. La 6ème barre sélectionne ainsi
les dizaines dans le sélecteur 20. On peut donc dire qu'il sélectionne
le niveau du sol, voir Fig. 3. La barre supplémentaire peut être
remplacée par un relais pour chaque pont, qui commute entre l'ensemble
de contacts inférieur et supérieur.

Principes généraux de connexion
Dans les échanges avec des systèmes de circuits shuntés,
le réglage des sélecteurs est vérifié par
des dispositifs communs à un ou plusieurs étages de sélecteur,
appelés marqueurs. Les parties numériques et non numériques
du réglage du sélecteur se réfèrent entièrement
aux marqueurs. Les marqueurs traitent une connexion à la fois.
Ils tiennent compte des voies de connexion libres disponibles pour la
connexion concernée, sélectionnent l'une d'entre elles,
la sélection s'effectuant selon certaines règles définies,
et effectuent la connexion en actionnant les aimants du barreau et du
pont des boîtiers sélecteurs sur lesquels la connexion à
acheminer, est effectuée. Les sélecteurs n'effectuent ainsi
aucune sélection ni chasse lorsqu'ils travaillent.
Comme les dispositifs de réglage des sélecteurs sont entièrement
concentrés sur les marqueurs, seuls ces équipements peuvent
être reliés à la voie de connexion nécessaire
aux fonctions intervenant après le réglage des sélecteurs,
telles que l'alimentation en courant, la sonnerie, la comptabilisation
des appels, etc. Cet équipement peut être situé à
l'endroit de la voie de contact où la meilleure utilisation des
appareils est assurée.
Principes de base du regroupement de sélecteurs
Dans un sélecteur de barre transversale 10-bridge ordinaire où
la multiplication entre les ponts dans le sens de la barre est effectuée,
chacun des ponts peut être connecté à l'une quelconque
des lignes, comme dans la figure ci dessous.
Fig. 4. 
La barre transversale fonctionne donc dans ce cas comme dix 10 sélecteurs
de ligne. Le banc de liaison représenté par les sélecteurs
à barres transversales peut évidemment prendre n'importe
quelle forme souhaitée, par exemple en allongeant les entrées,
lorsque plusieurs ponts sur une même entrée sont connectés
en parallèle. La capacité du sélecteur sera alors
un multiple de 10. De même les sorties (multiples) seront communes
pour tout nombre souhaité de ponts. Dans le cas extrême,
on obtiendrait 10 ponts par entrée et 100 sorties et on disposerait
alors d'un sélecteur directement utilisable dans un système
décimal.
En connectant deux sélecteurs de pièces (ponts) en série
selon le principe de base utilisé dans les connexions décrites
ci-dessus, on forme un système de sélection avec une capacité
de ligne égale au carré de la capacité des sélecteurs
de pièces utilisés.
Avec des ponts à 10 lignes, on obtiendrait alors une capacité
de 100 lignes et avec des ponts à 20 lignes, une capacité
de 400 lignes dans le système de sélection.
Fig. 5 
La figure 5 montre comment les sélecteurs sont regroupés
dans une telle connexion ; Les sélecteurs 10 sont ici utilisés
comme unités.
Les sélecteurs sont divisés en deux groupes, les sélecteurs
primaires et les sélecteurs secondaires.
La connexion est donc établie par deux étapes de sélection,
Étape A et étape B. Le pas A (comme le pas B) est constitué
de 100 sélecteurs d'unités qui sont assemblés 10
et 10 avec un multiplicateur commun. Dans les deux étapes, on obtient
donc dix sélecteurs crossbar à 10 ponts. Les entrées
sont reliées aux verticales (ponts) sur les sélecteurs à
barres transversales et les sorties aux horizontales. Les sorties se poursuivent
en liens jusqu'à la 5ème étape où elles rentrent
sur les verticales dans les sélecteurs. La connexion entre les
étapes A et B est donc effectuée de telle manière
qu'à partir de chaque sélecteur de l'étape A, un
lien va vers chaque sélecteur de l'étape B. Du sélecteur
A 0 donc un lien mène à B 0, un à B 1 et ainsi de
suite ; du sélecteur A I un lien vers B 0, un vers B 1 et ainsi
de suite. Du point de vue de l'ordre et de l'accessibilité, mais
sans signification autrement, il est pratique d'avoir les liens de A 0
se trouvant sur les verticales 0 dans les sélecteurs de l'étape
B, les liens de A 1 vers les verticales 1 dans l'étape B . étape
et ainsi de suite. Les sorties de létape B constituent les
sorties de tout le processus de connexion.
Il est évidemment possible de relier chacune des entrées
du système de sélection à chacune des sorties. On
prend alors le lien qui mène du sélecteur primaire concerné
au sélecteur secondaire où se situe la sortie. Le système
de sélection aura alors une capacité correspondant à
100 sélecteurs décimaux de 100 lignes. Si le sélecteur
crossbar est utilisé comme sélecteur décimal à
100 lignes, il faudra donc dans ce cas 10 X 100 = 1000 ponts. Dans le
système de sélection selon la figure 5, seuls 10 X 1 0 X
2 = 200 ponts sont nécessaires. Avec le processus de connexion
proposé, le nombre de sélecteurs de pièces a donc
été réduit à l/5. Il faut cependant noter
que ces sélecteurs ne sont pas indépendants les uns des
autres mais on obtient un blocage interne au système dû aux
liaisons entre les étages A et 5 permettant une seule connexion
entre chacun des sélecteurs primaires et chaque étage. des
sélecteurs secondaires.
Le processus de connexion représenté sur la figure 5 est
symétrique pour chaque sélecteur en ce qui concerne les
entrées et les sorties. On peut donc permettre aux entrées
et aux sorties de changer de place sans aucune altération dans
la nature du processus de connexion.
Le procédé de connexion décrit permet un multiplication
traversante sur respectivement 10 et 20 ponts. Des connexions par fil
nu peuvent être utilisées ici, ce qui n'est pas possible
dans les systèmes de sélection à barre transversale
dans les systèmes à entraînement direct lorsque les
multiples contacts des ponts dans un sélecteur à barre transversale
ont des sorties connectées individuellement.
La véritable nature du processus de connexion de base apparaîtra
peut-être plus clairement si chaque sélecteur de pièces
est désigné par les symboles habituels des sélecteurs.
Fig 6 a 
Le processus de connexion représenté sur la figure 5 aura
alors l'apparence représentée sur la figure 6a.
On notera qu'une certaine entrée qui est connectée à
un sélecteur de partie dans l'étape A sur son multiple peut
obtenir une connexion avec l'un quelconque des 10 sélecteurs dans
une ligne verticale dans l'étape B. Chacun de ces sélecteurs
a accès à 10 sorties. De cette manière, chaque sortie
a la possibilité d'accéder à l'une des 100 sorties.
Néanmoins, le lien entre les marches A et B, par lequel une sortie
libre peut être atteinte, peut être bloqué par une
connexion prolongée et il se produira alors un blocage interne.
Il est donc important que le processus de connexion soit exécuté
de manière à ce que le risque d'un tel blocage soit faible.
La sélection dans les étapes A et B est donc effectuée
comme sélection restreinte, ce qui signifie qu'un sélecteur
A ne peut être connecté qu'à un sélecteur B
ayant accès à une sortie libre. Comme on le verra dans ce
qui suit, d'autres mesures sont également prises pour réduire
le blocage interne afin que son influence soit légère. Néanmoins,
il est incontestable qu'un tel processus de connexion n'atteint pas la
même efficacité qu'une sélection ordinaire avec une
accessibilité totale et qu'il faut augmenter légèrement
le nombre de dispositifs de connexion pour arriver à la capacité
du sélecteur ordinaire à gérer le trafic.
La méthode de désignation évoquée ci-dessus
implique des figures assez compliquées et peut avantageusement
être remplacée par la méthode de désignation
simplifiée suivante, qui donne les mêmes informations mais
facilite la présentation de différents groupements.
En cela, la désignation o pour le courant d'appareil ou
de circuit dans la pratique du télétrafic est prise comme
base. Dans le cas où le dispositif est constitué d'un sélecteur
d'unité (pont), il est muni d'un repère indicateur o- ou
avec un tiret au dessus, ou à gauche, la direction du repère
pointant vers l'endroit du schéma où se trouvera le multiple
du sélecteur. Un certain nombre de sélecteurs qui ont le
même multiple sont alignés les uns avec les autres, par ex.
o-. o- o-, et le commun multiple se trouvera dans le sens .
Le processus de connexion illustré sur la figure 5 est dessiné
sur la figure 6b avec ce nouveau symbole. L'étape A4 dans ce cas
comprend 100 sélecteurs d'unité répartis en 10 rangées
verticales de 10 sélecteurs chacune. Chacune de ces rangées
verticales correspond au sélecteur à barre transversale
de la figure 5. Les appareils connectés aux multiples de 4 appareils
sont constitués des sélecteurs d'unité de l'étape
B. Dans cette étape, chaque rangée horizontale, comprenant
10 sélecteurs d'unité, est équivalente au sélecteur
à barres transversales de la figure 5. De chaque verticale en A,
on obtient ainsi une connexion avec un sélecteur d'unité
dans chaque horizontale en B. Les sorties de l'étape B se trouvera
à droite sous forme de 10 lignes pour chacune des horizontales.
Les sélecteurs du pas .B seront par rapport aux sélecteurs
du pas A seront à un angle de 90°.
Connexions du sélecteur de groupe
Si le processus de connexion de base est utilisé comme connexion
de sélecteur de groupe, une sortie vers chaque itinéraire
est retirée de l'étape B à partir de chaque sélecteur
de barre transversale.

Sur les figures 7 et 8, il y a donc un total de 10 itinéraires
avec 10 circuits dans chaque itinéraire.
Avec un tel processus de connexion, nous obtenons un équivalent
aux sélecteurs du type Strowger qui offre bien entendu la possibilité
de sélectionner sur 10 itinéraires avec 10 sorties chacun.
Par rapport au processus conventionnel de connexion du sélecteur
de groupe, il existe une différence : dans la première sélection
(dans l'étape A), le circuit de l'itinéraire est sélectionné
tandis que dans l'autre (dans l'étape B), l'itinéraire lui-même
est sélectionné. Les deux sélections sont effectuées
simultanément dans le marqueur.
Le processus de connexion de base utilisé comme sélecteur
de groupe est appelé connexion de circuit intermédiaire.
Si ce processus de connexion est construit avec 10 sélecteurs,
on obtient comme unité naturelle une connexion pour 100 lignes ;
Toutefois, si l'on utilise 20 sélecteurs, les unités naturelles
pour la connexion seront de 400 lignes.
Pour une répartition symétrique des lignes par rapport aux
itinéraires dans l'étape A, le nombre naturel d'itinéraires
sera respectivement dans les deux cas de 10 et 20. Comme la fonction numérique
du processus de connexion est entièrement dirigée vers les
marqueurs, un nombre illimité d'itinéraires peut cependant
être emprunté. Comme le blocage interne au système
augmente à mesure que le nombre de routes augmente, le nombre de
routes auxquelles on peut accéder dépendra essentiellement
du trafic qui tombe aux entrées du circuit intermédiaire
de connexion. Dans les cas ordinaires, le nombre naturel de routes n'est
pas dépassé. Pour tout autre nombre d'itinéraires,
l'objectif devrait être d'essayer de répartir les sorties
de la marche B aussi uniformément que possible sur les différents
itinéraires. Les itinéraires peuvent également être
de tailles différentes, ce qui serait le cas, par exemple, si dans
une direction il y avait des circuits de jonction vers d'autres centraux.
Dans la connexion du circuit intermédiaire, les sélecteurs
de l'étape B peuvent être divisés et les ponts qui
sont connectés à un certain sélecteur de l'étape
A peuvent être réunis à la place. De cette manière,
des unités plus petites constituées d'un sélecteur
A et d'un sélecteur B sont formées, qui sont séparées
des autres sélecteurs dans les connexions. On n'aura alors pas
de multiplication dans le sens barre dans les B-sélecteurs mais
chaque sélecteur a toutes les sorties dans son multiple.
La connexion du circuit intermédiaire n'est pas liée aux
unités naturelles de 100 ou 400 lignes mais peut être réalisée
dans n'importe quelle taille souhaitée.
Fig. 9
La figure 9 montre une connexion de circuit intermédiaire pour
60 lignes et 4 itinéraires.
À partir d'une connexion de sélecteur A, on obtient deux
ou un ponts dans chaque sélecteur dans l'étape .B. Lors
de l'augmentation du nombre de circuits dans une telle unité de
connexion intermédiaire incomplète, il faut modifier la
répartition des liaisons entre les étapes A et B. Les sorties
du raccordement n'en sont affectées qu'indirectement dans la mesure
où les nouvelles sorties doivent évidemment être affectées
aux différents itinéraires.
Cela peut nécessiter une redistribution des lignes sur les différentes
lignes, surtout si comme c'est souvent le cas le nombre
de lignes est en même temps augmenté.
Les différentes lignes d'un itinéraire peuvent être
traquées et occupées sans discernement. On obtient alors
une répartition approximativement aléatoire de l'occupation
des liens entre les étapes A et B. Il y a cependant moins de blocage
dans la connexion si une chasse ordonnée est introduite. Les sorties
de l'étape B seront alors par exemple occupées de telle
manière que les sorties d'un sélecteur inférieur
dans l'ordre des nombres devraient être occupées avant les
sorties des sélecteurs avec des nombres plus élevés.
Par occupation dans l'ordre, les conditions sont créées
pour réaliser une graduation entre les différentes unités
du circuit intermédiaire. Une telle graduation, par exemple, serait
souhaitable lorsque plusieurs unités de circuit intermédiaire
ont des sorties, par exemple vers un autre central. Même pour les
itinéraires internes, la graduation peut être justifiée
dans la mesure où les appareils sont enregistrés lors des
étapes de sélection successives. Les règles ordinaires
de raccordement des graduations devraient s'appliquer également
aux sorties graduées des circuits intermédiaires.
Une connexion de circuit intermédiaire ordinaire est réalisée
avec un nombre égal d'entrées et de sorties. Par rapport
à une connexion classique avec sélecteur de groupe, il y
a dans ce cas une différence certaine, car celle-ci comporte toujours
plus de sorties que d'entrées. La connexion ordinaire du sélecteur
de groupe est donc en elle-même extrêmement étendue.
Elle est cependant rendue moins étendue, voire moins concentrée,
par le raccordement partiel des sorties qui s'effectue dans les graduations.
Il est parfois nécessaire d'étendre ou de concentrer les
connexions du circuit intermédiaire ordinaire. Dans ce cas, une
expansion devrait avoir lieu à l'étape A, tandis que la
concentration devrait avoir lieu à l'étape B, car de cette
manière, les blocages internes restent faibles.

La figure 10 montre une connexion de circuit intermédiaire se dilatant
dans un rapport de 1 : 2, l'expansion étant entièrement
confinée à l'étape A.
Dans le but d'augmenter l'utilisation, par exemple des lignes de jonction,
on peut introduire une étape spéciale de commutation de
ligne secondaire après l'étape du circuit intermédiaire.
La commutation de la ligne secondaire peut être réalisée
entièrement ou partiellement conformément à ce qui
est habituel dans les systèmes à entraînement direct.
Fig 11
La figure 11 montre une telle connexion sous forme de schéma. Les
sorties de l'étape B sont dans ce cas dirigées directement
vers les lignes des itinéraires ou vers des commutateurs de lignes
secondaires qui, dans leurs multiples, ont accès à d'autres
lignes dans les itinéraires. Les sélecteurs de l'étape
secondaire ne doivent être occupés que si aucun chemin praticable
n'est trouvé directement vers les sorties de l'itinéraire
de l'étape B. Comme les commutateurs de ligne secondaire sont réglés
sur la même vitesse que les sélecteurs A et B, la disposition
sera presque la même que celle des commutateurs de ligne secondaire
avec préréglage sur ligne libre dans le système conventionnel.
Lorsque seul un petit nombre de routes est disponible, il est possible
de combiner une connexion de sélecteur de groupe ordinaire et une
connexion de circuit intermédiaire. Certaines des sorties du pas
A, qui sont ensuite recherchées et occupées en premier lieu,
sont dirigées directement vers les itinéraires, tandis que
le reste est relié via un pas B avec des circuits dans les itinéraires.
Fig. 12 
La figure 12 montre une telle connexion pour 6o lignes et 3 itinéraires.
Le sélecteur de l'étape ^ a un accès direct à
un circuit dans chaque itinéraire, tandis que les autres circuits
des itinéraires sont atteints via l'étape B. Dans ce contexte,
l'étape B a la même fonction par rapport à l'étape
.-/- que l'étape de commutation de ligne secondaire a la même
fonction par rapport à l'étape B de la figure 11.
La connexion de base utilisée comme sélecteur de groupe
offre ainsi les mêmes facilités du point de vue regroupement
que les sélecteurs de groupe de type classique.
Connexions pour l'étape Abonné
Les connexions utilisées dans les étapes de recherche et
de sélection finale sont toutes des variantes de la connexion de
base. Comme la connexion s'effectue en deux étapes, les étapes
de recherche et de sélection finale peuvent être combinées
en une seule étape commune, l'étape d'abonné.
Le sélecteur le plus proche des lignes d'abonné (l'étape
A) sera alors utilisé pour les deux sens de trafic. Le trafic est
divisé en trafic entrant et sortant dans les sélecteurs
de la connexion. En rendant l'étape A entièrement commune,
les sélecteurs de cette étape sont mieux utilisés,
ce qui est important car les sélecteurs utilisés ont une
petite capacité. En moyenne, on obtient ainsi une économie
de matériau de 25 % lors de l'étape A. En outre, l'avantage
est que les multiples d'abonnés ne se trouvent qu'à un seul
endroit du central.
Comme base de division pour les regroupements dans l'étape d'abonné,
on peut prendre la forme de l'exécution des dispositifs .-/-step.
Par rapport à la ligne d'abonné, le sélecteur A est
connecté comme présélecteur ou chercheur d'appel.
Dans le premier cas, chaque ligne d'abonné se voit attribuer un
pont. Dans cette dernière alternative, une ligne d'abonné
est reproduite en multiples sur un certain nombre de ponts.
Lorsque chaque ligne d'abonné possède un pont, la connexion
reçoit un regroupement tel que celui représenté sur
la figure 13.
Fig. 13 
La connexion coïncidera évidemment plus près avec la
connexion du circuit intermédiaire représentée sur
la figure 8, où les sorties sont réparties sur deux itinéraires.
Cependant, normalement, l'étape d'abonné doit également
concentrer le trafic des lignes d'abonné vers les appareils relativement
peu nombreux nécessaires à cet effet avec un dimensionnement
normal. Cette concentration seffectue à la fois dans les
étapes A et 5. Le nombre de sorties d'un groupe SLV avec cette
disposition sera évidemment entièrement régi par
la capacité des sélecteurs utilisés. S'il y a 10
sélecteurs à la fois dans l'étape A et dans l'étape
B, 100 sorties du groupe seront obtenues. Si au contraire 20 des sélecteurs
sont utilisés, le nombre de sorties sera de 400. Dans les deux
cas, celles-ci peuvent être réparties entre les sens de circulation
entrant et sortant de la manière souhaitée.
La taille du groupe est caractérisée par le nombre de sorties
de celui-ci. C'est pourquoi on place dans le groupe autant d'abonnés
que le trafic que ceux-ci reçoivent et envoient en moyenne assurera
la charge de trafic souhaitée des sorties. Dans l'étape
A, le nombre de lignes dans chaque rangée verticale (colonne, figure
13) sera déterminé par le trafic que peuvent supporter les
liaisons communes (10 ou 20) vers l'étape B. Le nombre de colonnes
doit cependant toujours être le même, car il sera déterminé
par le facteur de concentration dans l'étape B, qui dépend
à son tour de la relation entre la capacité de traitement
du trafic des liaisons entre les étapes A et . Les marches B et
les sorties. L'augmentation ou la diminution du nombre de lignes dans
le groupe se fait en ajoutant ou en supprimant des lignes dans les différentes
rangées verticales. L'insertion des sélecteurs A dans l'étape
d'abonné en tant que présélecteurs implique donc
que la taille du groupe d'abonnés soit fixée de manière
à ce qu'une certaine constante pour le trafic/groupe d'abonnés
soit atteinte. De cette manière, la numérotation dans le
central n'a aucun lien direct avec le regroupement, ce qui constitue un
inconvénient du point de vue de la maintenance et de la surveillance.
Les groupes d'abonnés seront assez grands avec la connexion
décrite sur la figure 13, réalisée avec 10 sélecteurs
dans les deux étapes, 500 à 1 000 abonnés/groupe
de sorte que la connexion ne convient qu'aux grands centraux. De
plus, le matériel utilisé dans l'étape A, au moins
si le trafic/ligne d'abonné n'est pas très important, sera
proportionnellement important. D'autre part, il est possible de réaliser
une économie sur les relais de coupure de ligne d'abonné,
car ceux-ci sont remplacés par des ponts magnétiques.
Si l'étape J est effectuée avec les sélecteurs connectés
comme chercheurs sur les lignes d'abonné, on obtiendra le regroupement
des appareils selon la Fig. 14.
Fig. 14 
Chaque rangée horizontale de l'étape A dessert 10 ou 20
lignes d'abonné, selon à la capacité du pont utilisé.
Les sélecteurs B sont connectés aux sélecteurs .^
de telle manière qu'il y ait dans le multiple du sélecteur
B un sélecteur .-/- pour chaque 10 (20). Le groupe d'abonnés
prendra avec cette exécution une certaine taille naturelle, à
savoir 100 lignes à 10 sélecteurs et 400 lignes à
20 sélecteurs. Les sélecteurs de niveau B peuvent être
répartis à volonté pour les deux sens de circulation.
Toutefois, en principe, la division doit être effectuée conformément
à la figure 14, le long d'une ligne de division au moins principalement
horizontale et dans la direction indiquée sur la figure. Une ligne
de séparation verticale dans l'étape B entre les appareils
pour les deux sens de circulation signifierait que le trafic, même
dans l'étape A, serait à sens unique, étant donné
qu'une partie des sélecteurs .B est alors exclusivement utilisée
pour le trafic sortant tandis que le reste est mis en service pour le
trafic entrant..
Tant dans létape A que dans létape B, il y a
une certaine concentration. La concentration dans l'étape B doit
être approximativement constante pour un trafic d'abonné
variable. L'occupation par appareil dans l'étape A augmente avec
un blocage constant, en fonction du nombre d'appareils par sous-groupe.
Dans le même temps, le nombre de sorties dans l'étape B est
augmenté de sorte que l'ensemble du groupe de sélecteurs
B soit augmenté. On peut alors dans ce cas également augmenter
l'occupation par appareil.
Les règles de chasse et d'occupation dans les démarches
d'abonnés de ce type nécessitent une attention particulière.
Pour qu'un agencement selon la figure 14 fonctionne avec le moins de blocage
possible, il faut veiller à ce que l'on obtienne approximativement
la même occupation de toutes les colonnes dans l'étape B.
Ceci est réalisé en effectuant une occupation circulante
des appareils dans l'arrêt A. Le premier appel de tout le groupe
occupe les appareils de la colonne 1, le deuxième appel les appareils
de la colonne 2 et ainsi de suite. Si la connexion ne peut pas être
établie dans la colonne qui se trouve à son tour, elle passe
à la suivante en numéro supérieur et ainsi de suite.
L'occupation et la chasse des appareils se font donc toujours dans le
même ordre, mais le point de départ de la chasse avance d'un
pas à chaque nouvel appel dans le groupe. Le même effet peut
être obtenu en faisant en sorte que dans chaque sous-groupe de l'étape
B l'occupation dans un certain ordre soit individuelle pour le groupe.
En répartissant ainsi le trafic de manière égale
sur les colonnes de l'étape B, on réduit la probabilité
d'un blocage dû au fait que les sorties libres de l'étape
A n'ont pas accès aux appareils libres de l'étape B, tout
en les appareils libres dans l'étape B n'ont pas d'appareils libres
dans son multiple dans le sous-groupe concerné.
Si les appareils de l'étape A sont occupés dans le même
ordre dans tous les sous-groupes, disons dans l'ordre 1 à 5, il
y aura normalement un regroupement de 1 des occupations dans la colonne
I de l'étape B, tandis que les occupations des étapes suivantes
les colonnes seront naturellement progressivement plus petites. Il devrait
alors être naturel d'adapter le regroupement des échelons
B à la répartition professionnelle habituelle.

La figure 15 montre un exemple d'un tel regroupement dans l'étape
B. Dans la colonne 1, où l'occupation est la plus importante, il
y a 10 appareils, 8 dans la colonne 2 et ainsi de suite jusqu'à
la colonne 5 où seulement 2 appareils ont été installés.
Le regroupement dans l'étape B sera donc basé sur un modèle
similaire. idée qui a conduit aux graduations ordinaires. La répartition
des dispositifs de cette manière a donc été désignée
par étape B graduée.
L'étape B graduée avec occupation dans l'ordre donnera probablement
à peu près le même blocage qu'une étape B avec
une répartition uniforme des appareils (et du trafic) sur les différentes
verticales, mais elle présente l'inconvénient que les multiples
de l'étape B être de longueurs différentes. La répartition
uniforme des appareils permet également d'obtenir des marqueurs
plus simples.
Dans ce qui précède, il a été supposé
que l'étape A est construite avec des multiples droits, c'est-à-dire
que chaque ligne d'abonné des dizaines et des vingtaines se voit
attribuer un certain nombre de ponts et les lignes vers ces ponts sont
disposées de la même manière dans les différents
ponts. De cette manière, on obtient la possibilité de réaliser
une connexion à fil nu dans les multiples ponts. Dans le but d'arriver
à un lissage des variations de trafic entre les différents
sous-groupes (10 ou 20) constituant un groupe d'abonnés, il est
possible d'insérer les multiples d'abonnés de différentes
manières dans les différents dispositifs de l'étape
A. De tels multiples sont désignés conformément à
la figure 16 avec les signes d'appareil ordinaires mais avec des traits
indicateurs inclinés par rapport aux directions multiples.
Le multiplication est dite « transposée » et l'exécution
est visible sur la Fig. 17. La figure montre une multiplication transposée
pour 500 lignes pour 5 sélecteurs.

Dans tous les sélecteurs, les numéros d'abonnés ayant
le même chiffre unitaire sont tous compris sur le même numéro
de barre. Les lignes sont comprises dans le sélecteur 1 de la manière
habituelle, avec les dizaines prises pour ponter 0, les dizaines 1 pour
ponter 1 et ainsi de suite. Dans le sélecteur 2 un décalage
des lignes a été introduit pour que le pont 0 comprenne
les lignes 00, 11, 22, 33, 44, 05, 16, 27, 38, 40, 1 ponte les lignes
10, 21, 32, 43, 04 , 15, 26, 37, 48, 49 et ainsi de suite. Dans le sélecteur
3 le pont 0 a les lignes 00, 21, 42, 13, 34, 05, 26, 47, 18, 39, dans
le sélecteur 4 les lignes 00, 31, 12, 43, 24, 05, 36, 17, 48, 29
et dans le sélecteur 5 les lignes 00, 41, 32, 23, 14, 05, 46, 37,
28, ig. Il y a ainsi rassemblés dans chaque sélecteur autant
que possible des lignes sur les différents ponts qui n'ont pas
de ponts communs dans les autres sélecteurs. On en obtient un bon
lissage des variations d'intensité du trafic entre les différentes
dizaines.
Cette connexion peut être considérée comme une graduation
idéale.
L'avantage par rapport à l'exécution avec multiple simple
est toutefois quelque peu réduit par le fait que lors du calcul
du blocage avec multiple simple, il faut tenir compte de la probabilité
que les nouveaux appels dans les petits groupes d'abonnés considérés
10 ou 20 lignes diminuent avec l'occupation du groupe. De
plus, la transposition implique une complication en termes de recherche
de fautes, car le marqueur sera plus compliqué et l'étape
A ne pourra pas être effectuée avec une multiplication directe.
Une exécution alternative de la transposition serait
plus adéquatement décrite comme une « torsion ».
Dans ce cas, les multiples d'abonnés dans les différents
sélecteurs voient leurs directions modifiées 90°, 45°
et 135°, avec pour effet dans le premier cas que les deux barres transversales
changent de place et dans le second cas que les lignes soient alignées
avec les diagonales. dans la configuration multiple originale comme points
de départ.
Lorsqu'il y a transposition dans l'étape A, il faut, pour bénéficier
de tous les avantages de la transposition, faire une chasse d'ordre. Cela
signifie qu'il faut avoir obtenu un diplôme en 5 étapes.
La graduation en 5 étapes ne sera cependant pas la même que
si l'on avait un multiple droit, car un déplacement des appareils
vers les rangées verticales auparavant situées dans le sens
de chasse doit avoir lieu.
Dans le but de sauvegarder des appareils dans l'étape -B, l'étape
.-/- peut être partiellement dirigée. On obtient alors un
schéma de connexion selon la figure 18.

L'étape d'abonné comprend des sélecteurs pour le
trafic sortant, entrant et bidirectionnel. Les sélecteurs sortants
sont connectés directement aux jeux de relais du circuit de connexion
(GV 1), tandis que les entrants sont directement placés dans le
sélecteur de groupe multiple. Les sélecteurs bidirectionnels
reçoivent pour le sens du trafic sortant une étape de sélection
OV, qui est commune à un certain nombre de groupes d'abonnés.
Pour le trafic entrant, les sélecteurs bidirectionnels dans SLV
sont placés dans le multiple lors de l'étape de sélection
BV.
La figure 19 montre le regroupement dans l'étape d'abonné.
Les deux premiers appareils de chaque sous-groupe transportent respectivement
uniquement le trafic entrant ou sortant, tandis que les quatre derniers
transportent le trafic dans les deux sens. Les appareils de l'étape
SLV sont connectés selon une graduation selon la figure. Les appareils
recherchés en premier ont une capacité = au groupe d'abonnés
et transportent du trafic à sens unique ; ceux qui suivent
le processus de chasse ont la même capacité mais une circulation
dans les deux sens. Viennent ensuite les appareils à double capacité
et enfin les appareils à capacité égale à
5 fois la capacité de base. En raison du nombre relativement important
d'appareils nécessaires pour obtenir une bonne graduation, cette
connexion ne peut être utilisée que lorsque le trafic par
ligne d'abonné est élevé.
La construction du centre
Les centraux constitués de sélecteurs crossbar sur le système
de circuit de dérivation sont constitués d'une étape
d'abonné et d'un certain nombre d'étapes de sélection
de groupe. Le nombre d'étapes de sélection de groupe est
déterminé par la capacité souhaitée pour l'échange.
Si 10 sélecteurs sont utilisés et que SLV A est utilisé
comme chercheur, la taille du groupe d'abonnés sera de 100 et le
nombre naturel de routes pour la connexion du circuit intermédiaire
sera de 10. On obtiendra alors, comme avec les systèmes décimaux
ordinaires , une capacité de 1 000 lignes pour une étape
de sélection de groupe, 10 000 lignes pour deux étapes de
sélection de groupe, etc. Avec 20 sélecteurs, le groupe
d'abonnés sera de 400 lignes et le nombre naturel de routes dans
la connexion du sélecteur de groupe sera de 20. La capacité
augmentera ensuite avec des puissances de 20, à mesure que d'autres
étapes de sélection de groupe seront ajoutées. Avec
une étape de sélection de groupe, la capacité sera
de 8 000 lignes, avec deux étapes de 160 000 lignes.
Lors de la connexion de la dernière étape de sélection
de groupe à l'étape d'abonné, les blocages internes
présents dans l'étape de sélection de groupe collaboreront,
dans certains cas au moins, défavorablement avec les blocages internes
de l'étape d'abonné.
De cette façon, il y aura un blocage supplémentaire. Dans
le but de supprimer ce blocage supplémentaire, on insère
entre le dernier étage de sélection de groupe et l'étage
d'abonné un étage de sélection non numérique,
constitué d'un pont de sélection à barres transversales
par sortie, qui produit une accessibilité totale ou quasi totale
entre le groupe. les sorties du sélecteur et les entrées
des marches de l'abonné.
Comme il y a une recherche d'ordre dans l'étape de sélection
de groupe, la commutation secondaire peut éventuellement être
rendue partielle, les sorties de l'étape de sélection de
groupe qui sont occupées en premier sont dirigées directement
vers les sélecteurs J5 de l'étape d'abonné (ligne
pointillée sur la figure 20). Il n'est évidemment pas nécessaire
d'introduire des commutateurs secondaires pour le trafic sortant, car
le circuit de connexion sur lequel l'appel arrive n'a aucune importance.
Pour une raison similaire, il est également inutile de connecter
des interrupteurs secondaires entre les sélecteurs de groupe.

La figure 21 montre un exemple d'un schéma de distribution pour
un central avec une étape d'abonné et deux étapes
de sélection de groupe (également un commutateur secondaire).
Les registres sont connectés via un chercheur aux liaisons entre
l'étape d'abonné et GV 1. Le commutateur secondaire est
inséré entre GV 2 et l'étape d'abonné. Lorsqu'un
abonné appelle, il est connecté via SLV A, SLV B et l'appareil
de recherche de registre à un registre. L'enregistreur émet
la tonalité et reçoit le numéro que l'abonné
compose. Lorsque le numéro entier a été composé,
la connexion est établie à partir de la liaison utilisée
entre l'étape d'abonné et le GV 1 vers l'abonné recherché.
Les ensembles de relais pour l'alimentation en courant des abonnés,
la sonnerie, la comptabilisation des appels, etc. (ensembles de relais
de circuit de connexion) peuvent être installés à
n'importe quel endroit de la chaîne de connexion. Il est conseillé
de les placer là où le plus petit nombre est requis, par
exemple entre GV 1 et GV 2. Sinon, le chemin de connexion ne contient
pas de jeux de relais mais uniquement des aimants de maintien pour les
ponts qui sont mis en service comme relais de ligne et de coupure.
Enregistrer les appareils connectés
Le commutateur crossbar est utilisé depuis longtemps pour connecter
les registres aux circuits de connexion, par exemple, dans les systèmes
à 500 sélecteurs. Pour cela il est habituel d'équiper
chaque registre d'un interrupteur crossbar de 100 lignes dans le multiple
duquel ont été placés les circuits de connexion.
Chaque centaine de circuits de connexion a alors reçu un groupe
de registres commun.
Le commutateur crossbar convient parfaitement comme dispositif de connexion
de registre car il fonctionne rapidement et peut recevoir un nombre illimité
de pôles. L'utilisation de matériel sera cependant assez
considérable si chaque registre doit être équipé
d'un commutateur crossbar. En réalisant le dispositif de connexion
de registre en deux étapes, on peut obtenir une économie
appréciable de matière et d'espace.

Un exemple d'une telle connexion est illustré par la figure 22.
Un groupe de circuits de connexion de 100 SNR est desservi par un groupe
de registres de 8 à 12 registres. Dans l'exemple sélectionné,
chaque sous-groupe de 10 circuits de connexion aura accès à
trois appareils à l'étape -t! du chercheur de registre.
Les appareils de l'étape 5 sont connectés en permanence
aux registres et sont répartis en trois groupes, correspondant
aux trois appareils que possède chaque circuit de connexion à
10 groupes dans l'étape A. La connexion doit être faite de
telle manière qu'une charge uniforme sur les différents
groupes de registres soit obtenue, ce qui entraînera le moindre
blocage dans la connexion. On obtient ainsi une économie d'environ
65 % en matière de matériel pour le dispositif de connexion
des registres. Si l'on souhaite encore économiser davantage dans
les registres, 200 circuits de connexion peuvent être assemblés
en un seul groupe, le diagramme ayant alors l'apparence montrée
sur la Fig. 23.
En principe, l'étape B fonctionne dans la connexion sur deux étapes
B connectées côte à côte. côté
selon la Fig. 22.
Échanges de lignes automatiques
Les commutateurs Crossbar conviennent particulièrement bien comme
dispositifs de connexion dans les centraux automatiques en raison de leur
bonne fiabilité de contact, de leur rapidité et du fait
qu'un nombre illimité de pôles peut être disposé.
Ces centraux devraient être construits pour un blocage relativement
faible, car les lignes qu'ils desservent sont coûteuses. De plus,
le trafic est toujours élevé sur les lignes car toujours
bien utilisées. En matière de regroupement, les échanges
se construisent selon le principe du circuit intermédiaire, généralement
en plusieurs étapes. Pour obtenir un faible blocage, les circuits
intermédiaires sont rendus très expansibles. Il est également
possible d'insérer dans la connexion des échelons de sélection
supplémentaires qui ont le caractère de commutateurs secondaires
sans être liés à un itinéraire particulier.
Ces commutateurs secondaires
peut être lié à léconomie dans une large
mesure.
Un exemple de configuration d'un central interurbain partiellement desservi
par l'opérateur est présenté sur la Fig. 24.

Le trafic interurbain initié dans le central local est supposé
ici être géré par les opérateurs qui disposent
des circuits de connexion SNR. Le central local est atteint via les étapes
de sélection G et H. L'accès aux circuits interurbains se
fait via les étapes de sélection F, E, (D), C, B, A. L'opérateur
peut également établir des appels de transit, pour lesquels
le la route entre G et E est utilisée. L'adaptation aux charges
des différents itinéraires de trafic peut être obtenue
par une connexion appropriée des sorties de l'étape de sélection
C. Le nombre d'étapes de sélection dans un tel central dépendra
principalement de la capacité de ligne du central.
Le commutateur crossbar a également trouvé un emploi dans
la connexion de répéteurs de circuits à cordon dans
les échanges interurbains manuels et automatiques. Chaque répéteur
se voit alors attribuer un sélecteur pour ses deux côtés
de connexion. Ces sélecteurs doivent avoir une capacité
égale au nombre de lignes qui doivent être amplifiées.
Dans ce cas également, il est possible de réaliser une économie
considérable de dispositifs de connexion en disposant les dispositifs
de connexion en deux étapes. Des principes similaires à
ceux appliqués pour l'appareil de connexion de registres sont alors
appliqués.
sommaire
En 1945, un modèle nouveau de Swedish Televerket
de ERICSSON a été installé, ce qui a permis
d'augmenter la capacité du commutateur du modèle A204, en
voici la description publiée en 1945 dans la revue Ericsson.
Aux USA :
Vers le milieu des années 1920, les coûts élevés
de fabrication, d'installation et d'entretien des commutateurs PANEL
continuaient d'être étudiés par AT
& T pour les grandes villes, mais les chercheurs n'ont pas
été en mesure de produire une conception plus rentable.
Alors, en 1930, W. R. Mathies,
de la division de recherche et développement d'AT & T, maintenant
connue sous le nom de Bell Telephone Laboratories, se rendit en
Suède et y vit les sélecteurs CROSSBAR
utilisés dans les centres ruraux.
Convaincu que de tels sélecteurs pourraient être adaptés
à de grands commutateurs, Mathies a fait reprendre le travail
à son groupe.
Après avoir rejeté l'idée de simplement remplacer
les sélecteurs Panel existants, ils ont développé,
à partir de 1934, un commutateur à barres transversales,
entièrement nouveau pour usage urbain ,
le crossbar n° 1. 1XB d'ATT
Les deux premiers commutateurs crossbar sont entrés en service
en 1938 à New York.
Ces caractéristiques rendent le commutateur très adaptable,
facile à modifier pour les nouvelles applications et l'ajout de
périphériques pour de nouvelles fonctionnalités.
Ainsi, il s'est avéré facile pour Bell Labs d'adapter le
commutateur crossbar pour l'utiliser comme premier commutateur automatique
dans le réseau longue distance. Un bon exemple ATLANTA,
de l'évolution du téléphone aux USA, est racontée
sur le site Web
Atlanta Telephone History.
En 1943
Le premier crossbar longue distance, à barre transversale
n ° 4, a été installé à Philadelphie
en Pennsylvanie .
Quatre supplémentaires ont été installées
dans d'autres zones métropolitaines au cours des cinq années
suivantes.
Nouvelles versions du commutateur crossbar: Bell Labs a également
réaménagé le système à barre transversale
en centre plus petit pour être utilisé dans les banlieues
et autres zones non urbaines, où il a remplacé les anciens
centres Strowger pas à pas.
Ce nouveau commutateur, la barre transversale
n ° 5, est entré en service à Media,
en Pennsylvanie, en 1948 et a été le premier à
être conçu et installé avec un prétraducteur
intégral pour la numérotation des appels longue distance.
Retardés par la Seconde Guerre mondiale, plusieurs millions de
lignes urbaines 1XB ont été installées à
partir des années 1950 aux États-Unis
Au cours des années suivantes, le système Bell a déployé
des centres no 5 et aussi des versions pour dautres pour des compagnies
de téléphone indépendantes. Des pré-traducteurs
ont également été ajoutés aux n ° 1.
Le crossbar n° 1 est resté largement cantonné aux
États-Unis,
Les laboratoires Bell ont repensé le système
pour en faire un commutateur plus petit, le n°5, destiné aux
centraux de banlieue et autres centraux non urbains, où elle remplaçait
les commutateurs pas à pas. Ce nouveau commutateur, la barre transversale
n° 5, a été mis en service à Media, en Pennsylvanie,
en 1948. Il a été le premier à être conçu
et installé avec un pré-traducteur intégré
pour la composition des appels longue distance. Le premier appel longue
distance composé par un client aux États-Unis a été
effectué en 1951 entre un téléphone relié
à une nouvelle barre transversale n° 5 à Englewood,
dans le New Jersey, et un autre à Alameda, en Californie. Au cours
des années suivantes, le système Bell a largement déployé
les barres transversales n° 5, et des versions ont été
produites par d'autres pour des compagnies de téléphone
indépendantes. Des pré-traducteurs ont également
été ajoutés aux systèmes n° 1.
La conception du n° 5 s'est avérée avoir un intérêt
considérable dans le monde, et, à partir du milieu des années
1950. les fabricants partout dans le monde ont commencé à
produire leurs propres Commutateurs crossbar adaptés des modèles
américains.
Dans les années 1970, il était clair que les jours du commutateur
électromécanique étaient comptés, car en 1965,
AT&T avait installé le premier commutateur électronique,
l'ESS
(Electronic Switching System) n°1, dans un central local à
Succasunna, dans le New Jersey. (L'ESS n°1 était un commutateur
électronique analogique ; les commutateurs téléphoniques
numériques sont arrivés plus tard.) Comme ses opérations
n'impliquaient aucun mouvement mécanique, les commutateurs électroniques
étaient plus rapides et plus faciles à entretenir. Et comme
les commutateurs électroniques étaient essentiellement des
ordinateurs à usage spécial, ils étaient plus flexibles
et pouvaient permettre des fonctionnalités avancées telles
que l'appel en attente. Mais au cours de sa longue histoire, les commutateurs
électromécaniques automatiques, en réduisant les
coûts, en diminuant les besoins en main-d'uvre et en augmentant
l'efficacité, ont joué un rôle majeur en faisant du
téléphone une technologie largement répandue, presque
omniprésente.
sommaire
Commutateurs Crossbar Ericsson ARF et ARM
ARF An LME type crossbar
exchange for local area switching.
ARK An LME type of crossbar exchange for small exchanges. Maximum
size is 2000 lines.
ARM An LME type of crossbar exchange equipped with four wire
switching for secondary and higher switching centres.

|
Ericsson, a livré les systèmes AGF
(en principe le même système piloté par machine
qu'en Suède, mais avec une division différente du
multiple), ARF (système de sélection de coordonnées
pour les grandes stations), ARK (système de sélection
de coordonnées pour les stations rurales), ARM (stations
de transit et distantes avec sélecteur de coordonnées),
AKF (système de sélection de code pour les
stations locales et de groupe de réseau), ARE (système
ARF modernisé avec registre électronique) AKE
(système de sélection de code contrôlé
par ordinateur pour les grandes stations de transit) et le système
AXE actuel.
En Finlande La première installation ARF au monde
a été mise en service à Helsinki en
1950, lorsque le réseau devait être étendu
et que Siemens n'était pas encore en mesure de fournir des
équipements en raison de la Seconde Guerre mondiale.
Un réseau national automatique à distance a été
construit sous les auspices de l'État, principalement dans
les années 1960 et 1970, avec une prédominance
de stations distantes de type ARM 20 d'Ericsson.
Le système électromécanique le plus important
du pays en termes de nombre de lignes était sans aucun doute
l'ARF/ARE, avec au plus environ 845 000 lignes installées
réparties sur environ 200 centraux téléphoniques.
Le système ARF était disponible en deux variantes
principales, le système ARF 50 utilisé à
Helsinki sans registres centraux et avec une tension de fonctionnement
de 60 V, qui pouvait coopérer directement avec le système
entraîné pas à pas, et le système ARF
10, qui avait des registres centraux et une tension de fonctionnement
de 48 V. Différentes variantes utilisaient la signalisation
de boucle décadique rapide, la signalisation de code instantanée
et la signalisation de code à tonalité forcée
(MFC).
Les centraux téléphoniques électromécaniques
ont disparu dans les années 1990 lorsqu'ils ont été
remplacés par des systèmes numériques. La dernière
station terminale ARK avec sélecteurs de coordonnées
a probablement été mise hors service à Kurikka
en Ostrobotnie dans la zone Vasa Läns Telefon Ab le 2 juin
1999
.
En 1950, la société suédoise
Ericsson a développé ses propres versions des
systèmes pour le marché international.
Au début des années 1960, les ventes de commutateurs
à barre transversale de la société ont dépassé
celles de l'autre système Ericsson rotatif LME
500, en termes de nombre de lignes.
Sélecteur (Tekniska
musée)
En Grande Bretagne Les centraux d'essai installés
à Templestowe, dans l'État de Victoria, et à
Sefton, en Nouvelle-Galles du Sud, utilisaient un modèle
appelé ARF 51, fonctionnant comme un système
pas à pas utilisant des commutateurs crossbar.
En Australie L'offre de LME pour le crossbar
comprenait des centraux terminaux ARF, des centraux de petite
ligne ARM série 50, des centraux de grande ligne ARM
série 20, des centraux de petite ligne ARK (M)
et, apparemment ajoutés pour répondre aux besoins
spécifiques de l'APO, des tandems ARF et des centres mineurs
ARK. Les blocs de commutation de tous ces types de centraux étaient
utilisés depuis un certain temps, principalement avec des
techniques de signalisation CC et dans des réseaux à
registres contrôlés, mais, bien que LME évoluât
vers la signalisation MFC, les détails n'étaient pas
encore finalisés. L'APO et le LME, utilisant initialement
des ressources suédoises, puis développant ensuite
une expertise considérable en Australie, ont collaboré
au développement des versions MFC de la barre transversale.
Le résultat a été un système parfaitement
adapté aux besoins australiens, doté de la flexibilité
nécessaire pour satisfaire aux exigences d'autres pays. Au
cours de ce processus, le système a subi d'importantes modifications.
Les propositions comprenaient une version d'ARF pour les
réseaux des capitales, une autre pour les centraux de grands
pays, ARK pour les centraux de plus petite taille et ARM
pour la commutation interurbaine.
Ces types de centraux crossbar utilisent des relais et des commutateurs
similaires, mais diffèrent considérablement en termes
de techniques de jonction et de contrôle internes. L'ARF
51 n'a pas été utilisé, et aucun autre central
de ce type ne sera acheté.
Le central d'essai de Toowoomba est un modèle appelé
ARF 10, utilisant un registre central et un code D0 pour
la signalisation interne à haut débit. Ce modèle
a été modifié pour intégrer une méthode
de signalisation à haut débit utilisant un code de
fréquence multivoie, et tous les futurs équipements
destinés à l'Australie incluront une signalisation
multifréquence entre les registres, et entre les registres
et les ensembles de contrôle de marqueurs.
Deux types de centraux ARK sont utilisés en Australie :
(voir le document)
L'ARK 51 est conçu sous la forme d'une unité
de 30 lignes. Il peut être étendu de 30 unités
supplémentaires jusqu'à un maximum de 90 lignes.
L'ARE 52 a une capacité initiale de 100 abonnés
et peut être étendu à 2 000 abonnés.
Ces centraux sont conçus pour un fonctionnement normal avec
un central parent ARM où les registres de contrôle
sont centralisés. Cependant, un fonctionnement avec d'autres
types d'équipements de central parent est possible.
Il existe deux types de centraux ARM : l'ARM 50 pour
les petites installations et l'ARM 20 pour les très
grands centres de commutation.
Un développement considérable était nécessaire
pour répondre aux besoins des APO, et LME et l'APO ont joué
un rôle important dans ce processus.
Afin d'acquérir une première expérience avec
les équipements crossbar, un contrat a été
attribué pour l'installation d'un central ARF 101 avec signalisation
CC à Toowoomba, dans le Queensland, où les problèmes
d'interfonctionnement seraient limités. Il a été
mis en service en 1960, trois ans avant la mise en service du premier
central ARF 102 avec signalisation MFC en mai 1963. Le nouveau
système ARF était codé ARF102 et, bien qu'il
ait été développé à partir du
type ARF101, il était à bien des égards
un système nouveau.
Les principales modifications étaient les suivantes :
- Fourniture d'un fil supplémentaire (fil UHE 'C') via les
sélecteurs de groupe pour fournir un chemin de signal entre
FIR et FUR et permettre aux ensembles de relais d'être réglés
en fonction du type de connexion.
- Éliminer le délai de sonnerie de la partie B défini
par LKR en ajoutant cette fonctionnalité aux ensembles de
relais FIR et SR.
- Offrir beaucoup plus de capacité d'analyse et transférer
l'analyse de l'étape Reg-L à l'étape IGV.
- Ajout d'une fonction « place d'attente » à
l'IGV afin de réduire les délais après numérotation.
- Ajout d'une fonction d'envoi décadique au Reg-L et au Reg-I
au lieu de fournir un registre de conservation du signal (Reg-U)
à l'interface étape par étape.
- Produire une étape IGV différente avec une plus
grande flexibilité dans l'allocation de disponibilité
et des installations de routage alternatives plus étendues
- Augmentation du nombre de fréquences arrière de
trois à cinq, permettant 10 signaux différents.
- Conception du code de signalisation MFC pour permettre les signaux
supplémentaires nécessaires à l'analyse dans
l'étape GV et la signalisation décadique à
partir des registres. Deux nouvelles configurations d'étape
SL ont été fournies pour les abonnés à
très haut débit d'appel et un marqueur d'étape
SLK plus rapide a été développé.
Fin 1963, les conceptions achevées en Australie
comprenaient des centraux terminaux ARF pour les réseaux
métropolitains et ARK-D pour les centraux nationaux jusqu'à
environ 1 400 lignes. Les centraux nationaux plus importants pouvaient
utiliser l'ARF métropolitain et, bien qu'une conception moins
élaborée pour les zones rurales ait été
prévue, ce n'était pas un besoin urgent. La priorité
de conception fut alors donnée à l'ARM, et en particulier
aux parties de celui-ci devant établir un STD complet depuis
les capitales. L'Administration avait précédemment
exprimé son intérêt pour un sélecteur
de groupe à trois niveaux pour une plus grande disponibilité
et les travaux de développement nécessaires furent
entrepris localement, avec une contribution majeure de NMH Smith.
Initialement, il était prévu d'utiliser l'ARM pour
tous les centres de commutation interurbains, à l'exception
de quelques petits centres mineurs pour lesquels une conception
ARK523 avait été proposée. Au fur et à
mesure de l'avancement de la conception de l'ARM, le coût
initial augmenta considérablement et des alternatives furent
recherchées pour les petits centres mineurs, notamment l'étude
de l'ARK523, mais sa capacité de trafic limitée se
révéla inadaptée. Lattention a ensuite
été portée sur la possibilité dutiliser
lARF comme centre mineur, en sappuyant sur un centre
secondaire de lARM pour entreprendre les tâches plus
complexes.
...
|
|
INSTALLATIONS PILOTES DE CENTRAUX
ARK CROSSBAR
En 1959, la Poste australienne a adopté le
système crossbar fourni par L. M. Ericsson de Stockholm,
en Suède, comme future norme pour les centraux départementaux
australiens. Ce système utilise trois principaux types d'équipements
de commutation automatique :
Il existe l'ARM pour les principaux centres de commutation interurbains,
l'ARP pour les centraux métropolitains et les grands centraux
nationaux, et l'ARK pour les centraux nationaux plus petits.
Chaque type est subdivisé en fonction des applications. Par
exemple, parmi les équipements ARK, on trouve les centraux
ARK 511, ARK 521 et ARK 523.
Le plus petit central ARK est l'ARK 511, qui dispose d'une capacité
maximale de 90 lignes d'abonnés et de sept jonctions, tandis
que l'ARK 521 compte 2 000 lignes d'abonnés et environ
130 jonctions, selon les besoins du trafic local.
L'ARK 511 et l'ARK 521 sont des centraux terminaux sans possibilité
de commutation de transit.
Cependant, cette possibilité est offerte. Dans l'équipement
ARK 523, qui combine un ARK 521 et un étage de commutation
de transit.
Cet article décrit les équipements ARK 511 et ARK
521.
Il sera notamment fait référence à un central
ARK 511 installé à Reeves Plains
et à un central ARK 521 installé à Gladstone,
tous deux en Australie-Méridionale. Le central de Gladstone,
d'une capacité initiale de 300 lignes, a été
mis en service le 30 novembre 1963. Il s'agissait du premier central
ARK mis en service en Australie. Ces deux centraux ont été
installés par le personnel technique du ministère :
l'ARK 511 dans un petit bâtiment transportable à ossature
bois et à revêtement métallique, et l'ARK 521
dans un bâtiment permanent en maçonnerie.
FONCTIONNEMENT DE L'ARK
Généralités
Dans le système crossbar de L.M. Ericsson, utilisé
à l'étranger, les centraux ARK 511 et ARK 521 sont
des centraux terminaux des centres de groupe ARM ou ARK 523.
Dans ce système, tous les appels provenant du central terminal
sont établis par des registres centraux du centre de groupe.
Un code multifréquence (M.F.C.) est utilisé pour signaler
au central terminal ARK si le numéro requis est disponible.
Le central ARK est donc équipé d'un équipement
de réception et de connexion de codes, mais aucun registre
n'est requis pour établir un appel. Il est toutefois courant
de fournir des registres locaux (REG-L) qui servent de registres
de débordement pour accepter les appels provenant de l'ARK
vers les numéros disponibles de l'ARK, lorsque toutes les
jonctions vers le centre de groupe sont occupées. Deux REG-L
peuvent être installés sur un ARK 511 et jusqu'à
sept sur un ARK 521.
L'un des problèmes fondamentaux de l'introduction de ce type
de central ARK en Australie résidait dans le fait que les
centraux ARK devaient interagir avec les centraux automatiques à
commutation pas à pas existants, dépourvus de registres
centraux. Comme l'ARK ne pouvait pas le faire avec un système
de numérotation fermé, une modification de conception
était nécessaire.
Deux possibilités se présentaient :
I. Laisser l'équipement ARK inchangé et concevoir
un registre central adapté à un central automatique
à commutation pas à pas.
2. Laisser les centraux pas à pas intacts et modifier
l'équipement ARK.
L'A.P.O. a décidé d'adopter la seconde solution pour
les centraux initiaux, qui seraient installés avant la mise
en service des centraux ARM 50 ou ARK 523. Les négociations
entre l'A.P.O. et L.M. Ericsson ont abouti à la conception
d'un nouveau type de registre discriminant REG-D, qui serait installé
au central terminal ARK.
Ce nouveau registre conserve les fonctions du REG-L, c'est-à-dire
qu'il gère les connexions locales si toutes les jonctions
vers le central parent automatique sont occupées, mais dispose
en plus de fonctionnalités permettant de distinguer les appels
locaux des appels destinés au central parent automatique.
Si l'appel est destiné à un abonné local, le
REG-D déconnecte immédiatement la jonction, enregistre
les informations relatives aux chiffres locaux et organise l'établissement
de l'appel local. Avec un commutateur parent ARM 50, tous les chiffres
seraient reçus par le commutateur parent et les informations
relatives au numéro local seraient renvoyées à
l'ARK avec MFC. Tous les centraux ARK actuellement installés
en Australie sont équipés de REG-D. Les équipements
de réception de codes et les REG-L ne sont pas utilisés.
Dans un commutateur crossbar, il est important de minimiser la durée
de maintien de l'équipement commun. Des dispositifs de temporisation
et de verrouillage de ligne sont prévus pour empêcher
le maintien de cet équipement. En général,
un commutateur ARK ne comporte qu'un seul marqueur, qui peut être
utilisé plusieurs fois pour établir un appel. Cet
équipement se déconnecte automatiquement d'une boucle
de maintien en 2 à 3 secondes. Le REG-D se libère
temporairement si la numérotation n'est pas terminée
dans les 90 secondes.
Si un appel est passé vers un abonné ou une jonction
occupée, le REG-D se libère temporairement après
cinq secondes. Certains autres relais se libèrent également
après un délai prédéterminé.
Le verrouillage de ligne est une condition appliquée à
la ligne d'un abonné lorsque l'équipement maintenu
par l'abonné se libère.
La boucle de maintien est déconnectée de l'équipement
et une tonalité de nouvelle tentative est envoyée
à la ligne de l'abonné.
Interfonctionnement avec d'autres centraux
Le central terminal ARK 511 REG-D peut être relié soit
à un central automatique, appelé « central
à occupation avancée », soit à un
central manuel. Le central ARK 521 REG-D peut disposer de quatre
routes directes vers des centraux automatiques ou manuels, en plus
de son unique central automatique à occupation avancée.
Le terme « occupation avancée » s'applique
au central automatique distant, car tous les appels provenant du
central ARK occupent une jonction vers ce central lorsque l'abonné
décroche son combiné. La tonalité est transmise
du central à occupation avancée à l'abonné
appelant, dont les informations numériques sont ensuite répétées
à la jonction et au REG-D du central ARK.
Le terme « route directe » désigne
les autres centraux qui peuvent interagir avec le central terminal
ARK. Avant qu'un abonné ARK puisse être connecté
à une jonction à routage direct, il doit composer
un indicatif à un ou plusieurs chiffres. Le REG-D établit
ensuite une nouvelle connexion entre l'abonné appelant et
la jonction souhaitée. Si le central à routage direct
est automatique, une seconde tonalité est émise depuis
ce central, indiquant que la numérotation peut commencer.
Si le central à routage direct est manuel, une sonnerie retentit
jusqu'à ce que l'opérateur réponde.
Si un central ARK interagit uniquement avec des centraux manuels,
la tonalité est transmise par le REG-D plutôt que par
le central à occupation avancée. Le REG-D reçoit
l'indicatif initial du central souhaité et établit
une nouvelle connexion entre l'abonné appelant et la jonction
souhaitée. Lorsque le central ARK est connecté à
un autocommutateur automatique à occupation avancée,
tous les chiffres composés par un abonné de l'ARK
sont répétés vers ce central ; l'abonné
appelant compose donc uniquement le numéro d'entrée
de l'abonné automatique. De même, si le central à
occupation avancée a accès à d'autres autocommutateurs
automatiques, par exemple dans un réseau métropolitain,
l'abonné ARK peut être commuté en tandem par
le central distant vers n'importe quel abonné du réseau
en composant uniquement le numéro d'entrée. Toutefois,
si une connexion est requise entre l'ARK 521 et un autocommutateur
automatique à voie directe, l'abonné ARK 521 doit
composer un préfixe et attendre une seconde tonalité
du autocommutateur automatique à voie directe avant de composer
le numéro d'entrée de l'abonné souhaité.
Les appels entrants du central automatique
d'occupation avancée vers l'ARK ne peuvent être dirigés
que vers un abonné de l'ARK et non via l'équipement
ARK vers des jonctions directes.
Seuls les derniers chiffres du numéro d'annuaire sont requis
par le central ARK pour établir un appel du central d'occupation
avancée vers un abonné ARK.
· Les chiffres précédents du numéro
d'annuaire peuvent être utilisés ou absorbés
avant la prise de la jonction vers l'ARK.
Les appels sur les routes directes vers le central ARK ne peuvent
être dirigés que vers les abonnés ARK.
Deux modes de fonctionnement sont possibles. Pour les appels entrants
d'autres centraux automatiques sur FIR-L-N, seuls les derniers chiffres
du numéro d'annuaire sont requis par le central ARK pour
établir l'appel, de la même manière que pour
les appels provenant du central d'occupation avancée. Lors
d'un appel provenant d'un autre autocommutateur sur un poste relais
manuel FDR-L-M, le numéro d'annuaire complet doit être
composé dans l'autocommutateur ARK. Dans ce cas, l'abonné
appelant dans l'autocommutateur d'origine doit composer suffisamment
de chiffres de préfixe pour obtenir une jonction avec l'autocommutateur
terminal ARK, puis attendre la tonalité avant de composer
le numéro d'annuaire complet de l'abonné de l'autocommutateur
ARK. Cette deuxième méthode doit être utilisée
pour les appels sur des routes directes depuis les autocommutateurs
ARK, car dans ce cas, le temps nécessaire pour obtenir une
jonction avec l'autocommutateur terminal ARK peut être supérieur
à celui autorisé par la pause internumérique.
De même, un autocommutateur manuel reçoit la tonalité
de l'autocommutateur ARK avant que l'opérateur ne compose
le numéro d'annuaire complet de l'abonné souhaité.
Les codes d'accès et les routes associés au central
ARK 521 de Gladstone sont présentés à la figure
1.
Dans ce réseau, Laura est le central automatique à
occupation avancée. Ainsi, les abonnés de Gladstone
qui appellent Laura composent les numéros d'annuaire de Laura.
De même, les abonnés de Laura composent les numéros
d'annuaire de Gladstone, mais les abonnés de Gladstone et
de Wirrabara qui s'appellent par la route directe doivent préfixer
leur numéro d'entrée d'annuaire par le préfixe
81.
Dans ce système de jonction, une fonction supplémentaire
de débordement est prévue pour les appels de Gladstone
vers Wirrabara. Wirrabara étant également accessible
depuis Laura, les appels seront acheminés de Gladstone vers
Wirrabara via les sélecteurs Laura si toutes les jonctions
de la route directe sont occupées.
Fig. 1 Inter-exchange
Access de Gladstone ARK 521.
ÉQUIPEMENT ARK 511
Présentation de l'équipement
Étage sélecteur SL : Le central
a une capacité initiale de 30 lignes d'abonnés, extensible
par unités de 30 lignes, jusqu'à un total de 90 lignes.
Un central de 30 lignes est équipé d'un commutateur
à barres croisées SL1, avec 10 lignes verticales et
30 lignes horizontales.
Le fonctionnement d'un commutateur à barres croisées
Ericsson à 20 lignes horizontales a été décrit
par Strachan. Un commutateur à 30 lignes horizontales est
similaire, mais la position non utilisée de la barre HA/HB
est utilisée pour la connexion à un troisième
ensemble de contacts.
Les sorties des 10 lignes verticales sont multipliées horizontalement
afin que les équipements connectés à l'une
d'elles puissent être commutés sur l'une des 30 lignes
d'abonnés. Les 10 verticales (entrées) sont connectées
en permanence à des ensembles de relais de jonction (FDR),
des ensembles de relais de connexion locaux (SNR) ou des registres
de discrimination (REG-D), chacun d'entre eux pouvant être
commuté via SL1 vers n'importe quelle ligne d'abonné.
Les ensembles de relais SNR, FDR et REG-D sont appelés « appareils ».
Un central de 60 lignes comporte en outre deux commutateurs crossbar
SL2 et SL3.
Les sorties des verticales des commutateurs sont multipliées
horizontalement, de sorte que chaque unité de 30 lignes d'abonnés
ait accès à 15 verticales. Les verticales sont également
multipliées verticalement pour fournir 15 entrées
pour la connexion aux SNR, FDR et REG-D.
La multiplication des verticales est parfaitement illustrée
par le « diagramme du poulet » également
décrit par Strachan (5). Le regroupement des commutateurs
pour les centraux ARK de 30, 60 et 90 lignes est illustré
à la figure 2.
Fig. 2.-Grouping
Plans for ARK 511 for ~0-60-90 Lines.
On constate que le central de 90 lignes dispose des commutateurs
supplémentaires SL4 et SL5, dont 15 verticaux sont multipliés
horizontalement et verticalement selon le schéma de regroupement
de 60 lignes. Dans ce cas, il reste 15 entrées, chacune pouvant
être commutée vers l'une des 90 lignes d'abonnés.
Relais de ligne d'abonné LR/BR/BLR :
Il s'agit d'un ensemble de trois relais pour chaque ligne d'abonné,
qui appelle le marqueur pour établir un appel ou envoie une
tonalité de nouvelle tentative en cas de verrouillage de
ligne.
Marqueur M : Cet ensemble de relais contrôle
la sélection d'un chemin et établit une connexion
via l'étage SL entre un abonné et un appareil. Il
s'agit de l'équipement le plus complexe utilisé dans
le central. Il ne peut y avoir qu'un seul M par central.
Circuit de connexion local (SNR) : Il s'agit
du relais utilisé pour connecter deux abonnés lors
d'une communication locale. Il est constitué d'un pont de
transmission : un côté A et un côté
B, auxquels sont respectivement connectés l'abonné
appelant et l'abonné appelé. Le SNR occupe deux verticales :
une pour le côté A et l'autre pour le côté
B. Un central 511 peut accueillir jusqu'à six SNR.
Ensembles de relais de jonction FDR, FIR, FUR :
Ils permettent détablir des appels entre lARK
511 et son central parent. FDR indique un fonctionnement bidirectionnel,
FUR sortant de lARK et FIR entrant vers lARK. Les jonctions
vers les centraux manuels magnéto, manuels CB (batterie centrale)
et automatiques nécessitent différents types densembles
de relais FDR, FIR et FUR.
(a) FDR-L-N, FIR-L-N et FUR-L-N sont utilisés sur les jonctions
vers un central automatique.
(b) FDR-V-M est requis sur les jonctions vers un central manuel
magnéto.
(c) FDR-L-M est utilisé sur les jonctions vers un central
manuel CB. (Dans lARK 521, FDR-L-M est également utilisé
sur les jonctions à acheminement direct vers les centraux
automatiques).
Connecteur de recherche de registre RS : Il organise
les connexions entre un FDR, un FIR ou un FUR-L-N et le REG-D pour
tous les appels dans le cas dun central ARK 511 avec autocommutateur
automatique doccupation avancée.
Registre de discrimination REG-D : Ce relais
peut être connecté via une ligne de jonction ou directement
à létage SL. Il permet de distinguer les appels
locaux des appels sortants. Il stocke les chiffres locaux et établit
les connexions avec labonné ARK appelé.
PBX, AX et LFR : Il sagit de relais divers.
Le PBX permet la connexion des abonnés PBX, lAX permet
dattribuer aux abonnés différentes classifications
si nécessaire et le LFR est le relais dalarme.
Dispositions de commutation - ARK 511
Transfert vers un central manuel.
Appels dorigine : Lorsquun abonné
décroche son combiné, le marqueur M (Fig. 3)
est pris. M identifie l'abonné et exploite les lignes horizontales
correspondant à sa position dans le multiple SL. Simultanément,
M recherche un REG-D libre. Si un REG-D libre est trouvé,
M établit la connexion entre l'abonné et le REG-D
en exploitant la verticale SL associée au REG-D. La boucle
de l'abonné retient le REG-D, qui renvoie la tonalité.
M libère. Si aucun REG-D libre n'est trouvé, M est
libéré après quelques secondes et exploite
la ligne de l'abonné, qui renvoie alors la tonalité
de nouvelle tentative. L'abonné est alors bloqué en
ligne et le restera jusqu'à ce qu'il raccroche son combiné.
Cependant, si un REG-D est libre, l'abonné compose le numéro
souhaité et les chiffres sont stockés et analysés
dans le REG-D, qui détermine s'il s'agit d'un appel local
ou d'un appel manuel.
Appel local : Lorsque REG-D a reçu tous les chiffres,
il saisit M et lui demande de rechercher et de sélectionner
un relais de connexion local libre, SNR. REG-D transfère
alors les dizaines et les unités de labonné
appelé à M, qui teste létat de la ligne
de labonné B. Si la ligne appelée et un SNR
sont libres, M établit la connexion vers le côté
B du SNR sélectionné en effectuant lopération
des lignes horizontales et verticales SL appropriées. M redirige
ensuite labonné appelant via létape SL
vers le côté A du SNR ; ce réacheminement
est appelé « saut ». M et REG-D libèrent.
Le SNR transmet la sonnerie interrompue et la tonalité dappel
aux lignes des abonnés B et A respectivement. Si l'abonné
appelé est occupé ou qu'il n'y a pas de SNR libre,
l'abonné A reçoit une tonalité de rappel du
REG-D pendant quelques secondes, puis la ligne est verrouillée
et la tonalité de rappel se poursuit. M et REG-D se libèrent.
Si l'abonné appelé est en ligne verrouillée
ou présente un défaut de ligne, M se libère
et l'abonné appelant est également verrouillé.
Le temps nécessaire pour effectuer un saut est de 400 ms
maximum. REG-D envoie une sonnerie continue à l'abonné
appelant après la composition du dernier chiffre, jusqu'à
ce que REG-D soit libéré. La tonalité appropriée
est alors appliquée.
Sans cette tonalité, l'abonné appelant se retrouverait
sans tonalité pendant ce délai post-numérotation
et pourrait mettre fin à l'appel.
Appel vers un central manuel : Une fois que REG-D a
reçu tous les chiffres du code manuel, il appelle M, qui
recherche alors un FDR libre. Si un FDR libre est trouvé,
M organise la liaison entre labonné appelant et le
FDR sélectionné. REG-D se libère. Après
la sonnerie continue initiale de REG-D, le FDR émet une sonnerie
interrompue. En labsence de FDR libre, M se libère
et bloque la ligne de labonné.
Appels entrants depuis un central manuel : Un FDR est dabord
pris en charge par le central manuel. Le FDR, présent dans
le multiple de labonné, prend alors M et une recherche
de REG-D libre est effectuée comme pour un appel sortant.
Dans ce type dappel, le REG-D doit recevoir tous les chiffres
du numéro dannuaire de labonné appelé.
Après la réception du dernier chiffre, REG-D, qui
a reconnu l'appel provenant d'un FDR, transfère les chiffres
des dizaines et des unités de l'abonné appelé
à M. M teste alors l'état de la ligne de l'abonné.
Si l'abonné est libre, M organise la connexion de l'abonné
au FDR via l'étape SL. Le FDR transmet alors la sonnerie
interrompue à l'abonné et la tonalité de sonnerie
interrompue à l'opératrice. M et REG-D libèrent.
Si la ligne de l'abonné appelé est occupée,
verrouillée ou défectueuse, M demande au FDR de transmettre
une tonalité de réessai à l'opératrice.
M et REG-D libèrent ensuite.
Dispositions de commutation - ARK 511
Central à ressources partagées vers central automatique
à occupation avancée.
Appel initial : Lorsquun abonné ARK lance
un appel, il saisit M (Fig. 4) et est identifié comme
dans le cas manuel. M recherche alors tout FUR ou FDR-L-N libre.
Si des jonctions sont disponibles, M en sélectionne une,
puis établit la connexion entre labonné et,
par exemple, un FUR. Le FUR appelle ensuite le poste relais RS qui
sélectionne un REG-D libre. Si un REG-D libre est disponible,
il est saisi et connecté au FUR via un chemin passant par
le RS ; M libère. Le FUR étend alors une boucle
sur la jonction pour saisir le sélecteur associé dans
le central distant. Labonné reçoit la tonalité
de ce central, après quoi il compose le numéro souhaité.
Les impulsions de numérotation sont répétées
par le FUR sur la jonction et également vers le REG-D via
la connexion RS. Le REG-D détermine le processus de commutation
requis en analysant les chiffres composés.
Appel vers le central d'occupation avancé : Si
le REG-D reconnaît que l'appel doit être acheminé
vers le central d'occupation avancé, il se libère
du FUR et du RS, et les chiffres restants sont répétés
sur la jonction.
Appel local : Lorsque le REG-D reconnaît l'indicatif
local, il signale au FUR de libérer la jonction. Une fois
le numéro complet reçu, il transfère les informations
numériques nécessaires à M, qui teste l'état
de la ligne de l'abonné appelé. Parallèlement,
M recherche un SNR libre.
Si l'abonné appelé est libre et qu'un SNR est disponible,
M organise la connexion entre les abonnés B et A et le SNR,
comme dans le cas du parent manuel. M, REG-D et FUR libèrent
ensuite. Si l'abonné appelé est occupé, en
ligne bloquée, en panne de ligne ou en l'absence de SNR libre,
M signale au REG-D d'envoyer une tonalité de réessai
pendant quelques secondes, après quoi le FUR bloque la ligne
de l'abonné appelant. M, FUR et REG-D libèrent ensuite.
En l'absence de REG-D libre, M, toujours en attente à ce
stade, bloque la ligne de l'abonné, puis libère. Le
FUR est également libéré.
Ainsi, un appel ne peut pas être acheminé vers le central
parent en l'absence de registre libre, même s'il existe des
jonctions libres.
Si M ne trouve pas de FUR libre, il recherche et sélectionne
un REG-D libre via l'étape SL, comme dans le cas manuel.
Un appel local peut néanmoins être effectué.
Si REG-D reconnaît que l'appel est destiné au central
d'occupation avancé, il renvoie une tonalité de réessai
pendant un court instant, puis verrouille l'abonné en ligne,
puis libère. REG-D sert ainsi de registre de débordement.
Si M ne trouve pas de FUR ou de REG-D libre, il libère et
verrouille l'abonné en ligne.
Appel entrant : Pour un appel entrant provenant du central
d'occupation avancée, seuls les deux derniers chiffres locaux
sont reçus par le central terminal. Par conséquent,
la prise du REG-D au central terminal doit intervenir pendant la
pause internumérique précédant la composition
des deux derniers chiffres. La jonction entrante prend un FIR-L-N
(FDR-L-N) qui signale immédiatement au RS de trouver un REG-D
libre et de le connecter.
Une fois les deux chiffres reçus, le REG-D transmet les informations
du numéro à M, qui teste l'état de la ligne
de l'abonné. Si l'abonné est libre, M organise la
connexion au FIR. M et REG-D libèrent. Si l'abonné
est occupé en raison d'un blocage de ligne ou d'un défaut
de ligne, le REG-D émet une tonalité de réessai
pendant un court instant, puis se déconnecte et le FIR continue
d'émettre une tonalité de réessai sur la jonction
jusqu'à ce que le central distant libère. En l'absence
de REG-D libre, le FIR renvoie une tonalité de nouvelle tentative
à la jonction jusqu'à sa libération.
ÉQUIPEMENT ARK 521
Présentation de l'équipement
Un central ARK 521 a une capacité initiale de 100 lignes
d'abonnés et peut être étendu par unités
jusqu'à 100 lignes,
jusqu'à un total de 2 000 lignes. L'équipement de
ligne d'abonné et les dispositifs FDR, FUR, FIR et SNR sont
identiques, et le PBX, l'AX et le LFR remplissent des fonctions
similaires à celles de l'ARK 511.
La différence essentielle entre les équipements ARK
521 et ARK 511 réside dans le fait que l'étage SL
est étendu à plusieurs étages SL partiels.
Par conséquent, l'équipement de marquage est plus
complexe. Étages partiels SL, SLA, SLB, SLC, SLD : (Voir
Fig. 5.)
Fig
5
Létage abonné comprend deux étages
sélecteurs : SLA et SLB (le terme « partiel »
est généralement omis dans la description de lARK
521). Chaque groupe d'abonnés de 100 lignes est desservi
par deux commutateurs crossbar SLA, SLA et SLA2, et deux commutateurs
crossbar SLB, SLB 1 et SLB2. Chaque commutateur dispose de 30 prises
par verticale. Quatre-vingt-dix lignes sont connectées au
multiplexeur SLA. Les verticales SLA sont multipliées horizontalement
par groupes, de sorte que chaque abonné ait accès
à six ou sept verticales (c.I. ARK 511 où chaque abonné
a accès à toutes les verticales, ce qui garantit une
disponibilité totale). Les 10 lignes restantes du groupe
de 100 lignes sont connectées directement aux 10 premières
prises du multiplexeur SLB (horizontales), où elles bénéficient
d'une disponibilité totale pour toutes les verticales SLB.
Les 20 prises SLB restantes sont connectées aux verticales
SLA. Pour une efficacité maximale, les lignes connectées
directement à l'étage SLB doivent être les lignes
les plus fréquentées du central. Ces lignes sont donc
généralement affectées aux jonctions associées
à un FDR-L-M ou un FDR-V-M et éventuellement à
certains abonnés PBX.
La capacité du central est augmentée au-delà
de 100 lignes par l'ajout d'étages d'abonnés. Dans
les centraux jusqu'à 100 lignes, seuls les étages
SLA et SLB sont requis, tandis qu'un étage SLC doit généralement
être ajouté pour une capacité supérieure
à 100 lignes. Un étage SLD est généralement
requis lorsque la capacité dépasse 400 lignes. Le
nombre maximal de commutateurs SLC et SLD par central est respectivement
de 20 et 16.
Les étages SLC et SLD sont composés d'unités,
chacune comprenant un commutateur crossbar avec les relais associés
pour la connexion au marqueur. Il y a 20 sorties par verticale sur
chaque commutateur (voir 30 pour SLA et SLB) et les verticales sont
multipliées horizontalement pour obtenir un total de 20 sorties
par commutateur. Chaque sortie est connectée à une
verticale de l'étage SLB ou SLC précédent.
Les dispositifs SNR, FDR, FIR, FUR et REG-D sont connectés
aux verticales SLC (SLD). En présence d'un étage SLD,
le côté B de chaque SNR est connecté à
une verticale SLC.
L'interconnexion des étages partiels SL dépend de
la capacité d'abonnés du central et de la densité
du trafic. Un groupement de 1 000 lignes est présenté
à la figure 5. Un schéma de jonction est présenté
à la figure 6.

Marqueur : Dans l'ARK 511, le marqueur M est un ensemble
de relais unique associé à un étage SL. Dans
l'ARK 521, le marqueur est divisé en ensembles de relais
distincts pour chaque étage partiel SL.
Les ensembles de relais ABMA, ABMB, CM et DM sont utilisés
respectivement pour les étages SLA, SLB, SLC et SLD. CDM
est l'ensemble de relais qui sélectionne les équipements
libres et CMTD sélectionne les liaisons libres entre les
étages SLC et SLD. Les ABMA et ABMB gèrent 400 lignes.
Pour chaque tranche de 400 lignes supplémentaires, un ensemble
de relais ABMT est requis. La partie du marqueur constituée
des ensembles de relais ABMA, ABMB et ABMT est appelée ABM.
Deux ensembles identiques d'équipements de marquage peuvent
être installés dans un central ARK 521.
Registre discriminant REG-D : Le REG-Dis ARK 521 est
similaire au REG-D ARK 511, mais il offre la possibilité
d'organiser la commutation sur quatre routes directes.
Connecteur de registre RS : Ce jeu de relais permet
de connecter un FDR, un FUR ou un FIR-L-N au REG-D.
Marqueur de connecteur de registre RSM : Le RSM est
le marqueur du RS. Il recherche et sélectionne un REG-D libre.
Un RSM est requis pour trois RS.
Connecteur de marqueur MIR-REG : Il s'agit d'un jeu
de relais d'équipement commun qui relie le SNR et le REG-D
au marqueur. Il empêche le fonctionnement simultané
d'une connexion locale et d'un pont.
Dispositions de commutation
Les opérations de commutation d'un central ARK 521 sont fondamentalement
similaires à celles d'un central ARK 511, à la différence
près que, s'agissant d'un central plus grand, elles sont
plus complexes.
Une différence majeure entre la commutation ARK 521 et ARK
511 réside dans la manière dont le marqueur établit
le chemin de connexion entre un abonné et un équipement.
Dans l'ARK 511, il n'existe qu'un seul chemin possible entre un
équipement et l'abonné.
Ceci nécessite la sélection d'une position horizontale
et d'une verticale de l'étage SL. Cependant, dans l'ARK 521,
l'interconnexion des étages partiels SL est telle que plusieurs
chemins sont possibles entre un équipement et un abonné,
dont l'un doit être choisi. Ce choix est contrôlé
par les ensembles de relais marqueurs, qui interagissent pour exploiter
les verticales et les horizontales appropriées à chaque
étage SL. À titre d'exemple de sélection de
chemin, le lancement d'un appel sortant depuis un central avec un
parent à occupation avancée est décrit. (Voir
la figure 6, où un SLD constitue la dernière étape.)
Lors de l'appel, l'abonné appelant est connecté à
l'ABMA par le MIR-AB correspondant.
L'ABMA identifie le groupe de 100 lignes appelant, puis les dizaines
et les unités de l'abonné. Si le chiffre des dizaines
de l'abonné est compris entre 1 et 9, une verticale SLA libre
avec accès à l'abonné est sélectionnée.
Le MIR-AB gère l'horizontale SLA associée à
l'abonné. Selon la verticale SLA sélectionnée,
ABMB et MIR-AB interagissent pour gérer les horizontales
SLB appropriées.
Le marqueur lance alors la recherche d'une FUR-L-N (ou FDR-L-N)
libre vers le central parent. ABM demande à CDM de trouver
une FUR libre. CDM connecte les fils de toutes les FUR libres afin
que tous les commutateurs SLD disposant d'une FUR libre soient « marqués
inactifs ». (Le terme « marqué inactif »
désigne la condition appliquée par le marqueur à
un commutateur crossbar éligible au chemin de connexion requis.)
CMTD connecte ensuite les fils de tous les commutateurs SLD marqués
inactifs afin de marquer inactifs tous les commutateurs SLC dont
une verticale est libre et accessible depuis l'un de ces commutateurs
SLD. ABM sélectionne une verticale libre parmi les SLB 1
et SLB 2, accessible depuis un commutateur SLC marqué
inactif. Cette verticale désigne le commutateur SLC à
utiliser. Les axes horizontaux du commutateur SLC associés
à la verticale SLB sélectionnée fonctionnent
désormais. Dans le commutateur SLC, CM sélectionne
une verticale libre ayant accès à un commutateur SLD
marqué inactif. · Cette verticale désigne le
commutateur SLD à utiliser. L'exploitation des horizontaux
SLD associés suit immédiatement.
Enfin, dans le commutateur SLD, DM sélectionne une verticale
SLD à laquelle est connectée une FUR libre. Le marqueur
exploite alors la verticale sélectionnée à
chaque étape partielle, complétant ainsi le chemin
de connexion vers l'abonné. La FUR, ainsi prise, est connectée
à un REG-D via le RS, de manière similaire à
celle décrite dans l'ARK 511.
Ce processus de marquage de l'inactivité et de sélection
d'un chemin libre à travers les étapes partielles
SL de l'ARK 521 est répété pour chaque type
d'appel similaire, comme décrit dans le cas de l'ARK 511.
La fonctionnalité supplémentaire de l'ARK 521 est
la possibilité de se connecter à n'importe quelle
jonction de l'une des quatre routes directes lorsque le central
dispose d'un commutateur parent à occupation avancée.
Si, dans ce cas, un abonné a lancé un appel sortant,
il est connecté à un FUR libre vers le central parent
et à un REG-D. Lorsque le REG-D reconnaît le code d'un
commutateur à route directe, il demande au CDM de rechercher
un FDR-L-M ou un FDR-V-M libre vers le central requis. Le marqueur
sélectionne ensuite un chemin entre le FDR choisi et l'abonné
appelant. Une fois le saut effectué, le marqueur et le REG-D
sont libérés. Les appels entrants provenant de l'un
des quatre commutateurs à route directe seront connectés
comme décrit dans le cas de l'ARK 511. Une autre fonctionnalité
d'un central ARK 521 est le débordement via le commutateur
automatique d'occupation avancée. Cela est possible si un
commutateur à voie directe est également disponible
depuis le commutateur à occupation avancée. Supposons
qu'un abonné ARK 521 ait composé l'indicatif d'une
voie directe. Si aucune jonction libre n'est disponible vers ce
commutateur, REG-D se libère. La connexion entre l'abonné
appelant et le FUR-L-N est maintenue et l'impulsion se poursuit
via le commutateur automatique d'occupation avancée vers
le commutateur requis.
INSTALLATION
 
Un central ARK 511 de base de 30 lignes est composé de deux
racks. Un rack supplémentaire est nécessaire pour
les centraux d'une capacité de 30 à 90 lignes. Ces
racks peuvent être montés dos à dos ou contre
un mur.
Les baies murales du bâtiment Reeves Plains sont illustrées
à la figure 7.
Le câblage inter-baies étant réalisé
par des câbles à fiches, l'installation est simple :
les baies sont montées en position, les câbles MDF
et d'alimentation sont acheminés et raccordés, puis
les baies sont connectées entre elles.
Le seul raccordement requis dans l'ARK 511 concerne les circuits
locaux (SNR) ou les circuits de jonction (FDR), dont le nombre peut
varier selon le central. (Voir figures 3 et 4.)
Dans le cas de l'ARK 521, l'équipement, bien que similaire
à celui de l'ARK 511 (les SNR et les FDR sont identiques),
n'est pas monté dans des baies complètes comme dans
l'ARK 511, mais entre les côtés des baies, qui doivent
être fixés individuellement au sol. Ces derniers sont
reliés par une barre d'acier appelée fer de jonction.
Il y a un fer de jonction pour chaque rangée de baies. Des
barres de liaison sont posées à angle droit sur les
fers supérieurs jusqu'aux plaques murales. Des goulottes
sont ensuite fixées sur la barre de liaison pour contenir
les câbles inter-racks. Une rangée de goulottes est
prévue pour deux rangées d'équipements, montées
dos à dos. Les câbles ne sont pas fixés dans
les goulottes, mais peuvent être entourés d'une attache
circonférentielle tous les yard environ. (Voir Fig. 8.)
Les câbles sont fixés à leur entrée dans
les racks, puis formés à l'arrière du rack
pour se terminer sur les bornes des prises à couteau SO-point,
dans lesquelles sont branchés les relais et les commutateurs
crossbar. Les racks utilisés dans l'ARK 521 sont appelés
racks BDH. Ils sont identiques aux racks BDH utilisés dans
les commutateurs crossbar ARF. Les outils de terminaison des racks
BDH ainsi que les plaques de formage utilisées sont décrits
dans un article de McMurray. Dans les installations sud-australiennes,
les câbles sont formés et dénudés sur
les plaques de formage, prêts à être raccordés
avant le montage des racks. ·
Comme l'équipement ARK 521 comporte plusieurs étages
partiels SL, la flexibilité est obtenue en connectant les
entrées et les sorties de chaque étage partiel, ainsi
qu'une partie du câblage de commande des marqueurs, à
un répartiteur de câbles intégré (voir
figure 5).
Les câbles pénètrent dans le répartiteur
de câbles intégré par des doigts verticaux (figure
8) depuis la goulotte et pendent simplement derrière le répartiteur
de câbles intégré (voir figure 9).
Les bandes de repérage du répartiteur de câbles
intégré peuvent être reliées par des
cavaliers ou des attaches pour obtenir le schéma de regroupement
requis pour l'échange.
L'équipement à barre transversale, bien que résistant
à la poussière, fonctionnera mieux si la poussière
pénètre dans le local technique. Les commutateurs
ARK pouvant être entièrement câblés, terminés
et pontés avant le déballage des relais ou des commutateurs,
toute poussière présente peut être éliminée
avant qu'elle ne pénètre dans l'équipement.
Les commutateurs sont nettoyés à l'aide d'aspirateurs
équipés de tuyaux suffisamment longs pour diriger
l'air d'échappement (qui contiendra les petites particules
de poussière non captées par le sac) hors du local
technique. Des chiffons imprégnés d'une émulsion
huile-eau sont utilisés pour nettoyer les murs, les sols
et les racks d'équipement avant la mise en place des relais
et des commutateurs à barres transversales.
Une fois l'équipement installé, toutes les personnes
entrant dans la salle d'échange doivent se changer pour des
pantoufles à l'entrée afin de minimiser l'entrée
de poussière. Des précautions particulières
sont également prises pour empêcher l'entrée
de poussière provenant d'autres sources. Dans les bâtiments
permanents, les portes et fenêtres sont scellées et,
si des climatiseurs sont nécessaires pour contrôler
la température ou l'humidité, des filtres spéciaux
sont installés. Une attention particulière a été
portée à l'étanchéité des locaux
techniques des bâtiments mobiles, qui sont généralement
situés à la campagne et plus exposés à
la poussière que les bâtiments permanents en zone urbaine.
Dans les bâtiments mobiles, un ventilateur pressurisant est
installé pour augmenter la pression au sein de la salle d'échange.
Cela entraîne un faible flux d'air sortant des locaux techniques
à travers les fissures ou les joints imparfaits, empêchant
ainsi l'entrée de poussière. Dans le cas du système
portable Reeves Plains, une pression effective équivalente
à 0,25 pouce d'eau a été obtenue grâce
à la technique du ventilateur pressurisant. Un autre aspect
important, notamment pour les bâtiments portables étanches,
est le contrôle de la température et de l'humidité.
L'équipement fonctionnera de manière satisfaisante
si la température ambiante ne dépasse pas 49 °C
et si l'humidité est maintenue entre 35 et 75 %. Comme un
bâtiment ARK portable peut être installé dans
une région aride, loin des points d'approvisionnement en
eau et d'autres bâtiments, il peut être impossible de
l'ombrager sans installer des écrans. Le bâtiment serait
alors exposé à la lumière directe du soleil
alors que la température extérieure pourrait dépasser
11 °C. Afin de minimiser l'entrée de chaleur, les bâtiments
sont beaucoup plus longs que larges et orientés est-ouest,
avec un large avant-toit en surplomb au nord. Ainsi orienté,
une petite surface murale est exposée aux rayons du soleil
levant et couchant, qui sont approximativement perpendiculaires
aux murs d'extrémité, tandis que le grand mur orienté
au nord est entièrement ombragé par l'avant-toit lorsque
le soleil est à son azimut. De plus, les murs et le toit
sont isolés avec dix centimètres de laine de roche
et du sisaling double face afin de minimiser le transfert de chaleur
vers le local technique. Avec des bâtiments construits de
cette manière, la température intérieure maximale
ne dépassera pas 49 °C dans la plupart des endroits.
Un problème plus important, cependant, pourrait être
celui du contrôle de l'humidité. Comme le local des
traverses est étanche, et que le transfert d'air est donc
minime, l'humidité diminue à mesure que la température
augmente. Des tests effectués à Reeves Plains indiquent
que la limite inférieure d'humidité sera atteinte
avant la limite supérieure de température. C'est pourquoi,
dans certains endroits chauds et secs, il sera nécessaire
d'installer un climatiseur pour limiter la température à
bien moins de 49 °C (120 °F) afin d'obtenir des conditions
d'humidité acceptables. (Voir Fig. 10.)

Équipement de test
Testeur d'itinéraire de trafic individuel (TRT) : Un
TRT établit une connexion via un central automatique. Il
se connecte à l'équipement comme le ferait un abonné
normal et compose automatiquement un numéro local. Si l'appel
aboutit, la sonnerie est transmise par le SNR à la ligne
appelée, puis renvoyée au TRT qui déclenche
la sonnerie, complétant ainsi un cycle. Le TRT est équipé
de deux compteurs : l'un enregistre le nombre total d'appels,
l'autre le nombre de pannes. Le TRT peut être configuré
pour répéter un cycle et ainsi fournir une indication
de la qualité de service. L'instrument peut être connecté
au MDF. avec des sabots de test normaux ou des numéros de
test spécialement attribués, affichés dans
un champ de prise en haut des racks ARK 521.
Testeur de charge : Cet équipement permet de tester
les équipements de marquage d'un central téléphonique
crossbar. De plus, grâce au choix de numéros de test
appropriés et à l'utilisation de clés de blocage,
il permet de tester chaque liaison entre les étages de commutation.
Le testeur établit un maximum de dix appels simultanés
et vérifie leur exécution correcte vers dix numéros
choisis dans le même central. En l'absence de défaut,
les connexions sont supprimées et le processus est répété.
Plusieurs milliers d'appels de test peuvent être effectués
par jour. En cas de défaut, le testeur de charge déclenche
une alarme et se concentre sur le défaut jusqu'à ce
qu'il soit traité. Procédures de test : les tests
constituent une part importante de l'installation de chaque central
téléphonique crossbar. C'est particulièrement
le cas pour l'ARK 521, où plusieurs chemins sont possibles
entre les étages partiels SL.
Dans les installations pilotes de Gladstone et de Reeves Plains,
les tests se sont déroulés dans l'ordre suivant. Une
fois le câblage et les terminaisons terminés, la continuité
du câblage a été vérifiée par
vibreur. Chaque ensemble de commutateurs et de relais a ensuite
été déballé.
Avant d'être branché sur les racks, l'équipement
a été inspecté visuellement afin de détecter
d'éventuelles soudures sèches ou défauts évidents,
tels que des composants endommagés ou mal réglés.
Bien que chronophage, cette vérification s'est avérée
précieuse, car plusieurs irrégularités ont
été détectées, constituant des défauts
potentiels qui n'auraient peut-être pas été
détectés lors des tests électriques.
Une fois les commutateurs à barres transversales en place,
des réglages supplémentaires ont été
effectués, notamment sur les barres horizontales et les doigts.
Chaque commutateur a ensuite été mis sous tension
et les tests suivants ont été effectués avant
le basculement.
Tests opérationnels : Une série de tests
manuels a été réalisée pour vérifier
statiquement les processus de commutation. Les armatures des relais
de sélection appropriés, dans l'équipement
de marquage et les jeux de relais de connexion, ont été
fixées pour établir des chemins spécifiques
à travers les étages SL, jusqu'aux appareils. Cela
a permis de garantir que le câblage des racks, le câblage
inter-racks et le câblage I.D.F. étaient corrects pour
le schéma de regroupement spécifique.
Appel direct : Des appels locaux ont été établis
depuis la ligne de chaque abonné afin de vérifier
le fonctionnement de la voix et du compteur.
Tests d'acheminement : Un TRT biunivoque a été
utilisé pour acheminer plusieurs centaines d'appels via chaque
SNR et REG-D. Pour tester un SNR, tous les autres SNR ont été
bloqués et, lorsque tous les REG-D étaient libres,
le TRT a été mis en service. De même, un REG-D
a été testé en bloquant tous les autres REG-D
et en utilisant le TRT avec tous les SNR libres. Ces tests ont permis
de vérifier la fiabilité de chaque SNR et REG-D, ainsi
que les chemins de connexion possibles entre la ligne appelante
et les appareils. Le FDR-L-M n'a pas pu être testé
avec le TRT, car il applique une condition de boucle lors de la
prise. Le TRT ne redémarre que s'il a déclenché
la sonnerie. De nombreux appels via chaque FDR-L-rM ont donc été
effectués manuellement.
Tests de charge : Étant donné la présence
de cinq REG-D à Gladstone, le testeur de charge n'a permis
d'effectuer que cinq appels locaux simultanés. Des numéros
de test appropriés ont été choisis pour tester
tous les chemins de connexion possibles au cours des étapes
SL. À Reeves Plains, où il n'y avait que deux REG-D,
le testeur de charge n'a établi que deux appels simultanés.
De plus, s'agissant d'un ARK 511, deux numéros de test quelconques
ont été choisis, car il n'y a qu'une seule étape
SL. La fiabilité de l'équipement de marquage a été
prouvée par ces tests. À Gladstone, seulement trois
défauts ont été constatés sur 10 000
opérations de l'ABMA.
Il n'a ensuite pas été possible de déterminer
s'il s'agissait d'irrégularités au niveau de l'équipement
de la traverse ou du testeur de charge lui-même.
Les tests dynamiques effectués lors des essais de
routage ont révélé divers défauts, tels
que des joints secs, des armatures de relais mal réglées
et des doigts horizontaux de l'interrupteur de la traverse, qui
n'ont pas été détectés lors de l'inspection
visuelle.
Les essais de routage ont été effectués en
premier lieu pour assurer le bon fonctionnement de chaque dispositif.
Tout défaut survenant ensuite lors des essais de charge serait
probablement limité à l'équipement de marquage.
CONCLUSION
Les centraux Crossbar succèdent désormais aux centraux
automatiques à commutation progressive en Australie.
Les centraux ARK 511 seront installés à la place des
RAX de type B ou C, et les centraux ARK 521 à la place des
centraux à commutation progressive, d'une capacité
maximale de 2 000 lignes.
Dans un réseau automatique, les centraux ARK sont des centraux
terminaux qui peuvent être reliés à un seul
central automatique à occupation avancée. Un système
de numérotation fermé est disponible pour ce central.
De plus, un central ARK 521 peut commuter vers quatre centraux automatiques
à routage direct si des préfixes sont composés.
Cette fonctionnalité n'est pas disponible pour les centraux
ARK 511.
Les baies ARK sont câblées pour fonctionner en REG-D
et en MFC. Les centraux initiaux sont équipés de REG-D,
mais des commutateurs MFC et REG-L pourraient être installés
sur les mêmes baies d'équipement. Il est proposé
d'installer un central de commutation de transit automatique ARM
à Gladstone.
Une fois ce projet terminé, il sera nécessaire d'installer
différents FDR et de convertir le central ARK 521 de Gladstone
existant en MFC, afin de relier les lignes principales aux registres
centraux de l'ARM. Comme l'ARM sera situé dans le même
bâtiment que l'ARK, les jonctions entre les deux centraux
ne manqueront pas ; le REG-L ne sera donc pas nécessaire
dans le central terminal ARK de Gladstone. Parallèlement,
le central ARK 521 de Wirrabara sera également converti en
MFC pour interfonctionner avec l'ARM de Gladstone. La partie REG-L
du REG-D peut encore servir de registre de débordement jusqu'à
l'installation des REG-L.
On constate donc que les centraux de type ARK REG-D sont adaptés
au fonctionnement d'un réseau pas à pas et qu'ils
peuvent être facilement convertis en MFC à mesure que
les programmes australiens de numérotation crossbar et de
ligne d'abonné seront mis en uvre.
|
Hongrie 1965, Magyar Posta a également
commandé un centre de transit ARM crossbar à
Nicola Tesla à Zagreb pour automatiser les relations
internationales, qui était équipé d'une capacité
de démarrage de 80 lignes à la Direction du téléphone
interurbain.
Ces systèmes crossbar ont donc précédé
le début de l'ARF 102 en 1971.

Lors de visites d'étude préliminaires, il a été
souligné qu'il était conseillé d'acheter une
licence auprès du STT de Vienne. Cependant, le centre d'appels
n'était pas prêt, l'offre de STT était de compléter
le nouveau système avec une coopération au développement.
Parallèlement, LM Ericsson a également fait une offre
pour expédier et fabriquer un système de crossbar complet
qu'il a développé. et était en production depuis
10 ans à l'époque, il était donc possible de
reprendre un système mature.
Sur la base de la décision des deux ministères compétents
à l'époque, KGM et KPM, la décision a été
prise en 1968 de reprendre le système LM Ericsson
AR.
Le 5 juin 1971, le premier centre métropolitain hongrois,
ARF 102, a été inauguré à Lágymányos,
rue Vásárhelyi Pál. Le centre d'appels, fabriqué
par le suédois LM Ericsson, était
capable de desservir 20 000 abonnés
Les types de centres de commutation Ericsson sont les centres de type
ARK, ARF et ARM et les centres TPV (CONTRÔLÉ PAR PROGRAMME
MÉMORISÉ) (par exemple les types EPF, EPK), qui fournissent
des connexions pour la direction des forces armées hongroises
et les utilisateurs militaires dans divers lieux de service. Selon
la figure ci dessous, la partie analogique du réseau téléphonique
est le collecteur principal Il se compose d'un nud, d'un nud
collecteur et du terminal et des sous-centres qui leur sont connectés.

Système de connexion logique du réseau téléphonique
du ministère de la Sécurité publique et de la
Sécurité publique.
Les réseaux militaires et civils subissent des transformations
et des développements continus au fil du temps. Dans certaines
directions, des circuits et des connexions peuvent apparaître
et disparaître toutes les 2-3 semaines, par conséquent
la précision des connexions représentées dans
les schémas est relative .
Le plan central contient principalement des centres de transit de
taille moyenne de type ARM 201/2 54 capables de connecter un maximum
de 40 000 lignes, qui sont capables de coopérer avec tous les
centres ARM et ARF. Dans les zones où les besoins en capacité
sont moindres, des centres de transit à faible capacité
ARF 503 développés par Ericsson et fabriqués
par BHG ont été installés, capables de connecter
200 lignes. Les types de tableaux de distribution typiques dans le
plan des tableaux de distribution terminaux sont les commutateurs
TPV ARF-102 et EPK-128, EP-128, EP-512 développés et
fabriqués par BHG, qui effectuent généralement
fabriquent également des sous-tableau. Les centraux terminaux
du réseau téléphonique analogique MH sont : les
centraux ARK-522 de capacité moyenne, ARK-511 de faible capacité
et ARL. Selon les plans, les centraux analogiques du MH ÁTKR
seraient remplacés d'ici la fin de 2003, mais il est prévu
que les équipements analogiques soient opérationnels
d'ici la fin de 2006. |
| Le central téléphonique Ericsson
ARF503
Le système Crossbar ARF503 est un système
de commutation à cadran (chiffre à chiffre) fonctionnant
selon un principe pas à pas modifié. Il est composé
d'un étage client (SL) et d'un ou deux étages sélecteurs
de groupe (GV). L'étage client, également appelé
étage SL, fonctionne comme un étage combiné
de recherche et de sélection finale (connecteur). Les principales
caractéristiques de chaque étage sélecteur
sont l'utilisation du commutateur Crossbar, le principe de dérivation
(figure 2) et le principe de connexion par liaison (figure 3).
L'interrupteur à barre transversale, un réseau
bidimensionnel de contacts, est constitué d'un cadre à
l'intérieur duquel sont installés : des barres de
sélection verticales (généralement 10) et leurs
dispositifs multicontacts ; et 5 ou 6 barres de sélection
horizontales et leurs groupes de contacts. Chaque barre verticale
est composée de 10 à 12 jeux de ressorts, dont le
bon est sélectionné par l'un des 5 ou 6 jeux horizontaux.
Chaque jeu de ressorts possède un nombre de contacts de fermeture
déterminé selon les besoins.
Les barres de sélection peuvent être actionnées
par des relais. En actionnant les relais, il est possible de déplacer
les barres pour fermer les contacts situés sous le point
de croisement de deux barres (figure 4). Cette procédure
permet d'acheminer et de connecter l'appel téléphonique
via le central téléphonique.
Dans les centraux téléphoniques automatiques, il est
important de disposer d'un grand nombre de sélecteurs pour
établir les connexions vocales et de simplifier au maximum
les dispositifs de contrôle associés à chaque
sélecteur. Dans le système Crossbar ARF503, le dispositif
de réglage commun, le marqueur, permet de régler plusieurs
sélecteurs ; c'est pourquoi le système est appelé
« système à voie auxiliaire » (figure
2).
Les étages sélecteurs du système Crossbar ARF503
sont divisés en deux ou plusieurs étages partiels
en tandem, interconnectés par des liaisons. De ce nom dérive
la connexion par liaison (figure 3). Chaque étage partiel
est composé de plusieurs commutateurs Crossbar.
La figure 5 présente un schéma simplifié des
liaisons d'un central téléphonique à barres
croisées ARF503 à 5 chiffres.

Figure 5 : Schéma de jonction simplifié pour une connexion
entre deux clients
Ce central est équipé de sélecteurs
de premier et deuxième groupes (I-GV et II-GV). Le sélecteur
de premier groupe, I-GV, relie généralement les routes
aux différents groupes de 10 000 lignes du même central,
aux liaisons d'autres centraux et aux services spéciaux.
Le sélecteur de deuxième groupe, II-GV, relie les
routes aux différents groupes de 1 000 lignes des clients
du même central et aux liaisons d'autres centraux.
Les lignes clients sont regroupées en groupes de 1 000 lignes.
Le trafic à destination et en provenance de ces groupes est
géré par une SL d'étape client composée
de quatre étapes partielles : SLA, SLB, SLC et SLD.
Lorsqu'un client d'un central téléphonique
décroche son combiné, son équipement de ligne
appelle le marqueur SLM-I. Ce marqueur connecte la ligne du client,
via le relais SR, à un registre inactif REG1, et le client
obtient la tonalité. Il reçoit la tonalité
et compose le premier chiffre du numéro appelé (par
exemple, 8).
À la réception du chiffre par
REG1, le marqueur GVM-I de l'I-GV est appelé et reçoit
de REG1 le premier chiffre du numéro du client appelé.
Grâce à ce chiffre, le marqueur GVM-I identifie le
groupe 10 000 auquel appartient le numéro du client appelé
et connecte la ligne de SR, via le sélecteur de premier groupe
I-GV, à un autre registre inactif REG2. Les REG1 et SLM1
sont libérés et prêts pour de nouveaux appels.
Le client compose ensuite le deuxième
chiffre du numéro appelé (par exemple, 5). Lorsque
REG2 reçoit ce deuxième chiffre, le marqueur GVM-II
du II-GV est appelé et reçoit de REG2 le deuxième
chiffre du numéro appelé. Grâce à ce
chiffre, le marqueur GVM-II identifie le groupe 1000 auquel appartient
le numéro appelé et connecte la ligne du I-GV, via
le sélecteur de deuxième groupe II-GV, à un
ensemble de relais de sélection finale LKR de ce groupe.
Le REG2 et le GVM-II sont libérés et prêts pour
de nouveaux appels.
Les trois chiffres suivants sont reçus
par le REG3 connecté au relais LKR. Une fois que le marqueur
SLM-II a reçu les trois chiffres suivants du registre REG3,
il établit la connexion avec la ligne du client appelé.
La connexion entre les deux clients est alors établie, et
le REG3 et le SLM-II sont déconnectés et immédiatement
prêts à traiter de nouveaux appels.
BRÈVE HISTOIRE DE MACAO
Le premier central téléphonique
automatique Ericsson ARF503 a commencé à fonctionner
en 1965. À cette époque, cette installation était
considérée comme une avancée technologique
importante car elle était basée sur un système
Crossbar, même si elle possédait encore la caractéristique
d'interagir avec le central téléphonique automatique
Siemens F1, Step-by-Step, qui était un système Strowger
ou Step-by-Step.
La phase initiale d'installation comprenait
3 000 lignes, en commençant par les numéros de téléphone
des clients de 5 000 à 7 999. Depuis lors, le système
a été étendu plusieurs fois.
La première extension fut mise en service
en 1972, portant le nombre de lignes au-dessus des 3 000 existantes
du système Crossbar ARF503 à 2 000. Le nombre de chiffres
du nouveau numéro de téléphone passa de 4 à
5, passant de 81 000 à 82 999.
À Taipa et Coloane, de nouveaux centraux
téléphoniques automatiques ARF503 ont également
été mis en service en 1974. Chacun d'eux avait une
capacité de 600 lignes, commençant par les numéros
de téléphone de 07000 à 07599 et de 08000 à
08599, respectivement. Ces équipements remplacent les 90
lignes existantes, de 4710 à 4799 et de 4810 à 4899,
respectivement dans chacune des îles.
Au cours des années 1970 et au début
des années 1980, 9 000 lignes supplémentaires ont
été installées avec des numéros de téléphone
compris entre 81 000 et 89 999, constituant le système Ericsson
ARF503 avec un nombre total de 12 000 lignes installées à
Macao et 1 200 lignes installées dans les îles.
Après le milieu des années 1980,
la société de télécommunications de
Macao, CTM, a commencé à désactiver progressivement
l'utilisation de ce système en le remplaçant par des
centraux de commutation numérique.
|
En Espagne l'ancien centre de Saint-Sébastien,
a été remplacé par un équipement moderne de
type crossbar Ericsson
Saint-Sébastien
« Il est significatif, et en même temps intéressant
pour les actionnaires, qu'Intelsa ait obtenu le contrat pour l'installation
de 175.000 lignes urbaines (ARF) et que, malgré cela, il existe
actuellement des prévisions de nouvelles commandes pour ce chiffre
», a commenté avec satisfaction le président de l'entreprise
dans le rapport annuel d'Intelsa pour l'exercice 1972, soulignant que
« le 31 août de cette année, conformément au
contrat de fourniture signé avec notre client, le CTNE [
],
nous avons livré le premier central interurbain (ARM), avec 9.600
lignes équivalentes, dans la ville de Logroño, San Millán
central, ce qui représente la première fourniture programmée
et qui, malgré la complexité technique et la pression des
délais, n'a subi aucun retard. Entre-temps, les travaux se sont
poursuivis à Gérone, Las Palmas et Santa Cruz de Tenerife,
et l'installation a commencé à Saint-Sébastien.
Tous les équipements de ces centraux étaient de technologie
électromécanique, comme spécifié dans les
accords avec CTNE. Les centraux téléphoniques locaux et
de transit appartenaient aux modèles ARF et ARM. Cette technologie
électromécanique, basée sur la commutation par relais
activés électriquement et qui avait remplacé les
centrales de sélection comme l'AGF installées à Saint-Sébastien
quelques années auparavant, était celle utilisée
dans le monde entier à cette époque. Ces systèmes
électromécaniques, qui représentaient une avancée
significative par rapport aux systèmes précédents
en termes de fonctionnement, de fiabilité et de maniabilité,
impliquaient des processus de fabrication et de conception assez complexes.
Ils nécessitaient davantage dheures de production et de nombreuses
personnes impliquées.
Les systèmes semi-électroniques nétaient pas
encore arrivés, même si on en parlait déjà.
Ils simplifieraient considérablement ces difficultés de
production et de conception. L'attente n'était pas possible. Sils
voulaient commencer à fournir du CTNE le plus rapidement possible,
la seule option était de le faire avec des équipements ARF
et ARM. Cest ce à quoi on sattendait en 1971-1972.
À peine cinq ans après son inauguration, l'usine de Leganés
a dû être restructurée, précisément en
raison de la nécessité de migrer vers des systèmes
semi-électroniques, ce qui a entraîné d'importants
nouveaux investissements dans la mise à jour des équipements
et des ressources humaines.
Bien que la priorité ait été dassurer les livraisons
à CTNE, dautres clients importants nont pas été
abandonnés. Le président et directeur général
d'Intelsa est sorti d'une réunion formelle avec le directeur général
de la Poste et du Télégraphe, León Herrera, avec
un grand optimisme. Il y a exprimé sa grande satisfaction quant
à la qualité du travail réalisé par l'entreprise
et a clairement montré son intention de continuer à collaborer
avec la nouvelle société Intelsa. Cette organisation recevrait
bientôt « une commande de 145 millions de pesetas pour le
développement de l'usine de León et l'agrandissement de
sept autres dans le reste du pays ». En 1972, les stations de Madrid,
Barcelone, Bilbao, Valence et Séville ont été livrées,
avec une capacité totale de 12 000 abonnés et des connexions
internationales via les centraux des trois premières.
En France la famille CP400. (nom complet : CROSSBAR
pour PARIS ou CROSSBAR PARISIEN 400) est la système initialement
prévu pour équiper Paris et la 1ère couronne. Il
est un dérivé du système suédois ARF102
de la société L.M. Ericsson. Le système CP400 est
issu de la Société Française des Téléphones
Ericsson de Colombes qui l'a mis en étude à partir de 1952.
En Algérie L'année 1976 a vu le lancement
du programme de modernisation du réseau téléphonique
commuté par l'installation d'un centre automatique de type Crossbar
ARF 102 d'une capacité de 10.000 lignes au chef- lieu de wilaya
(collectivité territoriale) et d'un centre de transit de type ARM.
En 1978, l'automatisation du réseau téléphonique,
a été poursuivie dans les villes par l'installation des
centres «ARF 102» à Maghnia, Sebdou, Remchi, Nedroma
et Ghazaouet avec une capacité de 2.000 lignes chacune.
Au Liban Un central ARM a été officiellement inauguré
à Tripoli en décembre 1964 par le ministre des PTT, Antoine
Sehanoui, en présence du gouverneur du Liban, Bachir Al-Awar, du
directeur de la Téléphonie, A. Chemali, de deux anciens
ministres des PTT et de plusieurs représentants de l'administration,
de l'Église et des collectivités locales. Grâce à
l'ouverture de ce central ARM, les 8 000 abonnés de Tripoli sont
désormais connectés automatiquement aux 65 000 abonnés
du district de Beyrouth. La connexion a été réalisée
conformément au programme et l'équipement fonctionne parfaitement.
En Turquie. Le premier central téléphonique à
barres croisées de Turquie, à Afyon, en Anatolie. Ce raccordement,
comprenant 1 000 lignes du système ARF 102, a suscité
un vif intérêt tant auprès de la population locale
que de l'administration.
Le central est installé dans un nouveau bâtiment qui abrite
également des bureaux administratifs et remplace un ancien central
automatique de type Rotary. Parallèlement à cette installation,
une brève formation d'information sur le système à
barres croisées de L. M. Ericsson a été organisée
à Ankara, suscitant un vif intérêt auprès du
personnel de l'administration centrale. 1 000 lignes AGF supplémentaires
ont récemment été commandées pour l'extension
du central Yenisehir d'Ankara.
En Croatie En optant pour la fabrication de centraux
téléphoniques et télégraphiques automatiques
modernes basés sur des commutateurs à
L'usine d'appareils de télécommunications de Zagreb . "Nikola
Tesla" a rapidement adopté la production sous licence de ces
centraux téléphoniques Ericsson et d'autres types (ARF-102,
ARE-11 et AXE-10) et a fondamentalement marqué le développement
de la téléphonie de Zagreb, ce fut
le début de l'automatisation des réseaux téléphoniques
dans l'ex-Yougoslavie.
Le central téléphonique constitua
une amélioration considérable du réseau téléphonique
de Zagreb pendant l'entre-deux-guerres, mais il fut victime d'un sabotage
des partisans pendant la Seconde Guerre mondiale. Le 14 septembre 1941,
il fut détruit et resta hors service pendant plusieurs mois. Néanmoins,
malgré le sabotage, le central resta au service pendant 51 ans,
jusqu'à son remplacement en avril 1980 par un nouveau système,
les centraux à barres croisées ARF-50 et ARF-102 bien qu'il
n'aient pas été conçu pour un service aussi long
furent l'épine dorsale du réseau téléphonique
de Zagreb pendant plus d'un demi-siècle.
L'automatisation du trafic téléphonique interurbain a été
réalisée avec la mise en service du standard de transit
de Zagreb le 25 mai 1964, lorsque Zagreb a reçu son indicatif régional
reconnaissable - 041.
En Egypte 1967 Une nouvelle étape dans la
construction et la modernisation des communications du Caire vient de
s'achever, avec la mise en service d'un grand central téléphonique
entièrement automatique, de type ARF-102 de L.M. Ericsson. Avec
ce nouveau central, seulement dans le district du Caire, notre siège
social a déjà installé 75 000 lignes ARF.
...
sommaire
Le système de commutation à barres
croisées N°5 ( commutateur 5XB ) est un commutateur
téléphonique pour centraux téléphoniques
conçu par Bell Labs et fabriqué par Western Electric
à partir de 1947. Il était utilisé dans le système
Bell principalement comme commutateur téléphonique de
classe 5 dans le réseau téléphonique public commuté
(PSTN) jusqu'au début des années 1990, date à
laquelle il a été remplacé par des systèmes
de commutation électronique . Des variantes ont été
utilisées comme systèmes combinés de classe 4
et de classe 5 dans les zones rurales et comme commutateur TWX .
Le 5XB était à l'origine destiné à apporter
les avantages de la commutation crossbar aux villes et aux petites
villes ne comptant que quelques milliers de lignes téléphoniques
.La taille de départ typique était de 3000 à
5000 lignes, mais le système avait une capacité de croissance
essentiellement illimitée. Le premier crossbar urbain 1XB était
trop cher pour les petites installations, et avait des difficultés
à gérer de grands groupes de lignes. Le 5XB a été
converti en relais à ressort câblés dans les années
1950 et mis à niveau dans les années 1960 pour desservir
des centraux comptant des dizaines de milliers de lignes. La variante
finale du 5A Crossbar , produite à partir de 1972, n'était
disponible que dans les tailles de 990 et 1960 lignes, et généralement
livrée sur une palette , plutôt qu'assemblée sur
site comme d'habitude pour les centraux plus grands.
Le 5XB a introduit le principe de rappel, dans lequel le train de
commutation de concentration initial de la ligne au récepteur
numérique était entièrement abandonné
pendant la fin de l'appel afin que ses liens puissent être immédiatement
réutilisés pour cet appel ou un autre. Cela contraste
avec les systèmes crossbar antérieurs où le train
de commutation d'origine était simplement construit et étendu
au fur et à mesure que l'appel était connecté,
et n'était pas abandonné au profit d'un tout nouveau.
Il utilise également entièrement la même structure
de commutation à quatre étages pour les appels entrants
et sortants, au lieu d'une structure distincte, comme c'était
le cas dans les systèmes précédents. Ces développements
ont eu pour effet global de simplifier la structure de commutation
et de l'utiliser comme un « service » plutôt que
comme une partie immuable de l'appel, comme c'était le cas
dans la plupart des systèmes précédents.
Toutes les lignes sont terminées sur des cadres de liaison
de ligne (LLF) et toutes les liaisons principales et la plupart des
circuits de service sur des cadres de liaison principale (TLF). Chaque
TLF est connecté à tous les LLF par au moins dix joncteurs
. Les appels des abonnés proviennent des cadres de liaison
de ligne et passent par les cadres de liaison principale pour atteindre
leur destination.
Cadres de liaison de ligne
Les cadres de liaison de ligne (LLF) sont des niveaux de commutateurs
crossbar 10x20 dans deux baies ou plus. Les commutateurs de la première
baie ont leurs multiples horizontaux, ou « fils banjo »,
coupés en deux, divisant ainsi chaque commutateur en un commutateur
de ligne et un commutateur de jonction . Chacun des dix commutateurs
de jonction possède dix joncteurs sur ses dix verticaux, et
chacun de ses dix niveaux a été câblé comme
une liaison de ligne, vers l'un des dix commutateurs de ligne du LLF.
Ainsi, le cadre de liaison de ligne termine 100 joncteurs. Chaque
joncteur a une disponibilité totale pour autant de centaines
de lignes qu'il y a, via les centaines de liaisons de ligne. Le nombre
de lignes, donc le taux de concentration de lignes (LCR), a été
conçu pour l'occupation prévue.
Chaque commutateur de ligne de cette première baie mixte comporte
neuf lignes sur neuf de ses verticales, la dixième verticale
étant réservée aux fins de test. En plus des
90 lignes de ces commutateurs, chaque LLF comporte au moins une baie
de commutateur de ligne simple, avec dix commutateurs de ligne supplémentaires
portant 200 lignes. Ainsi, la taille minimale d'un LLF est de 290
lignes pour un rapport de concentration de lignes de 2,9:1. En option,
il comporte encore un autre châssis, avec dix commutateurs supplémentaires
et 200 lignes supplémentaires, et ainsi de suite, jusqu'à
un rapport de concentration de lignes maximal de 5,9:1 puisqu'ils
partagent tous les mêmes cent liaisons de lignes. Le circuit
de ligne est très similaire à celui du 1XB avec un relais
de ligne pour alerter le central d'une condition de déclenchement,
et les contacts verticaux hors-norme du commutateur vertical servant
de relais de coupure.
À des fins de contrôle, les lignes d'abonnés sur
les commutateurs du LLF sont divisées en groupes verticaux
de cinquante, soit cinq unités de ligne sur chacun des dix
commutateurs. Chaque groupe vertical est divisé en cinq fichiers
verticaux de dix lignes, ce qui est important car la classe de service,
ou l'identification du groupe de clients dans les bureaux Centrex
ultérieurs , est partagée par les dix lignes du fichier
vertical. Le personnel des bureaux Centrex a passé beaucoup
de temps debout sur des échelles, à recâbler les
champs de données de classe de service en haut du LLF.
Vers la fin de la carrière du 5XB, la taille des groupes de
jonctions et donc l'efficacité des liaisons des plus grands
bureaux ont été augmentées par l'utilisation
de cadres de liaisons de lignes auxiliaires (ALL). L'ALL est une baie
avec dix commutateurs de jonction, divisée comme d'habitude
en moitiés gauche et droite. Une moitié a sur ses niveaux
les liaisons de ligne d'un LLF pair et sur ses verticales, les joncteurs
du LLF impair voisin ; l'autre moitié est l'inverse. De cette
façon, chaque LLF peut utiliser les joncteurs de son homologue,
si le marqueur n'a pas réussi à trouver un chemin libre
lors de la première tentative. Comme ils sont pairs et impairs,
leurs joncteurs apparaissent sur les côtés opposés
des commutateurs de jonction de tronc, donnant ainsi également
accès aux liaisons de tronc homologues. Les connexions via
l'ALL n'étaient utilisées qu'en période de trafic
intense.
Cadres de liaison de coffre
Les joncteurs sont câblés depuis le LLF à
travers le cadre de regroupement de joncteurs jusqu'aux niveaux des
commutateurs de jonction de tronc dans le cadre de liaison de tronc
(TLF). Contrairement aux conceptions précédentes, les
joncteurs n'ont pas de relais de supervision ou d'autre matériel
actif, toutes ces fonctions étant attribuées aux circuits
de tronc. La conception de base du TLF comporte dix commutateurs de
jonction avec leurs multiples horizontaux divisés en deux,
donc deux cents joncteurs, et deux cents liaisons de tronc vers les
dix commutateurs de tronc. Le câblage banjo du commutateur de
tronc n'était pas divisé, mais une astuce de niveau
de discrimination a consacré deux niveaux pour doubler l'utilisation
des huit autres, permettant ainsi à chaque commutateur de tronc
de connecter seize troncs à ses vingt liaisons de tronc. Il
en résulte que le TLF a un taux de concentration de tronc (TCR)
de 0,8:1. Ce degré de déconcentration s'est finalement
avéré fournir trop peu d'apparitions de tronc pour la
variété de types de tronc nécessaires. Les derniers
bureaux 5XB des années 1970 avaient des commutateurs de tronc
de type C avec douze niveaux, utilisant deux pour la discrimination,
laissant un TCR d'unité.
Le TLF ayant deux fois plus de liaisons, de commutateurs de jonction
et de joncteurs que le LLF, il y a toujours deux fois plus de LLF
que de TLF. Dans sa conception initiale, le nombre maximum était
de dix TLF et de vingt LLF, appelés 10x20, et au début,
il était rarement atteint. À la fin des années
1950, plusieurs baies de commutateurs de jonction de jonction (ETL
et SETL) ont été ajoutées pour donner à
chaque TLF l'accès à davantage de joncteurs. La première
version étendue permettait à chaque bureau d'avoir 20x40,
et dans les années 1960, le maximum a atteint 30x60. Le développement
s'est arrêté à ce moment-là parce que la
disposition à quatre étages devenait progressivement
moins efficace à des tailles plus grandes, et parce que le
commutateur 1ESS à huit étages était en cours
de développement.
Un canal reliant une ligne à une jonction était constitué
de trois liaisons de la matrice de commutation : liaison de ligne,
jonction et liaison de jonction. Dans un bureau de 10 x 20 ou plus,
dix canaux, numérotés de 0 à 9, étaient
disponibles de n'importe quelle ligne à n'importe quelle jonction.
Le numéro de commutateur de jonction de ligne et le numéro
de commutateur de jonction de jonction sont identiques au numéro
de canal. La logique du marqueur compare les dix liaisons de chaque
type pour obtenir un canal libre. L'absence d'un canal est appelée
incompatibilité et a entraîné le choix d'une autre
jonction, ou d'une autre ligne, ou l'utilisation de ALL lorsqu'il
existe, ou l'abandon et la réessai de l'appelant.
Circuits principaux
Comme dans les conceptions précédentes, la supervision
des appels entrants est assurée par des ensembles de relais
appelés circuits de jonction entrants , qui se trouvent au
point d'entrée juste à l'extérieur du réseau
de commutation. Contrairement aux conceptions précédentes,
les circuits de jonction sortants sont utilisés pour les fonctions
sortantes équivalentes. Cela signifie que les joncteurs , qui
portent le même nom que les systèmes crossbar antérieurs,
sont simplifiés et ne sont désormais que des fils assurant
les liaisons entre les lignes et les jonctions. Les circuits de jonction
sortants, qui sont placés à l'extrémité
extérieure du réseau de commutation, sont responsables
de la supervision du côté d'origine. Étant donné
que différentes jonctions sortantes sont connectées
à différents endroits et sont utilisées pour
différents appels, leurs ensembles de relais peuvent être
spécialisés pour un type particulier de signalisation
ou de comptage d'appels (voir comptabilisation automatique des messages
) ou autre particularité. Ainsi, une jonction TSPS peut donner
un contrôle complet à un opérateur, tandis qu'une
jonction de signalisation E et M peut effectuer le type de signalisation
requis pour une ligne longue distance privée, tandis qu'une
jonction sortante locale peut être plus simple.
Grâce à ce circuit de jonction plus complexe, les jonctions
sortantes sont sélectionnées par une méthode
plus rapide et plus polyvalente que le test de manchon utilisé
auparavant. Chaque circuit de jonction fournit une masse sur un fil
FT pour indiquer l'inactivité. Les fils FT des jonctions d'un
groupe particulier sont interconnectés à un fil FTC
(frame test common) pour la trame de liaison de jonction sur laquelle
il apparaît, pour indiquer que le TLF a une ou plusieurs jonctions
inactives dans ce groupe. Le relais de route dans le marqueur de fin
de course connecte les relais de capteur à toutes les trames
de liaison de jonction, ce qui permet au marqueur de choisir une TLF
qui a une jonction inactive, puis de se connecter à cette jonction
via le connecteur de liaison de jonction (TLC) pour choisir l'une
de ces jonctions inactives. Cette méthode en deux étapes,
ainsi que le mélange du trafic entrant et sortant, répartit
le trafic de manière plus uniforme, atténuant ainsi
les problèmes de congestion de liaison qui survenaient souvent
avec les méthodes antérieures qui limitaient un groupe
de jonctions à une ou deux trames de commutation sortantes.
Cette méthode est moins efficace pour les téléphones
à pièces , qui nécessitent une signalisation
spéciale. Dans les zones urbaines, ces derniers étaient
desservis par des centraux plus anciens dotés de jonctions
séparées pour les téléphones à
pièces. Lorsque le 5XB était le seul central, un certain
nombre de méthodes de contournement ont été conçues.
Les téléphones ordinaires et les téléphones
à pièces partageaient les lignes à pièces
plus complexes et plus coûteuses, ou bien des itinéraires
séparés étaient établis, ou des lignes
à pièces étaient connectées via des commutateurs
en tandem , le 5XB lui-même agissant comme son propre tandem.
Dans ce dernier cas, l'appel devait utiliser deux connexions via la
matrice de commutation : une pour connecter la ligne à la ligne
de supervision des pièces et une autre pour connecter cette
ligne à la ligne sortante.
Il était également moins efficace pour les appels en
tandem, car la structure ne pouvait pas connecter directement une
liaison à une autre liaison. Au lieu de cela, chaque liaison
entrante ayant la capacité d'effectuer des appels en tandem
devait avoir une apparence de trame de liaison de ligne, comme s'il
s'agissait d'une ligne. Pour éviter les dépenses, les
liaisons entrantes étaient divisées en groupes, certaines
d'entre elles ayant la capacité de tandem et d'autres non.
Cette complication a été évitée dans les
endroits suffisamment grands pour payer un commutateur tandem séparé.
Chaque unité verticale, de droite à gauche, compte,
stocke et convertit une sélection : groupe entrant, pinceau
entrant, pinceau final, dizaines finales, unités finales.
La connexion des trunks aux registres entrants et aux expéditeurs
sortants ne se fait pas via la structure vocale à quatre étages.
Elle se fait plutôt via un réseau crossbar dédié
à un seul étage appelé respectivement lien de
registre entrant (IRL) ou lien d'expéditeur sortant (OSL).
Les registres et les expéditeurs sont répartis en groupes
de dix, chacun étant affecté à un niveau d'autant
de commutateurs crossbar que nécessaire en fonction du trafic
qu'ils peuvent gérer. Différents trunks sont câblés
à différents IRL ou OSL en fonction du type de signalisation
qu'ils utilisent, c'est-à-dire IRDP, IRRP (voir commutateur
de panneau ) ou IRMF .
Les systèmes précédents utilisent des relais
dans le circuit de liaison entrant pour contrôler la sonnerie
et renvoyer la tonalité d'occupation. Le 5XB utilise un commutateur
de sélection de sonnerie (RSS) : un commutateur à barres
croisées avec dix verticales, desservant dix liaisons. [ 7
] Les différents niveaux fournissent différentes tonalités
et un courant de sonnerie de différentes durées et cadences
(particulièrement utile pour les lignes partagées ).
Les niveaux 0 et 1 sont utilisés comme niveaux de discrimination
pour définir la polarité de la sonnerie sélective
côté pointe ou côté sonnerie . Un relais
RT à ressort particulièrement sensible est utilisé
pour détecter le décrochage d'une ligne en cours de
sonnerie, libérer l'aimant de maintien RSS et engager le relais
de supervision blindé afin que la supervision de la réponse
de la batterie inversée soit renvoyée à l'extrémité
d'origine.
Contrôle commun
Les méthodes de rappel, de train unique
et autres méthodes sophistiquées nécessitent
des contrôles plus sophistiqués, mais elles ont augmenté
l'efficacité et sont devenues la norme pour les conceptions
ultérieures. Le 5XB sépare également les registres
de réception des chiffres des émetteurs pour leur envoi.
Cette complication nécessite une plus grande transmission de
données entre les circuits de contrôle, mais réduit
considérablement le temps de maintien des émetteurs
et augmente l'efficacité générale et la polyvalence
sans avoir à intégrer la polyvalence dans des émetteurs
volumineux, nombreux et complexes comme dans les systèmes précédents
.
Les registres d'origine (OR) sont câblés
au cadre de liaison de jonction (TLF). Dans le 5XB d'origine, un marqueur,
une fois alerté d'une condition de déclenchement, sélectionne
un OR par le même mécanisme qu'il utilise pour sélectionner
une jonction, identifie un chemin libre entre la ligne et l'OR, charge
l'OR avec toutes les informations nécessaires au traitement
ultérieur (comme l'équipement de ligne et la classe
de service) et se libère. L'OR reçoit ensuite les chiffres
(rotatifs ou tonaux), les stocke dans des packs de relais Reed et
utilise le prétraducteur pour déterminer le nombre de
chiffres à recevoir avant de rappeler le marqueur pour terminer
l'appel.
Des systèmes 5XB plus grands ont été
construits dans les années 1960 avec davantage de marqueurs.
Pour économiser de l'argent, les marqueurs ont été
séparés en deux types : les marqueurs de tonalité
simples (DTM) pour connecter la ligne au bloc d'appels et les marqueurs
de fin d'appel (CM), beaucoup plus complexes et coûteux, pour
terminer l'appel vers ou depuis une ligne réseau. Le CM a,
entre autres fonctionnalités, la capacité de traduire
les 3 premiers chiffres d'un numéro de téléphone
(ou 6 en utilisant un traducteur de zone étrangère distinct)
pour identifier les lignes réseau sortantes et leur traitement.
Les connecteurs , dont le but est similaire
à celui des bus de données à l'intérieur
d'un processeur d'ordinateur, connectent les marqueurs à l'équipement
périphérique. Chaque connecteur est composé de
gros relais de 30 contacts chacun, pour connecter tous les fils par
lesquels le marqueur échangerait des informations et des signaux
de contrôle. Par exemple, chacun des packs de lames oblongues
d'un bloc d'exploitation devrait être connecté par cinq
fils via le connecteur de marqueur de registre d'origine pour transmettre
le code deux sur cinq représentant un chiffre composé.
Pour la vitesse, le transfert est entièrement parallèle,
ce qui nécessite de nombreux gros relais pour connecter autant
de fils. Les connecteurs qui répondent à la demande
d'action d'un circuit périphérique reçoivent
le nom du circuit demandeur et du « marqueur », comme
dans ORMC ou IRMC. Les connecteurs dont l'utilisation a été
demandée par un marqueur ne sont nommés que pour le
circuit auquel ils se connectent, comme dans le connecteur d'envoi,
le connecteur de liaison de ligne et le connecteur d'enregistreur
de problèmes.
L'un des inconvénients des systèmes
pas à pas et des autres systèmes antérieurs est
que la préférence pour le choix des liaisons principales
ou des liaisons de sélection est fixe et que les liaisons préférées
sont utilisées plus souvent, ce qui a pour résultat
que le même matériel défectueux bloque les tentatives
d'appel répétées jusqu'à ce qu'il soit
mis hors service. Les marqueurs 5XB ont été conçus
pour faire tourner les préférences de telle manière
qu'il est très peu probable que les mêmes éléments
de circuit soient utilisés lors de l'appel suivant. Ainsi,
si un appel rencontre un problème d'équipement, une
deuxième tentative réussira probablement.
En partie à cause de cette décision
de conception délibérée visant à protéger
les utilisateurs contre les pannes de composants, les quelques marqueurs
partagés contiennent un grand nombre de circuits d'auto-vérification.
Cela est possible car il n'y a que quelques marqueurs et bénéfique
car leur bon fonctionnement est essentiel. Les codes numériques,
par exemple, sont vérifiés pour s'assurer qu'exactement
deux des cinq lignes sont activées. Lorsque les circuits d'auto-test
intégrés d'un marqueur détectent une erreur,
une grande carte perforée est produite au poste de test pour
enregistrer la panne afin d'aider les aiguilleurs à la détecter
et à diagnostiquer la source. |
En 1949 un premier central urbain de type crossbar
fut construit dans la ville de Malmö en Suède ; aux Etats-Unis,
à la même époque, les
multisélecteurs crossbar étaient déjà fabriqués
industriellement ; toutefois, leur utilisation nétait pas
encore complètement maîtrisée.
sommaire
En Allemagne,1953-1955 Une variante le commutateur
KS 53 de Mix & Genest, Aktiengesellschaft Stuttgart

Schéma du commutateur de coordonnées KS 53 (Année
: 1953)
Le commutateur comporte 17 ponts correspondant chacun à un sélecteur
et 15 tiges portant chacune 17 ressorts de repérage.
Chaque tige peut prendre deux positions effectives, c'est pourquoi 30
sorties peuvent être obtenues avec une connexion à huit fils.
Les fils de contact correspondent aux balais d'un sélecteur rotatif
(entrée sélecteur). Cependant, si, comme dans ce cas, vous
avez besoin de sélecteurs comportant un maximum de quatre fils
à connecter, vous pouvez obtenir 56 sorties avec une connexion
à quatre fils en utilisant une disposition illustrée sur
la figure. Les sorties sont divisées en deux groupes (pairs et
impairs). La barre supérieure est utilisée comme barre de
commutation avec laquelle le groupe de contacts est sélectionné.
Lors d'un réglage, deux tiges aimantées doivent être
alimentées, une dans la zone de la tige de commutation et un dans
la zone des 14 tiges restantes.
Le commutateur est entièrement encapsulé et donc protégé
de la poussière ; sa fonction peut être observée à
travers une plaque de verre.
sommaire
EN FRANCE :
Technicien
Cp400
Au lendemain de la seconde guerre mondiale, les systèmes de conunutation
électromécaniques rotatifs de type Strowger, R6 ou Rotary,
ce dernier étant choisi pour équiper Paris en 1926, sont
en effet apparus dépassés.
En 1944-1945, l'état des télécommunications en France
était tragique.Sur les cent quarante centraux automatiques existants,
trenteneuf avaient été détruits par la guerre et
beaucoup étaient hors service. Avec à peine quatre lignes
pour cent habitants, la France avait un retard importantsur ses voisins
(sept lignes pour cent habitants en Allemagne, treize en Grande-Bretagne,
quinzeaux États-Unis).
Une Commission du plan de nodernisation de l'équipement était
bien nommée, mais le Gouuernement parait au plus pressé
:remédier à la pénurie alimentaire et énergétique,
reconstruire les infrastructures routières et portuaires...
Le développement des télécommunications a donc attendu
leVe Plan(1966) pour être évoqué. Il ne deviendra
une priorité qu'en1975.
A la fin des années 50, une technique nouvelle, plus souple d'exploitation
et dont la simplicité diminuait sensiblement les coûts d'entretien,
semblait prometteuse le Crossbar
L'administration souhaite faire évoluer le réseau
téléphonique français en l'équipant de nouvelles
machines améliorées par rapport aux commutateurs à
organes tournants dont les capacités d'écoulement de trafic
demeurent assez limitées.
Le Conseil Technique des PTT réuni en séance rend alors
un avis le 26 février 1953 demandant d'étudier les
dispositions envisagées dans les systèmes à barres
croisées, pour en tirer tous les enseignements possibles.-
Avril 1954 deux Commutateurs téléphoniques à
barres croisées sont commandés pour expérimentation
en grandeur nature.
- Un Commutateur prototype PENTACONTA de 2.500 lignes est mis en
exploitation à Melun le 23 juillet 1955 (jusques
au 30 juillet 1975).
- Un Commutateur prototype CP400 de 2.000 lignes est mis en exploitation
à Beauvais le 31 mars 1956 remplacé après
Octobre 1985
- Après les premières études menées sur ces
deux prototypes, le Conseil Technique des PTT, dans sa séance du
10 juillet 1957 propose à M. le Ministre des PTT de commander
des Commutateurs CP400 et PENTACONTA pour commencer progressivement le
déploiement en province.
- Après mise en exploitation d'une présérie en 1960
de Commutateurs PENTACONTA et d'une présérie de Commutateurs
CP400, le Conseil Technique des PTT émet le 16 novembre 1960
l'avis définitif suivant :
- de cesser au plus vite toute commande de nouveau Commutateur à
organes tournants
- d'adopter au plus vite :
1 - Le système CP400 pour les réseaux locaux et ceux
de province de structures relativement simples.
2 - Le système PENTACONTA, version de grande capacité
pour les réseaux complexes, comme Paris et la première
couronne, les grandes métropoles comme Marseille et Lyon, ou encore
Nice - Côte dAzur.-
(La version, le Pentaconta d'ITT / France, introduit en 1964, a
était employé dans plus de 70 pays)
Après ces deux premiers prototypes et quelques
préséries, les Commutateurs téléphoniques
crossbar français sont normalisés en 1963 sous l'autorité
de la SOCOTEL et prêts pour un déploiement massif
en France jusqu'en 1994.
Les différenys systèmes électromécaniques
à barres croisées type crossbar -déployés
en France sont les suivants :
-CENTRAL AUTOMATIQUE TOUT RELAIS (prototype),
-PENTACONTA type 500 (prototype),
-PENTACONTA type 1000 A,
-PENTACONTA type 1000 B (dont CT4 et CT4 CIA),
-PENTACONTA type 1000 C (GCI),
-PENTACONTA type 2000,
-CP400-BEAUVAIS (prototype),
-CP400-PÉRIGUEUX (présérie),
-CP400-ANGOULÊME,
-CP400-TROYES,
-CP400-BOURGES,
-CP400-BRIE-COMTE-ROBERT (prototype),
-CP400-AJACCIO,
-CP400-CT4,
-CP400-CIA,
-CP400-CUPIDON,
-CP400-POISSY,
-CP400-GCU,
-CP100.
Entre 1300 et 1500 commutateurs crossbar seront déployés
en France |
sommaire
Ericsson France a aussi installé dans les entreprises
cinq autocommutateurs de type Crossbar Privé appelé
gamme CP qui se sont décliné en :
- CP 25 pour 24 ligne de postes intérieurs et 4 lignes réseaux
- CP 25 E
- Cp 50 pour 48 postes intérieurs et 8 lignes réseaux
- CP 210/220/200 jusque 200 Lignes intérieurs et 20 lignes
réseaux
- CP 100 au dela de 200 Lignes intérieurs
Et provenant d'Ericsson Suède
- CP 6 pour 6 postes interieurs et 2 lignes reseaux
- Cp 16 pour 16 postes interieurs et 4 lignes réseaux
Le CP25
Il peut desservir 24 postes dabonnés et 4 lignes réseau.
Les postes peuvent être affectés à lune des
trois catégories :
- Postes de type Prise directe, qui donnent accès directement au
réseau téléphonique public des PTT,
- Postes de type Supplémentaire, qui ne peuvent établir
des communications avec le réseau PTT que via le pupitre opérateur
géré par une standardiste,
- Postes de type Privé, qui ne peuvent établir que des communications
locales
Les 4 emplacements de lignes réseau peuvent chacun recevoir des
plaques répondant à différents types dexploitation
des accès au réseau téléphonique public PTT
: standard public manuel ou réseau public automatique. Les communications
entrantes venant du réseau public sont acheminées par un
exploitant depuis le pupitre opérateur vers le poste demandé.
Chaque emplacement réseau peut aussi être utilisé
pour assurer une liaison inter automatique avec un autocommutateur privé
distant, permettant un appel direct entre les postes abonnés des
deux installations.
Le CP 25 E est équipé dun sélecteur
à barres croisées comportant des barres horizontales et
verticales ; ces barres associées aux circuits entrants et sortants
sont actionnées par des électroaimants et établissent
lors dune mise en communication une continuité métallique
au point de croisement des barres activées entre léquipement
demandeur et léquipement demandé (poste dabonné
vers poste dabonné ou vers ligne réseau
et inversement).
Lamplitude des mouvements mécaniques des barres est très
limitée. Les sélecteurs sont très fiables et ne nécessitent
aucun réglage, de même que les relais qui équipent
le système.
sommaire
Nous pouvons facilement reconnaître un commutateur CP400,
par ses éléments sélecteurs de base qui comportent
toujours de manière apparente 6 barres horizontales pour 10 barres
verticales.

CP400-PÉRIGUEUX. S'ensuit la présérie de
5 commutateurs CP400-Type PÉRIGUEUX améliorés, installée
dès 1960 à Périgueux.
CP400-ANGOULÊME. Arrive la première série de
production en masse encore améliorée de 115 commutateurs
de ce nouveau type en 1962 avec le premier d'entre eux installé
à Angoulême.
Leur capacité peut atteindre 10.000 abonnés. Les commutateurs
CP400-ANGOULÊME sont déployés jusquen 1970.
CP400-BRIE-COMTE-ROBERT. Prototype révolutionnaire mis au
point par le prolifique ingénieur des télécommunications
A. de Villelongue et ouvert en 1967, il s'agit du premier commutateur
à signalisation intercentre à Multi Fréquences,
au lieu de la signalisation par impulsions décimales jusqu'alors
utilisée. Gain de temps dans l'acheminement et fiabilisation accrus
des communications, notamment longue distance, avec augmentation de l'écoulement
du trafic.
Tous les CP400 précédemment installés sont rétroactivement
convertis à cette nouvelle signalisation, ainsi que les Pentaconta.
CP400-BOURGES. En 1968, la mise au point d'un nouveau prototype
installé à Bourges voit le jour dune capacité
de 8.000 abonnés destiné aux petites villes.
CP400-TROYES. Puis en 1969, une nouvelle série encore améliorée
de 22 commutateurs CP400-Type TROYES dont le premier est installé
à Troyes. Leur capacité peut atteindre 20.000 abonnés.
Les commutateurs CP400-TROYES sont déployés jusquen
1970.
CP400-AJACCIO. En 1969 également, une nouvelle série
avec d'autres améliorations issues du CP400-BOURGES voit le jour
à destination des villes moyennes. Au moins 29 commutateurs
de ce type sont ainsi déployés au 1er janvier 1972.
CP400-CT4 (Centre de Transit 4 fils). Apparu également en
1969 en premier à Grenoble et Tours, fait partie de la nouvelle
génération d'autocommutateurs de transit interurbains construite
à partir du matériel CP400, mais à commutation sur
4 fils. 24 commutateurs CP400-CT4 ont été déployés
en France.
CP400-CUPIDON (Centre Universel Pour lInterurbain
Dans l'Organisation Nouvelle puis Centre Universel Permettant lInterconnexion
Dans une Organisation Nouvelle). Puis arrive en 1970 la nouvelle version
CP400-CUPIDON encore améliorée à partir des perfectionnements
des types ANGOULÊME et TROYES, avec de meilleures capacités
de souplesse et découlement de trafic. Leur capacité
peut atteindre 30.000 abonnés. Arrivée très retardée
par la mort brutale de l'ingénieur Albert de Villelongue en août
1967. 415 commutateurs CP400-CUPIDON sont installés en France.
CP400-POISSY. Enfin, dès 1972, une nouvelle série
améliorée est inaugurée à Poissy, dénommée
CP400-POISSY, directement dérivée du CP400-CUPIDON et qui
est l'ultime perfectionnement, en France de ce système suédois,
avec l'adjonction d'un étage supplémentaire d'Aiguilleurs.
Il permet de prendre en charge jusqu'à 40.000 abonnés
voire 50.000 par cur de chaîne à laide de certaines
extensions supplémentaires. Il est pourvu de Traducteurs À
Tores (magnétiques), qui permettent de traduire jusqu'à
1000 directions différentes. Ces nouveaux traducteurs sont même
généralisés rétroactivement sur les CP400
précédents ainsi que les PENTACONTA, et même sur certains
ROTARY encore en service en 1972. 322 commutateurs CP400-POISSY
sont installés en France.
CP100, (nom complet : CROSSBAR pour PARIS ou CROSSBAR PARISIEN
100) est un autocommutateur simplifié, de taille réduite,
dérivé directement du CP400 conçu à lorigine
pour une capacité maximale de 3.000 abonnés. En raison de
son coût réduit, il est utilisé pour automatiser les
campagnes et les très petites villes de France en version typique
de 400 abonnés, ainsi quà remplacer les autocommutateurs
SRCT vieillissants. Ils sont déployés massivement en France
à partir de 1964.
En 1971, LM Ericsson avait produit un million de commutateurs,
conservant ainsi sa position dominante dans le développement et
la vente de crossbars dans le monde entier .
En 1975, le système Bell comptait plusieurs millions de commutateurs
crossbar installés dans les centraux nord-américains. De
plus, plus d'un million de ces commutateurs étaient fabriqués
par des fabricants extérieurs à l'Amérique du Nord.
Pendant au moins 40 ans, des entreprises sous licence et des imitateurs
ont fabriqué d'innombrables versions des commutateurs Ericsson
et Bell dans le monde entier.
sommaire
LE PENTACONTA
multisélecteur PENTACONTA à 14 barres horizontales.
La version PENTACONTA de grande capacité équipera
les réseaux complexes, comme Paris et la première couronne,
les grandes métropoles comme Marseille et Lyon, ou encore Nice
- Côte dAzur.
Le Pentaconta est conçu par les sociétés LMT et CGCT,
toutes deux filiales françaises de l'américain ITT.
La conception de ce système doit beaucoup à l'ingénieur
Fernand Gohorel qui supervise l'invention du Multisélecteur à
barres croisées.
Le radical "Penta" signifie que les abonnés sont regroupés
par modules primaires de 50. Il s'avère le système électromécanique
pourvu des meilleures capacités d'écoulement du trafic ;
il est retenu pour les très grandes villes françaises pour
cette raison, ainsi que pour les centres de transit interurbains de nouvelle
génération.
Chaque commutateur PENTACONTA, bien qu'électromécanique,
possède quelle que soit son importance une chaîne d'enregistrement
des incidents dont le rôle est d'éditer automatiquement une
carte perforée qui détaille le défaut, chaque
fois que le système constate une faute de fonctionnement ; progrès
remarquable pour l'époque où les microprocesseurs ne sont
pas encore inventés.
Nous pouvons facilement reconnaître un commutateur PENTACONTA, par
ses éléments sélecteurs de base qui comportent toujours
de manière apparente 14 barres horizontales.
Nous parlons d'ESL pour Équipements de Sélection de Ligne
d'abonné pour un PENTACONTA utilisé en commutateur d'abonnés,
et d'ESG pour Équipements de Sélection de Groupe pour un
PENTACONTA utilisé en centre de transit intercentraux.
289 commutateurs PENTACONTA sont mis en service en France. Le dernier
commutateur électromécanique de type PENTACONTA est commandé
en France en juin 1978, et les dernières extensions sont commandées
en juin 1979.
Le dernier commutateur PENTACONTA dÎle-de-France, celui de
Paris-Brune Chaîne Jeux est démonté le dernier trimestre
1994 et le dernier commutateur PENTACONTA de France, est démonté
à Givors le 6 décembre 1994. PENTACONTA type 500
(Multisélecteur à 500 points de sortie au niveau des ESL),
concernant la France, il est implanté pour la première fois
à Melun le 23 juillet 1955.
Ce système est capable de gérer jusqu'à 17.000 abonnés.
PENTACONTA type 1000 A (Multisélecteur à 1040 points
de sortie au niveau des ESL) dont le premier exemplaire est mis en service
à Albi en 1959.
PENTACONTA type 1000 B (Multisélecteur à 1040 points
de sortie au niveau des éléments ESL et à 1040 points
de sortie au niveau des ESG), développé dans les années
soixante, pour permettre de traiter jusqu'à 50.000 abonnés
ou circuits par cur de chaîne et pourvoir Paris et les très
grandes villes françaises. Paris en est équipé dès
le 21 janvier 1964.
PENTACONTA CT4 (Centre de Transit 4 fils). Apparu en 1966, fait
partie de la nouvelle génération d'autocommutateurs de transit
interurbains construite à partir du matériel Pentaconta,
mais à commutation sur 4 fils (au lieu de 2 fils).
11 commutateurs PENTACONTA CT4 ont été déployés
en France.
NGC (Nodal de Grande Capacité), de la nouvelle génération
d'autocommutateurs interurbains, est construit à partir du matériel
Pentaconta à commutation sur 2 fils. Le premier des 5 commutateurs
NGC est mis en service en février 1972 en France, à Lyon.
Les NGC sont, avant les évolutions ultérieures, équipés
de Traducteurs Quasi Électroniques (matrices à diodes
et transistor - en totalité abandonnés dès 1975,
pour être remplacés par des Traducteurs Impulsionnels à
Tores encore plus rapides à commuter).
Le NGC de Paris St-Lambert est le premier à être équipé
des nouveaux Traducteurs Impulsionnels à Tores dès sa mise
en service le 3 juin 1972.
PENTACONTA type 1000 C (Multisélecteur à 1040 points
de sortie au niveau des ESG). Conçu en 1965 aux USA.
Utilisé en France pour les GCI (Grand Centre de communication Interurbain)
de la nouvelle génération d'autocommutateurs interurbains
destinés à remplacer la génération à
organes tournants, mais à commutation sur 4 fils, avec même
sélecteur mais mise en uvre différente pour un écoulement
du trafic encore amélioré.
Le premier des 32 commutateurs GCI est mis en service en décembre
1973 en France, à Marseille. Ils sont équipés de
Traducteurs à Programme Câblé, dérivés
des Traducteurs Impulsionnels à Tores, mais plus adaptés
au type de structure des GCI.
Avec les débuts de l'informatique, certains GCI sont ensuite équipés
dès 1974 de Traducteurs à Programme Enregistré, et
d'une interface homme-machine informatique primitive comme celui de Marseille
St Mauront.
D'ailleurs les TPE ont vocation à remplacer rétroactivement
les autres types de traducteurs sur les pentaconta et autres CP400 appelés
à ne pas être remplacés rapidement par du matériel
de future génération. Il s'agit d'un nouveau type de Pentaconta
très évolué pour l'époque qui commence à
devenir substantiellement électronique par la création des
Unités de Commande Électroniques en remplacement des Unités
de Commande Électromécaniques initiales.
PENTACONTA type 2000 (Multisélecteur à 2080 points
de sortie au niveau des ESG).
Il est aussi bien utilisé en commutateur dabonnés
de grande capacité (50.000 lignes) quen CTU (Centre de Transit
Urbain), essentiellement pour Paris puis Lyon en 21 exemplaires.
Il est construit à partir du matériel Pentaconta à
commutation sur 2 fils.
Le premier CTU est inauguré en 1968 à Paris. Ce Pentaconta
accorde une grande part à l'électronique et sera l'objet
d'évolutions, y compris informatiques.
Le Pentaconta 2000 dispose d'une interface homme-machine par clavier et
console informatique primitive. Comme le type précédent,
le Pentaconta 2000 est très évolué pour l'époque
par l'innovation des Unités de Commande Électroniques en
remplacement des Unités de Commande Électromécaniques
initiales. Il est mis en service afin de dégorger le trafic dans
les très grandes villes françaises, en attendant l'arrivée
des centres de transit électroniques spatiaux et temporels prévus
les années suivantes
sommaire
- Le dernier Commutateur Crossbar de France est
commandé en 1979 et les dernières extensions également.
- Une partie des Commutateurs crossbar les plus récents et ceux
qui ont été conservés en exploitation le plus longtemps
ont été équipés de détecteurs de numérotation
à Fréquences Vocales (DTMF) par clavier.
- Il est décidé que les types de Commutateurs Crossbar les
plus anciens et les plus primitifs seront démontés en 1984-85
juste avant le passage à la Nouvelle Numérotation à
8 chiffres du 23 octobre 1985, tandis que les types les plus perfectionnés
seront, eux, adaptés au nouveau plan de numérotage moyennant
adaptations pouvant aller jusques à l'électronisation de
leur Unité de Commande initialement construite en technologie purement
électromécanique (à relais)
- Le dernier Commutateur d'abonnés Crossbar de France, un Pentaconta
1000 est désactivé à Givors (LZ23) le 6 décembre
1994.
- Il a existé en France, à partir de 1966, au moins 185
Commutateurs électromécaniques crossbar mobiles, en remorques.
Ils étaient destinés aux dépannages en cas de sinistres
des installations de télécommunications.
1994 Le dernier
central crossbar français, Givors, est basculé sur un central
électronique fin 1994.
Le dernier CP400 de France est démonté
à Langon en 1994.
sommaire
|
Méthode d'installation des
téléphones automatiques de l'abonné lors du
passage de la batterie locale au système automatique.
Méthode Ericsson suivie par la plupart des installateurs.
Lorsqu'une installation téléphonique
est automatisée, il est souvent possible de conserver les
mêmes lignes dans le système automatique, même
si quelques modifications et réparations peuvent être
nécessaires.
Le nouveau central automatique est relié par des joints de
transfert aux câbles primaires provenant de l'ancien central
manuel, et à un instant fixe tous les abonnés, ou
dans les grands centraux un groupe d'abonnés, sont basculés
vers le central automatique.
Si le central manuel est conçu sur le système à
batterie locale, les abonnés les stations ont été
équipées de cadrans ou remplacées par des téléphones
automatiques avant le basculement, afin de ne pas compliquer ce
processus.
Mais si l'échange manuel est organisé sur le système
à batterie locale, les téléphones (avec batterie
locale) des anciens abonnés ne peuvent évidemment
pas être échangés contre des téléphones
automatiques avant le basculement ; il faut plutôt le laisser
et installer également le nouveau téléphone
automatique.
Les téléphones à batterie locale doivent donc
être utilisés jusqu'au moment effectif de la commutation,
et ce n'est qu'à ce moment-là que les téléphones
automatiques peuvent être utilisés.
Le plan habituel pour cela a été de connecter la ligne
entrante de l'abonné à un commutateur spécial
avec lequel l'abonné peut basculer sa ligne d'un poste à
l'autre à une heure définie. Dans ce cas, cependant,
il s'est avéré nécessaire d'installer, outre
le commutateur, un condensateur en série avec le téléphone
à batterie locale, car autrement tout téléphone
dont la sonnerie est connectée directement à la ligne
d'abonné le ferait, une fois le basculement effectué.
(généralement la nuit), passez un appel au central
jusqu'à ce que l'abonné ait renversé le commutateur
et ait ainsi changé la ligne sur le poste automatique.
Outre des considérations de coût, cette disposition
n'est pas très pratique, car la ligne d'arrivée de
l'abonné ne peut pas être fixée définitivement
aux bornes de ligne du téléphone automatique avant
que la commutation ne soit effectuée, car l'interrupteur,
le condensateur et le téléphone LB doivent être
retirés. après. Afin déviter cela, la
méthode suivante a été élaborée
et récemment utilisée en pratique avec de bons résultats.

La figure 1 montre comment les connexions sont établies lorsque
le téléphone automatique est installé avant
le basculement.
La ligne L de l'abonné entrant est reliée aux deux
bornes de ligne L1 et L2 du téléphone automatique,
qui est donc immédiatement connecté dans sa position
permanente.
Le bornier de ce dernier comporte toujours deux bornes E B, pour
connecter une cloche supplémentaire, celles-ci étant
normalement reliées par une bande métallique. A ceux-ci
sont reliées les bornes de ligne du téléphone
à batterie locale, la bande métallique étant
repliée sur un côté.
Par conséquent, lorsque le crochet du téléphone
automatique est enfoncé, c'est-à-dire. lorsqu'il est
en position de signalisation, le téléphone à
batterie locale sera connecté à la ligne en série
avec la sonnerie et le condensateur du téléphone automatique.
L'impédance de la sonnerie est cependant beaucoup trop élevée
pour les courants de parole et ne peut donc pas être connectée
pendant l'utilisation du téléphone à batterie
locale . Il est donc court-circuité par un fil de connexion
ordinaire disposé au niveau du téléphone et
relié aux bornes de sonnerie sur la réglette du téléphone,
sorti par le trou pour le cordon du boîtier, et posé
autour du crochet du récepteur ou sur le microtéléphone.
et composez de manière à maintenir le crochet enfoncé,
comme dans les figs. 2 et 3.

Ce fil de liaison a deux fonctions, celle électrique de court-circuiter
la cloche qui sonne, et celle mécanique d'empêcher
le mouvement du crochet. Grâce à celui-ci (il peut
être opportunément émaillé et recouvert
d'une certaine couleur), le poste automatique est scellé
en position de sonnerie et indique en même temps à
l'abonné qu'il ne doit pas être utilisé. Le
téléphone à batterie locale est connecté
à la ligne de l'abonné en série avec le condensateur,
et la conversation peut ainsi se poursuivre sans perturbation.
Il est demandé à l'abonné de couper ce fil
de liaison à un moment déterminé, une fois
la commutation terminée, brisant ainsi le scellement mécanique,
après quoi le téléphone automatique sera utilisé.
En coupant le fil, le court-circuit à travers la sonnerie
est rompu et le téléphone automatique est remis en
état de fonctionnement normal, tandis que le téléphone
LB reste connecté comme sonnerie supplémentaire. Les
signaux entrants sonneront ainsi la cloche des deux postes. Après
un certain temps, un installateur arrivera et retirera le téléphone
à batterie locale et le fil de connexion, ce dernier étant
laissé en suspens jusque-là. Il reliera également
les deux bornes E et B par la réglette métallique.
Aucun changement ne doit alors être apporté à
la ligne entrante.
Grâce à cette méthode, le nouveau téléphone
automatique peut être installé très simplement
sans qu'un interrupteur supplémentaire ni un condensateur
ne soient nécessaires, tout en laissant en même temps
l'ancien téléphone à batterie locale en service.
Bien entendu, la méthode peut être utilisée
pour passer d'un système de batterie local aussi bien à
un système manuel qu'à un système automatique
à batterie centrale.
|
sommaire
En résumé : Bilan
d'implantation du Crossbar dans le monde

Le crossbar couvre tous les besoins du réseau de lépoque
: centres de transit urbain, centraux mixtes, interurbains ou internationaux.
Cela explique, avec le développement de la demande téléphonique,
la pénétration très rapide du crossbar sur le marché
français.
C'est en grande partie grâce au crossbar qu'est résolue
la grave crise du téléphone de 1965 à 1980.
La génération du crossbar s'éteint en décembre
1994, avant le passage à la numérotation à dix chiffres.
Le dernier central crossbar français, Givors, est basculé
sur un central électronique fin 1994.
Résumé
- Avec des capacités de lordre de 10 000 lignes, les systèmes
de commutation automatique se perfectionnent et se répandent dans
le monde entier.
La proportion dappareils automatiques passe de 15% en 1925 à
77 % en 1955.
- Ce système connaît son apogée dans les années
1960 / 70. Ces
Commutateurs sont cependant devenu totalement obsolètes.
- Les derniers Commutateurs crossbar de France sont démontés
en 1994, avant le changement de plan de numérotation (basculage
à 10 chiffres le 18 octobre 1996 à 23H00), car France-Télécom
renonce finalement à les adapter pour raison de complexité
et de coût.
Reportage Arrêt des derniers commutateurs Crossbar.
Fréquence n°85
janvier 1995
sommaire
Concernant la maintenance des systèmes Crossbar et leur durée
de vie :
Grâce à la commutation effectuée
par mouvements de très faible amplitude, il y a beaucoup moins
dusure que dans les systèmes rotatifs précédents.
Le résultat est quasiment "miraculeux".
De plus, les Multisélecteurs voient leurs contacts fabriqués
en alliages incluant palladium et or, ce qui assure une bonne protection
contre l'oxydation.
Ainsi, durant les 8 à 10 premières années de service
d'un Commutateur Crossbar, la maintenance y est bien plus réduite
que sur un système à organes tournants, tel que ceci avait
été promis par les concepteurs et fabricants.
Mais après cette première période, il est à
signaler que les pannes par faux contacts finissent par apparaître,
notamment dans les Multisélecteurs, pour se manifester de plus
en plus souvent.
De surcroît, les pannes deviennent progressivement de plus en plus
difficiles à localiser au fur et à mesure du vieillissement
général du Commutateur Crossbar.
Il devient alors nécessaire de former des équipes de techniciens
de maintenance très spécialisées, très aguerries
et très fines dans la recherche des défauts et leur résolution
; les défauts étant beaucoup moins visibles à localiser
que sur les systèmes à organes tournants (qui se détectaient
jadis surtout à lil et au son).
La fort désagréable surprise éclate aux yeux des
personnels d'exploitation et de l'ingénierie durant l'année
1974, quand une véritable "maladie", que personne n'attendait,
ciblant massivement les contacts des Multisélecteurs PENTACONTA
et CP400 est finalement découverte. Le CNET prend l'affaire en
main et étudie le phénomène : il s'agit d'une usure
en forme de cratère dont sont frappés les contacts tronconiques
des Multisélecteurs, et qu'il n'y a rien à faire (sauf à
procéder à des remplacements massifs au fur et à
mesure de l'apparition de la "maladie"). La maladie des contacts
est connue sous la dénomination Contact-Ventouse.
L'année 1974 marque alors un tournant qui laisse entrevoir
le besoin de remplacer sans tarder les Commutateurs électromécaniques,
notamment les Commutateurs d'Abonnés installés en zone à
fort trafic ainsi que les Centres de Transit Électro-Mécaniques
qui fonctionnent, de par leur rôle, en trafic par définition
intensif.
La conséquence sera à partir de cette époque la multiplication
des efforts pour aboutir au plus vite à la mise au point et au
déploiement de la technologie Électronique
Temporelle en lieu et place de lÉlectro-Mécanique.
sommaire
|