|
Naissance du système
Crossbar
Deux ingénieurs suédois, Gotthilf Ansgarius
Betulander et Nils Palmgren, contribuèrent au perfectionnement
des stations téléphoniques automatiques plus connues sous
le nom de système Crossbar (barres croisées)

sommaire
 |
GOTTHILF ANSGARIUS BETULANDER
1872-1941
Gotthilf Ansgarius Betulander est né à Lima, Dalarna
et était le fils du leader de l'église Evald Betulander
et Katarina Margareta Söderlund.
Marié à Anna-Lisa Johansson en 1893. Il a vécu
dans les villages de Södertörn jusqu'à son décès.
Betulander a été employé à la Telegrafverkets
(télécom en suède) en 1891 où il a reçu
une formation puis devenu contremaître en 1897, 1er dessinateur
et ingénieur en 1901 , et ingénieur de fabrication au
Département de génie de l'administration Telegraph de
1907 à 1937.
Entre 1905-1907, il était un expert au sein du Comité
pour l'examen de l'archipel des publiphones, 1918 il est membre du
conseil de génie électrique de l'Association suédoise
Inventeurs, en 1910-1920 il est membre du conseil et directeur technique
de AB Auto Betulander.
Betulander a déposé plus de 300 brevets sur des inventions
de téléphonie automatisée, il a réalisé
un travail important dans le développement des commutateurs
automatiques de téléphones, il peut être considéré
comme l'un des pionniers dans le domaine.
Betulander a d'abord conçu des systèmes téléphoniques
automatiques avec un sélecteur pas-à-pas, mais il a
ensuite basculé sur son système de relais, où
la sélection est exclusivement faite à l'aide de relais.
Autotelefon Betulander a cessé ses activités
en décembre 1919. Il décèdera en 1941 |
Bien que les sélecteurs Strowger,
mis en exploitation en 1892, aient eu plusieurs avantages, surtout la facilité
et la commodité dexploitation, ils susaient assez vite
et nécessitaient des soins perpétuels.
Cest pourquoi on continuait la recherche de solutions pour les dispositifs
fixes garantissant la communication des abonnés et les spécialistes
suédois Betulander et Palmgren commencèrent
à chercher un remplaçant pour le sélecteur Strowger.
En 1900 , G. A. Betulander conçu un commutateur avec des sélecteurs
rotatifs, qui a été exposé et démontré
à l'exposition universelle, exposition universelle à Paris
en 1900, où il a reçu une médaille d'or.
Après l'exposition, Betulander a installé l'interrupteur à
Järla Nacka qui a été utilisé pendant de
nombreuses années.
Premier commutateur

Centre téléphonique automatique de la construction de Betulander,
exposé à Paris 1900, puis utilisé à
Järla, Nacka., L'ancètre du cadran posé à
coté du téléphone
Poste d'abonné
Central téléphonique automatique Betulaner à 20 lignes
doubles.
Ce second commutateur rotatif construit par Betulander
et le commissaire télégraphique Johan Pehrson et qui a reçu
une médaille d'or à l'Exposition universelle de Paris en
1900. Ce commutateur n'a pas connu un grand succès mais a été
installé en Suède à Nacka quartier de Järla
où il a servi pendant de nombreuses années.
Le commutateur avec "dispositifs d'accouplement à déplacement
vertical" (sélecteur grimpant) que Betulander avait conçu
dès 1897 pour un usage interne à l'atelier a ensuite été
amélioré en plusieurs étapes et installé en
une vingtaine d'exemplaires, dans la région de Stockholm à
partir de la ville, villas de Södertörn en 1902 ... à
Östanbro (Enköping) ou il a fonctionné jusqu'en 1936.
.
Betulander a breveté plusieurs variantes sur les dispositifs d'impulsion
(dans le téléphone avant l'invention du cadran) pour contrôler
les relais dans les commutateurs.

.Photo des sélecteurs de montée Betulander, année
1900. Stand de Hultman avec registre et inverseur de
série pour 2000 abonnés. (regardez les cadrans
spéciaux des téléphones)
1905 Le central de Östanbro (Enköping) de 15 abonnés
(peut contenir un maximum de 20 lignes), a été placé
au-dessus de la porte de la chambre du poste de commutation. Démonté
le 19 juin 1936. L'objet appartient à la collection
du Telemuseum qui a été offerte par TeliaSonera AB au Tekniska
Museet en 2010.
Ce central téléphonique automatique à batterie locale,
et sélecteurs grimpant, fixés au mur, avec 2 appareils connectés
et armoire électrique. Cet équipement est doté d'un
type de sélecteur, que l'on peut facilement appeler sélecteur
d'escalade. Il s'agit essentiellement d'un type pas à pas avec
un mouvement, mais uniquement au niveau des articulations (verticalement).
Le fil de terre est utilisé par le central pendant la durée
de connexion de l'appel téléphonique automatique. Les connexions
sont telles qu'une branche de ligne et la masse sont utilisées
pour la connexion à l'abonné souhaité et l'autre
branche de ligne et la masse sont utilisées pour la réinitialisation.
La dérivation de ligne, qui n'est actuellement pas utilisée
pour la connexion ou la réinitialisation, est alimentée
pendant toute la durée de la connexion. Une batterie d'embrayage
commune d'env. Le 75 volts (pile sèche) dessert tous les abonnés.
sommaire
Cet appareil, alors presque inconnu en France, mais employé
sur une plus grande échelle en Suède, principalement
pour les petits réseaux ruraux, si développés dans
ce pays, mérite que nous en donnions aujourd'hui une description
plus détaillée.
Nous ne parlerons ici que du modèle le plus récent, à
batterie centrale intégrale (c'est-à-dire ne laissant chez
l'abonné absolument que son appareil et sa sonnerie, tout le reste
du mécanisme, y compris les générateurs de courant,
étant concentré dans le bureau central).
Pour éviter les erreurs possibles avec le système d'appel
primitif dans lequel l'abonné appelant formait chiffre par chiffre,
sur un cadran, le numéro de son correspondant et envoyait ainsi
au bureau central des courants qui actionnaient les sélecteurs
on a réalisé un poste où le numéro de l'appelé
est formé en entier, d'une façon permanente, sous les yeux
de l'abonné, au moyen de manettes rotatives et qui concernent chacune
un chiffre : milliers, centaines, dizaines, unités.
Le seul fait de décrocher le récepteur produit l'appel,
si la ligne appelée est libre ; sinon, l'appelant en est averti
par un ronflement, mais l'appel reste valable et se produit quand la ligne
devient disponible, par le seul fait que l'appelant n'a pas détruit
la combinaison du numéro sur son poste, et décroche à
nouveau son récepteur quand il juge à propos d'essayer à
nouveau de communiquer.
Les organes essentiels du système Bétulander sont les sélecteurs
dont il existe deux types : le plus simple, à un seul mouvement
(ascension des palettes établissant les contacts avec les plots
fixes du sélecteur), et l'autre à double mouvement (ascension
et rotation simultanées de ces palettes).
fig 2
La figure 2 montre un panneau de poste central, où sont groupés
des relais, des présélecteurs et des compteurs.
Nous allons étudier en détail ces organes, tant en eux-mêmes
que dans leur installation au poste central.
Sélecteur à un seul mouvement.
Ce sélecteur se compose d'une semelle S, sur laquelle est
montée, au moyen d'un axe G, la partie mobile.
Fig 3 & 4
Celle-ci comprend deux électros A et B munis de leurs armatures,
et une crémaillère H, susceptible d'un mouvement vertical.
Un troisième électro C, fixé à la partie inférieure
de la semelle S, sert à faire basculer la partie mobile quand il
est excité.
La crémaillère porte à sa partie supérieure
trois doigts isolés correspondant aux lignes 1et 2, et à
une troisième ligne de protection.
Quand C fait basculer la partie mobile du sélecteur, les doigts
« ligne i » et « ligne 2 » s'écartent des
contacts du tableau, mais la roulette de protection reste appliquée
sur les lignes qui lui sont propres.
Quand le courant passe en B et l'excite, sa palette étant attirée
applique le cliquet J sur la crémaillère, empêchant
tout mouvement de descente de celle-ci.
Enfin, quand A reçoit du courant et attire sa palette, un cliquet
K s'abaisse de la hauteur corres-pondant à une dent de la crémaillère,
et H s'élève sous l'action des ressorts r dès que
le courant a cessé.
Toutes les connexions du sélecteur aboutissent à des paillettes
p qui s'appuient sur des lames à ressorts du tableau, quand le
sélecteur est en place.
Ce fait, aussi bien que le mode de fixation du sélecteur sur le
panneau (sans l'intermédiaire d'aucune vis), permet de remplacer
un sélecteur en quelques secondes.Sélecteur de ligne à
deux mouvements.
Nous retrouvons sur le schéma de cet appareil (fig; 4) la
semelle S, les électros A, B, C, les paillettes p et les ressorts
r du sélecteur à un seul mouvement.
Mais la crémaillère H est différente : elle est solidaire
d'une tige cylindrique T, portant à sa partie supérieure
une rampe hélicoïdale U, dans laquelle peut se mouvoir, au
moyen d'un galet, 1'équipage mobile portant les doigts de contact
et la roulette de protection.
Cet équipage est monté sur une tige D, qui coulisse dans
les bras de la crémaillère H. Quand C est excité,
toute la partie mobile du sélecteur pivote autour de l'axe G, éloignant
ainsi des touches du tableau les contacts des lignes i et 2, la roulette
de protection restant seule en prise.
Si un courant traverse B, sa palette attirée fixe, par le cliquet
J, le cran d'arrêt sur la crémaillère.
Dès que A reçoit du courant, à son tour il appelle
sa palette, le cliquet K engage une dent et, à la rupture du courant
dans A, les ressorts antagonistes r font monter H d'un cran ; par suite,
T et U subissent le mouvement ascensionnel en forçant l'équipage
mobile à se déplacer vers la droite.

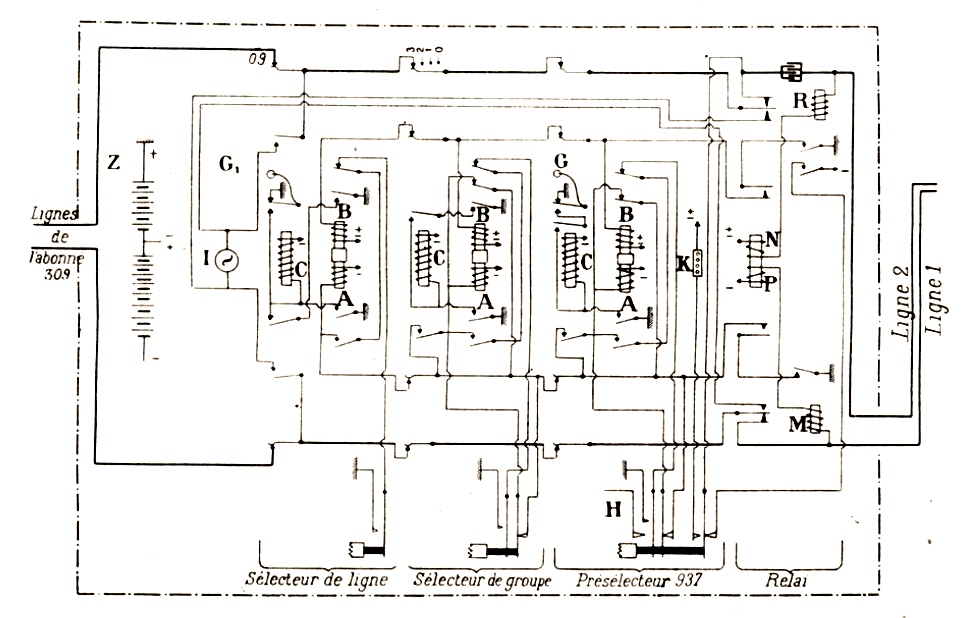
(Schéma d'un panneau de tableau pour 1000
abonnés, montrant la communication entre les numéros 937
et 309 )
Quand la première série d'émissions
a cessé, les trois électros A, B, C abandonnent, leurs palettes
et les doigts du sélecteur s'appliquent sur le tableau. Mais en
même temps, la crémaillère latérale Q, taillée
sur H, et qui a monté avec elle, permet à une palette L
de s engager.
Donc, quand la deuxième série d'émissions aura lieu,
la palette de l'électro B rendra solidaires (par l'intermédiaire
du talon P qui appuiera sur L) la crémaillère H et la tige
D ; par conséquent, 1'éleetro A élèvera en
même temps la rampe U et l'équipage mobile.
Poste d'abonné.
fig5
Un poste normal comprend, quatre manettes : unités,
dizaines, centaines, milliers; au delà de 10000 abonnés,
il faudrait cinq manettes.
Pour simplifier la figure 5, nous avons pris le poste de 100 lignes, a
deux maneites, seulement, et M2 ; ces manettes sont solidaires des disques
numéroteurs Di et D2, fous sur un arbre A.
Sur l'arbre A et en son milieu est fixé un secteur denté
S qui engrène avec un pignon P monté sur une boîte
à ressort B.
L'axe de cette boîte porte un bras B sur lequel sont montées
les paillettesde lignes p, lesquelles, tournant avec le bras, frottent
sur les contacts F disposés circulairement sur un disque isolant
1 renfermant la boîte B.
Enfin, un régulateur centrifuge R règle le mouvement de
rotation.
La manette du disque D, porte un cliquet C qui se met en prise avec un
disque d'armement E solidaire de A.
Donc, en abaissant la manette de Dl, le secteur S, agissant sur P, bande
le ressort du mouvement, et aussitôt Dj se retrouve fou sur son
arbre.
L'abonné peut donc composer son numéro, en amenant les manettes
en regard des chiffres voulus sur la face antérieure de son poste
.
Cette manuvre a pour but de faire tourner les disques D, et D2 entre
des paillettes de contact F, reliées électriquement aux
plots du disque I. Suivant le chiffre adopté pour chaque disque,
le nombre correspondant de paillettes F se trouve en court-circuit avec
la masse de celui-ci, et par suite ferme le contact de terre au passage
du bras rotatif B.
Tout le système est déclenché dès qu'on enlève
le récepteur de son support, et les pièces déplacées,
sous l'action des ressorts Z, reviennent à leur position initiale
quand on opère la manuvre inverse.Schéma de principe
du fonctionnement d'un poste central.
Nous décrirons le fonctionnement pour une station centrale
de 1 000 abonnés, en prenant deux abonnés quelconques
:
par exemple, le n° 937 appelant le n° 309.
Au poste central (fig. 2 et 6), chaque abonné possède un
relais (électros M, N, P, R), un présélecteur avec
ses électros A, B, C, et enfin un compteur de communications K.
Les nombres des sélecteurs de groupe et de ligne sont déterminés
d'après la densité du réseau (en général,
on en installe 10 % du nombre des abonnés).
Toute l'énergie nécessaire est fournie par le bureau central
au moyen d'une batterie Z et d'un alternateur I, celui-ci fournissant
du courant alternatif pour les appels par. sonneries polarisées,
tandis que la batterie suffit à tous les autres besoins.
La batterie Z est divisée en deux parties, d'où partent
les lignes +/-, + et -. ,
Le poste d'abonné, comporte des disques numéroteurs a, b,
c, commandés par les manettes dont nous avons parlé, et
permettant la formation du numéro à composer, soit ici le
309 ; puis un appareil parleur-récepteur combiné, avec crochet
commutateur, et une sonnerie polarisée.
Les contacts des disques a, b, c (fig. 6) aboutissent à des plots
fixes disposés circulairement, et sur lesquels vient frotter un
balai rotatif d, mis en mouvement par le fait qu'on enlève le récepteur
du crochet commutateur.
Dès que la rotation de d commence, la ligne a est d'abord mise
à la terre, ce qui actionne les électros N et R ; puis la
ligne 1 est mise à la terre une fois, actionnant ainsi les électros
M et P du relais, et par suite les trois électros A, B, C, du présélecteur.
Quand la rotation continue et que la ligne 2 seule reste à la terre,
l'électro A, n'étant plus excité, fait monter la
crémaillère d'une dent, et :
1° Si la première ligne est libre, C étant également
privé de courant laisse le présélecteur s'appuyer
sur les lignes du tableau
2° Si la première ligne est occupée, C reçoit
un courant de terre par la roulette de protection G du présélecteur
occupant cette ligne, et par suite le présélecteur considéré
reste soulevé.
Une nouvelle émission du poste répétera les opérations
précédentes jusqu'à l'obtention d'une ligne disponible.
A ce moment, les lignes 1 et 2 sont coupées d'avec la terre ; donc
l'électro B à son tour abandonne sa palette.
La ligne 2 se remettant à la terre, nouvelle action sur les électros
N et R du relais, B du présélecteur, et B du sélecteur
de groupe correspondant à In ligne libre déjà trouvée
par le présélectellr.
Quand la ligne 1 est mise à la terre par le poste, M et P du relais
sont excités, ainsi que A et C du sélecteur de groupe.
La rupture se fait ensuite entre la ligne 1 et la terre; A du sélecteur
n'étant plus excité, la crémaillère monte
d'une dent, laissant B et C excités.
Le même fait se reproduit quatre fois, puisque le premier disque
numéroteur a du poste 937 met quatre fois la ligne 1 à la
terre.
Puis, les deux lignes étant séparées de la terre,
le sélecteur de groupe s'appuie sur la ligne 3.
Les opérations précédentes se répètent
pour les deux autres disques numéroteurs, actionnant cette fois
le sélecteur de ligne, lequel est à deux mouvements.
Dans le cas présent, le disque b aura pour but de l'orienter vers
la droite pour trouver la colonne o ; et le disque c aura pour but de
le faire monter dans cette colonne pour obtenir le chiffre 9.
Le branchement est donc ainsi établi entre les abonnés 937
et 309.
L'appel se fait chez l'abonné 309 quand, par la rotation de d,
la ligne 2 du poste 937 se trouve seule mise à la terre, et finalement
la conversation peut avoir lieu.
Si la ligne demandée avait été occupée, la
roulette de protection Gt du sélecteur de ligne aurait reçu
un courant qui aurait maintenu excité son éleclro C, empêchant
ainsi le sélecteur de s'appuyer sur les lignes du tableau.
Donc, le branchement n'étant pas opéré, l'abonné
937 n'aurait pu écouter la communication en cours du poste 309,
et, d'autre part, il aurait été averti, par un « ronlleur
», de l'occupation de la ligne.
Dès que l'abonnné 309 décroche son récepteur,
le compteur de l'appelant (937) a son électro excité, ce
qui enregistre la communication obtenue.
Enfin, en raccrochant son récepteur, l'un ou l'autre des deux abonnés
en communication met la ligne i à la terre, ce qui a pour effet
d'exciter tous les électros B et C des sélecteurs ayant
fonctionné précédemment, et de ramener ainsi tout
le système à la position de repos.
Parmi les particularités du fonctionnement du commutateur Bétulander,
qui peut, bien entendu, s'adapter à tous les groupements d'abonnés,
depuis une dizaine jusqu'à un nombre illimité, nous signalerons
seulement celles-ci :
1° secret absolu des communications ;
2° tout appel suivi d'un signal d'occupation de la lignesubsiste et
peut se faire dès que la ligne est disponible, sans aucune autre
demande;
3° soulèvement de la partie mobile des sélecteurs pendant
leur mouvement, ce qui supprime tout frottement sur les contacts, évitant
ainsi l'usure.
Ajoutons que l'encombrement des panneaux de sélecteurs, dont l'épaisseur
est minime, est très restreint et qu'on peut desservir des milliers
d'abonnés avec un bureau dix fois moins vaste que les bureaux manuels
et dont les frais pèsent lourdement sur les budgets des administrations
téléphoniques.
Société
des Téléphones Automatiques (Systeme Betulander) action
de 1000 Fr vers 1910
sommaire
|
NILS PALMGREN avait un peu plus de 20
ans lorsqu'il était employé par la société
de développement AB Autotelefon Betulander.
Dans les années 1900 Lorsque le jeune ingénieur
télécoms se promenait un soir, il eut soudain une
vision de la façon dont dix lignes téléphoniques
entrantes dans un central téléphonique pouvaient être
mises en contact avec 100 lignes sortantes.
De retour à la maison, il a fait un croquis de ce qu'il avait
imaginé.
L'esquisse était d'importance historique, car elle a abouti
au principe de commutation, savoir comment il est possible de se
connecter et d'utiliser au maximum toutes les lignes sortantes disponibles.
Ce principe sera ensuite utilisé dans le système de
commutation crossbar et plus tard
dans les systèmes électroniques.
|
 |
En 1905, le compatriote de Betulander et
Palmgren, Ericson, proposa la création d'un système
à relais , une proposition qui était bien en avance sur
son temps. Ces études
ne furent pas appliquées en pratique mais ils sont devenus la base
de tous les systèmes à barres croisées qui suivirent.
Avant de voir l'évolution suivante de Palmgren
et Betulander, il faut se rapeler une autre avancée : l'Automanual
and All-Relay Systems
Le développement du système automanuel a commencé
en 1906 avec un brevet obtenu par Edward E. Clement, avocat
en propriété industrielle à Washington, DC. La North
Electric Company de Galion, Ohio, a produit et installé le système.
Charles H. North a fondé lentreprise à Cleveland,
Ohio en 1884, et elle est considérée comme le plus ancien
fabricant déquipements pour lindustrie téléphonique
indépendante du pays.
Au début du XXe siècle, Charles North s'est associé
à Ernst Faller, un citoyen allemand vivant à New
York, qui a reçu en 1901 le brevet américain 686 892
pour son système téléphonique automatique.
En 1907, North et Faller s'associent à Clement pour produire
le système automanuel. Avec le système automanuel,
les abonnés pouvaient utiliser des postes téléphoniques
conventionnels sans appareil de numérotation.
En décrochant le combiné, l'abonné appelant activait
une double recherche dans le central téléphonique : d'abord
pour retrouver la ligne appelante puis pour trouver un opérateur
libre. Un circuit entièrement relais a été utilisé
pour ce détecteur de ligne. Le poste de lopérateur
gratuit était commuté automatiquement et mis en position
découte afin que labonné puisse mentionner le
numéro de la ligne souhaitée. L'opérateur saisit
ce numéro sur un clavier (ce qui était beaucoup plus rapide
que de composer sur un disque rotatif) et appuyez sur une touche de démarrage
pour démarrer un dispositif à impulsions envoyant des impulsions
aux sélecteurs de ligne du téléphone.
échange. Comme le sélecteur Strowger, le sélecteur
North Electric avait deux mouvements, mais avec un mouvement de
rotation suivi d'un déplacement sur un axe horizontal uniquement.
Un équipement automatique permettait le comptage et la déconnexion
d'une ligne en fin d'appel sans intervention de l'opérateur. Une
fois l'appel établi, l'opérateur pouvait gérer l'appel
suivant. Ainsi le délai d'intervention d'un opérateur, et
partant le délai de saisie des circuits entre les opérateurs
et les automatismes, a été réduit au minimum. Par
conséquent, par rapport au fonctionnement manuel, le nombre dopérateurs
était considérablement inférieur. On prétendait
que dans le service automanuel, un opérateur pouvait traiter 1
500 appels par heure, contre 230 à 250 dans un service automatique
manuel. Les premiers centraux automatiques ont été installés
à Ashtabula et à Lima, Ohio, en 1914. Western Electric a
acquis les droits de fabrication en 1916.
La North Electric Company a développé un autre système
de commutation téléphonique vers 1913, qui utilisait
exclusivement des relais et était donc appelé
système entièrement relais.
Une première et unique application a été l'utilisation
d'une solution entièrement relais pour la ligne du central automatique
installé à Lima.
Une version entièrement automatisée du système tout
relais a été installée comme échange privé
au lycée Galion en 1920.
Le premier échange public de ce type a été installé
à Copley et River Styx, Ohio, en 1929. il s'appelait alors CX
(city Exchange) et installé dans plusieurs milliers de petits échanges
publics desservis par des sociétés indépendantes.
Le système CX tout relais doit son succès à sa grande
fiabilité et à ses très faibles besoins de maintenance.
En 1951, la North Electric Company a été rachetée
par L.M. Ericsson pour adapter et fabriquer l'équipement de barre
transversale L.M. Ericsson.
|
Rvenons vers 1910, G.A Betulander obtient
un congé du Telegraph Administration, il créé
sa propre société, AB Autotelefon
Betulander, avec une usine à Stockholm Suède.
Pour commencer N Palmgren, a travaillé sur
des conceptions de sélecteur mécanique et il a été
jugé souhaitable de les transformer en petits sélecteurs
de capacité limitée et de construction simple pour
assurer un fonctionnement suffisamment bon et fiable.
Afin de pouvoir les employer dans de grands systèmes, il
y avait développé un principe entièrement nouveau,
qui était important pour l'avenir, un système avec
des commutateurs primaires et secondaires et des relais pour mettre
en liaison.
Grâce au principe du système de liaisons par relais,
la compagnie Betulander s'est rapidement consacrée uniquement
à la construction de tels systèmes.
Le principe de la commutation croisée
a été breveté en 1912 par Palmgren et Betulander.
Un premier centre a été construit à Londres
en 1914
|
 |
Ci dessous, Plans
d'organisation du fonctionnement.
 
A droite le diagramme pour un tel système, qui était également
utilisé par la firme anglaise Relay Automatic Telephone Co. Ltd,
...
Voici les principes exposés, pour aller plus dans le détail,
vous trouverez en libtairie et sur le net toutes sortes d'informations.
Par la suite Palmgren a été employé
par Ericson, où il a travaillé jusqu'à sa retraite
à des postes qui comprenaient le directeur du laboratoire de la
station téléphonique. Palmgren
reçut plusieurs récompenses pour ses contributions, dont
le bronze en 1941 et la médaille d'or en 1946.
En 1950, il reçut la médaille d'or de la Société
suédoise d'ingénierie et cinq ans plus tard le prix d'argent,
la plus haute distinction d'Ericson.
Nils Palmgren était une personne calme qui trouvait facile de travailler
avec les autres.
Sa timidité le rendait réticent à parler de ses propres
contributions. Il est décédé en janvier 1975 à
l'âge de 75 ans.
Plus tard, en avril 1915, le New Autotelephone Betulander
a exposé au public un commutateur avec des Relais,
avec des sélecteurs de connexion de liaison d'un type similaire
au petit autocommutateur privé. qui avait été livré
à la Maison Marconi en 1914.

Nouvel AB Autotelefon Betulander Stockholm (Liljeholmen) avril 1915. Installation
d'essai pour le système de ligne intermédiaire (échange
à relais), construite dans le cadre d'une proposition d'automatisation
(voir histoire en Suède) du réseau
téléphonique de Stockholm.
Photo droite : Les deux rangées de racks à droite représentent
une station principale et les racks séparés à gauche
trois sous-stations. L'installation a été présentée
à l'agence Telegraph et aux journaux de Stockholm. (La projection
de presse a eu lieu le 26.4.1915). Description dans, entre autres, Ericsson's
Review 1947 p. 68-74.
Betulander et Palmgren ont demandé un brevet en 1919 pour un interrupteur
à bras horizontaux et verticaux qui contrôlait directement
un groupe fixe de ressorts de relais au point d'intersection.
sommaire
Par ailleurs en Mai 1913 , lAméricain John Reynolds
dépose une demande de brevet de commutateur à barre transversale
 |
La caractéristique de l'appareil
est un système électromagnétique qui, par l'action
des barres horizontales et verticales, actionnées par des relais
de façon directe et rapide, réalise une serie de contacts
aux points d'intersection.
Les raisons pour lesquelles le design Reynolds quand il est apparu
ne rencontrait pas beaucoup d'intérêt semble avoir été
nombreux :
- De gros capitaux ont été investis dans le développement
et la fabrication de sélecteurs mécaniques type Strowger
et Rotary.
- le sélecteur Reynolds,selon les spécifications de
brevets, était plutôt compliqué et probablement
coûteux à fabriquer, comparé aux sélecteurs
mécaniques.
- La vitesse de fonctionnement ne semble pas avoir été
excellente.
Reynolds a conçu son «interrupteur crossbar» comme
un sélecteur et il ne semble pas avoir eu accès à
tout les moyens avec lequel il était possible économiquement
d'exploiter ce commutateur.
En 1915 pour la Western, Reynolds dépose un brevet
1306124 .
Il n'y eut pas de suite,
|
Les reherches et améliorations Betulander se
poursuivent.
Le brevet est déposé
le 17 avril 1914 aux USA et est validé le 24
juillet 1917
Brevet de 1917
poste
La technique sera toutefois longue à mettre au point, d'autant que
tous les efforts mondiaux de recherche et de développement se concentraient
déjà presqu'exclusivement sur le développement des
systèmes à organes tournants.
Les premiers prototypes de sélecteurs à barres croisées
seront techniquement affinés et réellement opérationnels
en Suède à partir de 1919.
En 1919, Betulander perfectionna cette construction,
créant le sélecteur crossbar
qui fut utilisé dans les stations téléphoniques automatiques
à partir du milieu des années 1920. Le crossbar fut une
version aboutie et modernisée de linvention de Reynolds.
Betulander fut aussi parmi les premiers à formuler le concept de
commande indirecte avec lutilisation du régistre de mémoire.
Déjà en 1919, la Betulander Company construisit quelques
petites stations automatiques à barres croisées, qui se
firent une bonne réputation.

1923 Exposition de Göteborg . Système Betulander
Crossbar de démonstration
à 100 numéros
|
Usine Kungliga
Cest à cette époque-là que la première
station téléphonique automatique à barres croisées
fut ouverte à Göteborg, en honneur de 300e anniversaire
de la ville.
À la fin de 1919, la petite entreprise
Nay Autotelefon Betulander a été rachetée
par Ericsson en échange d'un paiement en espèces
et d'un accord de redevances sur les ventes à Televerket,
indépendamment du fait que les systèmes proposés
par Ericsson soient basés sur le système Betulander
et Palmgren.
Mais lannée suivante, Televerket a choisi le commutateur
AGF 500 pour les équipements automatisés à
Stockholm et à Göteborg.
Après la vente de son entreprise, GA Betulander
a repris son emploi chez Televerket, où il a été
chargé de concevoir une station pour Sundsvall sur
la base de son commutateur crossbar, mais sans les liens envisagés
pour compliquer le calcul du taux dachèvement des appels
pourtant nécessaires pour rendre le système compétitif
pour les grandes stations. La station a été mise en
service en 1926.
Le central de Sundsvall, 3500 abonnés en 1926
Modèle de Sélecteur
Crossbar
(Tekniska musée)
Depuis 1930, les centraux téléphoniques automatiques
furent construits en Suède par ERICSON sur la base de cette
technique.
Plus de mille stations de ce type sans liens ni balises ont
été fabriquées et installées par Televerket
au cours des deux décennies suivantes.
La technologie de commutation crossbar a donc survécu
en tant que système pour les stations téléphoniques
en Suède, car elle est devenue la norme établie pour
les stations de petite et moyenne capacité.
|
 |
sommaire
La nouvelle
technique dite « crossbar » est très prometteuse.
Cette fois, ce ne sont plus des organes tournants comme sur le Rotary
qui assurent les connexions, mais des barres croisées, doù
le nom de crossbar.
Le sélecteur est constitué de barres verticales associées
aux lignes entrantes et de barres horizontales associées aux lignes
sortantes.
Les barres, actionnées par des électro-aimants en fonction
de lappel, établissent le contact à leur intersection.
Cette nouvelle technique
est plus souple d'exploitation, notamment en ce qui concerne le montage
des multisélecteurs, ce qui permet de réaliser, par groupement
et multiplage, le raccordement de nombreuses lignes entrantes à
un nombre important de lignes sortantes.
Sa simplicité permet une diminution des coûts dentretien.
Ces nouveaux Commutateurs sont tous équipés dès leur
première mise en service dEnregistreurs et de Traducteurs
de numérotation qui constituent lOrgane de Commande du Commutateur.
Avec des capacités de lordre de 10 000 lignes, les systèmes
de commutation automatique se perfectionnent et se répandent dans
le monde entier.
La proportion dappareils automatiques passe de 15% en 1925 à
77 % en 1955.
Ce système connaît son apogée dans les années
1960 / 70.
sommaire
Il y eut aussi un système ne comportant que des
relais, inventé aussi par les deux suédois Betulander
et Palmgren .
C'était un système à commande directe, La première
idée fut de séparer le circuit de selection de celui de
connexion.

L'organe de séléction reçoit les impulsions du cadran
d'appel et cherche la ligne demandée, ne reste établie que
pendant la durée de fonctionnement de es organes. Dès que
le demandé est trouvé la connexion est établie par
l'organe de connexion et l'organe de selection est libéré.
La deuxième idée est que tous ces organes sont constitués
de relais de type uniforme (sauf le nombre de contact différe).
Le premier centre de démonstration de 100 lignes dabonnés
a été présenté à Marconi House à
Londres en 1913
Televerket (PTT Suédois) en a conservé les droits en
Suéde, mais a vendu les droits à une société
anglaise The Relay Automatic Telephone Co Ltd. Mais dans l'ensemble, le
système était limité à l'utilisation de PABX.
Il sera installé à Fleetwood Angleterre en 1922, Lancs,
en Inde et en France à Biborel (seine maritime) en zone rurale,
puis à Fontainebleau en 1927 .
Système capable de gérer jusqu'à
1000 abonnés, à Fontainebleau il s'avèrera trop coûteux
et trop complexe à entretenir et à faire évoluer. Il
sera finalement remplacé en 1943
.
«Les techniciens de l'époque considéraient
cette technique de connexion étrange et compliquée. Et ce
préjudice était assez naturel car il n'existait pas de méthode
scientifique et fiable pour calculer la capacité de traitement du
trafic des systèmes connectés par liaison.
Ils craignaient également que des défauts de relais occasionnels
dans les marqueurs communs ne provoquent un arrêt total des opérations,
une condition d'autant plus critique qu'il s'agissait de choisir un système
d'échange avec un grand nombre de lignes.
Il y a très peu de documents sur ce système, cependant
j'ai fini par trouver quelques pages d'explications dans le livre "La
téléphonie automatique" par H.Milon de 1926.
D'autres brevets de Betulander dont le modèle de
téléphone avec des touches en 1918, étonnant !!
Brevets 1918
1933 1942
Lorsque le système téléphonique suédois
a été automatisé, le crossbar a été
utilisé en parallèle avec le système 500 switch
d'Ericson.
sommaire
En France :
L'administration souhaite faire évoluer
le réseau téléphonique français en l'équipant
de nouvelles machines améliorées par rapport aux commutateurs
à organes tournants dont les capacités d'écoulement
de trafic demeurent assez limitées.
Le Conseil Technique des PTT réuni en séance rend alors
un avis le 26 février 1953 demandant d'étudier les
dispositions envisagées dans les systèmes à barres
croisées, pour en tirer tous les enseignements possibles.-
Avril 1954 deux Commutateurs téléphoniques à
barres croisées sont commandés pour expérimentation
en grandeur nature.-
- Un Commutateur prototype PENTACONTA de
2.500 lignes est mis en exploitation à Melun le 23 juillet
1955 (jusques au 30 juillet 1975).
- Un Commutateur prototype CP400 de 2.000 lignes est mis en exploitation
à Beauvais le 31 mars 1956 remplacé après
Octobre 1985
- Après les premières études menées sur ces
deux prototypes, le Conseil Technique des PTT, dans sa séance du
10 juillet 1957 propose à M. le Ministre des PTT de commander
des Commutateurs CP400 et PENTACONTA pour commencer progressivement le
déploiement en province.
- Après mise en exploitation d'une présérie en 1960
de Commutateurs PENTACONTA et d'une présérie de Commutateurs
CP400, le Conseil Technique des PTT émet le 16 novembre 1960
l'avis définitif suivant :
- de cesser au plus vite toute commande de nouveau Commutateur à
organes tournants
- d'adopter au plus vite :
1 - Le système CP400 pour les réseaux locaux et ceux de
province de structures relativement simples.
2 - Le système PENTACONTA, version de grande capacité pour
les réseaux complexes, comme Paris et la première couronne,
les grandes métropoles comme Marseille et Lyon, ou encore Nice
- Côte dAzur.-
multisélecteur PENTACONTA à 14 barres horizontales.
Après ces deux premiers prototypes et quelques
préséries, les Commutateurs téléphoniques
crossbar français sont normalisés en 1963 sous l'autorité
de la SOCOTEL et prêts pour un déploiement massif
en France jusqu'en 1994.
Les différenys systèmes électromécaniques
à barres croisées type crossbar -déployés
en France sont les suivants :
-CENTRAL AUTOMATIQUE TOUT RELAIS (prototype),
-PENTACONTA type 500 (prototype),
-PENTACONTA type 1000 A,
-PENTACONTA type 1000 B (dont CT4 et CT4 CIA),
-PENTACONTA type 1000 C (GCI),
-PENTACONTA type 2000,
-CP400-BEAUVAIS (prototype),
-CP400-PÉRIGUEUX (présérie),
-CP400-ANGOULÊME,
-CP400-TROYES,
-CP400-BOURGES,
-CP400-BRIE-COMTE-ROBERT (prototype),
-CP400-AJACCIO,
-CP400-CT4,
-CP400-CIA,
-CP400-CUPIDON,
-CP400-POISSY,
-CP400-GCU,
-CP100.
Entre 1300 et 1500 commutateurs crossbar seront déployés
en France |
- Le dernier Commutateur Crossbar de France est commandé
en 1979 et les dernières extensions également.
- Une partie des Commutateurs crossbar les plus récents et ceux qui
ont été conservés en exploitation le plus longtemps
ont été équipés de détecteurs de numérotation
à Fréquences Vocales (DTMF) par clavier.
- Il est décidé que les types de Commutateurs Crossbar les
plus anciens et les plus primitifs seront démontés en 1984-85
juste avant le passage à la Nouvelle Numérotation à
8 chiffres du 23 octobre 1985, tandis que les types les plus perfectionnés
seront, eux, adaptés au nouveau plan de numérotage moyennant
adaptations pouvant aller jusques à l'électronisation de leur
Unité de Commande initialement construite en technologie purement
électromécanique (à relais)
- Le dernier Commutateur d'abonnés Crossbar de France, un Pentaconta
1000 est désactivé à Givors (LZ23) le 6 décembre
1994.
- Il a existé en France, à partir de 1966, au moins 185 Commutateurs
électromécaniques crossbar mobiles, en remorques. Ils étaient
destinés aux dépannages en cas de sinistres des installations
de télécommunications.
1994 Le dernier
central crossbar français, Givors, est basculé sur un central
électronique fin 1994.
sommaire
|