Commutateur de ligne . Keith

Le Line Switch (ou Plunger switch) inventé par Keith (brevet 1,304, 324 ), était une grande amélioration pour l'architecture des centres téléphoniques automatiques de l'époque. (Voir les brevets n° 815 321 et 815 176, accordés le 13 mars 1906 à Keith, Erickson)
Son introduction a permis d'économiser de l'espace et des coûts. Cela a changé à jamais la façon dont les centrauxétaient conçus et construits.

1906 Les centraux Strowger à cette époque, exigeaient que chacun des X abonnés dispose d'un sélecteur dédié. Voir l'exemple à 6 lignes fig 1.
L'installation coûte très cher. le câblage devient rapidement incontrôlable.
Pour un système robuste de 1 000 lignes, il y aurait environ 1 million de connexions (2 fils chacune ) entre les commutateurs.

sommaire
fig 1 Central Strowger à 6 lignes avec un sélecteur par abonné

Keith a été le premier à introduire une méthode de concentration de lignes qui réduirait les coûts et la complexité du Strowger.
Les sélecteurs sont des mécanismes relativement coûteux, et ils ne servent qu’à passer un appel et non à en recevoir. De plus, seule une minorité (généralement 15 % du pire des cas) d'abonnés est active à un moment donné, donc un sélecteur par abonné est un gaspillage.

sommaire

Keith a inventé un nouvel élément appelé Line Switch (LS) : L'ajout de ce type de commutateur à la conception du système réduit les coûts globaux.

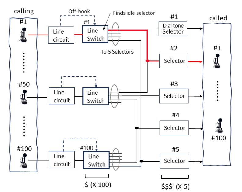
Explorons sa méthode en utilisant la figure 2 avec 100 stations. Les 100 stations des côtés droit et gauche sont les mêmes. Chaque LS a accès à seulement cinq sélecteurs, mais toutes les connexions filaires ne sont pas affichées. Surtout, il n’y a pas de Sélecteur dédié par abonné.
fig 2
Un LS est dédié à chaque abonné. Chaque LS fonctionne comme un présélecteur . Qu'est-ce que cela signifie ? Chaque LS (100) se voit attribuer le même sélecteur libre , parmi un groupe de cinq dans ce cas, avant que l'abonné suivant ne décroche. Lorsqu'un abonné décroche, son LS enfonce son plongeur dans une banque de contacts pour saisir le sélecteur (pré-choisi). Ce sélecteur est temporairement affecté au service du nouvel appelant. Il fournit une tonalité et accepte les deux chiffres composés (dans cet exemple) pour se connecter au sous-appelé.

Supposons que le sous-numéro 1 décroche et que le circuit de ligne (le relais de ligne fonctionne) indique que l'appelant a besoin d'attention. À l'aide de circuits non représentés, le LS du sub dimensionne instantanément son sélecteur de ralenti pré-choisi. Ainsi, le sous n°1 reçoit la tonalité du sélecteur n°2.
Il est important de noter que le sélecteur peut être de n'importe quel type, mais le type Strowger était le plus courant au début des années 1900.

Le Keith Line Switch a connu un grand succès et a été largement utilisé dans le monde entier.
Avant de comprendre le LS plus en détail, examinons une méthode compétitive. Cette technique tente d'obtenir des résultats similaires à ceux du LS mais en utilisant des moyens différents.

sommaire

L’approche Line Finder

Une méthode de concentration de ligne alternative au Line Switch a été inventée par Frank McBerty, ingénieur de Western Electric (AT&T).
Sa méthode a été décrite dans le brevet américain 1 117 511 déposé en 1910, accordé en 1914. Il a joué un rôle majeur dans le développement du système WE Rotary 7A.

McBerty était certainement au courant du système Line Switch de Keith. Cependant, il a cherché un moyen différent de réduire le nombre de sélecteurs dans un centre. Son brevet fait état d'un « Line Finder » (LF) sur sa première page et c'était un changement. Le brevet décrit un cas d'utilisation différent, mais l'idée de base était extensible. Il suggère un commutateur rotatif, mais ses idées s'appliquent également lorsqu'un Strowger ou un autre type de commutateur (Panel, Crossbar, autre) est utilisé comme détecteur de ligne.
Examinons un échange simplifié utilisant le Line Finder sur la figure suivante :

fig 3 Le Line Finder

Notez que le LF n'a pas remplacé le Line Switch. La disposition est nettement différente de celle de la figure 2. Aucun commutateur n'est dédié à chaque abonné. C'est la plus grande différence avec la méthode de Keith. Lorsqu'un téléphone décroche, le LF se met en mouvement pour « me trouver ». Voici une séquence typique d’opération.
Le sous-numéro 50 décroche. Le circuit de ligne demande une recherche LF gratuite pour le sous-numéro 50. Il peut s'agir de l'un des cinq LF gratuits.
Dans ce cas, LF #3 effectue la recherche et trouve le sous-numéro 50. Chaque LF est lié en permanence à un sélecteur.
Le sélecteur n°3 fournit la tonalité et accepte les deux chiffres composés (dans cet exemple) pour se connecter au sous-appelé.

Du point de vue de l'abonné, les méthodes de Keith ou McBerty présentent une expérience d'appel presque identique. Alors, quelle méthode est la meilleure en termes de coût ? Voir l'Annexe B.

Comme le montre l’histoire, le Line Finder a finalement gagné la mise, notamment pour les échanges de taille moyenne à grande. Néanmoins, le Keith Line Switch a été le premier sur le marché et a donné le ton en matière de réduction des sélecteurs coûteux lors d'un échange.
La méthode était populaire dans le monde entier à son apogée.

Voyons ensuite comment il a été construit et comment il a fonctionné

sommaire

À l'intérieur du commutateur de ligne à piston Keith

Si le commutateur était une simple conception rotative solo à 5 ou 10 étapes, cette discussion serait beaucoup de bruit pour rien. L’invention est tout le contraire et constitue l’un des commutateurs d’échange les plus complexes jamais construits. L'une des idées clés de Keith était de construire une tour de commutateurs interconnectés et regroupés, tous contrôlés par un élément commun qu'il a appelé le « commutateur principal ». Pourquoi si compliqué ? Le coût par ligne était donc nettement inférieur à celui d’un changement de ligne solo.

La figure 4 est une image du dispositif composite de Keith avec 50 commutateurs de ligne. L'ensemble de l'appareil est appelé une unité de commutation de ligne .
fig 4
Banque de 50 commutateurs Keith Line récupérés dans un échange rural en Nouvelle-Zélande, fabriqués par l'Automatic Electric Company, Chicago, 1920-1925. Du Musée des Sciences de Londres . Dimensions : 56" (1420 mm) x 21" (545 mm) x 10" (250 mm), 253 lb (115 kg).

Il y a deux composants identifiés : un interrupteur de ligne individuel et l'interrupteur principal. Les 50 commutateurs de ligne individuels sont apparents.

Fig 5, commutateurs de 100 lignes, sur charnières ouvert pour réparation.

La figure 5 est une vue d'un système de commutation à 100 lignes datant d'environ 1912.
Il y a deux piles de 50 LS chacune. Chaque pile est un unité de commutation de ligne . Il y a deux unités et un interrupteur principal au milieu de chaque unité. En règle générale, une unité prenait en charge 25 ou 50 commutateurs de ligne individuels.

Petit disclaimer, l'explication à suivre prend quelques libertés pour simplifier les bases de fonctionnement. Certains auteurs sur ce même sujet utilisent de nombreuses pages détaillant le fonctionnement du LS, clic par clic. Ce n’est pas le cas ici. Cela dit, découvrons ce qui motive ce bébé.

L'unité de commutation de ligne
Fig 6, Présentation de l'unité de commutation de ligne de Keith

La figure 6 est une vue de haut niveau d'un quadrant de la figure 5. Elle prend en charge 25 abonnés avec 25 commutateurs de ligne et un commutateur principal. Il y a 10 sélecteurs affichés et ceux-ci constitueraient logiquement une ressource pour les 100 LS du cadre.
Donc, pour 100 abonnés, cela prend en charge un de 10 % de tous les abonnés. Encore une fois, l'ajout du LS permet aux sélecteurs coûteux (tonalité et 1er chiffre au moins) d'être une ressource partagée et non dédiée à un abonné.

L'interrupteur principal (MS)

Ce composant pourrait également être appelé contrôleur de commutation. Les détails du fonctionnement interne de LS seront expliqués plus tard. À l'aide des chiffres indiqués sur la figure, suivons une séquence d'opérations pour préparer un LS à se connecter à un Sélecteur libre. Supposons que seul le sélecteur n°5 soit inactif.
Les dérivations (1) indiquent au MS quels sélecteurs sont occupés/inactifs parmi le groupe de dix.
Le MS fait tourner l'arbre de guidage (3) de sorte que tous les commutateurs internes du LS inactif (expliqués ci-dessous) pointent vers le sélecteur n°5, mais aucun ne le saisit. Le sélecteur n°5 est maintenant présélectionné pour être utilisé par le prochain LS actif. La MS et tous les LS inactifs sont dans un état d'attente.
Si le sous #K (ou n'importe quel sous) décroche, son LS saisit immédiatement le sélecteur n°5 et #K reçoit la tonalité.
Le MS trouve immédiatement un autre sélecteur libre, s'il est disponible, et répète les étapes 1 à 3 avec le nouveau sélecteur inactif.
La quantité de logique de contrôle MS pour les étapes 1 à 3 est minime, utilisant seulement quelques relais. Cependant, le fonctionnement mécanique n’est pas trivial, comme on le verra dans certaines images ci-dessous.

Les composants internes du commutateur de ligne de piston.

Explorons les composants internes de LS à l'aide de la figure 7.

Fig 7, composants internes simplifiés des commutateurs de ligne individuels
Comme déjà mentionné, il s'agit d'une vue de haut niveau et certains détails subtils manquent. Le mouvement du bras plongeur (opération de pivotement) est simplifié. Au cours de sa production, il existe plusieurs versions du Keith Line Switch, mais les différences dépassent notre portée.

Comme pour l'explication du commutateur principal, suivons une séquence d'opérations en utilisant les chiffres indiqués sur la figure. Pour commencer, supposons que MS commence à rechercher un sélecteur inactif, et qu'il s'agit du sélecteur n°5.

1 - Pour démarrer la recherche, l'interrupteur principal fait tourner (mouvement d'arc) l'arbre de guidage (1) relativement rapidement, une étape à la fois, à la recherche d'un sélecteur libre. L'arbre s'étend sur toute la longueur de l'unité et chacun des 25 LS y est physiquement couplé.

1 - Un arc de métal, le fantail, (2) suit la rotation de l'arbre de guidage sur tous les interrupteurs de ligne inactifs. Ainsi, si les 25 LS sont inactifs, chaque fantail tourne en suivant le mouvement de l'arbre de guidage.

3 - Le bras plongeur (3) est fixé au fantail . Au fur et à mesure que l'arc tourne, le piston et sa pointe (4), une cale ou une broche isolée, tournent également. Le MS arrête la rotation de l'arbre de guidage de telle sorte que le piston pointe vers le sélecteur libre n° 5 sur la banque (5). Le rouleau cale (4) n'entre pas encore en contact avec les bornes de la banque (5). Le MS et tous les LS sont désormais en état d'attente.

4 - Si l'abonné n°1 (ou n'importe quel sous) décroche, l'électro-aimant LS individuel EM (6) est mis sous tension, ce qui déplace le bras pivotant, forçant le coin plongeur attaché (4) dans la pile de bornes (7). Dans le même temps, (3) se déconnecte de l'arbre (1, 2), isolant le LS de l'interrupteur principal pendant l'appel.

5 - Les fils de la borne (7) T et R sont connectés respectivement à Ts5 et Rs5 par l'action du piston forçant les ressorts de contact à se toucher. Les fils T et R (noms de pointe et de sonnerie) sont directement connectés à la ligne téléphonique d'un abonné et les fils Ts et Rs vont aux sélecteurs individuels. Les versions futures ont ajouté un fil Sleeve (S) à des fins de contrôle.

6 - Lorsque le Sub #1 raccroche, le piston se rétracte de la pile de bornes (7). Les contacts sont désormais ouverts. Le bras plongeur (3) se rattache à l'arbre de guidage (1, 2) prêt pour un autre appel.

Alors c'est tout. Maintenant, essayer de déchiffrer le fonctionnement de la figure 5 devrait être un peu plus facile. Un auteur a déclaré que le design de Keith « exige l'admiration ». La chorégraphie est très intelligente et l'unité de commutation de ligne a considérablement fait progresser l'état de l'art en matière de conception d'échange à partir de 1906 environ.

Commutateur Line Finder (basé sur le Strowger de Keith ) avec relais de commande [Western Electric]

sommaire