Le
12 mars 1889, Sous le numéro 303
027 Almon Brown Strowger
a présenté la demande de délivrance d'un
brevet pour un centre téléphonique automatique,
qui a été accordée le 10 Mai 1889,
le numéro 447
918 . Le premier modèle fut achevé en
1890 et fut bientôt exposé au bureau de la compagnie
de téléphone du Kansas et de Missourie.
Cela a fonctionné de manière satisfaisante,
même si elle était encore très imparfaite
et a suscité l'intérêt du directeur de
la société Bell au niveau local.
US
486 909, LE
PREMIER SYSTÈME DE NUMÉROTATION

Un système fonctionnel, bien que sujet aux erreurs,
a été inventé par Automatic Electric
Company en utilisant trois boutons-poussoirs sur le téléphone.
Ces boutons représentaient les centaines, les dizaines
et les unités simples d'un numéro de téléphone.
Lorsqu'il appelait le numéro d'abonné 163,
par exemple, l'utilisateur devait appuyer une fois sur le
bouton des centaines, suivi de six pressions sur le bouton
des dizaines et de trois pressions sur le bouton des unités
Sur ce schéma les fils de numérotation sont
appelés g, h et i.
Le fil g (centaines) commande lascension du mécanisme
; le fil h (dizaines) commande la rotation du mécanisme
par dixièmes de tour ; le fil i (unités) commande
lavancée pas à pas jusquà
la position de labonné demandé.
Pour actionner le mécanisme permettant de relier
les abonnés entre eux sans lintervention dune
opératrice, Strowger imagine dajouter trois
fils aux deux qui suffisent à la liaison téléphonique
.
Ces trois fils aboutissent chez labonné à
des boutons qui servent à la numérotation
: lun pour le chiffre des centaines, le deuxième
pour le chiffre des dizaines et le troisième pour
le chiffre des unités.
Labonné demandeur compose le numéro
de son correspondant en appuyant sur ces boutons autant
de fois que nécessaire.
Avant 1891, de nombreuses inventions concurrentes
et 26 brevets pour des cadrans, des boutons-poussoirs
et des mécanismes similaires, spécifiaient
des méthodes de signalisation d'un poste téléphonique
de destination qu'un abonné souhaitait appeler.
La plupart des inventions impliquaient des mécanismes
coûteux et complexes et obligeaient l'utilisateur
à effectuer des manipulations complexes.
Le premier type de cadran Strowger à régulateur
à friction, est sorti en 1897 (voir ci dessous).
La forme de cadran communément
connue avec des trous dans la plaque tournante n'a été
introduite que vers 1904.
Bien qu'elle soit utilisée dans les systèmes
téléphoniques de l'indépendant compagnies
de téléphone, le service à cadran
dans le système Bell aux États-Unis n'était
pas courant jusqu'à l'introduction du modèle
Western Electric 50AL
en 1919.
Pour composer il faut donc faire tourner le disque pour
chaque numéro Centaine Dizaine et Unité.
Bien entendu, pour laisser aux mécanismes le temps
de se mettre en place, il est préférable
de ne pas aller trop vite.
Le cadran utilise un mécanisme de tension à
ressort qui permet à la roue de revenir d'elle-même
après avoir été tournée par
l'utilisateur lors de la composition du numéro.
Pour composer un numéro, l'appelant place son index
dans l'ouverture de la molette indiquant le numéro
en cours de composition, fait tourner la molette dans
le sens des aiguilles d'une montre jusqu'à atteindre
la butée du doigt, puis retire le doigt pour relâcher
la molette dans sa position d'origine.
Sommaire
La première installation publique
de l'équipement Strowger a eu lieu en 1892 à
La Porte, dans l'Indiana.
fig 1 L'un des premiers téléphones
automatiques, montrant les boutons-poussoirs pour
appeler.
La figure 1 montre le type de dispositif d'appel utilisé
dans la première installation. Il s'agissait d'une
série de touches d'envoi télégraphique
; En lisant de gauche à droite, on pouvait lire
les milliers, les centaines, les dizaines, les unités
et relâcher. Pour appeler un numéro, par
exemple, le 232, on appuyait deux fois sur le bouton des
centaines, trois fois sur le bouton des dizaines et deux
fois sur le bouton des unités. Il n'y avait pas
de facteur temps quant à la fréquence des
impulsions, car les aimants étaient actionnés
directement à partir des boutons-poussoirs. Pour
relâcher l'interrupteur, on appuyait un instant
sur le bouton de relâchement, ce qui ramenait l'interrupteur
à sa position normale. Le crochet du récepteur
ne faisait que contrôler le circuit de communication
local de la batterie.
Dans le même genre le clavier ou
cadran fabriqué par la Globe
Automatic Telephone Company (1900) se présente
sous la même forme, sauf qu'il fallait juste programmer
le numéro (3 chiffres) sur les 3 boutons coulissant.
Ce modèle fonctionnait sur le système téléphonique
automatique, inventé par J. J. Brownrigg et
J. K. Norstrom,
Ce système n'a pas vraiement obtenu de débouché,
contrairement au système Clark
en 1893 qui avait un cadran à 100 positions
Ce sytème fonctionnait avec un centre dédié
inventé par Clark.
Avec un cadran du même type il y avait La Western
Electric Company qui a mis à la disposition
des titulaires de licence de l'American Bell Telephone
Company un autocommutateur de 100 lignes et un autocommutateur
de 20 lignes.
Parallélement, d'autres inventeurs se mettent
au travail avec plus ou moins de succès comme Romain
Callender, qui appartient à l'entourage de
Bell et qui a breveté divers commutateurs automatiques
entre 1892 et 1896 avec 3 series de brevets. les premières
expériences réussies se passe à New-York
en 1895 avec des modèles de téléphones
en bois désignés : Brandford Exchange
ou de Callender Exchange.
Le système Callender a finalement échoué,
mais il a inspiré deux de ses jeunes employés,
George et James Lorimer,
à poursuivre les expériences. et
à mettre au point en 1903, le commutateur d'origine
canadienne conçu par les trois frères Lorimer
.
Pour fournir les impulsions de commutation,
Lorimers a utilisé un système de sélection
à disque et levier.
Quatre disques de contacts ont été construits
à l'avant du téléphone. Le numéro
a été sélectionné en tirant
chaque levier sur le chiffre correct du numéro
de téléphone, correspondant à des
milliers, des centaines, des dizaines, etc. Le numéro
sélectionné était affiché
dans une petite fenêtre.
Lorimers appelait ces disques «cadrans»,
et c'est de là que vient le terme «numérotation».
Une poignée a été mise en marche
pour enrouler un mécanisme d'horlogerie, et le
mouvement d'horlogerie fait tourner les disques à
une vitesse constante et envoie les impulsions de numérotation
sur la ligne. Ce principe permettait aussi à l'utilisateur
de vérifier le numéro avant de composer,
réduisant ainsi le risque de numéros erronés.
Ces différents modèles du tout début
de l'automatisme ont été très peu
répandu car le système Stowger
En 1900 , le Suédois G. A.
Betulander conçu
un commutateur téléphonique automatique, il
fut exposé à Paris 1900, puis utilisé
à Järla, Nacka et a été
utilisé pendant de nombreuses années.

Betulander a breveté plusieurs variantes sur les
dispositifs d'impulsion (dans le téléphone
avant l'invention du cadran) pour contrôler les relais
dans les commutateurs.
Cet appareil, alors presque inconnu en France, mais employé
sur une grande échelle en Suède, principalement
pour les petits réseaux ruraux, si développés
dans ce pays, mérite que nous en donnions aujourd'hui
une description plus détaillée.
Poste d'abonné
fig5
Un poste normal comprend, quatre manettes
: unités, dizaines, centaines, milliers; au delà
de 10000 abonnés, il faudrait cinq manettes.
Pour simplifier la figure 5, nous avons pris le poste de
100 lignes, a deux maneites, seulement, et M2 ; ces manettes
sont solidaires des disques numéroteurs Di et D2,
fous sur un arbre A.
Sur l'arbre A et en son milieu est fixé un secteur
denté S qui engrène avec un pignon P monté
sur une boîte à ressort B.
L'axe de cette boîte porte un bras B sur lequel sont
montées les paillettesde lignes p, lesquelles, tournant
avec le bras, frottent sur les contacts F disposés
circulairement sur un disque isolant 1 renfermant la boîte
B.
Enfin, un régulateur centrifuge R règle le
mouvement de rotation.
La manette du disque D, porte un cliquet C qui se met en
prise avec un disque d'armement E solidaire de A.
Donc, en abaissant la manette de Dl, le secteur S, agissant
sur P, bande le ressort du mouvement, et aussitôt
Dj se retrouve fou sur son arbre.
L'abonné peut donc composer son numéro, en
amenant les manettes en regard des chiffres voulus sur la
face antérieure de son poste .
Cette manuvre a pour but de faire tourner les disques
D, et D2 entre des paillettes de contact F, reliées
électriquement aux plots du disque I. Suivant le
chiffre adopté pour chaque disque, le nombre correspondant
de paillettes F se trouve en court-circuit avec la masse
de celui-ci, et par suite ferme le contact de terre au passage
du bras rotatif B.
Tout le système est déclenché dès
qu'on enlève le récepteur de son support,
et les pièces déplacées, sous l'action
des ressorts Z, reviennent à leur position initiale
quand on opère la manuvre inverse.Schéma
de principe du fonctionnement d'un poste central.
Berliner
aussi développe un centre automatique, ce système
comporte, comme les systèmes Stowger
et Betulander, des sélecteurs
et des présélecteurs, reliés
aux postes d'abonnés.
Le poste de l'abonné : est muni de quatre
secteurs gradués (donnant les numéros
jusqu'à 10000 abonnés; au delà, il
faudrait 5 secteurs).
On manuvre le levier de chaque secteur de façon
à indiquer les chiffres composant le numéro
du demandé : ce numéro s'inscrit sur un voyant
en dessous des secteurs, de sorte qu'on ne peut, à
moins d'inattention, faire erreur sur le numéro qu'on
va demander, tandis que dans l'appareil Strowger le disque
manuvré au doigt ne laisse pas trace des opérations,
et qu'on peut, si l'on est pressé, s'embrouiller
dans la série des manipulations, par exemple en répéter
une et fausser ainsi le numéro en voie de formation.
Le numéro du demandé étant ainsi formé,
l'abonné tourne quelques tours de la manivelle,
visible à droite du poste, et l'arbre qu'elle commande,
rappelé par un ressort qui vient d'être bandé,
produit une série de contacts avec les plots solidaires
des secteurs gradués, série de contacts qui
produit des émissions de courant en nombre correspondant
aux chiffres du numéro formé, sur les deux
circuits que constituent les fils de ligne et la terre,
prise comme troisième conducteur.
Les téléphones à cadran
rotatif ont été introduits en Autriche en
1910.
Avant cela, il existait des appareils à levier pour
quatre chiffres qui pouvaient être réglés
avec des leviers, dont la sélection était
transmise en tournant la manivelle.
De même que Berliner,le système
Dietl en
Autriche était aussi un système dérivé
du Strowger mis au point entre 1903 et 1905 alors que les
cadrans rotatifs étaient encore embrionaires.
Dispositifs à levier System Johann Föderl
.
Lorsque le centre automatique avec des sélecteurs
Dietl fut construit à Linz en 1925, les participants
reçurent des appareils à levier Johann
Föderl.
Les communications étaient établies directement
à l'aide des dispositifs à levier de commande.
Le dispositif à levier fonctionnait selon le principe
des caisses enregistreuses : préréglage du
numéro de téléphone à 4 chiffres
et envoi en tournant la manivelle.
Sommaire
Dans les années 1890, le tout
premier système de commutation téléphonique
automatique d'Almon Strowger
devenait de plus en plus connu, et il devenait évident
que la commutation automatique allait être indispensable
pour répondre au volume d'appels en évolution
dans le monde entier.
Strowger est le système qui sera majoritairement
adopté dans la plupart des pays, avec le cadran rotatif
de son invention.
En 1892 Strowger inventa le Modèle
de cadran à 3 fils (1 fil à la terre)
En 1896, Strowger
met au point un cadran à deux fils.
Dès lors, la numérotation est transmise par
des coupures cadencées sur la ligne à deux
fils de labonné demandeur.
Le schéma théorique permet de suivre le processus.
Lors de larmement du cadran (rotation dans le sens
des aiguilles dune montre), la bordure
extérieure de celui-ci est mise à la terre.
Par un frotteur sur laxe, cette terre est amenée
au fils a et b de la ligne de labonné. Lorsque
le cadran revient en arrière, ses dents soulèvent
un contact qui provoque la suppression de la terre sur le
fil a, le fil b restant à la terre. Ces coupures
sur le fil a agissent sur les relais qui commandent les
déplacements des organes mécaniques jusquà
létablissement de la relation avec la ligne
du demandeur.
Le premier disque conçu par Strowger comporte dix
cases (qui ne sont pas encore des trous) numérotées
de 1 à 9, la dixième portant la lettre X.
Cette présentation exclut le chiffre 0, pourtant
indispensable pour la numérotation décimale
des lignes dabonnés
La lettre X aurait-elle eu un double sens : chiffre 0 et
appel dune opératrice pour les relations à
longue distance (interurbain) ?
Le disque du cadran Strowger qui a réellement fonctionné
comporte onze trous, le onzième (après le
zéro) sert pour lappel dune opératrice
établissant les relations à longue distance
(interurbain).
Il
y figure des lettres, embryon de ce qui sera ensuite généralisé
pour la désignation des centraux de rattachement.
Mais neuf lettres seulement sont utilisées dont une
unique voyelle, ce qui limite les possibilités.
Lutilisation des lettres est indiquée sur la
gauche du disque : « Si une lettre se trouve devant
le numéro demandé, composer cette lettre avant
le numéro ». Lutilisation de lettres
est censée éviter aux utilisateurs davoir
un numéro comprenant trop de chiffres et difficile
à mémoriser.
Cest faire peu de cas de la mémoire de nos
ancêtres : de nos jours, nous avons à nous
rappeler de numéros à dix chiffres !
Sommaire
La contribution
la plus connue de Ericsson en téléphonie est
l'invention du cadran de téléphone.
La demande de brevet a été faite par
Keith et Ericsson le 20 août 1896, et le brevet
n ° 596 062 a été accordé
le 11 janvier 1898.


La méthode du cadran était basée sur
un cadran à molette au lieu des boutons
poussoirs, qui étaient encombrants et pas pratique.
La méthode du cadran, avec les systèmes de
commutation et de jonction, permettait un accès complet
aux vastes ressources d'un central téléphonique.
RB Hill, une autorité en matière de téléphonie,
a décrit ce développement important comme
suit :
« La numérotation fait remonter un ressort
dont la tension, lorsque le doigt est retiré, ramene
le cadran à sa position initiale. La vitesse est
contrôlée par un mécanisme d'échappement,
et, pendant le retour, le nombre requis d'interruptions
de circuit est envoyée sur la ligne pour contrôler
le mouvement de l'appareil du bureau central. "
Cette invention était un développement distinctif
et unique; le principe n'a pas été remplacé
avant l'arrivée du clavier à fréquence
ou numérique d'aujourd'hui .
Les inventeurs de la vallée de Smoky, qui s'étaient
toujours placés sur la voie de la découverte,
voyaient se concrétiser leurs espoirs et leurs rêves.
Sommaire
Evolution des cadrans Strowger

L'évolution du cadran Strowger Quelques points
saillants du développement du cadran d'AutomaticElectric
Inc.
Extraits d'un article présenté devant
la Society of Automatic Telephone Engineers à Chicago.
le jeudi 3 mars 1927.
Lorsque l'utilisateur d'un téléphone automatique
actionne le cadran de son téléphone, il pense
rarement aux années et aux années d'expérimentation,
d'essais et de développement qui ont permis de produire
cet appareil apparemment simple et pratiquement sans problème.
Même s'il y pense un peu ou se demande comment il
fonctionne, il ne se rend probablement pas compte de l'importance
de ce petit mécanisme et du fait qu'il doit faire
un certain nombre de choses avec une exactitude scientifique
et une uniformité absolue pendant toute sa durée
de vie de plusieurs années, sans aucune attention.
Le fait est que des années de recherche
et d'expérimentation ont été nécessaires
pour produire, par des méthodes de fabrication pratiques,
un cadran capable d'exécuter ses fonctions nécessaires
de manière fiable pendant de longues périodes
de temps sans aucune attention.
L'histoire du développement et du perfectionnement
du cadran automatique, depuis ses débuts bruts jusqu'à
son état actuel de perfection, comme l'illustre le
cadran Type 24, est l'une des histoires les plus intéressantes
de tout le domaine de la téléphonie automatique.
Dans cet article, nous décrivons et illustrons certaines
des améliorations remarquables qui ont caractérisé
le développement du cadran par le personnel d'ingénierie
d'Automatic Electric Inc.
Au début de l'histoire du système téléphonique
automatique Strowger, les mouvements verticaux et rotatifs
de tous les commutateurs centraux étaient directement
contrôlés par des impulsions de cadran.
Lorsque l'utilisateur du téléphone automatique
actionne le cadran de son téléphone, il pense
rarement aux années et années d'expérimentation,
d'essais et de développement qui ont permis de produire
cet appareil apparemment simple et pratiquement sans problème.
Même s'il y pense un peu, ou se demande comment il
fonctionne, il ne se rend probablement pas compte de l'importance
de ce petit mécanisme, et du fait qu'il doit faire
un certain nombre de choses avec une exactitude scientifique
et une uniformité absolue pendant toute sa durée
de vie de plusieurs années. sans aucune attention.
Le fait est que des années de recherche et d'expérimentation
ont été nécessaires pour produire,
par des méthodes de fabrication pratiques, un cadran
capable d'exécuter ses fonctions nécessaires
de manière fiable sur de longues périodes
de temps sans intervention.
L'histoire du développement et du perfectionnement
du cadran automatique, depuis ses débuts bruts jusqu'à
son état actuel de perfectionnement, comme l'illustre
le cadran de type 24, est l'une des histoires les plus intéressantes
de tout le domaine de la téléphonie automatique.
Dans cet article sont décrites et illustrées
certaines des améliorations remarquables qui ont
caractérisé le développement du cadran
par le personnel d'ingénierie d'Automatic Electric
Inc.
Au début de l'histoire du système téléphonique
automatique Strowger, les mouvements verticaux et rotatifs
de tous les commutateurs centraux étaient directement
contrôlés par des impulsions de cadran. Ce
n'est qu'en 1899 que le mouvement rotatif est devenu automatique.
La première installation publique de l'équipement
Strowger a eu lieu en 1892 à La Porte, dans l'Indiana.
fig 1 L'un des premiers téléphones
automatiques, montrant les boutons-poussoirs pour
appeler.
La figure 1 montre le type de dispositif d'appel utilisé
dans la première installation. Il s'agissait d'une
série de touches d'envoi télégraphique
; En lisant de gauche à droite, on pouvait lire les
milliers, les centaines, les dizaines, les unités
et relâcher. Pour appeler un numéro, par exemple,
le 232, on appuyait deux fois sur le bouton des centaines,
trois fois sur le bouton des dizaines et deux fois sur le
bouton des unités. Il n'y avait pas de facteur temps
quant à la fréquence des impulsions, car les
aimants étaient actionnés directement à
partir des boutons-poussoirs. Pour relâcher l'interrupteur,
on appuyait un instant sur le bouton de relâchement,
ce qui ramenait l'interrupteur à sa position normale.
Le crochet du récepteur ne faisait que contrôler
le circuit de communication local de la batterie.
La figure 2 illustre le premier type
de cadran d'appel fabriqué, qui utilisait un mouvement
oscillant ainsi que des moyens de régulation pour
contrôler la vitesse des impulsions. Ce type de cadran
a été fabriqué en 1893 et a été
installé à Wilwaukee. Le "cadran à
doigts" était constitué d'une plaque
en laiton moulé ayant des ailettes perpendiculaires
appelées "maintiens pour doigts". Lorsque
le cadran était en position normale, l'abréviation
"TEL." était visible à travers la
fente de la partie fixe du cadran, qui servait de butée
pour les doigts. Lorsque le premier chiffre était
composé, l'action de la roue à rochet (connue
sous le nom de roue "étoile"), montrée
dans la vue arrière, déplaçait le segment
portant le mot "TEL." vers une autre position
et le mot "centaines" apparaissait. Lorsque le
chiffre suivant était composé, la roue à
rochet avançait vers une autre position. lorsque
le mot "dizaines" apparaissait. La composition
du dernier chiffre du nombre révélait le mot
"unités".
Ce cadran était actionné au moyen d'un ressort
d'horloge utilisant le type de régulateur à
échappement, ce dernier constituant un côté
du circuit d'impulsion. La feuille de platine, visible sur
le bras gauche du régulateur, est entrée en
contact avec le ressort représenté juste en
dessous. Afin de déconnecter les interrupteurs, il
a fallu remettre le récepteur sur le crochet, en
ramenant simultanément la roue étoilée
à sa position normale, le mot "TEL" redevenant
visible à travers l'ouverture. C'était le
premier cadran fabriqué dans lequel le doigt était
utilisé pour appeler un numéro, et dans lequel
les impulsions correspondaient aux chiffres composés.
Le brevet était suffisamment large pour interdire
à quiconque de fabriquer un cadran fonctionnant ainsi.
L'étape suivante dans le développement du
cadran est illustrée à la figure 3,
dans laquelle un potentiomètre à mercure a
été utilisé pour réguler la
vitesse d'impulsion. Cette conception a été
adoptée afin d'éliminer ou au moins de minimiser
le bruit du régulateur d'échappement. Ce type,
fabriqué en 1896, a été installé
à Amsterdam, N. Y. Le cadran à doigt était
similaire à celui de la conception précédente
qui avait les "prises de doigt", et était
en fonte et laqué. Les impulsions étaient
produites par un type de came oscillante fonctionnant dans
un seul sens, c'est-à-dire lors de la course de retour.
La disposition de la roue étoilée. On notera
que le crochet récepteur a une course exceptionnellement
longue, dont le but était d'assurer un temps de déclenchement
suffisant pour les interrupteurs, car ces derniers étaient
alors actionnés en mettant d'abord sous tension le
bouton rotatif.
La figure 4 montre le premier type de cadran à
régulateur à friction, sorti en 1897
et installé à Augusta, en Géorgie.
Le "finger dial" de ce dispositif d'appel était
le même que celui illustré à la figure
3 et les impulsions étaient fixées de manière
similaire.
Cependant, un régulateur à friction entraîné
par engrenage a été utilisé pour contrôler
la vitesse d'impulsion.
Il convient de noter que le crochet récepteur a une
course exceptionnellement longue, dont le but était
d'assurer un temps de déclenchement suffisant pour
les interrupteurs, car ces derniers étaient alors
actionnés en mettant d'abord sous tension le bouton
rotatif.
Il faut noter que le crochet récepteur a une course
exceptionnellement longue, dont le but était d'assurer
un temps de déclenchement suffisant pour les interrupteurs,
comme ces derniers étaient alors conçus, en
activant d'abord les aimants rotatifs, en les maintenant
sous tension, puis en activant les aimants verticaux. Les
interrupteurs n'avaient ni relais ni aimants de déclenchement.
Ils étaient constitués d'une paire d'aimants
rotatifs, d'une paire d'aimants verticaux et d'un aimant
privé, le déclenchement de l'interrupteur
étant réalisé par une action de came
qui devenait effective lorsque l'élément rotatif
était maintenu en position de fonctionnement. Ainsi,
lorsque l'aimant vertical était alors actionné,
le cliquet vertical ne s'engageait pas dans les dents du
cliquet, mais déverrouillait le double ergot et permettait
ainsi à l'arbre de revenir à sa position normale
au moyen du ressort rotatif et de la gravité.
A cette époque, le premier téléphone
de bureau automatique a été fabriqué
en prenant le téléphone mural, qui est représenté
sur la figure 4, et en le montant sur un piédestal.
L'année 1899 a été témoin de
changements marqués dans le système Strowger.
Jusqu'à cette époque, il n'y avait pas de
sélection automatique des lignes principales. Cette
année-là, des relais furent également
ajoutés aux commutateurs afin que les impulsions
n'actionnent pas directement les aimants mais actionnent
les relais qui, à leur tour, actionnent les aimants.
L'aimant de déclenchement fut également ajouté
au commutateur Strowger et, bien qu'il puisse sembler à
première vue qu'il devienne compliqué à
cette époque, il fut en réalité perfectionné
dans son action mécanique pour assurer la rotation
automatique de l'arbre du commutateur.
Ce cadran est représenté sur la figure 6 et
était connu sous le nom de cadran "pièce
en J", car le bras qui fonctionnait pour démarrer
la rotation du commutateur avait une forme similaire à
la lettre " J ". Ce type de cadran fut installé
à New Bedford, dans le Massachusetts.
La figure 5 montre le cadran fabriqué
cette année-là et installé à
Berlin, en Allemagne, et à Ithaca, à New York
afin d'assurer la sélection automatique des lignes,
le "0" était composé après
le premier chiffre. Par exemple, si le numéro 212
était appelé, les chiffres 2012 étaient
composés. Le "0" étant utilisé
pour délivrer dix impulsions pour l'action rotative
du sélecteur. Si la première ligne n'était
pas occupée, les neuf impulsions restantes ne déplaçaient
pas le commutateur, mais il était nécessaire
de composer ou d'appeler le "0" au cas où
les neuf lignes seraient occupées. On notera en se
référant à la figure 5 que le crochet
récepteur est sous le contrôle du même
régulateur qui contrôle les impulsions du cadran.
La libération lente ne s'est pas révélée
entièrement satisfaisante dans le modèle montré
à la figure 4.
Un autre changement important dans le système Strowger
s'est produit en 1900. Il permettait la sélection
automatique des lignes sans avoir à composer un chiffre
supplémentaire au-dessus du numéro appelé
afin d'assurer la rotation automatique de l'arbre du commutateur.
Ce cadran est illustré à la figure 6
et était connu sous le nom de cadran « j piece
», car le bras qui fonctionnait pour démarrer
la rotation de l'interrupteur était semblable à
la lettre « J ». Ce type de cadran a été
installé à New Bedford, dans le Massachusetts
La figure 7 montre le type de cadran
fabriqué en 1901 et installé à Fall
River, dans le Massachusetts. Un commutateur a remplacé
la pièce en « J », remplissant la même
fonction de manière plus fiable. Le "cadran
à doigts", comme on le voit sur cette photo,
était un moulage sous pression avec des trous allongés.
Le dispositif d'impulsion était contrôlé
au moyen d'un long ressort d'impulsion actionné par
un disque d'impulsion qui avait dix broches pliées
chacune à un angle, de sorte que lorsque le cadran
était actionné, il ne coupait pas le circuit
du ressort d'impulsion mais entrait simplement en contact
avec le ressort, exerçant une plus grande pression
sur les contacts. Lorsque le cadran était autorisé
à revenir à sa position normale, le ressort
d'impulsion était éloigné de son contact
stationnaire par le segment d'impulsion.
La figure 8 montre le cadran fabriqué en 1903
et installé à Dayton, dans l'Ohio, et à
Chicago, dans l'Illinois.
Les ressorts représentés sur ce cadran n'étaient
pas complets, mais les pièces essentielles sont représentées.
Le dispositif d'impulsion était similaire à
celui utilisé dans le modèle précédent.
et le mouvement rotatif automatique des commutateurs était
assuré par un long ressort de forme similaire au
ressort à impulsion qui formait un circuit et le
coupait une fois pour chaque chiffre appelé.
Ce dernier remplaçait le commutateur qui avait été
utilisé dans le même but.
Le premier téléphone de bureau de quelque
importance fut fabriqué en 1904 et nécessita
naturellement une refonte du cadran afin de se conformer
aux exigences d'un instrument de bureau. Ce cadran est représenté
sur la figure 9.
Le cadran à doigt était en laiton estampé
avec 11 trous qui étaient utilisés afin de
séparer l'appel « longue distance » du
« 0 ». Cependant, les dix impulsions pouvaient
être délivrées par le « 0 »
ou par la « longue distance ». Les trous étaient
séparés pour éviter toute confusion
de la part de l'abonné lorsqu'il appelait un numéro
contenant le « 0 ».
Ce cadran avait deux positions « normales »,
avec le récepteur détaché du crochet.
Le levier, qui est représenté à l'arrière
du cadran, restait dans sa position normale. Ce faisant,
il verrouillait le levier du bouton de sonnerie, de sorte
qu'il ne lui serait pas possible de sonner avant qu'un numéro
ne soit appelé. le cadran était déplacé
de la position normale, comme pour appeler un chiffre. Le
premier levier mentionné se déplaçait
d'environ un quart de pouce vers le haut et restait dans
cette position pendant que les autres chiffres étaient
composés. Dans cette position, il libérait
le levier de sonnerie de sorte qu'après avoir appelé
le numéro souhaité, le bouton-poussoir devenait
opérationnel, établissant ainsi la sonnerie.
Pour libérer les interrupteurs, le récepteur
était remis sur le crochet et, pendant le dernier
quart de pouce de sa course, le levier de verrouillage s'est
désengagé, provoquant une libération
lente qui ne pouvait pas être forcée. Le levier
de verrouillage était également sous le contrôle
du régulateur, qui était du type à
friction.
La figure 10 montre un type ultérieur de cadran
à trois fils. Il a été fabriqué
en 1905 et était similaire à celui montré
dans la figure 9, sauf que le levier de verrouillage a été
éliminé et le bouton d'occupation séparé
du cadran et monté sur la base, dans les modèles
de bureau, et sur le devant des modèles muraux. La
raison pour laquelle le type de cadran à deux fils
ne peut pas être appliqué au fonctionnement
à trois fils dans le téléphone mural
et de bureau est que, en raison de la libération
lente nécessaire pour les interrupteurs à
trois fils, le crochet du récepteur doit être
sous le contrôle du régulateur, ce qui est
plutôt difficile à réaliser avec le
cadran à deux fils.
Les premiers cadrans à deux fils étaient des
cadrans à trois fils modifiés, semblables
à celui montré dans la figure 8 ; cependant,
la production de cadrans à deux fils à l'échelle
commerciale n'a pas eu lieu avant l'année 1909. La
caractéristique remarquable du cadran montré
dans la figure 11 est qu'il était non rotatif.
Le "cadran à doigts" ne fonctionnait que
dans le sens des aiguilles d'une montre. Lorsque le doigt
s'approchait de la butée, un autre levier juste en
dessous du trou "1" était automatiquement
déplacé jusqu'à la butée, bloquant
le cadran, contre toute libération jusqu'à
ce qu'il ait terminé son cycle de fonctionnement.
Une fois cette opération terminée, le levier
auxiliaire revenait à sa position normale, libérant
le cadran pour un appel ultérieur.
Ce cadran était un précurseur de notre modèle
actuel et contenait deux principes fondamentaux que notre
expérience a prouvé être corrects dans
le fonctionnement du cadran.
Ils sont :
- Premièrement, la came à impulsion unidirectionnelle.
- Deuxièmement, le régulateur à vis
sans fin à grande vitesse.
La came à impulsion unidirectionnelle donne les impulsions
les plus uniformes en raison du fait que l'usure est uniforme
tout au long de sa durée de vie. Dans les premiers
modèles, la came de type segmenté. Le régulateur
à friction, qui avait au total dix segments, a été
utilisé. On peut facilement voir que les premiers
segments ont été beaucoup plus utilisés
que le dixième segment.
En conséquence, la première impulsion ne pouvait
pas rester la même que la dixième impulsion
en raison d'une usure inégale. De plus, le régulateur
à friction était entraîné par
des engrenages droits et était d'un poids considérable.
Le régulateur à vis sans fin a été
choisi afin d'obtenir un entraînement uniforme et
ininterrompu. Une vitesse élevée est essentielle
pour une régulation sensible. L'entraînement
par vis sans fin exerçait la plus grande contre-pression
de tous les régulateurs lorsqu'on tentait de forcer
le cadran. Les impulsions sur ce cadran étaient obtenues
par la came en forme de coupelle qui soulevait et abaissait
l'un des ressorts d'impulsion, lui permettant d'être
déplacé de son ressort homologue et de le
remettre en contact avec celui-ci.
Afin de simplifier le cadran illustré à la
figure 11, ainsi que de le rendre plus fiable, il a été
redessiné en 1911 pour ressembler à
celui illustré à la figure 12.
Le "cadran à doigts" revenait à
certains des principes appliqués aux tout premiers
modèles, c'est-à-dire qu'il était de
type oscillant. Cependant, la came unidirectionnelle fut
conservée, ce qui nécessita naturellement
l'intervention d'un engrenage à cliquet. La came
d'impulsion fut conçue de manière à
permettre de maintenir les deux ressorts d'impulsion séparés
; en d'autres termes, elle agissait comme un coin qui séparait
les ressorts pendant un certain temps, leur permettant de
se fermer pendant une autre période. Le régulateur
à vis sans fin à grande vitesse fut conservé,
mais modifié par une vis sans fin coupée.
Dans les premiers cadrans, la vis sans fin était
constituée d'un morceau de fil à piano enroulé
en spirale autour de l'arbre. C'était une construction
assez difficile du point de vue de la fabrication.
En 1918, d'autres améliorations furent apportées.
Sur la figure 13, on voit que le groupe de ressorts
de shunt a été séparé du groupe
de ressorts d'impulsion. Cela visait à éviter
les réglages critiques entre un shunt :g et son ressort
d'impulsion correspondant, comme dans le cas de la figure
12, dans lequel le ressort de shunt inférieur entrait
en contact avec le ressort d'impulsion supérieur.
La disposition du cliquet de l'engrenage principal a également
été modifiée,
le ressort de l'horloge a été éliminé
et remplacé par un chien durci maintenu par un ressort
en bronze phosphoreux. De plus, les trous pour les doigts
dans la plaque à doigts ont été agrandis
à un demi-pouce de diamètre (les trous précédents
étaient de 1/2 pouce), pour permettre une utilisation
plus pratique du cadran, ainsi qu'une meilleure visibilité
des chiffres.
En 1923, d'autres améliorations furent apportées
: la roue à vis sans fin laminée et le régulateur
à roulement à billes furent introduits. Ce
modèle est représenté sur la figure
14 et est connu sous le nom de type 23.
Les premiers modèles du petit type utilisaient un
palier pour contrer la poussée de la vis sans fin.
Afin d'obtenir un type de palier de butée plus uniforme
et d'éliminer les difficultés rencontrées
par les pierres tendres et les incertitudes des paliers
à pierre en général, le type à
roulement à billes fut remplacé.
Le palier de butée se composait d'une bague à
billes, durcie, hautement polie et concave, et d'une seule
bille d'acier de très haute qualité maintenue
en position de manière lâche entre l'extrémité
durcie et hautement polie de la vis sans fin et la bague
à billes. Ce type de palier a été soumis
à d'innombrables tests, dont l'un a représenté
plus de sept cent millions de révolutions, prouvant
qu'il s'agissait du type de palier de butée le plus
adapté à cet usage.
La conception des ailes du régulateur a également
été modifiée, du bronze phosphoreux
en forme de coupelle étant utilisé et les
billes de vol en laiton avec un insert en fibre.
Cette construction éliminait entièrement toute
action abrasive entre les billes de vol et la coupelle du
régulateur. Le type de roue à vis sans fin
laminée a remplacé le type en bronze massif.
Il se composait de deux disques en bronze renfermant un
disque en fibre. Après avoir été coupée,
la roue à vis sans fin a été soumise
à une température suffisamment élevée
pour exclure l'humidité, puis traitée à
l'huile afin d'empêcher toute absorption supplémentaire
d'humidité. La roue à vis sans fin laminée
empêchait absolument le collage entre la vis sans
fin et la roue à vis sans fin, ce qui était
important car un cadran est censé fonctionner de
manière satisfaisante pendant un grand nombre d'années
sans lubrification supplémentaire. Le ressort principal
a été changé pour un diamètre
uniforme sur toute sa longueur et le bras de levier des
ressorts de shunt a été modifié afin
d'assurer une action plus positive, ainsi que pour faciliter
la tension du ressort principal.
On verra également, en se référant
à la figure 14, que l'écusson pour le montage
des cartes d'écusson a été amélioré.
En 1926, le type 24, représenté sur
la figure 15, a été fabriqué
et s'est avéré être le cadran le plus
facile à utiliser et le plus silencieux jamais fabriqué.
La conception intègre des caractéristiques
qui empêchent toute altération du mécanisme,
car la conception est telle que le cadran ne peut pas être
démonté sans avoir d'abord retiré l'écusson.
Pour ce faire, il est nécessaire de savoir comment
il est cloné, car il n'existe aucun moyen visible
d'indiquer la méthode utilisée. L'anneau de
l'écusson ne peut pas être retiré. Le
cadran à doigts est en laiton poinçonné
et formé à la forme, ce qui donne un cadran
à doigts très résistant et léger.
Le même type de régulateur et de roue à
vis sans fin laminée est utilisé dans ce cadran
que dans le type 23. La came d'impulsion, ainsi que les
ressorts d'impulsion et de shunt, ont été
améliorés, ayant été déplacés
pour être positionnés perpendiculairement à
la face du cadran, minimisant ainsi les problèmes
de poussière ainsi qu'une meilleure visibilité
pour effectuer les réglages. .1 plus. Les bornes
à vis sont utilisées sur le Fl, éliminant
ainsi les cordons soudés. La came d'impulsion est
poinçonnée et rasée en fibre par cette
méthode, toutes les cames sont exactement identiques
car elles doivent se conformer exactement au contour de
la matrice. Le palier du pignon a été réalisé
sous la forme d'un pont et riveté fermement à
la plaque de base, ce qui rend impossible que ce palier
se décale. Les ressorts sont montés sur une
unité détachable, chevillés à
la plaque de base et maintenus au moyen de deux vis. L'image
montre un cadran à impulsion retardée de type
24.
Le fait que le cadran à impulsion retardée
de type 24 se soit rapproché de ce que l'on pourrait
appeler la perfection pratique a déjà été
largement prouvé à la fois par l'utilisation
quotidienne et par des tests en laboratoire. Dans une série
de tests exhaustifs effectués sur des cadrans de
type 24 tirés de stocks manufacturés, des
records très remarquables ont été établis.
Sur trois cadrans testés, en étant tournés
mécaniquement de "0" à la butée
du doigt puis relâchés, délivrant à
chaque fois l'équivalent de dix impulsions. L'un
a résisté à plus de 5 000 000 d'opérations,
l'autre à plus de 6 000 000 et le troisième
a accompli plus de 7 000 000 d'opérations lorsque
le test a été arrêté et le cadran
démonté pour inspection. Ces cadrans ont été
testés exactement tels qu'ils ont été
reçus, sans aucun lubrifiant supplémentaire
ni réglage spécial à aucun moment.
Comme plusieurs pays spécifient maintenant 500 000
opérations à partir de "0" sans
défaillance comme norme minimale de performance pour
les cadrans de série, on peut voir à quel
point le cadran de type 24 est supérieur aux normes
ordinaires.
Un travail de développement considérable a
été effectué au cours des trente-cinq
années qui se sont écoulées depuis
la fabrication du premier téléphone automatique.
Ceux qui sont engagés dans ce travail ne sont en
aucun cas convaincus que les trois prochaines décennies
ne verront pas d'autres changements importants, mais dans
ses éléments de base, la conception du cadran
semble être arrivée à un point où
l'on peut dire que les problèmes majeurs ont été
amenés à leurs solutions ultimes.
Sommaire
Les différents types de cadrans
Les premiers téléphones à cadran Strowger,
dotés de crochets de commutation pointus, avaient
10 trous pour les chiffres de zéro à neuf,
avec un rayon de soleil partiel rayonnant du centre du téléphone
vers les trous. En 1904, les supports de bureau et les ensembles
muraux comportaient un onzième trou, dont certains
étaient identifiés comme « longue distance
». À l'insu des clients, composer « longue
distance » ou le zéro avait le même effet,
ce chiffre servait à contacter une opératrice
pour faire une communication à longue distance.
AE proposait également des téléphones
chandeliers avec des cadrans "soleil" fixés
à leur base.
cadan "soleil"
Publicité de 1910 expliquant l'utilisation d'un téléphone
à cadran automatique pour passer des appels longue
distance.
C'est un modèle de chandelier manuel
AE, vers 1905, avec
un cadran « soleil » greffé dessus.
Le cadran soleil a remplacé le cadran classique entre
1906 et 1909. Le téléphone sans cadran a été
produit brièvement pour les clients qui voulaient
un système téléphonique magnéto
ou à batterie centrale . Il n'apparaissait que (pour
autant que l'on sache à l'heure actuelle) dans le
premier catalogue de téléphones manuels d'AE,
il n'est donc pas resté en production. La base haute
comprend une bobine. AE a ensuite acheté American
Electric pour produire des téléphones manuels
pour eux.
Ce design a été remplacé
en 1914 par le cadran dit Mercedes, qui est revenu
à seulement 10 trous. 
Le cadran
n° 24 a mis à jour le cadran Mercedes vers 1928.
Il a été breveté en 1924 par HF Obergfell,
qui a travaillé pour la société de
1904 à 1943. Réf. : Hershey H "Automatic
Telephone Practice" 5e édition (1946).
Sommaire
En France c'est aussi le système Strowger
qui a été adopté pour automatiser Nice
et en matière de téléphonie, le mot
cadran nest apparu quaprès 1925.
Auparavant, on utilise les locutions disque transmetteur
ou disque automatique ou, encore,combinateur.
Le premier central téléphonique installé
en France à Nice, est mis en service à
Nice le 19 octobre 1913 , c'est le premier
centre à basculer en automatique, le téléphone
de l'abonné était équipé d'un
cadran comme celui ci

La technologie du cadran va évoluer
dans le temps, mais le principe reste le même. Il
est simple : un disque rotatif est percé de dix trous.
Dix chiffres (1 à 9 et 0) sont inscrits sur une couronne
fixe placée derrière ce disque.
Lutilisateur introduit le bout dun doigt (ou
celui dun crayon dans le cas des demoiselles aux ongles
fragiles) dans le trou correspondant au chiffre à
émettre ; il fait tourner le cadran dans le sens
des aiguilles dunemontre jusquà une butée,
ce qui bande un ressort. Il enlève son doigt et le
cadran revient en arrière sous leffet de ce
ressort, avec une vitesse contrôlée par un
régulateur.
Pendant ce retour, le cadran actionne un mécanisme
qui délivre un train dimpulsions dont le nombre
correspond au chiffre choisi. Ces impulsions sont envoyées
vers le central téléphonique de rattachement
qui les utilise pour établir la liaison vers le correspondant.
Pour séparer de façon nette les trains dimpulsions,
un temps mort est créé au début de
larmement du cadran pour lenvoi du chiffre suivant
:
cest lespace sans trou sur le disque, entre
le premier trou et la butée.
Chaque chiffre du cadran possède
aussi des valeurs alphabétiques, qui permettaient
de faire correspondre l'indicatif du central téléphonique
en région parisienne (3 premières lettres
du nom) au chiffre correspondant (exemple : 225 pour BALzac,
027 pour OBServatoire, 700 pour ROQuette).
Depuis 1896 jusquà lapparition
des claviers à touches dans les années
1960, ce principe est resté le même.
Mais la technologie est différente selon que le cadran
est ou nest pas « anglais ».
Sommaire
LES IMPULSIONS DE NUMEROTATION
Le cadran de Strowger fabrique des impulsions dites uniform
break ou uniform pulse (coupure ou impulsion uniformes),
cest-à-dire que le temps douverture et
celui de fermeture de la ligne sont égaux (rapport
50/50).
Dans les années 1910, quand les ingénieurs
de la Western Electric mettent au point le système
concurrent Rotary, ils choisissent
dutiliser des temps douverture et de fermeture
inégaux short/long pulse (impulsion courte et longue,
avec le rapport 33/66), mieux adaptés à leurs
mécanismes. Considérant que le cadran Strowger
nest pas fiable, ils équipent leur cadran dun
mécanisme dont laction peut être calibrée
de façon bien plus précise quecelui de Strowger.
En 1924, on peut lire dans la Revue des Téléphones,
Télégraphes et TSF : « Il ny a
pas un seul système à disque ; il y en avait
récemment autant que de systèmes, différant
entre eux par des détails de construction, chaque
manufacturier étant encore jaloux de ses propres
idées, de sa propre conception. On a cherché
surtout à faire un disque solide, dun fonctionnement
régulier et sûr ; en même temps, on a
introduit peu à peu des modifications, dictées
par la technique de latelier, susceptibles de rendre
la fabrication plus rapide, les réparations et changements
de pièces plus aisés. » Autant dire
que vouloir faire linventaire des différents
mécanismes de cadrans relève de lutopie.
Nous nous limiterons à deux modèles aux caractéristiques
très différentes.
|
1924 Les premiers cadrans ne
comportaient pas de lettres
Le modèle de cadran 7010B est issu directement
du concours ouvert par l'Administration des PTT le
1er mai 1922 à tous les constructeurs téléphoniques
français, pour équiper la gamme de postes
téléphoniques de type PTT 1924 déployés
dans le réseau téléphonique jusqu'en
1927.
Le cadran équipant les modèles PTT
1924
|
 |
En
1927 pour
les numéros parisiens notamment, on prévoit
de doter les appareils dun nouveau
cadran associant des lettres aux chiffres permettant
de composer les numéros alphanumériques.
Le Téléphone
1924
et
son cadran
Avec la
notice.
Ce modèle de cadran, en France équipera tous
les nouveaux téléphones à cadran à
partir de cette date.
Sommaire
Aux États-Unis, sur les téléphones
à cadran, les numéros plus petits, tels que
2, sont composés plus rapidement que les numéros
plus longs, tels que 9 (car le cadran tourne beaucoup plus
loin avec un 9).
En 1947, des indicatifs régionaux ont été
introduits aux États-Unis, afin de faciliter la numérotation
directe à distance d' abord par les opérateurs,
puis par les abonnés. Dans le système original
utilisé jusqu'en 1995, le premier chiffre de l'indicatif
régional ne pouvait pas être un un ou un zéro,
mais le deuxième nombre devait être un un ou
un zéro. Cela a permis à l'équipement
de commutation mécanique dans les centraux téléphoniques
de distinguer les appels locaux des appels « interurbains
», puisque un et zéro n'ont pas de lettres
associées qui pourraient épeler les noms de
central téléphonique.
Par conséquent, le code le plus bas et le plus rapidement
composé était le 212; le plus élevé
et le plus lent 909.
Le système Bell, en développant les indicatifs
régionaux d'origine, a attribué les codes
les plus bas aux zones où ils seraient le plus utilisés
: les grandes villes. 212, le nombre le plus bas, était
la ville de New York. Les plus bas, 213 et 312, étaient
Los Angeles et Chicago. 214 était Dallas, 313 Detroit
et 412 était Pittsburgh. Un nombre élevé
comme 919 a été attribué à la
Caroline du Nord. Un nombre encore plus élevé,
907 (plus élevé parce que le 0 compte pour
10), était l'Alaska.
Principaux mécanismes de cadran
aux États-Unis
Aux Etats-Unis. il y avait deux principaux mécanismes
de cadran, le plus courant étant Western Electric
pour le système Bell, l'autre étant fabriqué
par Automatic Electric.
Le cadran Western Electric avait des engrenages droits pour
alimenter le régulateur, de sorte que les arbres
du régulateur et du cadran étaient parallèles.
L'arbre du régulateur électrique automatique
était parallèle au plan du cadran. Son arbre
avait un engrenage à vis sans fin dans lequel, de
manière très atypique, l'engrenage entraînait
la vis sans fin. La vis sans fin, très polie, avait
un pas extrême, ses dents à environ 45°
de son axe. C'était le même que l'engrenage
pour le ventilateur de limitation de vitesse dans les boîtes
à musique traditionnelles.
Le gouverneur Western Electric était une tasse entourant
des poids pivotants à ressort avec des patins de
friction. Le régulateur électrique automatique
avait des poids au milieu de ressorts incurvés fabriqués
à partir de bandes. Lorsqu'il s'est accéléré
après le relâchement du cadran, les poids se
sont déplacés vers l'extérieur, rapprochant
les extrémités de leurs ressorts. Des ressorts
étaient fixés à un collier sur l'arbre
à une extrémité et au moyeu d'un disque
de frein coulissant à l'autre extrémité.
A grande vitesse, le disque de frein est entré en
contact avec une plaquette de friction. Ce gouverneur était
similaire à celui des platines de phonographe à
remontage à ressort du début du 20e siècle.
Les deux types avaient des embrayages à
ressort pour entraîner leurs régulateurs. Lors
de l'enroulement du ressort de rappel du cadran, ces embrayages
se sont déconnectés pour permettre au cadran
de tourner rapidement. Lorsque le cadran a été
relâché, le ressort d'embrayage s'est enroulé
fermement pour entraîner le régulateur.
Lors du remontage du cadran, un cliquet à ressort
dans le cadran Western Electric s'est décentré
lorsqu'il est entraîné par la came sur l'arbre
du cadran. Les dents de cette came étaient espacées
du même angle que l'espacement des trous du cadran.
Pendant l'enroulement, le cliquet s'est décentré
en s'éloignant des contacts pulsés normalement
fermés. Lorsque le cadran a été relâché,
les dents de la came ont déplacé le cliquet
dans l'autre sens pour ouvrir et libérer les contacts
du cadran.
Dans le cadran électrique automatique,
la came pulsée et le régulateur étaient
entraînés par un embrayage à ressort
enroulé au retour du cadran. Lors de l'enroulement,
cet embrayage a déconnecté à la fois
la came et le régulateur.
Lors du remontage d'un cadran Western Electric, on pouvait
sentir le cliquet être déplacé par la
came, bien que la sensation soit subtile. Cependant, le
remontage d'un cadran électrique automatique était
extrêmement fluide.
Sommaire
1933 aux Etas-Unis, la Société
des Téléphones Ericsson, Colombes,
a introduit de nouveaux modèles de cadrans destinés
à être utilisés comme dispositif de
sélection dans les petites installations d'interphonie.
Le premier des cadrans décrits ci-dessous est destiné
aux installations d'interphonie de 10 lignes
et le second aux installations de 10 lignes
locales et une ligne d'échange (avec un central).
Comme on peut le voir sur la figure 1, l'extérieur
ne diffère pas de celui du type habituel. La conception
est visible sur la Fig. 2
Grâce à ce cadran, il est possible de sélectionner
l'un des dix téléphones sans utiliser de commutateurs
ni de touches. La roue chiffrée est reliée
mécaniquement à un bras et une brosse qui
se déplace le long d'un secteur comportant dix contacts,
un pour chaque ligne. Lorsque le combiné est soulevé,
la roue chiffrée est, au moyen d'un dispositif de
verrouillage, verrouillée dans la position où
elle a été réglée. La sonnerie
est transmise lorsque le doigt touche le stop-doigt, qui
est mobile et relié aux contacts de sonnerie. Lorsque
le combiné est raccroché, le dispositif de
déverrouillage situé à l'arrière
du cadran est libéré et la roue revient à
sa position d'origine.
Pour les interphone à 10 lignes, les instruments
téléphoniques pourront être équipés
de ce type de cadran et leur fonctionnement sera alors très
similaire à celui des téléphones automatiques.
Le deuxième cadran permet d'appeler des instruments
locaux comme décrit ci-dessus et, en outre, d'appeler
de manière ordinaire vers une ligne de central reliée
à un central automatique.

A cet effet, le cadran, Fig. 3, a été pourvu
d'un dispositif de verrouillage mécanique placé
à l'arrière du cadran, qui est actionné
au moyen de boutons-poussoirs montés sur l'instrument.
L'un de ces boutons, marqué P, est utilisé
pour la connexion de l'instrument à l'installation
locale et l'autre, marqué R, pour la connexion de
l'instrument à la ligne d'échange.
Lorsque l'abonné décroche le microtéléphone
et appuie sur la touche R, il est connecté au central
automatique et peut alors composer le numéro souhaité
de la manière habituelle au moyen du cadran.
Lorsqu'il appuie sur le bouton P, la roue chiffrée
sera reliée mécaniquement à un bras
et une brosse, qui se déplace sur dix contacts montés
au dos du cadran. Chacun de ces contacts correspond à
une ligne locale.
Lorsque le doigt touche le butoir, une sonnerie est envoyée
à l'abonné appelé.
Lorsque la roue chiffrée est relâchée,
elle revient en position de départ sans entraîner
le bras et la brosse avec elle.
Ce bras n'est ramené en position d'origine qu'après
le raccrochage du combiné après la fin de
l'appel ou un nouvel appui sur la touche R.
Ce cadran permet ainsi toutes les combinaisons préalablement
établies au moyen d'un interphone, équipé
de 10 lignes locales et d'un central. Il a le même
aspect que le cadran ordinaire et les dimensions sont les
mêmes sauf que la profondeur est d'environ 50 mm.
Autre forme de cadran : Le Numéroteur à tambour
de Siemens Halske W 51
Sommaire
La numérotation
En plus des chiffres, la façade
est souvent imprimée avec des lettres
correspondant à chaque trou de doigt.
En Amérique du Nord, les cadrans traditionnels
ont des codes de lettres affichés avec les chiffres
sous les trous des doigts dans le modèle suivant
: 1, 2 ABC, 3 DEF, 4 GHI, 5 JKL, 6 MNO, 7 PRS, 8 TUV, 9
WXY et 0 (parfois Z) Opérateur.
Des lettres ont été associées aux numéros
d' appel pour représenter les noms des centraux téléphoniques
dans les collectivités comptant plus de 9 999 lignes
téléphoniques, et en plus un mnémonique
significatif pour faciliter la mémorisation des numéros
de téléphone individuels en incorporant leurs
noms de central. Par exemple : « RE7-xxxx »
représentait « REgent 7-xxxx », «
Regent » étant un nom de central local utilisé
au Canada, dérivé d'un numéro de téléphone
précurseur antérieur, « 7xxxx »
les appelants composant en fait « 73-7xxxx
» ( 737-xxxx).
Les grandes villes comme New York auraient
finalement besoin d'un numéro à sept chiffres,
mais certains tests au début des années 1900
ont indiqué que la mémoire à court
terme de nombreuses personnes ne pouvait pas gérer
sept chiffres et que de nombreuses erreurs de numérotation
dues à un manque de mémoire pouvaient se produire
(la documentation pour ces tests est perdu).
D'où le premier basculement automatique des centraux
téléphoniques en 1915 à Newark, dans
le New Jersey, utilisant un fonctionnement "semi-automatique"
avec l'opérateur local entrant le numéro de
l'appelant.
En 1917 WG Blauvelt, de l'American Telephone and Telegraph
Company, proposa un plan de numérotation permettant
aux clients de composer jusqu'à sept chiffres avec
une précision acceptable, tout en étant satisfaisant
pour une utilisation manuelle. Ce système comportait
une à trois lettres et quatre chiffres décimaux.
Les une, deux ou trois premières lettres du nom du
bureau étaient imprimées en gras dans l'annuaire
pour indiquer aux clients qui composaient le numéro
qu'il fallait les composer avant les quatre chiffres. Les
clients utilisant le système manuel utilisaient le
nom du bureau comme auparavant. Les lettres et les chiffres
étaient placés sur le cadran, alignés
avec les trous pour les doigts. Cette proposition fut immédiatement
adoptée et le développement du système
Bell se poursuivit vers un fonctionnement entièrement
automatique.
Et comme les grandes villes auraient encore des centraux
manuels et automatiques pendant quelques années,
les numéros pour les centres manuels ou automatiques
auraient le même format (à l'origine MULberry
3456, avec trois lettres puis quatre chiffres), qui pourrait
être prononcé ou composé.
Au Royaume-Uni, la lettre
« O » a été combinée avec
le chiffre « 0 » plutôt que « 6
». Dans les grandes villes, les numéros à
sept chiffres comprenaient trois lettres pour le nom de
l'échange, suivies de quatre chiffres. Les anciens
téléphones à cadran rotatif australiens
avaient la lettre correspondante de chaque numéro
imprimée sur un disque de papier au centre de la
plaque, avec un espace où l'abonné pouvait
ajouter le numéro de téléphone. Le
papier était protégé par un disque
en plastique transparent, maintenu en place par une forme
d' anneau de retenue qui servait également à
localiser le disque radialement. Le mappage lettre-chiffre
australien était A=1, B=2, F=3, J=4, L=5, M=6, U=7,
W=8, X=9, Y=0, donc le numéro de téléphone
BX 3701 était en fait le 29 3701. Lorsque l'Australie
vers 1960 est passée aux numéros de téléphone
entièrement numériques, un mnémonique
pour aider les gens à associer les lettres aux chiffres
était la phrase « Tous les gros poissons sautent
comme des fous sous l'eau, sauf les Yabbies ». Cependant,
ces codes de lettres n'étaient pas utilisés
dans tous les pays.
Téléphone avec des lettres sur son cadran
rotatif (années 1950, Royaume-Uni)
Les numéros à l'extérieur
du Canada, des États-Unis et des grandes villes de
Grande-Bretagne (avant la numérotation à tous
les chiffres ) ne portaient généralement pas
de caractères alphabétiques ni d'indication
du mot « opérateur » en plus des chiffres.
La désignation alphabétique des échanges
avec les lettres cyrilliques (pour chacun des chiffres de
1 à 0 respectivement) a également été
utilisée pendant une courte période en Union
soviétique en les années 1950 et 1960, mais
au cours de la décennie suivante, cette pratique
a été en grande partie abandonnée.
En France la numérotation
au fil des ans, est longuement exposée dans cette
page du site.
Sommaire
Différents systèmes d'impulsions
sont utilisés, variant d'un pays à l'autre.
Par exemple, la Suède utilise deux impulsions pour
signaler le nombre zéro et 11 impulsions pour signaler
le nombre neuf.
La Nouvelle-Zélande utilise dix impulsions moins
le nombre souhaité ; donc composer 7 produit trois
impulsions.
En Norvège, le système nord-américain
avec le chiffre « 1 » correspondant à
une impulsion a été utilisé, sauf pour
la capitale, Oslo, qui a utilisé le même système
« inverse » qu'en Nouvelle-Zélande.
Pour cette raison, les numéros sur
le cadran sont décalés dans différents
pays, ou même dans différentes régions
d'un pays, pour fonctionner avec leur système en
raison de la différence de disposition des numéros
sur le cadran. La numérotation du cadran peut se
produire dans quatre formats différents, avec 0 adjacent
au 1 ou au 9, et les chiffres s'exécutant dans l'ordre
croissant ou décroissant, le 0, 1 ou 9 étant
le plus proche de la butée du doigt.
LE CADRANN SOVIETIQUE
Typical Soviet rotary dial of a home telephone
set VEF, 1965, USSR
Le format du numéro de téléphone pour
la Russie, les États membres de la CEI et les pays
baltes est le suivant : XXX-XX-XX.
De nombreuses anciennes républiques soviétiques
ont adopté le format américain (XXX-XXXX),
oubliant toutes ses implications culturelles, historiques
et sémantiques.
Dans les annuaires téléphoniques, les traits
d'union ont été remplacés par des espaces
(pour économiser du temps et des efforts aux compositeurs).
En URSS, les mots ne tenaient pas parce qu'il n'y avait
pas beaucoup de mots à partir des 10 premières
lettres (placer les 33 lettres de l'alphabet sur le cadran
était alors jugé déraisonnable). Couplé
à des chiffres très complexes, lécriture
des numéros de téléphone en groupes
à deux chiffres était la meilleure option.
LE CADRAN « ANGLAIS »
Dans le cadran qui a été adopté par
les Postes britanniques (B.P.O., British Post Office), les
impulsions sont fabriquées à laide dun
objet volant non identifié. En effet, cest
avec leur humour bien connu que les anglophones ont baptisé
cet objet difficile à décrire : ils lappellent
le spinning whirligig (intraduisible, équivaut à
tournant en tourbillonnant) ou encore le flying whatsit
(le machin volant).
En fait, un bras f monté sur un axe tourne environ
une quinzaine de fois plus vite que le cadran. Au bout de
ce bras, une roulette e vient, à chaque tour, actionner
la lame mobile de lensemble de contacts a.
Le nombre dimpulsions à envoyer, cest-à-dire
le nombre de tours du bras f est déterminé
par le disque cranté d. Par ailleurs, b indique le
régulateur de vitesse et c signale le système
évitant que les impulsions ne produisent un bruit
désagréable dans le récepteur de labonné
appelant
Le machin volant provoque bien une impulsion, mais elle
est difficile à calibrer : trop courte, elle risque
de ne pas donner aux relais du central le temps de fonctionner
; trop longue, elle risque de ne pas ménager le temps
de repos pour séparer deux impulsions
En plus, il faut tenir compte des vibrations électriques
qui accompagnent le début et la fin de chaque impulsion
et la déforment.
Fonctionnant sur le même principe, le disque Relay
(figure 6) possède lui aussi un machin volant qui
se présente sous la forme dun bras
tournant dont lextrémité, couverte dun
capuchon isolant, passe dans lintervalle des ressorts
de rupture, générant ainsi une impulsion.
UN CADRAN CONCURRENT
Un autre matériel possède un système
actionnant la lame mobile à laide dune
came en fibre, photo de droite
Disque Relay
Mécanisme (1969)
Cette came est beaucoup moins virevoltante que celle du
cadran anglais (à gauche) , parce quelle est
de petite dimensions. En plus, elle ne se contente pas de
donner un choc au passage : elle agit deux fois à
chaque tour. Il est beaucoup plus facile de procéder
aux réglages pour obtenir une impulsion bien calibrée.
Cest le mécanisme qui a été
utilisé en France.
Le cadran du téléphone des
nouveaux appareils comporte, sur le modèle de celui
du Royaume-Uni, l'alphabet complet (sauf le Z) superposé
aux chiffres, imprimé sur un disque rotatif (dit
système Rotary).
Le 1 étant réservé aux services,
les lettres sont distribuées par groupes de trois
pour la plupart, selon la répartition suivante :
2 = ABC ;
3 = DEF ;
4 = GHI ;
5 = JKL ;
6 = MN ;
7 = PRS ;
8 = TUV ;
9 = WXY ;
0 = OQ.
À l'initiale, cinq lettres ne seront jamais utilisées
(H, Q, U, X et Y) ; trois resteront sous-employées
(J à Jasmin et Jussieu ; K à Kellermann et
Kléber ; W à Wagram).
Dès 1929, on prend l'habitude d'écrire
les numéros de téléphone en faisant
ressortir les trois premières lettres de l'indicatif
soit en majuscules (le reste étant laissé
en minuscules), soit en lettres grasses (et la suite en
maigre) : par exemple BALzac 00.01 ou Balzac 00.01.
En RDA Russie, Pologne ...
Années 1930 Le nouveau cadran numérique
Siemens & Halske du téléphone W 28 fut
le premier à utiliser le cadran numérique
de type « NS 38 » ; le petit cadran en aluminium
n'était pas plat mais très bombé.
Ce type de commutateur à cadran (désignation
Siemens Fg.sch.180.T.1) possède un contact supplémentaire
qui court-circuite les deux dernières impulsions,
permettant ainsi la pause obligatoire entre les chiffres
individuels exigés par la Reichspost lors de la numérotation
, évitant ainsi des connexions incorrectes dans certains
cas. Jusqu'en 1940, le commutateur à cadran (comme
dans le W 28 et le modèle 36) était verrouillé
lorsque le combiné était raccroché.
Le but de ce changement est de créer une pause obligatoire
de plus de 120 millisecondes entre la composition de deux
chiffres pour éviter les connexions incorrectes.
Ce changement peut également être observé
à l'extérieur sur le disque du trou du doigt.
Pour sélectionner le numéro « un »,
il faut maintenant faire presque un quart de tour, c'est-à-dire
tourner le disque de trois trous vers l'avant jusqu'à
la butée du doigt. Le modèle 36, qui était
encore en production, a également reçu ce
nouveau cadran vers 1940 - initialement également
avec une serrure mécanique.
NrS 38 M de Merk Telefonbau de 1959
Le mécanisme rappelle de manière frappante
les appareils Siemens&Halske des années 1930
la conception était une copie du modèle
NS-38. Sa caractéristique est la génération
d'impulsions de sélection en nombre supérieur
de 2 à celui requis (par exemple 3 impulsions pour
le chiffre 1), puis la suppression des impulsions excédentaires
par un contact supplémentaire. Cette procédure
permettait d'assurer une pause minimale d'une demi-seconde
entre les chiffres composés successivement.
Que ce soit lors du remontage ou du
dessèchement du cadran, trois contacts sont actionnés
par l'intermédiaire d'une roue à impulsion
et d'un disque à came. Les noms de ces trois
contacts sont
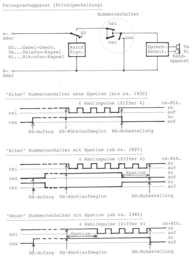
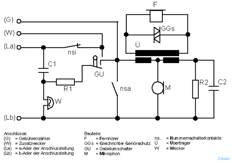
nsa = numéro de contact de fonctionnement
( ou de rupture ) du commutateur
nsi = numéro de contact d' impulsion
de commutation
nsr = Numéro de commutateur de
réduction ( retour ou repos ) contact

Les contacts de numérotation (nsa, nsi)
Le nsa est fermé par le disque
à came lorsque le cadran est tiré vers
le haut et reste fermé jusqu'à la fin
du processus. Il relie le circuit téléphonique
« interne » (circuit de conversation). Cela
garantit qu'aucune distorsion d'impulsion ne se produit
et que les impulsions de numérotation n'atteignent
pas le combiné ( récepteur téléphonique
). Ce court-circuit fait chuter la tension mesurable
sur le téléphone d'environ 8-12 volts
à 0 volt, selon le type d'appareil.
Les impulsions de numérotation sont générées
par le nsi, qui est connecté en
série avec le nsa et le circuit vocal , car la
roue d'impulsion interrompt ce contact. Ce contact émet
les impulsions attribuées au chiffre/lettre sélectionné
à des intervalles de 62/38 ms (valeurs nominales).
Le numéro souhaité est créé
par une interruption rythmique régulière
de la boucle de ligne (ligne téléphonique).
Cela signifie que la tension de repos (environ 60 volts)
est présente sur le téléphone pendant
un court instant. Il convient de noter que le nsi génère
toujours deux impulsions supplémentaires, appelées
impulsions de repos. Par exemple, si le numéro
5 est sélectionné, le nsi produit 5 +
2 = 7 impulsions. La tâche du contact nsr
est de neutraliser les deux impulsions inactives supplémentaires
sur la boucle de ligne ( ligne téléphonique
) générées par le nsi . Cela se
fait en pontant le nsi pendant les deux impulsions inactives.
Selon la conception du commutateur numérique,
ce pontage peut se produire au début ou à
la fin de la série d'impulsions. Le pontage au
début présente l'avantage de donner au
régulateur centrifuge plus de temps pour atteindre
sa vitesse de rotation cible.
Le NSR est fermé par le disque
à came pendant la vidange. Cela garantit qu'il
y a une pause suffisamment longue entre deux chiffres
composés.
La pause entre les chiffres sélectionnés
est au moins égale au temps de deux impulsions,
soit 200 ms. Cette pause est appelée pause inter-chiffres
( IDP ), rarement aussi spatium . Cela permet d'éviter,
par exemple, que deux numéros « 1 »
composés rapidement l'un après l'autre
soient reconnus par le central comme le numéro
« 2 ». De plus, cette pause d'impulsion
offre suffisamment de temps libre pour commander les
sélecteurs de groupe mécaniques ( sélecteurs
rotatifs , sélecteurs rotatifs à moteur
en métal précieux ) dans la technologie
de commutation . Le temps d'expiration total, espacement
compris, est de 1,20 seconde.
Les anciens commutateurs numériques de type N24
ou N30, qui étaient installés dans des
téléphones tels que le W28 ou le premier
modèle 36 , ne disposaient pas encore de cette
pause obligatoire. Ce n'est qu'en 1938 que Siemens &
Halske a commencé à utiliser des types
de commutateurs numériques avec nsr (type NrS
38) avec l'introduction du téléphone W38
. Les types 38 étaient également équipés
de régulateurs centrifuges plus rapides que leurs
prédécesseurs, ce qui rendait le processus
plus fluide et garantissait que la vitesse nominale
était atteinte plus tôt.
Étant donné que le circuit
commuté contient des composants inductifs,
les contacts du cadran sont sujets à l'usure
due aux étincelles et à la migration
des matériaux. C'est pour cette raison que
des composants supplémentaires de suppression
des étincelles ont été installés
dans les téléphones dès les années
1920. Au fil des années, d'autres améliorations
techniques ont été apportées,
par exemple un « verrouillage de marche arrière
» (type NrS 38 R). Cela empêchait la roue
d'impulsion de reculer lors du remontage et de provoquer
ainsi des interférences.
La dernière génération d'interrupteurs
numériques (développés en RDA,
utilisés entre autres dans la Variante 74)
du milieu des années 1970 avec des engrenages
entièrement en plastique n'avait plus de nsr
. Là, le délai de 0,2 seconde entre
les chiffres sélectionnés était
désormais obtenu mécaniquement à
l'aide de pièces moulées en plastique.
En conséquence, le nsi n'a généré
qu'un maximum de 10 impulsions.
Au début de l'ère de
la numérotation automatique, le fil B était
mis à la terre, ce qui permettait de faire
la distinction entre la transmission d'impulsions
de numérotation et le raccrochage sans circuit
d'évaluation du temps (anciens systèmes
de numérotation ABX).
En raison de la suppression de la mise à la
terre du fil B lors de la transmission des impulsions
de numérotation, la distinction entre la transmission
des impulsions de numérotation et le raccrochage
devait désormais être faite en évaluant
les temps de chute du relais. Cependant, cela signifiait
que si plusieurs chiffres identiques étaient
composés rapidement, par exemple 111, le système
d'échange les enregistrerait sous le chiffre
« 3 ».
Pour éviter cette erreur, le temps d'expiration
a été prolongé (appelé
« spatium » dans la littérature
technique) en fabriquant les disques à trous
pour les doigts en 12 parties au lieu de 10 parties.
Les deux impulsions de numérotation qui se
produisent maintenant lors de chaque opération
étaient, en raison de la conception, pontées
ou empêchées mécaniquement par
un contact nsr supplémentaire
(contact de repos du commutateur numérique),
qui était contrôlé en même
temps que le contact nsa.
Des conceptions de commutateurs numériques
ont également été développées
dans lesquelles le temps d'expiration supplémentaire
(spatium) a été déplacé
au début de l'expiration du disque et donc
le contrôleur de vitesse a déjà
sa vitesse nominale lorsque la « première
» impulsion de sélection est envoyée.
(Avantage : pas de prolongation de la première
impulsion).
Rapport d'impulsion
Pour la composition correcte du numéro de téléphone
souhaité, le bon fonctionnement du composeur
est crucial.
Le rapport d'impulsion, c'est-à-dire le rapport
entre l'ouverture et la fermeture, du contact nsi
doit être de 1,6:1 en Allemagne et le temps
d'expiration pour 10 impulsions (choix du nombre 0)
doit être de 1 seconde.
Cela signifie que le temps d'une impulsion (temps
d'expiration) est de 100 ms. Il en résulte
un rapport d'impulsions de 62 ms de temps d'ouverture
et de 38 ms de temps de fermeture du contact nsi pour
une impulsion.
Diagramme d'impulsions du commutateur numérique
NoS38
La norme tolère des temps d'expiration
de 90 ms à 110 ms et des rapports d'impulsions
de 1,3:1 à 1,9:1. Cependant, certains systèmes
téléphoniques capables de dévier
les impulsions électroniques (autocommutateurs
privés) peuvent réagir de manière
beaucoup plus critique à des temps d'expiration
et des rapports d'impulsions incorrects dans les limites
de tolérance qu'une connexion principale de
l'autocommutateur. Cela entraînera une numérotation
incorrecte et il est recommandé de régler
la numérotation aussi précisément
que possible. Des enregistreurs d'impulsions ou des
fréquencemètres de langue sont utilisés
à cet effet .
Certains centraux numériques modernes autorisent
également 20 impulsions par seconde.

Diagramme d'impulsions du commutateur numérique
NrS61
En Pologne les cadrans CB-49,
CB-59 et similaires sont des disques en bakélite
ou thermoplastique, métal chromé dessous.
En Australie, le rapport dimpulsion
le rapport entre louverture et la fermeture
est de 2:1. Dans la plupart des pays, cependant,
il est normalisé à 1,6:1.
|
Les cadrans TN-63

Fabricant : Mera-Blonie. Largement utilisé dans les
dernières générations de téléphones
CB-49 (en particulier le CB-491) et CB-59, la plupart des
séries CB-621/631 et les premières séries
CB-662, ainsi que les premières versions du CB-664,
et de nombreux téléphones exportés
vers l'URSS. La conception mécanique est restée
pratiquement inchangée par rapport à l'ère
du CB-49 et était caractérisée par
un son de numérotation « cliquetant ».
En fait, la seule différence réside dans les
matériaux plus récents : la roue d'interrupteur
à l'intérieur est en plastique au lieu de
laiton et de stratifié, ainsi que le couvercle du
mécanisme. De l'extérieur, la partie rotative
est en plexiglas, tandis que le cadran est fabriqué
selon la méthode de double injection, ce qui rend
les chiffres très durables.
En Allemagne dans les téléphones
publics , tels que le Tln Mü 55b , des commutateurs
de numéros de blocage spéciaux (commutateurs
de numéros de blocage 50 et 55) étaient utilisés
pour bloquer certains numéros de téléphone
(par exemple, les indicatifs régionaux pour les appels
longue distance et internationaux, les services d'annonce,
etc.). Ceux-ci avaient une construction mécanique
très complexe. Lors de la numérotation, un
levier à trois bras et un mécanisme de contact
étaient mis en mouvement, qui vérifiaient
les trois premiers chiffres l'un après l'autre. Le
mouvement de rotation et le guidage des contacts des trois
bras ressemblaient à ceux d'un sélecteur .
En ressoudant certaines connexions de contact, les cadrans
pouvaient être « programmés » sur
les numéros de téléphone bloqués.
Au début des années 1970, la société
Krone de Berlin a développé un type sans entretien
et particulièrement durable (cadran numéro
61f). Dans ce cas, le régulateur centrifuge n'a pas
été freiné brusquement à la
fin du cycle, mais s'arrête lentement. Les contacts
NSI étaient contrôlés par des billes
métalliques dans une grille en plastique. Cette conception
a également créé « l'espace »
entre les opérations de numérotation sans
impulsions de numérotation supplémentaires,
de sorte qu'aucun contact NSR n'était nécessaire,
comme avec les commutateurs à cadran conventionnels.
Le processus était très silencieux et globalement
un peu plus lent qu'avec les types conventionnels (environ
1,4 seconde lors de la composition d'un zéro). Cependant
, en raison des coûts de production relativement élevés,
ce modèle n'a pas pu s'imposer pour les appareils
de la Deutsche Bundespost . Au fil du temps, les boîtes
de vitesses étaient de plus en plus fabriquées
en plastique.
Sommaire
LA DISPOSITION DES CHIFFRES SUR LE CADRAN
LORDRE DES CHIFFRES
Dans presque tous les pays, les chiffres du cadran
sont disposés dans le sens inverse des aiguilles
d'une montre : 1, 2, 3, 4, 5, 6, 7, 8, 9, 0. La disposition
est normalisée par la recommandation UIT-T
E.161(en pdf) de l' Union internationale des télécommunications
« Disposition des chiffres, des lettres et des symboles
sur les téléphones et autres appareils pouvant
être utilisés pour accéder à
un réseau téléphonique ».
La disposition de la succession des chiffres de 1 à
9 peut être réalisée de deux façons
:
ordre croissant ou ordre décroissant (bien sûr,
lordre dispersé na pas été
retenu !).
La position du chiffre 0 peut être avant ou après
cette succession. Le choix est donc possible entre quatre
dispositions pour les dix chiffres, dans
le sens de la rotation de retour du cadran, soit en sens
inverse des aiguilles dune montre :
0-1-2-3-4-5-6-7-8-9
1-2-3-4-5-6-7-8-9-0
0-9-8-7-6-5-4-3-2-1
9-8-7-6-5-4-3-2-1-0
En France, nous avons été habitués
à utiliser des cadrans dont les chiffres étaient
disposés 1-2-3-4-5-6-7-8-9-0 .
Le chiffre 0, dans ce cas, na pas une valeur nulle
: il symbolise le nombre 10 et se trouve placé logique
ment après le chiffre 9.
De plus, pour le technicien, le chiffre 1 correspond à
lenvoi dune impulsion et le chiffre 0 à
dix impulsions
Téléphone 1924
1943 le U43
et
en 1963 le S63
Cela semble relever du bon sens et de la logique et a été
adopté dans la majorité des pays.
Il nen a pas été de même
partout ailleurs.
En Nouvelle-Zélande, lordre est inversé.
En Suède, le zéro vient en premier,
suivi de 1 à 9.
En Allemagne et en Autriche , à partir
de l'entre-deux-guerres, une lettre (A, B, C, D, E, F, G,
H, J, K, ou dans le cas du cadran viennois , I, F, A, B,
R, U, M, L, Y, Z) était gravée sur le cadran
lui-même pour chaque chiffre. Cela signifiait que
des combinaisons de chiffres et de lettres pouvaient être
choisies comme numéro de téléphone.
On pourrait dire que cest un précurseur du
vote par correspondance .
Au Danemark, le commutateur à cadran a généré
un total de onze impulsions, dont la dernière a été
court-circuitée par le contact NSR . La durée
totale de fonctionnement est de 1,10 seconde lorsqu'il est
complètement remonté. L'engrenage et le régulateur
centrifuge fonctionnaient également pendant l'enroulement,
évitant ainsi le à-coup de ralenti lors du
passage entre l'enroulement et le déroulement.
La Suède a été la seule à
employer la formule 0-1-2-3-4-5-6-7-8-9.
La Nouvelle-Zélande et Oslo (Norvège)
ont utilisé 9-8-7-6-5-4-3-2-1-0.
Par contre, il ne semble pas que la combinaison 0-9-8-7-6-5-4-3-2-1
ait été mise en pratique.
« Le mystère du cadran inversé
».
Une évolution du système Rotary
7A aux US (Brevet McCarty 1911) nécessite
un « cadran rotatif inversé » particulier
sur chaque téléphone. Il est inversé
par rapport au cadran que la plupart dentre nous connaissent.
Voir la page Commutateur
de Séquence
Un cadran inversé (système rotatif 7A)
L'objectif de la numérotation est de faire progresser
les sélecteurs rotatifs, établissant ainsi
le chemin de conversation. Un cadran inversé est
un élément requis pour atteindre cet objectif
dans le système rotatif 7A.
Entrons un peu dans le vif du sujet ici
Sur un cadran
inversé, composer un 9 génère 1 impulsion
sur la ligne et composer un 1 génère 9 impulsions.
Ainsi, le nombre d'impulsions de numérotation générées
= (10 chiffres composés). D'où le nom, cadran
inversé.
Ainsi, un utilisateur avait besoin de l'assistance d'un
opérateur pour composer un numéro en dehors
des limites du système 7A.
Au fil du temps, le cadran inversé a été
abandonné au profit du type normal à des fins
d'interopérabilité.
De plus, le système rotatif 7A utilise une commande
commune .
Les chiffres composés ne contrôlent pas directement
les sélecteurs (voie vocale). Le circuit de registre
enregistre les chiffres composés, puis contrôle
de manière asynchrone les sélecteurs pour
forger le chemin de conversation. Alors, en quoi une numérotation
inversée peut-elle aider ?
Supposons que l'abonné compose un 6 (4 impulsions
générées). L'enregistreur de chiffres
enregistre un 4. Peu de temps après, le circuit de
registre avance le sélecteur de cible et l'enregistreur
de chiffres d'un pas à la fois. Lorsque l' enregistreur
de chiffres atteint son point final, toujours la position
d'indexation 10, le comptage s'arrête. Pendant le
décompte jusqu'à 10, le sélecteur a
également avancé de 6 pas et c'est l'objectif
final. La position 10, également appelée «
0 », correspond à lÉtat dorigine.
Il peut sembler naturel que l'enregistreur de chiffres,
après avoir compté un chiffre, compte à
rebours (6 vers le haut, 6 vers le bas) au lieu de monter
pour avancer un sélecteur. Ainsi, aucune numérotation
inversée ne serait nécessaire. Cependant,
l'enregistreur de chiffres ne tourne que dans un sens (simplifie
la conception, améliore la fiabilité), il
est donc préférable de compter jusqu'à
10 que de compter jusqu'à zéro (cas d'utilisation
normal du cadran). Cette méthode de « comptage
» nécessite un cadran inversé.
En Nouvelle-Zélande, les premiers
centraux téléphoniques furent équipés
en matériel Strowger qui fonctionnait avec des cadrans
50/50.
Les équipements de commutation automatique suivants
furent du Rotary 7A fabriqué
en Belgique par Western Electric, aux environs de 1916.
Ce matériel exigeait un cadran 33/66.
Pour faire la différence entre les deux systèmes,
les cadrans adaptés au 7A furent numérotés
en sens inverse.
Vers la fin des années 1940, la Nouvelle Zélande
avait une panoplie de réseaux téléphoniques
très variés, avec des numérotations
standard et dautres inversées. Auckland, Hamilton,
Masterton, Wellington dans lîle du Nord, Blenheim
et Oamaru dans celle du Sud, étaient équipées
en numérotation inversée. Christchurch et
Dunedin, dans le Sud étaient aussi en Rotary 7A,
mais en numérotation standard.
Un Peel-Connor, une paire de Strowgers du type GEC pre-2000,
un Strowger Automatic Electric, un Siemens 16, quelques
équipements en BPO 2000, deux systèmes L.M.
Ericsson 500 et le curieux RAX, tous en numérotation
standard, complétaient la variété de
matériels en service en Nouvelle-Zélande à
cette époque.
En 1948, la numérotation par un opérateur
à longue distance commençait à devenir
uneréalité. Il y avait encore quelques standards
manuels où les opérateurs numérotaient
vers des réseaux à numéros standardisés
ou inversés, en utilisant le cadran adapté
au type de numérotation.
Le Post Office décida de normaliser avec un seul
mode de numérotation. Pour cela, il fallait avoir
une idée de la répartition des deux types
de cadrans. Quand le nombre total de cadrans a été
compté, il fut établi que 52 % étaient
inversés et 48 % standards.
Le groupe des 48 % comprenait des appareils qui étaient
considérés comme obsolètes, du genre
à nêtre pas équipés de
bobine antilocal.
Ces calculs avaient été établis par
Doug, un ingénieur du genre jeune chien fou (pup
engineer, en anglais), à qui avait été
confié létablissement du décompte
des postes téléphoniques. On présume
que les postes supplémentaires et ceux des installations
complexes avaient été inclus, mais on ne sait
pas sil avait pensé aux Chemins de fer qui,
eux aussi, utilisaient des centraux automatiques ayant accès
au réseau du Post Office.
De toutes façons, le Post Office choisit la méthode
la moins onéreuse et changea le plus petit nombre
de cadrans. Daprès Doug, le jeune chien fou,
une autre raison de ce choix était que, dans les
années 1950 et suite à la deuxième
guerre mondiale, on était encore à court de
matériels ; ceci aurait aussi influencé la
décision finale de changer le plus petit nombre de
cadrans. Christchurch passa aux cadrans inversés
en octobre 1953 et Dunedin
en 1955.
Cette modification nétait pas vraiment appréciée
par les personnes qui possédaient des appareils anciens
auxquels ils tenaient (par exemple Western Electric 302,
connu sous le nom de Mickey Mouse) qui étaient remplacés
par des appareils banals du type BPO 332.
À partir de cette période, et jusquà
larrivée des claviers, les Néo-Zélandais
ont composé les numéros de téléphone
sur des cadrans à chiffres inversés
Quoi quen pensent les habitants de lhémisphère
Nord, ceci na absolument rien à voir avec la
Force de Coriolis.
CADRAN NORMAL OU CADRAN INVERSÉ
?
La coexistence de centraux téléphoniques dont
les organes étaient commandés avec des signaux
de calibrage différent a posé un problème
dexploitation. Il fallait savoir quel était
le type de central sur lequel était raccordée
linstallation, pour installer un appareil équipé
du cadran convenable.
La solution a été trouvée en utilisant
le cadran normal (rapport 50/50) pour le Strowger et le
cadran aux chiffres inversés (rapport 33/66) pour
le Rotary.
Cette situation était source de complications pour
les utilisateurs. Ils étaient habitués au
cadran de leur téléphone domestique et quand
ils téléphonaient dun poste situé
hors de leur domicile (bureau, cabine publique,etc.) ils
devaient faire attention à la disposition des chiffres.
Cela était la source de nombreux faux numéros
Il semble que le cadran inversé ait été
utilisé en Belgique, en Norvège et, surtout,
en Nouvelle-Zélande.
Lévolution technologique a permis de saffranchir
des systèmes à impulsions courtes/longues,
ce qui conduisait à la suppression des cadrans inversés.
Ils sont tombés en disgrâce dans les années
1920 et, à la fin des années 1930, les modifications
avaient été apportées dans les différents
centraux pour quils fonctionnent tous avec des impulsions
50/50.
Les vieux cadrans Western Electric 7001 ont été
mis à la poubelle.
Apparemment, ce qui à nous, Français,
paraît logique ne convenait pas à tout le monde
:
En fait, il y avait longtemps que les impulsions envoyées
sur la ligne nactionnaient plus directement les organes
de commutation. Il était devenu difficile de commander
des organes étagés de façon successive,
avec des temps de mise en place relativement longs.
Lenregistreur avait été introduit,
dont les relais faisaient tampon entre les signaux venus
du cadran et ceux envoyés aux organes rotatifs.
Lenregistreur permettait aussi de traduire
le nombre dimpulsions reçues en un nombre différent
à transmettre aux organes de commutation : dans le
cas du cadran inversé, numéroter le 3 conduit
à envoyer sept impulsions, ce que lenregistreur
traduit par lavancement de trois pas

Le CADRAN AUSTRALIEN
Le rapport dimpulsion le rapport entre louverture
et la fermeture est de 2:1. Dans la plupart des pays,
cependant, il est normalisé à 1,6:1.
L'Australie n'a pas utilisé le système britannique
à trois lettres. Il n'y avait aucune corrélation
entre les lettres et un nom d'échange, par ex. BA21
était un centre d'échanges de Perth.
Sommaire
LES APPAREILS DE NUMEROTATION SPECIFIQUES
En Novembre 1915
Angers ouvre le
premier centre rotatif semi-automatique ROTARY
7A en France.
Le système téléphonique semi-automatique
ne diffère pas du système à batterie
centrale en ce qui concerne les postes d'abonnés
et l'intervention des opératrices pour établir
une communication.
Dans un bureau central semi-automatique, lorsque
l'opératrice a enregistré le numéro
de l'abonné demandé sur un clavier analogue
à celui d'une machine à écrire,
la mise en relation de cet abonné avec l'abonné
demandeur se poursuit automatiquement par des commutateurs
tournants que nous décrirons plus loin. Ce clavier
pilotait tout un système à relais électro-mécanique
pour enregistrer le numéro à composer.

Donc, plus de fiches, plus de jacks généraux
ou particuliers ; le meuble téléphonique est
réduit aux proportions d'une simple table d'aspect
très dégagé.

L'opératrice n'est occupée par le demandeur
que juste le temps suffisant pour enregistrer sur son clavier
le numéro demandé.
Une téléphoniste habile pourra assurer jusqu'à
500 communications à l'heure, chiffre double de celui
qui est obtenu avec la batterie centrale manuelle.
1928,
le commutateur R6 sans enregistreur, à
contrôle direct (comme le Strowger) , dont le nom
officiel est ROTATIF 1926, car mis au point en 1926, encore
rencontré sous le nom semi abrégé ROTATIF
6 sera implanté dans les villes moyennes de province
dès la fin de 1928
Ce système français de type pas à pas
étant un hybride; s'inspire à la fois des
systèmes Rotary et Strowger.
Il est de surcroît simplifié à l'extrême
pour être le moins coûteux possible.
Pour les abonnés, pas de changement de stratégie,
les cadrans de cette époque fonctionnaient aussi
sur tous les nouveaux centraux.
Cadran
de maintenance R6
(c'est rare d'en trouver encore de nos jours)
Avec le début du R6 est apparu un curieux cadran
à 11 trous fabriqué par la CGCT-Paris,
conçu pour les techniciens à des fins de
maintenance du central. Ce cadran était réservé
aux tables dessais des télécommunications
de province où le matériel R6 fut déployé.
Normalement tout organe Orienteur du R6 retrouve sa position
de repos « par défaut » au raccrochage
de labonné quand la communication ne peut être
obtenue, ou mieux encore, une fois que la communication
est établie avec succès.
Le onzième trou « E » comme Essai,
servait à tester le cycle complet de commutation
pas à pas du système R6, car la onzième
impulsion donnée au cadran par la lettre «
E » permettait de vérifier si oui ou non les
Orienteurs (commutateurs rotatifs pas à pas à
onze positions : une par valeur de chiffre plus une de repos)
chargés de « mémoriser » chaque
chiffre du numéro de téléphone demandé,
retrouvaient correctement leur position initiale de repos.
Ce cadran spécifique permettait donc à lopérateur
de la table dessai dordonner le retour immédiat
de nimporte quel orienteur sélectionné
afin de pouvoir constater ou non le bon fonctionnement des
cliquets et des ressorts de rappel de ces organes.
élément
d'un pupitre de table d'essai pour R6
Nota : Le cadran téléphonique à
11 trous a ultérieurement été utilisé
pour tester les multisélecteurs PENTACONTA 1040 et
2080.
En effet, la 11ème impulsion de ce cadran spécial
permettait d'atteindre les lignes Hors Numérotation,
utilisées, par exemple, pour les taxiphones, les
lignes de groupement alphanumériques. (Pour chaque
cadre-multisélecteur de 52 points de sortie, 2 points
de sortie étaient donc Hors Numérotation en
service normal)
Sommaire
1924,
le numéroteur Ericsson
ou composeur téléphonique
Type de dispositif d'appel lisible pour les systèmes
téléphoniques automatiques.
L'appareil d'appel généralement utilisé
en liaison avec les systèmes téléphoniques
entièrement automatiques consiste en ce que l'on
appelle un cadran
Ce n'est pas un appareil connu, il doit être très
rare car il devait être très couteux à
produire par rapport au cadran classique.
Sommaire
Pette histoire de cadran :
Les commerçants ou les gens qui avaient du personnel
se plaignaient parfois des notes de téléphone
salées, disons excéssives. Après enquête
des employés passaient de longs moments avec leurs
compagnes ou enfants au téléphone, sans demander
la permission au propriétaire de l'abonnement.
A cette époque il n'y avait pas encore de téléphone
portable. Pour éviter ces abus, on trouvait dans
le commerce des "cadenas pour téléphones"
qui se posaient sur le cadran et l'empêchait de tourner.
Normalement on ne ne pouvait plus numéroter.
Mais c'était sans compter sur l'imagination des petits
malins qui avaientt plus dun tour dans leur sac :
Certains dévissaient le cadran à laide
dun tournevis, libérant le cadena ...
Pour d'autres il suffisait de décrocher le combiné,
et après avoir entendu la tonalité il s'agissait
de composer le numéro chiffre par chiffre en tapotant
sur le crochet du combiné autant de fois qu'il fallait
exemple pour un huit il fallait taper rapidement huit fois
puis après moins d'une seconde darrêt
on recommençait pour le chiffre suivant ...
Les Numéros dans les combinés
Certains téléphones comprennent un
petit cadran intégré au combiné, avec
une butée mobile. L'utilisateur fait tourner le cadran
dans le sens des aiguilles d'une montre jusqu'à ce
que la butée du doigt cesse de bouger, puis relâche
les deux. Dans cette conception, les trous s'étendent
sur toute la circonférence du cadran, permettant
un diamètre réduit. Cela a été
introduit par Western Electric sur le téléphone
compact Trimline, le premier à localiser le cadran
dans le combiné. En Espagne, ces téléphones
ont été fabriqués pour CTNE ( Compañía
Nacional de Telefónica España ) par Málaga
-Basé usine « CITESA », d' être
nommé comme les téléphones «
Góndola » par sa forme particulière.
Les ensembles Góndola espagnols ont été
équipés dès le début d'une série
de LED rouges connectées à la ligne, permettant
au cadran ("disco" en espagnol) d'être rétro-éclairé
lors de la numérotation. Pour cela, la LED était
pontée par une diode Zener anti-parallèle,
pour laisser passer le courant continu même si la
polarité de la ligne était inversée.
En cas d'inversion de polarité de la ligne, la LED
ne s'allumerait pas, mais le téléphone fonctionnerait
quand même. La LED et la diode Zener étaient
contenues dans le même boîtier pour faciliter
l'assemblage lors de la fabrication.
Téléphones à
impulsions à bouton-poussoir
Au Royaume-Uni, certains des premiers téléphones
(du milieu à la fin des années 1960) ont été
construits et ont continué à fournir la même
signalisation à cadran rotatif sur leur PABX en utilisant
un convertisseur séparé pour donner 10-PPS,
mais fonctionnaient avec des boutons. Certains d'entre eux,
tels que les GPO 726 ou 728, se distinguent des téléphones
à clavier par l'absence de touches * et # et une
disposition inhabituelle des touches.
Dans les années 1970, un petit verrou
téléphonique était parfois inséré
dans un trou pour le doigt et utilisé comme barrière
saillante pour restreindre l'utilisation par des personnes
non autorisées.
Cette barrière était souvent installée
dans le trou 3 et ne permettait ainsi de composer que les
numéros d'urgence 112, 122 et 133 (pompiers, police)
; Le blocage du trou 9 était plus libéral,
car il bloquait le numéro « 0 » nécessaire
aux appels longue distance , mais de nombreuses connexions
locales sans le « 0 » restaient
accessibles. Dans les centraux téléphoniques
privés où le « 0 » est utilisé
pour accéder à la ligne extérieure,
seuls les « appels internes » étaient
possibles.
Le verrouillage mécanique pouvait être contourné
en remplaçant le disque du trou pour les doigts (des
pincettes pointues desserrent l'écrou à 2
fentes). Les utilisateurs expérimentés pourraient
même, avec un peu d'habileté, utiliser le battement
rythmique de la fourche du combiné pour simuler la
fonction de numérotation en « tapotant »
avec leur doigt et en composant le numéro souhaité.
Avec l'introduction des numéros abrégés
commençant par « 9 » entre de nombreuses
villes autrichiennes de 1973 à 1996, la position
de verrouillage requise est passée à «
8 ». À la position la plus éloignée
« 0 », le verrou peut être mis au point
mort.
Les téléphones à
clavier en remplacement du cadran. Cette idée
de clavier semble avoir émergé en 1960.
Plus tard, les claviers dits "autonomes" utilisaient
un circuit électronique alimenté par la ligne
dans le téléphone pour convertir les chiffres
saisis pour donner 10-PPS qui était nécessaire
pour fonctionner sur les échanges publics Strowger,
Crossbar ou électroniques normaux. Ce sont des GPO
(BT) de type 756 (sans batterie), 1/764 & 2/764 ou 765
(avec batteries NiCD), ou 766 (sans batterie) pour n'en
nommer que quelques-uns. Ceux-ci n'ont pas non plus les
touches * ou #.
Sommaire
Pette histoire de clavier
Le Téléphone à clavier DTMF
(dual-tone multi-frequency) ou FV (Fréquences
Vocales),
En 1963, Bell System a introduit le clavier de numérotation
et Western Electric a commencé la production d'un
modèle à touches, avec 10 touches numériques,
sans les touches étoile (*) et dièse (#).
Un code DTMF (dual-tone multi-frequency) ou FV (Fréquences
Vocales) est une combinaison de fréquences utilisée
pour la téléphonie fixe classique (sauf voix
sur IP).
Ces codes sont émis lors de la pression sur une touche
du clavier téléphonique, et sont utilisés
pour la composition des numéros de téléphones
(en opposition aux anciens téléphones dits
« à impulsions », utilisant un cadran)
ainsi que pour la communication avec les serveurs vocaux
interactifs.
Techniquement, chaque touche d'un téléphone
correspond à un couple de deux fréquences
audibles qui sont émises simultanément.
De cette façon, huit fréquences bien distinctes
permettent de coder seize touches. Ces fréquences
peuvent être reconnues par des dispositifs électroniques
et sont utilisées pour réaliser des serveurs
vocaux.
Dans les premiers appareils, la touche « R »
que l'on retrouve sur de nombreux téléphones
fixes ne fait pas partie des codes DTMF. Un appui sur la
touche « R » provoque une coupure de la ligne
de 100 ms, comme si le combiné était raccroché
pendant un temps très court, c'est le raccroché-éclair
ou signal crochet commutateur.
Le clavier à FV a offert un confort
d'uilisation aux abonnés du téléphone,
la numérotation devenait facile et rapide.
Claviers norme ITU E 1.161
Un temps disparu sur la gravure des touches, cette correspondance
alphabétique est de nouveau visible, surtout depuis
l'utilisation des claviers des téléphones
mobiles pour rechercher un nom dans son répertoire
ou pour rédiger des SMS. Toutefois, les lettres sont
réparties différemment :
Clavier
à 10 touches
Clavier à 12 touches
En France, la moitié du parc installé
en 1991 (quinze millions de postes) est équipée
dune numérotation FV à fréquences
vocales, les appareils sont alors dotés des deux
systèmes de numérotation, décimal et
fréquentiel. Le clavier, grâce à des
touches spécialisées (* et #), donne accès
à de nouveaux services.
John Elias Karlin, né en Afrique
du Sud, immigré aux Etats-Unis, inconnu du grand
public, est pourtant lhomme qui a révolutionné
nos vies en changeant notre façon de téléphoner.
Car cest lui, multidiplomé en psychologie,
philosophie et électronique, ancien étudiant
du MIT, qui a fait passer le cadran de vie à trépas
pour imposer ce que avons utilisé le téléphone
à touches. (avant l'avénement du smartphone
et du téléphone mobile) .

John Karlin en 1965. Alcatel-Lucent USA .
En 1945, Karlin débute sa carrière
dans les Bell Labs, un laboratoire de recherches propriété
de grandes compagnies de téléphone, ATT et
Western Electric Companies. Avec son équipe, il va
créer le téléphone à touches,
qui sera testé à partir du 18 novembre
1963.
En étudiant les capacités
psychologiques et les limites des gens ordinaires, il a
entraîné le téléphone, alors
une technologie qui proliféra rapidement mais encore
assez nouvelle, à prendre une forme optimale pour
une utilisation par les Américains du milieu du siècle.
"C'est lui qui a introduit l'idée que les sciences
du comportement pouvaient répondre à certaines
questions sur la conception des téléphones",
a déclaré Ed Israelski, un ingénieur
qui a travaillé sous M. Karlin aux Bell Labs dans
les années 1970, lors d'un entretien téléphonique.
Le plus grand défi de M. Karlin était presque
certainement l'avènement du téléphone
à bouton-poussoir, officiellement introduit le 18
novembre 1963, dans deux communautés de Pennsylvanie,
Carnegie et Greensburg.
En 1946, un ingénieur des Bell Labs, Rudolph F. Mallina,
avait breveté un premier modèle, avec des
boutons disposés en deux rangées horizontales
: 1 à 5 en haut, 6 à 0 en bas. Il n'a jamais
été commercialisé.
À la fin des années 1950, alors que la numérotation
par clavier - beaucoup plus rapide que le cadran - semblait
inévitable, le groupe de M. Karlin a commencé
à étudier la forme que devrait prendre le
téléphone du futur. Les configurations de
clavier examinées comprenaient celle de M. Mallina,
une avec des boutons en cercle, une autre avec des boutons
en arc et un pavé rectangulaire.
En 2013, le 50e anniversaire de l'introduction du téléphone
à clavier, les réponses à ces questions
restent palpables à la simple pression d'un bouton.
La conception rectangulaire du clavier, la forme de ses
boutons et la position des chiffres - avec "1-2-3"
sur la rangée du haut au lieu du bas, comme sur une
calculatrice - sont tous issus de recherches empiriques
menées ou supervisées par M. Karlin.
L'héritage de cette recherche s'étend maintenant
bien au-delà du téléphone : la conception
du clavier que M. Karlin a mise au point est devenue la
norme internationale sur des objets aussi divers que les
distributeurs automatiques de billets, les pompes à
essence, les serrures de porte, les distributeurs automatiques
et l'équipement médical.
Parmi les problèmes que M. Karlin a examinés
en tant que chef du département d'ingénierie
des facteurs humains de Bell Labs - le premier département
de ce type dans une entreprise américaine - figuraient
la longueur optimale d'un cordon téléphonique
(une étude qui impliquait un sabotage doux et réussi)
et le des moyens par lesquels les appels rotatifs pouvaient
être effectués efficacement après que
les numéros aient été déplacés
de l'intérieur des trous pour les doigts, où
ils s'étaient nichés en compagnie pendant
des années, vers le bord extérieur du cadran.
Aujourd'hui yil n'y a plus de problème, i n'y a plus
de fil.
Le clavier qui allait finir par simposer,
sur la base de tests dobservation de groupes détudes
on allait analyser la vitesse de composition des numéros,
les préférences des utilisateurs est celui
qui existe encore aujourdhui: 10 touches, par rangées
de trois de 1 à 9, avec le 0 centré en dessous,
avec le 123 en haut.
Sommaire
Pour moderniser les claviers par impulsion,
il a été fabriqué des claviers CONVERTISSEUR
Décimal DT/MF à mettre à la place du
cadran.
Les centraux se modernisants, ils devenaient comptatibles
avec la numérotation à fréquences vocales
tout en conservant la numérotation par impulsions,
c'est encore le cas jusqu'à l'extinction des centraux
numériques (entre 2023 et 2030).
Pour les nostaliques du téléphone ancien à
cadrab, aujourd'hui les boitiers convertisseurs ainsi que
les anciens téléphones munis de convertisseur
est encore compatible avec les box et les systèmes
moderne.
Certaines Box possèdent un convertisseur impulsions
> DTMF intégré, renseignez vous.
Les premiers téléphones mobiles, sont équipés
d'un clavier à touches dont les numéros sont
disposés de la même manière que les
cadrans fixes à frquences vocales.
Puis avec les smartphones le clavier devient entièrement
numérique
sans mécanique.
Pour ne pas perturber les habitudes, la disposition des
chiffres reproduit la disposition des chifres des cadrans
de téléphones à touches, contrairement
à la dispostion d'un clavier numérique de
calculatrice sur smartphone ou sur micro ordinateur.
Sommaire