Le système AUTOMANUAL
Deux systèmes de téléphonie sont
utilisés : le système manuel et le système automatique.
Avec le développement du système automatique et la conviction
croissante, qui est pleinement mûrie dans l'esprit de la plupart
des ingénieurs en téléphonie de l'époque,
que la commutation automatique est pratique, il y a eu une tendance
croissante à faire automatiquement beaucoup de choses qui étaient
auparavant faites manuellement. L'un des résultats de cette tendance
a été la production du système automanuel.
En 1906 Le développement du système automanuel
a commencé avec un brevet reçu par Edward E. Clement,
un avocat spécialisé en propriété industrielle
à Washington, DC. La North Electric
Company de Galion, Ohio, a produit et installé le
système. Charles H. North a fondé la société
à Cleveland, Ohio en 1884, et on prétend qu'elle est le
plus ancien fabricant d'équipements du pays pour l'industrie
téléphonique indépendante.
Au début du XXe siècle, Charles North s'est associé
à Ernst Faller, un citoyen allemand
vivant à New York, qui a reçu en 1901 le brevet américain
686 892 pour son système téléphonique automatique
à actionnement automatique.
En 1907, North et Faller se sont associés à Clement
pour produire le système automanuel.
Grâce à ce système, les abonnés pouvaient
utiliser des téléphones classiques sans dispositif de
numérotation. En décrochant le combiné, labonné
appelant activait une double recherche dans le central téléphonique
: dabord pour trouver la ligne appelante, puis pour trouver un
opérateur libre. Un circuit tout relais était utilisé
pour ce repérage de ligne. Le poste de lopérateur
libre était commuté automatiquement et placé en
position découte afin que labonné puisse mentionner
le numéro de la ligne désirée. Lopérateur
saisissait ce numéro sur un clavier (ce qui était beaucoup
plus rapide que la numérotation sur un disque rotatif), et en
appuyant sur une touche de mise en marche, un dispositif pulsatoire
déclenchait lenvoi dimpulsions aux sélecteurs
de lignes du central. Comme le sélecteur Strowger, le sélecteur
de North Electric avait deux mouvements, mais avec un mouvement rotatif
et un déplacement ultérieur sur un axe horizontal uniquement.
Lautomate permettait de mesurer et de déconnecter une ligne
en fin de communication sans intervention de lopérateur.
Une fois la communication établie, lopérateur pouvait
traiter lappel suivant. Ainsi, le temps dintervention dun
opérateur, et par conséquent le temps de prise des circuits
entre les opérateurs et lautomate, était réduit
au minimum. Par conséquent, le nombre d'opérateurs était
considérablement inférieur à celui du service manuel.
On prétendait qu'un opérateur pouvait traiter 1 500 appels
par heure dans le service manuel automatique, contre 230 à 250
dans un central manuel.
Les premiers centraux manuels automatiques furent installés à
Ashtabula et à Lima, dans l'Ohio, en 1914. Western
Electric acquit les droits de fabrication en 1916.
La North Electric Company développa
un autre système de commutation téléphonique vers
1913, qui utilisait exclusivement des relais et fut donc appelé
système tout relais. Une première
et unique application fut l'utilisation d'une solution tout relais pour
les détecteurs de ligne dans le central manuel automatique installé
à Lima. Une version entièrement automatisée du
système tout relais a été installée comme
central privé au lycée Galion en 1920. Le premier central
public de ce type a été installé à Copley
et River Styx, dans l'Ohio, en 1929. Il était alors appelé
CX (city exchange) et installé dans plusieurs milliers de petits
centraux publics desservis par des sociétés indépendantes.
Le système tout relais CX doit son succès à sa
grande fiabilité et à ses très faibles besoins
de maintenance. En 1951, la North Electric Company a été
reprise par L.M. Ericsson pour adapter et fabriquer les équipements
crossbar de L.M. Ericsson.
- En 1906, Edward E. Clement a déposé une demande
de brevets relatifs à un système semi-automatique. Brevet
US1027239 Demande déposée
le 28 janvier 1905. Numéro de série 243 114.
- En 1908 Le premier central fut établi en 1908 à
Ashtabula Harbor, dans l'Ohio. Exploité comme un satellite à
partir d'Ashtabula, il est considéré comme le premier
central téléphonique télécommandé.
- En 1909 Le système a été mis sur le marché,
date à laquelle un certain nombre d'installations ont été
installées.
US1027239
US1107135
Comme le sélecteur Strowger, le sélecteur Clément
de North Electric avait deux mouvements, mais avec un mouvement de rotation
suivi d'un déplacement sur un axe horizontal uniquement.
Edward E. Clement, est aussi co auteur de brevets,
- D. C. 1,210,616. Machine-Switching Telephone Exchange System. To Bert
G. Dunham, Hawthorne, N.J. Et le brevet n° 820.652 pour un système
télégraphique a été accordé à
Jacob W. Lattig, West Bethlehem, et Charles L. Goodrum, Philadelphie,
Pennsylvanie,
- Un système de communication télégraphique adapté
aux travaux ferroviaires comprend un conducteur continu qui est maintenu
en contact avec l'appareil du train par un contact de déplacement.
Les occupants du train sont autorisés par l'appareil à
parler sur le circuit téléphonique pendant que le train
est en mouvement.
- 1 216 946 Multiplicateur acoustique. Edward E. Clement, de Washington,
District de Columbia. Pas de date d'exécution. Déposé
le 16 mars 1912, numéro de série 684 365. Parmi les objectifs
figure « l'amélioration de la reproduction des disques
phonographiques.
...
Clément était un inventeur prolifique et a peut-être
influencé Betulander , surtout depuis que son système
a été introduit environ 7 ans plus tôt. Il est intéressant
de noter que Frank McBerty, célèbre pour son système
Rotary7A, a rejoint la North
Company après avoir quitté Western Electric,
en est devenu président et a continué à être
un inventeur prolifique. Il a développé un échange
tout relais en utilisant sa version du relais Reed à la fin des
années 1940.
Caractéristiques générales
de fonctionnement.
L'abonné qui désire faire un appel décroche son
combiné, ce qui provoque l'allumage d'une lampe devant un opérateur.
L'opérateur appuie sur un bouton et est en communication téléphonique
avec l'abonné. Ayant reçu le numéro souhaité,
l'opérateur le règle sur un clavier à peu près
de la même manière qu'un dactylo règle les lettres
d'un mot court sur une machine à écrire. La configuration
du numéro sur le clavier étant accomplie, les conditions
appropriées de commande de l'appareil automatique associé
au central téléphonique sont établies et l'opérateur
n'a plus de connexion avec l'appel. L'appareil de commutation automatique
guidé par les conditions définies sur le clavier de l'opérateur
procède à la sélection appropriée des lignes
principales et à l'établissement des connexions appropriées
à travers elles pour établir un circuit de conversation
entre l'abonné appelant et l'abonné appelé et pour
faire sonner la cloche de l'abonné appelé, ou, si sa ligne
est occupée, l'appareil refuse de se connecter à elle
et renvoie un signal d'occupation à l'abonné appelant.
L'opératrice n'effectue aucune intervention pour déconnecter
les abonnés, celle-ci étant automatiquement prise en charge
lorsqu'ils raccrochent leur combiné à la fin de la conversation.
sommaire
La disposition générale du système de jonction
est illustrée à la figure une suivante :
Fig 1
Les lignes des abonnés à gauche sont multipliées
par les rangées de commutateurs de recherche, ici appelées
commutateurs « sélecteurs primaires ». Chaque sélecteur
primaire est relié à une jonction menant à un premier
sélecteur. À partir des rangées des premiers sélecteurs,
les jonctions vont aux seconds sélecteurs et à partir
des rangées des seconds sélecteurs, les jonctions sont
fournies aux connecteurs des centaines individuelles. Associé
à chaque connecteur est un commutateur sélecteur de sonnerie
pour l'utilisation de la ligne partagée. Ce dernier commutateur
délivre au connecteur la fréquence appropriée du
courant de sonnerie pour faire sonner la cloche du poste désiré
sur la ligne.
Le gain d'efficacité des opérateurs par l'utilisation
d'appareils de distribution de trafic est expliqué en détail
dans le chapitre consacré aux équipements de ce type.
Le système automanuel comprend l'idée du distributeur
de trafic, mais remplace l'acte de l'opérateur du distributeur
de trafic de prendre une fiche de terminaison de ligne principale et
de l'insérer dans une prise multiple, par l'acte de configurer
le numéro de l'appelé sur un jeu de touches similaires
à celles d'une machine à additionner.
L'opérateur du distributeur de trafic doit faire le test d'occupation
habituel et débrancher la fiche utilisée lorsque la conversation
est terminée. Ces choses-là, l'opérateur automanuel
ne le fait pas. Le système de distribution de trafic est moins
coûteux à installer que l'automanuel, mais il reste à
déterminer lequel est le plus économique à exploiter
et à entretenir dans les systèmes à bureau unique.
L'automanuel est adapté aux systèmes à bureaux
multiples où un important réseau interbureaux est effectué,
car le travail de l'opérateur est le même sur un appel
à ligne principale que sur un appel effectué localement.
Tous les commutateurs utilisés dans le système
automanuel, à l'exception de quelques commutateurs auxiliaires,
sont du type à cent points et à deux mouvements. Les contacts
de la rangée sont placés sur le bord (verticalement) et
l'arbre est disposé d'abord pour tourner vers une rangée
verticale puis pour monter vers un contact individuel. Les commutateurs
auxiliaires sont disposés pour être tournés par
un mécanisme à cliquet dans un sens, de sorte que leur
rétablissement à la normale consiste à les actionner
jusqu'à ce que les essuie-glaces quittent la rangée.
Les lignes des abonnés sont groupées par centaines, chaque
centaine de lignes étant desservie par un certain nombre de commutateurs
sélecteurs primaires (généralement dix).
Pour chaque groupe, il y a un commutateur de distribution primaire et
un distributeur à clé. La fonction du premier est de trouver
un sélecteur primaire inactif et de l'amener à rechercher
la ligne appelante. La fonction du second est de trouver la position
d'un opérateur inactif et de faire en sorte que le commutateur
à clé recherche la ligne principale attachée au
sélecteur primaire qui a trouvé la ligne appelante. Par
les efforts combinés de ces commutateurs, la ligne de l'abonné
est reliée par un tronc à un premier sélecteur
et à l'équipement d'un opérateur inactif.
L'opérateur est muni d'un ou de plusieurs claviers par lesquels
les impulsions générées par la machine émettrice
peuvent être délivrées aux commutateurs de manière
à établir la connexion. Une fois la connexion établie,
l'appareil de l'opérateur est déconnecté afin qu'il
puisse revenir à l'utilisation courante.
L'ordre des chiffres dans le numéro appelé est le suivant
: le premier chiffre actionne le premier sélecteur, le deuxième
chiffre actionne le deuxième sélecteur, le troisième
chiffre actionne le sélecteur de sonnerie et les quatrième
et cinquième chiffres actionnent le connecteur.
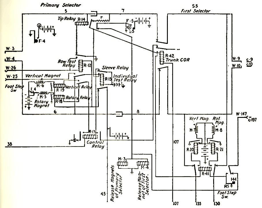
Détails des circuits.
Fig 2
Les lignes des abonnés (voir la figure 2 ci dessus) ont
des relais de ligne et de coupure. Tous les relais de ligne, appartenant
à des lignes qui se trouvent dans la même rangée
verticale sur les bancs des sélecteurs primaires, tirent leur
courant à travers un relais de ligne commun, R-3. Ceci a pour
but de permettre au sélecteur primaire de s'arrêter à
la rangée contenant la ligne appelante.
Le commutateur de distribution primaire S est de type rotatif plat,
doté d'un relais de démarrage #-4, d'un relais d'arrêt
R-5 et d'un aimant M.
Le distributeur de clés S-2 est similaire, sauf qu'il possède
trois essuie-glaces et un relais de démarrage R-ll, un relais
d'arrêt R-10, un aimant M-2 et un relais auxiliaire R-9.
Le sélecteur primaire (Figure 4) et le premier sélecteur
sont reliés entre eux. L'appareil sélecteur primaire est
représenté à gauche et le premier appareil sélecteur
à droite. Le circuit de ligne est interrompu par deux condensateurs
et le courant de conversation est fourni à l'abonné appelant
par deux relais R-14 et le relais R-15. Il y a quatre essuie-glaces
: les essuie-glaces de ligne W-3 et W-4 ; l'essuie-glace de rangée
W-26 et l'essuie-glace individuel W-25.
Les essuie-glaces de ligne et l'essuie-glace individuel sont placés
sur le bord. L'essuie-glace de rangée W-26 est placé à
plat de manière à engager les contacts plats, qui sont
au nombre de dix, un pour chaque rangée verticale. Lorsque l'arbre
se déplace vers le haut, l'essuie-glace de rangée est
soulevé des contacts de rangée.
Le sélecteur primaire est démarré par un fil de
commande 38. Les deux relais R-20 et #-21 sont reliés par les
fils 135 et 130 au sélecteur secondaire et de là à
la machine émettrice. Les impulsions de ce dernier actionnent
le relais rotatif R-21 et, par son intermédiaire, l'aimant rotatif
M-8. De la même manière, les impulsions transmises par
le relais vertical R-20 actionnent l'aimant vertical M-7.
La sélection d'une ligne non occupée s'effectue en envoyant
dix impulsions sur la ligne 135, le commutateur à pédale
ou hors-norme 144-145 étant ouvert et le relais R-41 fermé
sur l'essuie-glace privé W-147 à ce moment-là.
Lorsqu'une ligne non occupée est trouvée, le relais R-41
revient en arrière et coupe les impulsions supplémentaires.
Le commutateur à clé (voir la figure 5) possède
des curseurs de ligne, W-SO et WS1, sur lesquels se déroulent
les conversations entre l'opérateur et l'abonné et les
impulsions envoyées aux connecteurs et aux sélecteurs.
Le curseur de ligne est W-82 et le curseur de test individuel est 14
7-84. Le curseur 83 est auxiliaire et sert à actionner le relais
de coupure de ligne R-42, figure 224, ainsi que d'autres relais.
Le poste de l'opérateur possède un relais d'écoute,
33, qui le relie au circuit. A droite se trouve un commutateur auxiliaire,
*S-3, qui possède trois curseurs entraînés par l'aimant
M-15. Sa fonction principale est de délivrer les impulsions appropriées
de la machine émettrice et du clavier aux lignes 131 et 132,
et de là aux commutateurs de sélection. Dans le coin inférieur
droit du schéma sont représentés un certain nombre
de relais qui coopèrent entre eux pour contrôler les impulsions.
L'aimant de déclenchement du commutateur à clé,
M-1Q, fait partie intégrante de l'appareil représenté
à gauche.
Le commutateur de connecteur (voir Fig. 229) possède deux relais
de ligne, R-23 et R-22.
Les lignes sont transposées avant d'entrer dans le circuit de
commutation. Il y a un ressort rotatif de mise hors service, F-6, et
un commutateur à pédale vertical 237 et 238.
Le commutateur à pédale rotatif, F-Q, fonctionne sur le
premier pas rotatif et le commutateur à pédale vertical,
237-238, sur le premier pas vertical. Les deux relais de commande, R-24
et R-27, coopèrent avec les relais de ligne et les commutateurs
à pédale pour délivrer les impulsions, d'abord
à l'aimant M-ll pour le sélecteur de fréquence
S-7, puis à l'aimant rotatif M-9, et enfin à l'aimant
vertical M-10. Le relais de test d'occupation est le n°-29. Si la
ligne appelée est occupée, R-29 libère le connecteur
et fournit la tonalité d'occupation à l'abonné
appelant. Le relais de sonnerie, R-28, est câblé de la
manière habituelle, sauf que son contact de manchon est câblé
via une résistance r-1 à la batterie négative,
pour maintenir le relais de coupure pendant la sonnerie.
Le sélecteur de fréquence S-7 est un commutateur rotatif
plat. Le curseur de sélection est W-S-70 mais il existe deux
autres curseurs, W-S-700, destinés à rétablir le
commutateur en position normale, en le propulsant autour de la ligne
et W-S-7, qui a pour objet de libérer le connecteur.
La relation générale entre le distributeur secondaire
et les commutateurs à touches est illustrée à la
figure 3 suivante .
Fig 3
A gauche sont représentées les batteries de deux distributeurs
à touches, dont l'un est supposé être destiné
aux cent premières lignes d'abonnés et l'autre aux cent
secondes. Pour 1000 abonnés, il y aurait dix distributeurs à
touches. Dans la partie supérieure de la figure sont représentées
deux batteries, chacune appartenant au commutateur à touches
d'un opérateur. Ce sont des batteries de cent points et sont
multipliées ensemble.
Chaque opérateur peut donc être connecté à
l'une quelconque des 100 lignes principales, celles-ci étant
divisées en dix groupes de dix chacun. Les groupes sont constitués
de rangées verticales.
Lorsqu'un appel est lancé dans une centaine quelconque, le distributeur
de clés tourne pour trouver la position d'un opérateur
inactif. Le fil 79 indique par la présence ou l'absence de potentiel
négatif de batterie si la position est libre ou occupée.
La position n°1 est indiquée comme occupée et la position
n°2 comme libre. Lorsque le distributeur primaire ferme le contact
R-10, le distributeur secondaire tourne jusqu'à ce que le curseur
W-S-200 trouve un potentiel négatif de batterie sur le fil 79.
Le distributeur s'arrête alors et les relais de commande R-10
et R-32 remplissent leurs fonctions. Les fils 79 sont des fils de démarrage
communs et sont multipliés vers les banques de tous les distributeurs
secondaires qui ont accès à ces opérateurs. Le
fil de libération 221 est également commun.
Les fils de test de rangée 98 sont propres au groupe de centaines.
Tous ceux qui partent du distributeur de clés pour la première
centaine se terminent sur le contact n°1 $-82 des contacts de test
de rangée de tous les sélecteurs secondaires. Des fils
similaires 98, provenant du distributeur secondaire de la deuxième
centaine, sont reliés au contact n° 2 de chaque rangée
de commutateurs à clé. Immédiatement au-dessus
de chaque contact de test de rangée S-82 se trouve la rangée
verticale contenant les bornes des lignes principales qui desservent
la centaine particulière à laquelle appartient le contact
de test de rangée.
Lorsque le commutateur à clé fonctionne, ses essuie-glaces
tournent jusqu'à ce que W-82 frappe le contact transportant le
potentiel négatif de la batterie provenant de l'essuie-glace
W-20 et du contact R-10. Les essuie-glaces seront alors levés
jusqu'à ce que IF-84 trouve le contact individuel menant à
la ligne principale qui, à ce moment, est occupée.
FONCTIONNEMENT DÉTAILLÉ DU CIRCUIT
Déclenchement de l'appel.
Lorsque l'abonné décroche le combiné, le
relais de ligne R-1 (Fig. 222) et le relais de ligne R-3 sont tous deux
excités.
Le relais de ligne se verrouille lui-même et le relais de ligne.
Le relais de ligne met à la terre le contact d'essai individuel
C-25 de tous les sélecteurs primaires de ce groupe.
Le relais de ligne, R-3, met à la terre le contact d'essai de
ligne, C-26, allume une lampe de surveillance et met sous tension le
relais de démarrage, R-A, du commutateur de distribution primaire.
Le relais R-A prépare le circuit d'essai du commutateur de distribution
primaire en connectant le relais R-5 de la terre au curseur. Il connecte
également l'interrupteur à l'aimant M de sorte que le
curseur du distributeur primaire est ainsi entraîné sur
les contacts de la banque. Le fil 38, menant à une ligne principale
inactive, a un potentiel de batterie négatif, de sorte que lorsque
la ligne principale inactive est trouvée, le relais R-5 sera
excité en série avec un relais connecté à
la ligne principale. L'activation du relais R-5 coupe le courant de
l'aimant M et arrête le commutateur du distributeur primaire.
Fig 4
Le même courant qui arrête le commutateur du distributeur
primaire active le relais de commande R-13 (Fig. 4 ci dessus) du sélecteur
primaire, R-5 et R-13 étant tous deux en série.
Le relais de commande, en se soulevant, se verrouille sur la batterie
négative, par l'intermédiaire d'un contact arrière
sur le relais de coupure du coffre R-42. Le relais de commande place
la batterie négative sur le fil 45, menant au contact S-84 de
la banque de commutateurs à clé (Fig. 5), qui est le contact
individuel dans une certaine rangée verticale, et qui a pour
but d'arrêter l'essuie-glace du sélecteur secondaire au
coffre approprié. Le relais de commande relie également
la terre de l'interrupteur I par l'intermédiaire d'un contact
arrière du relais R-12 au relais rotatif R-1S qui reçoit
également sa connexion de batterie négative par l'intermédiaire
du relais de commande.
Fig 5
Les pulsations fournies par l'interrupteur I font vibrer le relais rotatif
de sorte que l'aimant rotatif N-5 fait tourner les essuie-glaces. Pendant
ce temps, le relais de test de ligne R-12 se trouve dans un circuit
entre l'essuie-glace de test de ligne W-2Q et la batterie négative
qu'il reçoit du relais de commande par l'intermédiaire
d'un contact sur le relais 7M5. Lorsque l'abonné a lancé
l'appel, son relais de groupe, R-3 (Fig.6 ci dessous), a placé
une masse sur le contact d'essai de ligne, C-26 ( Figure 2), du sélecteur
primaire, donc lorsque les essuie-glaces de l'électeur primaire
ont tourné vers la ligne dans laquelle se termine la ligne de
l'abonné appelant, le relais de test de ligne R-12 trouvera la
masse et sera excité.
Fig 6
En tirant vers le haut, le relais R-12 se verrouille sur la masse, connectant
le relais de test individuel .ft-15 (Fig.4) au curseur W-2b et décalant
les pulsations du relais rotatif vers le relais vertical 72-19. L'aimant
vertical fait immédiatement monter l'arbre, tandis que R-15 teste
chaque contact individuel C-25. En arrivant au contact appartenant à
la ligne d'appel, le relais de test individuel R-15 trouve la masse
qui y a été placée par le relais de ligne R-1.
En tirant vers le haut, le relais de test R-15 coupe la batterie négative
alimentée par le relais vertical R-19 et le relais de test de
ligne R-12, de sorte que tous deux se désexcitent, arrêtant
les curseurs du sélecteur primaire sur la ligne d'appel.
Les curseurs de ligne, W-3 et W-4, sont maintenant en contact avec les
contacts de banque, C-3 et C-4. Le relais de coupure de la ligne appelante
est relevé, en raison de la commutation du relais de test individuel
R-15 de l'essuie-glace W-25 à la ligne 6, de sorte que le courant
circule de la batterie négative à travers l'enroulement
du contact arrière #-15 de R-12, la ligne 6, l'essuie-glace W-4,
le contact C-4, l'enroulement du relais de coupure R-2 à la terre.
Le relèvement du relais de coupure libère la ligne des
relais de ligne R-l et R-S, les déverrouille de la terre et connecte
la pointe et le manchon de la ligne de l'abonné au sélecteur
primaire.
L'extension de la ligne téléphonique de l'abonné
au sélecteur primaire entraîne le flux de courant à
travers le téléphone de l'abonné à partir
des deux relais #-14 et #-15, avec le relais de coupure #-12, branché
à la terre à partir du côté négatif
ou du manchon de la ligne. Le relais de pointe #-14, lorsqu'il est relevé,
coupe la ligne de pointe 7 du relais de coupure de tronc #-42.
Coïncidant avec l'arrêt du commutateur de distribution primaire
(Fig. 2), le distributeur à clé est lancé à
la recherche d'une position d'opérateur inactive. La remontée
du relais R-5 active le relais de démarrage #-11.
L'aimant rotatif M-2 entraîne les essuie-glaces sur la banque.
Le relais #-11 connecte également le circuit de test de la terre
via le relais #-10 à l'essuie-glace W-S-200. Le fil 79 mène
au relais de commande #-32 (Fig. 5) du commutateur à clé.
Si le poste n'est pas occupé et est prêt à recevoir
un appel, le relais de commande sera connecté à la batterie
négative par le contact arrière du commutateur rotatif
à pédale FS, la borne 344, le contact arrière du
relais #-49 du premier sélecteur spécial (Fig. 2), la
borne 343 du commutateur à clé (Fig. 5) contact sur la
prise du récepteur de l'opérateur. Si un opérateur
quitte son poste, il retirera la prise du récepteur, coupant
le potentiel négatif du relais de commande et du fil 79 et rendant
son poste occupé.
Lorsque les essuie-glaces du distributeur secondaire (Fig. 2) arrivent
au poste d'un opérateur de ligne, le relais d'arrêt #-10
sera tiré en série avec le relais de commande #-32 (Fig.
5). Dans l'interrupteur du distributeur secondaire, cela alimente le
relais #-9 et coupe l'aimant rotatif M-2 de sorte que l'interrupteur
s'arrête. Le relais #-9 met le potentiel négatif de la
batterie sur l'essuie-glace W-S-20, le fil 98 menant au contact de la
banque S-82 qui est le contact de test de ligne. Le relais n°-9
met également à la terre le W-S-200, ce qui court-circuite
le relais n°-10, permettant à ce dernier de revenir en arrière.
Cela n'affecte cependant pas le relais n°-9, car ce dernier est
verrouillé sur la batterie négative par son propre contact.
La remontée du relais de commande n°-32 de l'interrupteur
à clé (Fig.5) verrouille son propre enroulement sur la
batterie négative par un contact arrière du relais n°-30,
prépare le circuit de test de ligne à partir de la terre
par un contact avant sur le relais R-32, l'enroulement du relais R-31
vers l'essuie-glace W-82, et ferme le circuit d'interrupteur à
partir de la terre par l'interrupteur /, le contact avant du relais
R-32, l'enroulement du relais R-39, le contact arrière du relais
R-31, le contact arrière du relais n°-30 vers la batterie
négative.
Les pulsations sont maintenant délivrées par le relais
rotatif R-39 et de là relayées à l'aimant rotatif
M-13 de sorte que les essuie-glaces du commutateur à clé
tournent, à la recherche de la rangée dans laquelle se
trouvent les contacts du tronc saisi.
Lorsque l'essuie-glace TF-82 arrive au contact sous tension £-82,
le relais R-31 se soulève, coupant la masse du relais rotatif
et la donnant à la place au relais vertical. En même temps,
le relais R-31 se verrouille sur la batterie négative via un
contact arrière du relais R- et ouvre un fil partant de l'essuie-glace
TF-83.
L'aimant vertical M no l'arbre tandis que le relais de test individuel,
étant connecté entre le JF-84 et la masse, teste les contacts
individuels du tronc. Le relais de communication J du sélecteur
primaire saisi (voir Fig.4, relais R-13) a placé le potentiel
négatif de la batterie sur le fil 45 qui se termine sur le contact
de banque $-84 du sélecteur secondaire.
Ainsi, en arrivant à ce contact, le relais de test individuel
R-30 du sélecteur secondaire se soulèvera, coupant le
courant négatif de la batterie du relais vertical R-40 et déverrouillant
le relais R-31. Les essuie-glaces sont ainsi arrêtés et
le circuit de l'essuie-glace W-S3 fermé.
A ce moment, deux fils sont tendus du premier tronc de sélecteur
de la Fig.4 jusqu'au poste de l'opérateur. Le fil 130 transporte
le circuit de l'essuie-glace de pointe W-9 du premier sélecteur,
à travers un contact arrière du relais R-41, à
travers le fil 130, la banque S-80 du commutateur à clé
(Fig.5) et l'essuie-glace W-SO jusqu'au fil 131. L'autre part de l'essuie-glace
W-10 du premier sélecteur (Fig.4) à travers un contact
arrière du relais R-41 ; fil 135 ; contact de banque v °1
du commutateur à clé (Fig.5) ; essuie-glace W-81 au fil
132.
Le retour en arrière du relais R-31 du commutateur à clé
se ferme, un circuit qui excite simultanément le relais de coupure
de ligne R-42 du premier sélecteur et le relais de signalisation
R-34 au poste de l'opérateur. Ce circuit s'étend comme
suit : de la batterie négative, à travers le contact avant
du relais de manchon R-15, le sélecteur primaire (Fig.4), l'enroulement
du relais de coupure de ligne R-42, le fil 107, le contact de batterie
£-83 du commutateur à clé (Fig.5), l'essuie-glace
TF-83, le contact arrière du relais R-31, le contact arrière
du relais R-35, l'enroulement du relais de signalisation R-34, le contact
arrière du relais d'écoute R-33, le contact arrière
du relais de démarrage R-36, un autre contact arrière
du relais R-35, le contact arrière du relais R-32 (celui-ci ayant
été mis hors tension), jusqu'à la terre.
Le relais de coupure de ligne R-42, en se relevant, coupe les fils 7
et 8, de sorte que les impulsions à envoyer ne gênent pas
l'abonné. Il débloque également le relais de commande
R-13, ainsi que le relais d'arrêt R-5 du distributeur primaire
(Fig.2). Lorsque ce dernier retombe, le courant est coupé au
relais R-ll du distributeur secondaire. Ceci permet au relais R-9 de
retomber et de prendre le potentiel négatif de la batterie du
fil 98 et du contact d'essai de rangée $-82 du sélecteur
secondaire. Les commutateurs des distributeurs primaire et secondaire
sont donc remis en usage commun de sorte que tout autre abonné
de la même centaine peut lancer un appel.
Le déverrouillage et le repli du relais de commande 72-13 du
sélecteur primaire (Fig.4) prennent le potentiel négatif
de la batterie du fil 45 de sorte qu'aucun autre commutateur à
clé ne s'arrêtera sur cette ligne. La mise en place du
relais de signalisation 72-34 (fig.5) au poste de conduite allume une
lampe de protection L-2 (fig. 7) qui attire l'attention de l'opérateur.
Elle fait également sonner une sonnette d'alarme pour le service
de nuit, si on le souhaite, et actionne un registre d'appel, E.
Fig 7
L'opératrice répond alors à l'appel en appuyant
sur la touche d'écoute L-K (Fig.7). Le courant circule alors
du contact de masse (Fig. 181) de la touche L-K et du fil 125 vers (Fig.5)
l'enroulement du relais d'écoute 72-33, le contact arrière
du relais 72-31, le contact arrière du relais 72-30 vers la batterie
négative.
Le relais d'écoute se soulève immédiatement et
se verrouille à la masse. Il coupe le circuit du relais de coupure
de ligne principale 72-42 (Fig.4), qui en retombant relie le circuit
de conversation au poste de l'opératrice. Le relais de signalisation
est également mis hors tension de sorte que la lampe L-2 s'éteint.
Le relais d'écoute relie également le poste de l'opératrice
à la ligne.
L'opératrice parle alors à l'abonné et obtient
le numéro désiré, qu'elle inscrit sur les rangées
de touches représentées sur la figure 7. La rangée
de touches marquée "K-l" indique le chiffre des milliers,
K-2 le chiffre des centaines, K-3 le chiffre des dizaines, K-4 le chiffre
des unités et K-5 le poste désiré sur une ligne
partagée. Enfin, elle appuie sur la touche de démarrage
S-K qui active le relais de démarrage #-36 (Fig.5). Le circuit
sur lequel cela se fait est le suivant : masse, touche de démarrage
S-K (Fig.7), fil 140, enroulement du relais 72-36 (Fig.5), contact arrière
du relais #-35, contact arrière du relais #-31, essuie-glace
W-83, contact £-83, fil 107 vers (Fig.4,) enroulement du relais
#-42, contact avant du relais #-15 vers la batterie négative.
Cela fait remonter le relais de coupure de ligne principale, déconnectant
l'abonné appelant et connectant la batterie négative par
l'enroulement du relais n°-41 à la terre au niveau de l'interrupteur
à pédale 144-145. Le relais n°-41, par conséquent,
remonte et connecte les fils de commande 135 et 130 aux relais verticaux
et rotatifs n°-20 et n°-21. Le relais n°-41 fera partie
du circuit de recherche de ligne principale.
La remontée du relais n°-36 de l'interrupteur à clé
(Fig.5) déverrouille le relais d'écoute n°-33 et déconnecte
le téléphone de l'opérateur. Le même ressort
principal verrouille maintenant le relais de démarrage dans un
état sous tension, en utilisant la même terre que celle
qui maintenait auparavant le relais d'écoute n°-33. Le relais
de démarrage met la batterie négative sur le fil 121 qui
rallume la lampe de protection 7,-2. Elle restera allumée jusqu'à
ce que la machine émettrice ait terminé son travail.
#-36 ferme également un circuit depuis l'aimant M-15 qui actionne
l'interrupteur auxiliaire S-3, à travers un contact arrière
du relais #-35, un contact avant du relais #-36, le fil 151 vers la
machine émettrice (Fig.7), jusqu'à la paire de ressorts
marqués d-11. Étant donné que l'arbre sur lequel
toutes ces cames sont montées est en rotation constante, la came
D-11 fermera actuellement les ressorts d-11, envoyant une impulsion
à l'aimant M-15, faisant tourner les essuie-glaces de l'interrupteur
auxiliaire S-3 jusqu'au premier contact.
L'interrupteur auxiliaire prépare le circuit pour les "milliers"
d'impulsions de la manière suivante : du fil commun de la clé
K-l (fig.7), par le fil 173, frotteur W-S-3 (fig.5), contact arrière
du relais #-1000, fil 131, frotteur 1^-80, contact £-80, fil 130,
contact avant du relais #-41, enroulement du relais #-21 vers la batterie
négative.
Dès que la came D-11 a rompu le contact, les cames numérotées
de D-l à D-10 inclus passent sous leurs ressorts de contact d-1
à d-10 inclus. Ces cames sont de longueur graduée, D-l
maintenant le contact pendant une seule impulsion de l'interrupteur
7. La came D-2 maintient son contact fermé pendant deux impulsions,
la came d'interrupteur 7)-3 pendant trois impulsions, et ainsi de suite.
Le résultat est que la clé de la rangée K-1 qui
est fermée fera délivrer au fil 173 autant d'impulsions
générées par l'interrupteur I que correspondant
au chiffre des milliers. Ceci amènera le relais rotatif #-21
du premier sélecteur (Fig.4) à attirer son armature le
même nombre de fois, et ainsi à actionner l'aimant rotatif
et à faire tourner l'arbre jusqu'à la rangée verticale
désirée. Au premier pas de rotation du premier sélecteur,
l'interrupteur rotatif à pédale F-5 est fermé,
allumant la lampe normale L-5 et préparant le circuit pour les
aimants de déclenchement MS et M-4, qui, cependant, ne peuvent
pas remonter en raison de la coupure du circuit par le relais de pointe
#-14.
La sélection d'un tronc de ralenti est la suivante :
Après que les cames numériques ont provoqué la
rotation du premier arbre d'essuie-glace du sélecteur, le contact
d-11 est à nouveau fermé, ce qui fait passer l'interrupteur
auxiliaire S-3 à sa deuxième position qui relie le fil
189 au fil 132. On remarquera que le fil 189 mène à la
machine émettrice (Fig.7) où il se termine par des contacts
à ressort d-12. Celui-ci est actionné par une longue came
qui maintient le circuit fermé pendant dix impulsions provenant
de l'interrupteur I.
Dix impulsions sont donc délivrées par la machine à
impulsions sur le fil 189, le fil 132, l'essuie-glace W-Sl, le contact
S-Sl, le fil 135, le contact avant du relais #-41, le relais vertical
#-20 à la batterie négative. Cela actionne l'aimant vertical,
soulevant les essuie-glaces du premier sélecteur dans la rangée
verticale souhaitée. La première étape de l'arbre
vers le haut ouvre l'interrupteur à pédale 144-145 afin
de donner au relais #-41 la possibilité de tester les contacts
C-197 pour une ligne libre. Tant que des lignes occupées sont
rencontrées, le courant circule à travers le relais de
test. Lorsque l'essuie-glace privé PT-147 du premier sélecteur
ne trouve aucune masse, le relais #-41 se relâche, coupant ainsi
les pulsations
ultérieures de l'aimant vertical, arrêtant le sélecteur
sur une ligne libre.
Les circuits du deuxième sélecteur sont maintenant préparés.
En retombant, le relais #-41 met à la terre l'essuie-glace privé
JF-147 et fait monter le relais de commande R-52 du deuxième
sélecteur sur le circuit suivant : masse, aimants de déclenchement
M-3 et M-4 en parallèle, contact arrière du relais #-41,
essuie-glace privé W-147, contact C-197, aimant de déclenchement
à faible résistance M-22 du deuxième sélecteur
(Fig. 8), interrupteur à pédale 386-387, enroulement du
relais #-52 sur la batterie négative. Ce dernier relais en se
remontant prépare les circuits de ligne 371 et 372 pour délivrer
des impulsions aux relais rotatif et vertical #-50 et 2-51, à
l'exception du fait que ce dernier relais est coupé par l'interrupteur
à pédale du relais 392-393.
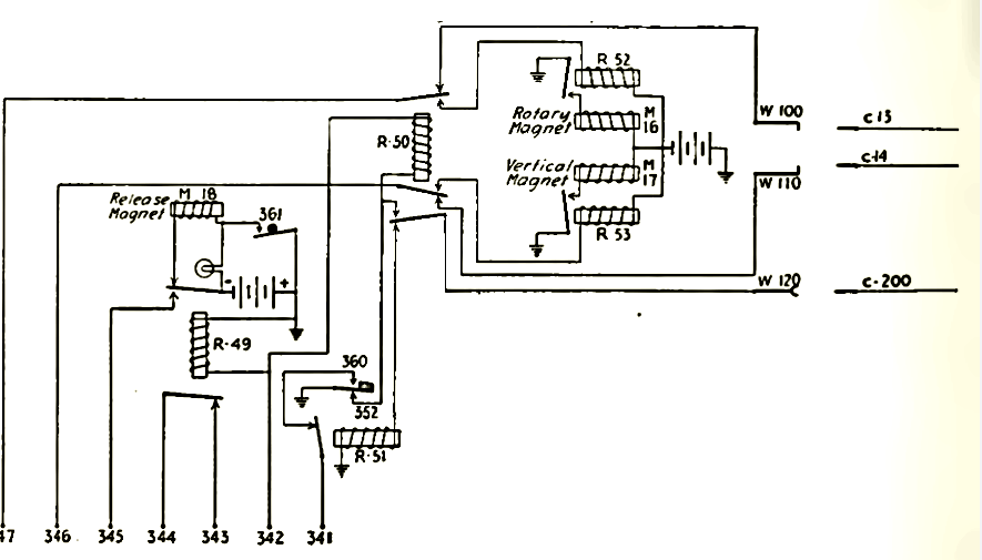
Fig 8
Les interrupteurs sont maintenant prêts pour les "centaines"
d'impulsions.
Les ressorts d-11 de la machine émettrice se referment, ce qui
fait passer l'interrupteur auxiliaire S-Z à sa troisième
position. Cela relie le fil 173-a (Fig.5) au fil 131, qui délivre
maintenant les centaines d'impulsions au relais rotatif 72-50 du deuxième
sélecteur qui les répète à l'aimant rotatif
11-20, faisant tourner le deuxième sélecteur jusqu'à
la rangée de contacts de tronc souhaitée.
Le deuxième sélecteur trouve un tronc inactif comme le
faisait le premier sélecteur. La came 7-11 provoque le déplacement
du commutateur auxiliaire S-S vers le contact 4 et suit avec dix impulsions
de test de tronc du ressort 7-12. Cela soulève les essuie-glaces
du deuxième sélecteur.
Fig 9
Le circuit de test comprend le relais 72-52, qui doit
dépendre pour la mise à la terre des contacts privés
C-200 sur lesquels se déplace l'essuie-glace privé. Lorsqu'un
tronc inactif est trouvé, le relais 72-52 revient en arrière,
coupant d'autres impulsions verticales et connectant les fils de ligne
au connecteur grippé. Il met à la terre le fil privé
menant au connecteur, ce qui protège le tronc d'être grippé
par un autre deuxième sélecteur.
Le sélecteur de fréquence est ensuite actionné.
L'interrupteur auxiliaire, S-S (Fig.5), est déplacé d'un
cran comme précédemment, de sorte que ses essuie-glaces
reposent sur le contact 5. Cela connecte les impulsions de fréquence,
fil 197 (Fig.7), au fil 131 du sélecteur secondaire (Fig.5).
Par ce moyen, le nombre d'impulsions correspondant au numéro
de poste du téléphone appelé sera délivré
sur le fil 131, le fil 130, le curseur TF-9 du premier sélecteur,
le fil 371 au deuxième sélecteur, le curseur W-130, le
contact C-13 au connecteur (Fig.9), le contact arrière du relais
#-26, à travers l'enroulement du relais #-23, à la batterie
négative. Les impulsions délivrées à ce
relais sont répétées par son ressort principal
mis à la terre à l'aimant ilf-11 qui actionne le sélecteur
de fréquence S-7.
La première impulsion du relais #-23 ferme le circuit de commande
des connecteurs en provoquant le verrouillage des relais #-24 et #-27
sur le tronc de déclenchement, qui vient d'être mis à
la terre par le relais #-52 du deuxième sélecteur.
Le relais #-24 se verrouille par l'intermédiaire d'un contact
arrière sur le relais #-22, le relais #-27 s'excite par l'intermédiaire
du contact avant du relais #-23 et du contact arrière du relais
#-25, pour libérer le tronc et la terre. Il se verrouille par
l'intermédiaire du contact arrière du relais #-29.
Le commutateur de connecteur est le suivant à être actionné.
La machine émettrice déplace l'interrupteur auxiliaire
S-S (Fig.5) vers le contact 6, dans cette position le fil 224, qui fournit
les dizaines d'impulsions, est connecté au fil 132 pour actionner
le commutateur de connecteur. Les impulsions sont envoyées depuis
la machine à impulsions, par l'intermédiaire du curseur
W-S-30, du curseur TF-10, du curseur TF-140, du contact arrière
du relais #-26, de l'enroulement du relais #-22, du contact avant du
relais #-27 (verrouillé), du contact arrière du relais
#-29, vers la batterie négative. Les vibrations du relais #-22
délivrent des impulsions à l'aimant rotatif M-9, qui fait
tourner l'arbre vers la rangée verticale souhaitée. Le
premier mouvement du relais #-22 déverrouille le relais #-24.
L'interrupteur auxiliaire S-3 est maintenant déplacé en
position 7 pour faire monter les curseurs du connecteur jusqu'à
la ligne appelée. Les impulsions des unités sont fournies
par la machine émettrice (Fig.7), fil 241 à travers le
curseur W-S-3, le curseur TF-80, le curseur W-9, le curseur TF-130,
le contact arrière du relais #-26, à travers le relais
#-23, jusqu'à la batterie négative. Le premier mouvement
du relais #-23 verrouille à nouveau le relais #-24. Comme le
relais #-27 est toujours verrouillé sous tension et que le commutateur
rotatif à pédale F-Q a été déplacé
de sa position normale, les impulsions maintenant générées
par le relais #-23 seront envoyées à l'aimant vertical
via le contact avant du relais #-27. L'aimant vertical soulèvera
l'arbre jusqu'à la ligne souhaitée en réponse aux
impulsions définies de la machine émettrice. Pendant le
trajet des essuie-glaces vers le haut, ils sont coupés des relais
de pointe et de manchon #-25 et #-26, respectivement, par le relais
#-24. La ligne appelée est testée par le relais #-29,
qui est mis en service par le relais #-22. Après que les cames
numériques ont fini de donner des impulsions et avant que la
came D-ll ne ferme ses ressorts, la came D-13 ferme les ressorts cZ-13
en envoyant une seule impulsion de test pour relever le relais #-22.
Elle connecte le relais de test #-29 à l'essuie-glace W-1S comme
suit : en commençant par l'essuie-glace W-18, contact arrière
du relais #-28, contact avant du relais #-22, enroulement du relais
#-29, retour du tronc de libération au deuxième sélecteur,
contact C-200, essuie-glace IF-200, contact arrière du relais
#-52, à la terre. Le côté manchon de la ligne de
l'abonné est mis à la terre par le relais de coupure #-2
(Fig.2). Si la ligne n'est pas occupée, aucun courant ne circule
dans le relais de coupure et, par conséquent, le contact du manchon
sur les rangées de connecteurs aura un potentiel de terre. Si,
en revanche, la ligne est utilisée, le contact du manchon sera
élevé au-dessus du potentiel de terre.
Si la ligne appelée est occupée, le relais #-29 sera excité
et se verrouillera directement sur la batterie négative. Il fermera
le circuit de l'aimant de déclenchement M-12 et provoquera la
libération rapide du connecteur. Le même relais, #-29,
déverrouillera également le relais R-27, de sorte qu'il
retombera en arrière, déconnectant l'aimant vertical ilf-10
et reconnectant le circuit de l'aimant M-11 qui appartient au sélecteur
de fréquence S-7. Puisque le commutateur rotatif à pédale
a été remis en position normale, le circuit de l'aimant
pour S-7 est maintenant complété comme suit : batterie
négative, commutateur à pédale F-Q en position
normale, enroulement de l'aimant M-ll, contact arrière du relais
R-27, essuie-glace W-S-700, du sélecteur de fréquence
par ses contacts, à l'interrupteur I à la masse. L'interrupteur
enverra des pulsations à l'aimant M-ll et provoquera la rotation
des essuie-glaces du sélecteur de fréquence jusqu'à
ce qu'ils atteignent à nouveau leur position normale. En même
temps, le relais R-29 connecte la tonalité d'occupation à
la ligne à manchon de sorte que l'abonné appelant est
averti que la ligne est occupée.
Lorsque l'abonné appelant raccroche, son relais de pointe n°-14
revient en arrière, connectant la batterie aux aimants de libération
des sélecteurs primaire et premier en parallèle avec l'aimant
de libération du deuxième sélecteur. Cela libère
les sélecteurs primaire, premier et deuxième.
Si la ligne appelée dans ce système particulier n'est
pas occupée, le relais R-29 ne recevra aucun courant, et une
fois l'impulsion transitoire vers R-22 passée, ce dernier reviendra
en arrière et connectera le relais à manchon R-2Q au curseur
W-18 qui repose maintenant sur le contact à manchon C-4 de la
ligne appelée.
Le courant circulera donc à travers le relais à manchon
et le relais de coupure de la ligne appelée, les alimentant tous
les deux. Le relais de coupure libérera la ligne appelée
à l'exception de son propre enroulement. Le relais à manchon
du connecteur coupe les deux relais R-22 et #-23 et connecte le circuit
de conversation
par l'intermédiaire des essuie-glaces W-17 et W-18.
Le relais de sonnerie reçoit maintenant des impulsions de l'interrupteur
7-2 par l'intermédiaire du contact arrière du relais R-24,
du contact avant du relais R-27 (toujours verrouillé), du contact
arrière du relais R-24, du contact arrière du relais R-22
à la batterie négative.
Chaque fois que le relais R-28 se met en marche, il donne les conditions
de la Fig. 10.
F 10
Lorsque le poste appelé répond (pendant la mise hors tension
du relais de sonnerie R-28), le courant circule vers le téléphone
appelé par l'intermédiaire du relais de pointe R-25 en
retournant par le relais à manchon #-26. La mise en marche du
relais de pointe coupe le courant de sonnerie en déverrouillant
le relais R-2 qui coupe le circuit du relais de sonnerie #-28.
Afin de protéger le commutateur du connecteur contre toute saisie
au cas où l'abonné appelant relâcherait avant que
l'abonné appelé ne raccroche, le relais de pointe #-25
place une masse sur la ligne de libération qui se termine par
des contacts C-200 sur les bancs des seconds sélecteurs. Dans
ce cas, l'abonné appelant provoquerait la libération de
tous les commutateurs sauf le connecteur, mais la masse maintenue sur
la ligne de libération par le relais de pointe R-25 protégerait
le circuit du connecteur.
Pendant la conversation, les circuits existants sont tels qu'illustrés
à la Fig. 11.
F 11
L'abonné appelant tire du courant à travers deux relais
dans le sélecteur primaire.
L'abonné appelé est alimenté en courant par deux
relais dans le connecteur. Le relais de coupure de chaque ligne est
alimenté par le courant de la ligne à manchon.
Les aimants de libération du sélecteur primaire, du premier
sélecteur et du second sélecteur, sont dans un circuit
commun, rompu uniquement au contact du relais R-14, qui sera fermé
chaque fois que l'abonné appelant raccroche son récepteur.
Le circuit de déclenchement du connecteur est compliqué
par le fait qu'il est lié au déclenchement du sélecteur
de fréquence pour assurer un déclenchement lent. Si l'abonné
appelé ouvre accidentellement le circuit de son téléphone
par des mouvements involontaires du commutateur à crochet, son
relais à crochet 22-25 fermera momentanément le contact
marqué R-2o dans le circuit de l'aimant rotatif M-ll du sélecteur
de fréquence. Cela relie la machine à impulsions à
l'aimant rotatif Af-11 et, si le circuit devait être fermé
suffisamment longtemps, entraînerait les curseurs du sélecteur
de fréquence autour du cercle jusqu'à la normale. Les
mouvements momentanés du commutateur à crochet ne feront
pas avancer les curseurs du sélecteur de fréquence très
loin. Lorsque l'abonné appelé raccroche son combiné
pendant un temps suffisant, le sélecteur de fréquence
reviendra à la normale. Au dernier contact, le circuit de l'aimant
de déclenchement M-12 du sélecteur est fermé par
le curseur W-S-7 (voir la figure 9 ainsi que la figure 11).
Lorsque les abonnés relâchent, chacun ne contrôle
qu'une partie de la connexion complète. L'abonné appelant
relâche les sélecteurs primaire, premier et second. L'abonné
appelé relâche le connecteur comme décrit ci-dessus.
Renversement des appels. Lorsqu'un abonné souhaite
appeler un autre abonné qui est sur la même ligne partagée,
l'opérateur lui demandera de raccrocher son récepteur
pendant un moment. Cela libérera sa ligne. L'opérateur
appellera alors l'abonné souhaité en utilisant un premier
sélecteur spécial. Lorsque l'abonné appelé
répond, un voyant de garde l'indiquera à l'opérateur,
qui relâchera alors le premier sélecteur spécial,
laissant les abonnés tenir la conversation sur le courant fourni
par le connecteur. Si désiré, il peut être organisé
de manière à ce que l'opérateur puisse maintenir
la connexion et la superviser.
Fig 12
Le premier sélecteur spécial (Fig. 12) possède
les relais et aimants rotatifs et verticaux habituels R-52, R-53, Af-16
et Af-17, ainsi qu'un relais de commutation R-50. Cette disposition
est presque exactement la même que celle trouvée dans les
premiers sélecteurs. L'abonné appelé libère
le connecteur comme décrit ci-dessus.
Lorsque l'abonné appelé répond, un voyant de garde
l'indiquera à l'opérateur, qui relâchera alors le
premier sélecteur spécial, laissant les abonnés
tenir la conversation sur le courant fourni par le connecteur. Si désiré,
il peut être organisé de manière à ce que
l'opérateur puisse maintenir la connexion et la superviser.
Le premier sélecteur spécial (Fig. 12) possède
les relais et aimants rotatifs et verticaux habituels R-52, R-53, Af-16
et Af-17, ainsi qu'un relais de commutation R-50. Cette disposition
est presque exactement la même que celle trouvée dans la
première position. Le courant circule dans ce circuit comme suit
: batterie négative, contact avant du relais 72-49, fil 345 vers
la Fig. 225, essuie-glace TF-83, contact arrière du relais 72-31,
contact arrière du relais 72-35, enroulement du relais 72-36,
fil 140, vers la machine à impulsions (Fig. 7), où il
se termine sur l'un des ressorts de la clé de démarrage
S-K. On notera que ce circuit, en ce qui concerne le commutateur de
mise en place de la clé, est le même que celui qui a été
tracé précédemment.
L'opérateur règle le numéro en appuyant sur les
boutons, et enfin sur la clé de démarrage S-K. Cela alimente
le relais de démarrage 72-36 sur le circuit qui vient d'être
décrit qui se verrouille et provoque la transmission des impulsions,
exactement comme cela a été décrit pour la connexion
régulière, la seule différence étant que
les impulsions, au lieu de sortir sur les essuie-glaces TF-80 et TF-81,
passent sur les fils 346 et 347, jusqu'au premier sélecteur spécial
.
Fig 13
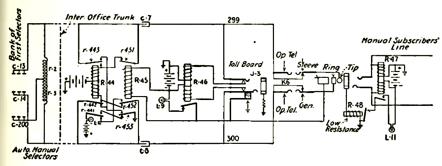
Un circuit de commutation pour la gestion des appels d'un bureau
automatique vers un bureau manuel est représenté sur la
figure 13.
A gauche, on voit les rangées de premiers sélecteurs,
en supposant que les commutations entre les bureaux sont gérées
par le premier sélecteur, ce qui ne nécessite qu'un seul
chiffre d'appel pour établir la connexion. La commutation se
termine comme d'habitude au panneau "B" du bureau manuel,
sous la responsabilité d'une opératrice "B",
qui est censée recevoir ses instructions sur la ligne principale.
A cette fin, elle est munie de la touche d'écoute habituelle
K-Q, à laquelle est associée une touche de sonnerie manuelle.
Le circuit de ligne d'abonné représenté à
droite est du type le plus simple, simplement pour indiquer la possession
de relais de ligne et de coupure.
Il est cependant représenté pour une prise et une fiche
à trois conducteurs.
Lorsque l'opératrice reçoit un appel pour le bureau manuel,
elle fait en sorte qu'un premier sélecteur saisisse une ligne
principale.
Lors de la prise de la ligne, le courant circule depuis le curseur privé
du sélecteur à travers les contacts C-200 jusqu'au centre
d'une bobine de pont dont les deux enroulements sont indiqués
par "r-2" et "r-3". Le courant se divise ainsi en
passant par les deux côtés du circuit principal jusqu'à
l'appareil à cordon dans le bureau manuel et en passant par les
contacts arrière du relais R-45, passe par les deux enroulements
du relais R-44 en parallèle jusqu'à la batterie négative.
Le relais 72-44 se soulève immédiatement et au moyen de
ses propres ressorts principaux, r-442 et r-443, connecte ses enroulements
directement à la ligne, indépendamment du relais R-45.
Le mouvement du ressort principal r-441 provoque l'allumage de la lampe
L-10.
L'opérateur "B" dans le bureau manuel, à la
réception du numéro, fait le test d'occupation de la manière
habituelle et si la ligne est libre insère la fiche dans la prise.
Cela ferme le circuit de manchon par le relais de coupure R-48, le manchon
de la prise et de la fiche, et la lampe L-9 et l'enroulement du relais
R-45 en parallèle. La lampe s'allume comme protection pour les
besoins de la sonnerie. Le relais RA5 coupe la lampe L-10. L'opérateur
"B" sonne maintenant avec la touche de sonnerie ordinaire.
Lorsque l'abonné appelé répond, il tirera du courant
à travers le relais RAQ qui, en se rapprochant, éteindra
la lampe L-9, avertissant ainsi l'opérateur "B" que
la conversation a commencé. Les deux lampes L-9 et L-10 sont
les signaux de surveillance individuels pour les deux abonnés.
Lorsque l'abonné appelé raccroche, le relais RA6 retombe
et allume la lampe L-9. Lorsque l'abonné appelant raccroche,
cela provoque la libération du premier sélecteur. Cela
permet au relais ZM4 de se replier, et le circuit de la lampe L-10 est
alors fermé par le ressort principal r-441, contact arrière,
au contact avant du relais R-45, ressort principal r-452, à travers
le côté manchon du circuit principal, au ressort principal
r-442, à travers son contact arrière, à travers
le contact avant du ressort principal r-453. En voyant les deux lampes
L-9 et L-10 allumées, l'opérateur " B " abaissera
la connexion, ce qui permettra au relais de coupure .R-48 et au relais
principal jK-45 de se replier.
Si on le souhaite, le numéro de l'abonné appelé
dans le bureau manuel peut être transmis par impulsions et réglé
devant l'opérateur " B ", qui n'a alors plus qu'à
lire le numéro et à établir la connexion en conséquence.
Un commutateur rotatif, tel qu'utilisé pour les
commutateurs de distributeur et le sélecteur de fréquence,
est représenté sur les figures 15 et 16.
Fig 15 
L'aimant possède une armature pivotante à lame de couteau,
retenue par des ressorts hélicoïdaux, réglée
par des vis dans l'armature. La batterie possède 20 points.
Le relais de ligne (fig. 17) possède une pièce de talon
qui fait deux coudes, une extrémité portant le noyau et
l'autre servant au montage.
Fig 17
F18
L'armature est pivotée vers l'arrière de l'aimant, à
travers un trou dans la pièce de talon. Son doigt fait saillie
vers l'avant pour actionner les ressorts.
Dans la vue d'un commutateur (Fig. 18), l'arbre d'essuie-glace est à
gauche.
La roue à rochet rotative est fixée à l'arbre et
tourne et monte avec lui. Le cliquet rotatif se présente sous
la forme d'une longue plaque qui maintient la roue quelle que soit la
hauteur à laquelle l'arbre monte. La crémaillère
à rochet verticale est fixée à l'arbre par des
colliers. Elle monte avec l'arbre, mais ne tourne pas. La crémaillère
pour le cliquet vertical est perpendiculaire à la crémaillère
pour l'aimant vertical. Les bobines magnétiques sont représentées
à droite. L'aimant de déclenchement, en haut, cache l'aimant
rotatif. En dessous se trouve l'aimant vertical.
Des détails supplémentaires du commutateur sont présentés
dans les dessins des Fig. 19 et 20.
F19
Fig 20
Dans ces dessins, les batteries de kignes sont fixées. La batterie
supérieure est la batterie de lignes, par laquelle les lignes
téléphoniques sont connectées. La batterie inférieure
porte les circuits auxiliaires, qui ont été décrits.
Tous les contacts de batterie sont placés verticalement (sur
le bord) à l'exception de la rangée supérieure
de la batterie inférieure. Il s'agit de l'ensemble « test
de rangée » qui est engagé par l'essuie-glace de
test de rangée, w-26.
Lorsque l'interrupteur a tourné et trouvé une certaine
rangée, le mouvement vertical de l'arbre soulève l'essuie-glace
de test de rangée, it>-20, hors de la banque.
Une petite installation de cinq cents lignes
est représentée sur la figure 14 ci dessous.
Le bureau de l'opérateur est visible au centre du premier plan.
Vue générale de la disposition des commutateurs automatiques
dans un central établi par la North
Electric Company à Ashtabula, dans l'Ohio.
Le bureau au premier plan est celui du chef des câbles. Cet appareil
automatique se compose en grande partie de relais et de commutateurs
de sélection automatique. Les sélecteurs sont du type
pas à pas, à mouvements verticaux et rotatifs, figure
20. La commande des sélecteurs automatiques par les jeux de touches
de l'opérateur s'effectue par l'intermédiaire d'une machine
à impulsions entraînée par moteur. De cette machine
sont prélevées les impulsions correspondant aux numéros
des touches enfoncées.
Fig 14
Les touches à bouton-poussoir
ressemblant beaucoup, en apparence extérieure, aux touches d'une
machine à écrire ou d'une machine à additionner.
Immédiatement au-dessus de chaque jeu de touches se trouvent
les lampes de signalisation appartenant à ce jeu.
Les touches de l'opérateur sont disposées
en bandes de dix, placées transversalement plutôt que dans
le sens de la longueur sur le support à touches. Il y a autant
de bandes de touches dans chaque jeu qu'il y a de chiffres dans les
numéros d'abonnés, c'est-à-dire trois dans un système
ayant une capacité de moins de mille, quatre dans un système
de moins de dix mille, et ainsi de suite. En plus des touches numériques
de chaque jeu, il y a une rangée partielle de touches, comprenant
ce que l'on appelle une touche de démarrage et également
des touches permettant de faire la sélection de la ligne partagée.
Le dispositif installé sur chaque poste d'opérateur est
tel qu'après l'établissement d'un appel sur un jeu de
touches, quelques secondes sont nécessaires avant que l'automate
commandé par le jeu de touches puisse effectuer son travail et
libérer le jeu de touches prêt pour un autre appel. La
présence de plusieurs jeux de touches permet à l'opérateur
de commencer à établir un autre appel sur un autre jeu
de touches sans attendre que le premier soit libéré par
l'automate.
Le répartiteur
de Ashtabula
Vu en Décembre 1909 Journal ELECTRICAL REVIEW AND WESTERN
ELECTRICIAN
|
Central téléphonique automatique
à Ashtabula Harbor, Ohio.
À Ashtabula Harbor, Ohio, a récemment été
installé le premier équipement de central téléphonique
commercial de type automatique Clement. Le central téléphonique
d'Ashtabula Harbor est maintenant en service depuis six mois,
dans des conditions aussi difficiles que celles auxquelles on
peut être confronté dans la pratique téléphonique.
Des tests quotidiens ont été effectués et
des relevés minutieux ont été tenus, et sur
la base de ceux-ci, il a été démontré
que toutes les estimations précédentes ont non seulement
été confirmées mais dépassées
dans les résultats réellement obtenus.
La ville d'Ashtabula dispose d'un service téléphonique
à la population assuré par deux tableaux de commutation
manuels, celui du central principal de la ville étant du
type multiple à batterie commune, avec 1 200 lignes, et
celui du port un tableau de transfert à magnéto
avec environ 350 lignes. Les deux tableaux étaient reliés
par des fils de dix troncs dans chaque sens. Ces lignes furent
détruites lors de la tempête de neige de mars 1909
et furent remplacées juste avant l'installation actuelle
par des câbles aériens.
Le service au port nécessitait sept opérateurs pour
un quart de jour et de nuit, tandis que le central principal en
employait trente, l'équipement du central principal étant
destiné à centraliser tous les opérateurs,
laissant le port pratiquement comme une succursale automatique.
En suivant ce plan, des économies supplémentaires
seront réalisées, dans la mesure où la charge
de jour au port ne nécessitera qu'un seul opérateur
supplémentaire au central principal, et la charge de nuit
sera gérée par un seul opérateur au central
principal.
L'idée fondamentale qui sous-tend que le système
automanuel est de fournir un service qualifié et efficace,
et la mise en uvre de cette idée se traduit par une
pratique d'environ 20 000 personnes, et est divisée entre
la ville principale, située à environ quatre milles
du lac, et le port, situé à l'embouchure de la rivière
Ashtabula sur le lac.
La population locale du port n'est que de 5 000 habitants, mais
les conditions y sont particulières, en partie dues au
fait qu'il s'agit d'un port très fréquenté
; en effet, on dit qu'il s'agit du plus grand port minéralier
du monde. Il va sans dire qu'il dispose de terminaux ferroviaires
étendus, qui traitent pratiquement tout le minerai du district
de Pittsburg.
Le nombre d'abonnés desservis au central du port avant
le passage au service automatique était de 424, et le nombre
au central principal était de 1 916. On a estimé
que les conditions ainsi énoncées étaient
tout à fait favorables à une démonstration
approfondie des possibilités de l'équipement automatique,
et les constructeurs ont signé un contrat pour équiper
les centraux principaux et du port, avec l'idée de commencer
d'abord au port avec des opérateurs locaux, et après
que ce central ait été mis en service avec succès,
l'élimination de tous les cordons, fiches, touches de sonnerie
et d'écoute, lampes de ligne, répondeurs et prises
multiples, ainsi que de leur câblage compliqué; le
maintien de poste de labonné de la forme déquipement
la plus simple connue à ce jour, à savoir un téléphone
standard à batterie commune; et lélimination
totale des opérateurs « B »; la simplification
des tâches de lopérateur « A »
à un point où lefficacité de lopération
est considérablement accrue et le service amélioré
en conséquence.
...
|
L'illustration montre un ensemble d'équipements
de ligne pour 200 lignes de station, un groupe de 10 premiers sélecteurs
pour chaque groupe de 100 lignes et les relais de commutation nécessaires
pour établir 10 connexions simultanées aux premiers sélecteurs
pour chaque groupe de 100 lignes. Des groupes similaires de relais de
commutation sont associés aux lignes de sélection dans
le but de sélectionner un opérateur inactif et de permettre
aux opérateurs sélectionnés de contrôler
les sélecteurs. Ceux-ci, cependant, ne sont occupés que
pendant le temps nécessaire à l'établissement d'une
connexion entre les lignes appelante et appelée.
A droite une vue rapprochée d'une partie de l'équipement.
Les relais dans le coin inférieur gauche sont des relais de ligne
et de coupure disposés par paires comme d'habitude. Les relais
à droite sont des relais de commutation à contacts multiples.
Les premiers sélecteurs sont représentés ci-dessus,
mais les mécanismes de pas ont été retirés
pour permettre une vue des batteries. Ces sélecteurs fournissent
le courant de conversation à l'appelant et contrôlent ainsi
la libération.
sommaire
Rapidité de traitement des appels.
Ce bref aperçu ne donne qu'une idée des caractéristiques
les plus frappantes du système automanuel. Une étude de
la rapidité avec laquelle les appels peuvent être traités
dans la pratique montre des résultats remarquables par rapport
aux méthodes manuelles de fonctionnement. Les opérateurs
règlent les touches numériques correspondant au numéro
appelé avec la même rapidité que les touches d'une
machine à écrire sont pressées pour épeler
un mot. En fait, une vitesse encore plus grande est possible, car on
remarque que les opérateurs appuient fréquemment sur toutes
les touches d'un numéro en même temps, comme par un seul
mouvement de frappe des doigts. La rapidité avec laquelle cela
se fait défie le chronomètre précis entre les mains
d'un expert. Il est donc pratiquement vrai que le temps consacré
par l'opérateur à traiter un appel est celui qu'il met
à obtenir le numéro de l'abonné et à le
lui répéter.
Temps total consommé par l'opérateur pour
gérer les appels sur le système Automanual
sommaire