Mix & Genest
Genest , Wilhelm Ludwig Werner
Genest. a étudié la construction mécanique
à l'Académie industrielle de Berlin de 1869 à 1873
et, à l'âge de 21 ans, il a obtenu un poste de confiance
dans la fonction publique en tant qu'ingénieur des chemins de
fer prussiens. Il renonça cependant à la carrière
sûre qui lui aurait été offerte en tant que haut
fonctionnaire et fonda le 1er octobre 1879 à Berlin avec le marchand
Wilhelm Mix la société en nom collectif Mix
& Genest Telegraphenbau-Anstalt und Telegraphendraht-Fabrik.
L'expérience réussie menée par
le ministre des Postes du Reich Stephan à Berlin avec deux téléphones
Bell promettait un grand développement dans le domaine de la
téléphonie, ce qui a incité Genest. à se
concentrer ensuite sur une production de masse économique.
En plus des téléphones et des appareils de télégraphie
domestique de toutes sortes,
Immédiatement après la création de l'entreprise,
Werner Genest a commencé à produire les premiers appareils
électriques dans son atelier, d'abord à très petite
échelle. Avec seulement quelques employés au début,
il fabriquait principalement ce qu'on appelle des « appareils
de télégraphie domestique ». Il s'agissait principalement
de cloches , de boutons-poussoirs, de carillons et de volets de chute
.Viennent ensuite les réveils, les panneaux, les téléphones
domestiques et les alarmes incendie . Les systèmes de paratonnerres
sont rapidement devenus un autre secteur dactivité . En
plus de la construction, Genest s'occupait lui-même des commandes
et des clients. Fort de son expérience dans la grande industrie,
acquise dans le secteur ferroviaire, il a d'emblée visé
une production de masse économique dans son entreprise. À
la fin de la deuxième année dexploitation, la production
avait déjà triplé.

L'entreprise a rapidement développé son propre téléphone
pour des distances allant jusqu'à 200 mètres ainsi qu'un
central téléphonique manuel pour les le villes ou les
grands établissements et les relier à des stations individuelles.
Bien que le développement du téléphone n'ait pas
initialement attiré beaucoup d'attention dans l'économie,
avec l'introduction de la communication téléphonique publique
en 1881, la nouvelle technologie a lentement commencé à
être acceptée. Au moins, la poste était un client
important et reconnaissant. Avec le succès de son entreprise,
Genest a créé la base économique pour se concentrer
plus intensément sur le développement des téléphones
et de la technologie associée à leur fonctionnement. Le
premier brevet enregistré date du 29 novembre 1883 et concernait
une amélioration des pôles des premiers téléphones.
Elle a également apporté l'innovation importante du double
téléphone et une amélioration significative du
microphone, le rendant insensible à la position. La poste a également
repris de nombreux produits de lentreprise.
À mesure que l'entreprise se développe, le besoin d'argent
augmente également, de sorte que Genest, devenu entre-temps seul
propriétaire de l'entreprise, fonde une société
par actions le 16 avril 1889.
A cette époque, l'entreprise met en place sa propre ligne d'installation
pour construire ses usines.
La zone de production de la Prinzessinnenstraße est rapidement
devenue trop petite. Genest transféra le siège de l'entreprise
dans des locaux loués au 14 de la Wassertorstrasse (plus tard
également au 34) et, lorsque la production y fut à nouveau
trop faible, il acquit en 1884 un terrain au 14a de la Neuenburger Strasse
(94a de la Gitschiner Str.) afin de construire un nouveau bâtiment
d'usine selon ses idées.
Le nom de l'entreprise fut changé en Telegraphenbau-Anstalt,
Telephone- und Blitzableiterfabrik Mix & Genest et le nombre d'employés
s'éleva à 120.
En 1886, Werner Genest reprit les parts de son associé Wilhelm
Mix et devint ainsi l'unique propriétaire.
En 1890, des succursales furent ouvertes à Hambourg et à
Londres, l'année suivante une succursale à Berlin, un
peu plus tard une troisième usine, en 1895 un bâtiment
d'usine de quatre étages pour 1000 employés, et en 1905
un grand bâtiment à Berlin-Schöneberg dans lequel
l'administration, le développement et la production pouvaient
être concentrés. D'autres succursales furent ouvertes à
Cologne et Amsterdam en 1897, à Gelsenkirchen en 1903 et à
Dresde en 1907.
En 1900, à cela une nouvelle branche de production est ajoutée
avec la construction de systèmes de tubes pneumatiques et de
convoyeurs.
Depuis 1907, Genest n'est actif qu'au sein du conseil de surveillance.
On lui attribue de nombreuses inventions et améliorations dans
le domaine de la téléphonie. C'est grâce à
son influence que l'administration postale impériale (Reichspost)
autorisa l'installation de centraux téléphoniques privés
pour faciliter le trafic en 1900 .
sommaire
En 1898, Poulsen invente le télégraphone
le premier système d'enregistrement sonore sur fil magnétique.
Hans Zopke, le directeur de la Société Mix et Genest,
participe lui-même à la propagande autour des appareils
de Poulsen.
Il y consacre un article dans une revue technique et signale parmi les
applications possibles, les utilisations militaires « aussi bien
pour les installations téléphoniques fixes, particulièrement
d'artillerie, pour la guerre de forts ou de positions, que comme complément
et amélioration de l'équipement des installations mobiles
de guerre pour l'infanterie et la cavalerie.» Au cours d'une assemblée
de l'Union des électro-techniciens qui eut lieu le 23 octobre
1900 à Berlin, Jules H . West procède à une démonstration
pratique des deux types, d'appareils présentés à
Paris.
En ce qui concerne les téléphones, lentreprise
produisait initialement des répliques du téléphone
Bell. Cependant, comme l'appareil était très encombrant
à utiliser et devait être tenu alternativement à
la bouche pour parler et à l'oreille pour écouter, Mix
& Genest a développé le « téléphone
double » avec un combiné
en deux parties L'Elektrotechnische Zeitschrift décrit le microtéléphone
dans le numéro 3 de 1895 comme « un appareil vocal indépendant
composé d'un microphone et d'un téléphone à
utiliser au bureau, etc. (1887), qui a depuis été largement
utilisé et imité ».
En fait , presque tous les appareils téléphoniques ultérieurs
jusqu'à un passé récent ont suivi la conception
choisie par Mix & Genest .
Le développement ultérieur des microphones initialement
à contact unique en « microphone cylindrique » remonte
également à Mix & Genest . Comme un seul contact électrique
avec le carbone devenait rapidement inutilisable en raison de l'usure
ou de l'oxydation, l'entreprise s'est appuyée sur des rouleaux
de carbone mobiles à points de contact multiples. L'innovation
a été introduite par le Reichspost et largement utilisée,
mais a été rapidement remplacée par les microphones
à grain de carbone plus avancés. La portée a également
été augmentée en plusieurs étapes jusqu'en
1895 jusqu'à une distance de 10 km jusqu'à la gare centrale
dans les bâtiments plus grands ou jusqu'au central dans les opérations
urbaines ou longue distance.
Le compteur de conversations pour bureaux téléphoniques,
de Mix et Genest à Berlin.
Au Congrès des Electriciens de Francfort s./M. M. Strecker, Inspecteur
en chef des télégraphes, a décrit un compteur de
conversations téléphoniques destiné à servir
de base pour le calcul rationnel des taxes à percevoir pour l'usage
du téléphone par les abonnés
des réseaux téléphoniques.
Dans un plan qu'elle a établi plus tard pour la construction
de ce compteur, l'Administration des télégraphes de l'Empire
allemand s'est ralliée d'une manière générale
aux conditions suggérées par M. Strecker, mais dans ce
plan la durée de la marche de la pendule est limitée à
l'intervalle s'écoulant depuis le moment où le téléphone
est décroché jusqu'à l'instant où il est
de nouveau suspendu au crochet du commutateur, tandis que d'après
la description de M. Strecker la pendule ne devrait être arrêtée
qu'après l'envoi du signal de clôture.

Le compteur de conversations qu'a fait breveter, sous le N° 6725,
la Société Mix et Genest, doit servir à la mesure
de la durée de l'usage du téléphone et à
faire additionner les durées des différentes conversations.
Cet instrument, qui est adapté immédiatement à
la cage du téléphone de l'abonné, se compose principalement
d'une pendule et d'un appareil de déclenchement et d'embrayage,
qui obéit au mouvement du crochet du commutateur, quand on décroche
ou suspend le téléphone. La pendule marche jusqu'à
ce que le téléphone soit décroché, et elle
marque ce temps
sur le cadran de l'horloge. Lorsque le mouvement de l'horloge est près
de s'écouler, l'abonné en est instruit par un signal visible,
et il ne peut plus faire usage du téléphone avant que
la pendule n'ait été remontée.
Le compteur de conversations est représenté dans son ensemble
par la fig. 1, tandis que les fig. 2, 3 et 4 en indiquent les parties
principales. Au
bras intérieur du levier A du système de commutation est
attaché un bras de rappel L dont la longueur peut être
réglée au moyen d'une vis régulatrice M; ce bras
de rappel traverse le socle D de la cage du téléphone
et pénètre dans la cage de l'horloge U. L'extrémité
libre supérieure de ce bras de rappel est garnie d'un crochet
F tournant facilement sur un pivot et qui se couche sur un goujon fixe
S. L'extrémité gauche du crochet F est formée de
telle façon qu'une cheville s adaptée au bas du balancier
P relève ce crochet, quand le téléphone est suspendu
et s'accroche à son appendice, en arrêtant ainsi le rouage
de l'horloge.
(La fig. 4 représente une modification de l'extrémité
de L, dans ce sens que le goujon S est remplacé par un support
a.)
Quand on décroche le téléphone le levier A est
abaissé, comme à l'ordinaire, par le ressort à
boudin f , pour transporter la ligne du contact de la sonnerie d'appel
w sur le contact du téléphone t. Quand ce mouvement s'opère,
le bras de rappel L descend avec l'arrière-train du crochet F;
l'extrémité gauche de ce dernier remonte à la place
représentée sur le diagramme par une ligne ponctuée;
le balancier est lâché et le rouage de l'horloge se met
en évolution. Le mouvement de l'horloge est reporté de
la manière ordinaire sur le cadran Z, de sorte qu'on peut lire
les minutes et les heures pendant lesquelles le téléphone
a été employé. Quand on veut avoir le moyen de
mesurer le temps pour au delà d'une période de 12 heures,
on peut ajouter à Z un nombre voulu d'autres cadrans Z1 et en
relier toutes les aiguilles par un jeu de rouage supplémentaire,
et on obtient ainsi la possibilité de prolonger la période
d'enregistrement jusqu'à 1000 heures et au delà.
Pour que le téléphone ne soit pas employé pendant
que l'horloge n'est pas remontée on arrête, au moyen d'un
loquet, l'oscillation du crochet du commutateur, ahn d empecher 1 mtercaiation
du téléphoné dans le circuit, en profitant dans
ce but de la circonstance que le ressort moteur C perd sa force de traction
dès que le rouage de l'horloge s'est arrêté.
A cet effet le déclic du ressort de l'horloge n'est pas couché
sur un pivot fixe, mais sur un levier H (fig. 1) qui peut se tourner
autour de l'axe du ressort ou d'un autre point fixe. L'extrémité
libre inférieure de ce levier d'arrêt H peut se mouvoir
entre deux tampons à ressort p et p v dont le premier agit contre
la pression du levier d'arrêt et possède un ressort plus
fort que l'autre p v Quand le déclic cesse de presser contre
le levier, après que l'horloge s'est arrêtée, l'extrémité
libre du levier H se meut dans la direction de p1 . Ce mouvement a pour
effet de presser ou pousser un loquet E dans une encoche E de la tige
L et d'arrêter ainsi l'oscillation de cette tige ainsi que le
commutateur automatique. Au lieu de renforcer le ressort du tampon par
rapport à celui de px , on peut adapter à ce tampon un
autre ressort ajustable, dont la tension ou la pression agit contre
l'action du déclic.
Le prolongement h du levier H (fig. 1 et 2) sert en outre à mouvoir
au delà du point mort un disque indicateur N qui se trouve presque
en état d'équilibre et qui peut tourner autour du pivot
z, de sorte qu'il apparaît derrière l'orifice vitré
de la cage de l'horloge et donne le signal pour remonter"
le mouvement. En insérant ensuite la clef G dans le rouage, on
écarte un petit levier b dont l'un des bras, qui est élastique
et beaucoup plus long que l'autre, ramène l'indicateur à
un point où l'on ne peut plus le voir de l'extérieur et
où il est reteuu pendant qu'on remonte l'horloge.
L'expansion rapide de la production exigeait des investissements
toujours plus importants, si bien qu'en 1889 Wener Genest décida
de transformer son entreprise en société par actions .
Le 16 avril 1889, sa société fut enregistrée sous
le nom d' Actiengesellschaft Mix & Genest, fabrique de téléphones,
télégraphes et paratonnerres avec un capital de 1,2 million
de marks. Les actions ont suscité un grand intérêt
et lentreprise a investi dans ses installations de production,
mais aussi de plus en plus dans lexpansion de son réseau
de distribution.
En 1890, Mix & Genest fonde ses premières succursales à
Hambourg et à Londres , suivies en 1897 par Cologne et Amsterdam
. À cette époque, l'usine de la Neuenburger Strasse, spacieuse
par rapport à 1884, employait environ 200 personnes, le bâtiment
était donc à nouveau trop petit. En 1891, il fallut créer
une succursale à la Brandenburgstrasse 6, suivie d'ateliers délocalisés
à la Neuenburgerstrasse 18 et, un peu plus tard, à la
Gitschiner Strasse 80.
La fragmentation de la production sur plusieurs sites
était une solution temporaire et entravait les opérations
commerciales. C'est pourquoi l'entreprise construit en 1894 une nouvelle
usine au 67 de la Bülowstraße , dans un bâtiment de
quatre étages pouvant accueillir jusqu'à 1 000 employés.
Après l'inauguration en janvier 1895, 600 ouvriers et 60 autres
employés de commerce travaillaient à la nouvelle adresse.
Avec 250 machines-outils reliées par transmission à une
machine à vapeur de 100 chevaux et des horaires de travail fixes
de 52,5 heures pour les ouvriers et de 48 heures pour les employés,
la production était considérée comme très
avancée. La Görlitzer Maschinenbauanstalt und Eisengießerei
AG a élargi sa production en 1898 avec une machine à vapeur
plus puissante d'une puissance d'environ 350 à 400 ch . Toutefois,
la modernisation et la rationalisation de la production étaient
également nécessaires pour se préparer aux baisses
de prix exigées par une concurrence de plus en plus féroce.
petit standard téléphonique
Les centres téléphoniques manuels :
Au tournant du siècle, Mix & Genest avait déjà
livré environ 100 000 connexions téléphoniques
à plus de 75 grands bureaux. Il s'agissait principalement des
centres de contrôle à batterie locale à commande
manuelle qui étaient courants au début. Cependant, comme
leurs câbles de connexion s'usaient rapidement et étaient
susceptibles de tomber en panne en raison de rebranchements et de débranchements
fréquents lors des changements de connexions, Mix & Genest
a développé ce que l'on appelle le « cabinet
pyramidal ».
Les connexions des abonnés étaient câblées
sous la forme d'une pyramide. La connexion entre deux interphones était
établie en insérant des fiches sans fil dans les prises
jack correspondantes.
Dans le système d'armoires pyramidales Mix
& Genest à Berlin, les connexions s'effectuent de manière
tout aussi simple et sûre à l'aide de prises sans fil.
Le schéma électrique d'une telle armoire à
six fils est représenté sur la figure ci dessous.

Le chemin actuel pour chacune des six lignes (simples ou doubles)
part respectivement du terminal 1 a/b . 2 a/b etc. d'abord à
la prise auxiliaire (k 1 k 6 ), puis à leurs prises
de connexion, qui sont connectées les unes à côté
des autres, puis à la prise de requête ( A 16)
et enfin au volet ( K 1 K 6 ). Le dispositif d'interrogation
est connecté à la borne A a/b et est relié
à deux ressorts de chaque verrou d'interrogation . Si, par
exemple, le volet K 1 tombe , la fiche I est retirée de son
support et insérée dans la prise d'interrogation 1
; sa pointe établit alors une liaison entre les deux ressorts
avant, son col celle entre les deux ressorts arrière, tandis
que la continuation du trajet du courant après la soupape
K 1 est interrompue au niveau du cinquième ressort . Par
exemple, pour connecter la ligne 1 à la ligne 5, insérez
la fiche de la prise 1 dans la prise de connexion 15. Les
fils a des lignes 1 et 5 sont ensuite connectés via la pointe
de la fiche, les fils b via le col de la fiche , tandis que le volet
K 1 pour le signal final est connecté entre les fils a et
b. Le chemin actuel vers le volet 5 est cependant interrompu. La
prise W 1 est reliée à un réveil et, via les
bornes WB, à une pile de réveil . Si cette prise est
branchée, l'alarme se déclenchera dès qu'un
volet tombera. Les bornes W 2 a/b permettent de connecter un deuxième
réveil dans une pièce éloignée ; Cela
répond simultanément à l'alarme du placard
si la prise W 2 est également branchée. |
Le système multiple a été
introduit dans tous les grands centraux, grâce auquel une seule
et même personne peut établir jusqu'à plusieurs
milliers de connexions, alors qu'auparavant plusieurs fonctionnaires
étaient nécessaires à cette fin. Dans le système
de commutation multiple, un fonctionnaire se voit attribuer un numéro
de 100 à 150 abonnés, qu'il peut connecter en cas d'appel
à n'importe quel abonné du même central au moyen
de contacts installés dans une armoire à son poste de
travail qui aboutissent aux lignes des autres abonnés ; C'est
pourquoi, à chaque endroit, les lignes doivent être conduites
vers tous les bureaux appartenant au même département,
et bifurquées à partir de ceux-ci aussi souvent qu'il
y a de fonctionnaires pouvant servir un groupe ; S'il y a 4000 participants
dans le même bureau, si tous les 100 sont servis par un fonctionnaire,
alors 40 fois. Par le passé, tous les câbles nétaient
pas acheminés vers tous les lieux de travail et plusieurs responsables
devaient donc travailler ensemble pour rendre une connexion possible.
Pour signaler l'appel au central téléphonique, un relais
allume une petite ampoule de quatre volts à verre dépoli,
qui brûle ensuite jusqu'à ce que la connexion soit établie
; Comme l'ampoule s'allume directement à côté du
point de connexion de l'appelant, la connexion au numéro souhaité
peut être établie au moyen d'une connexion par cordon sans
que l'agent n'ait à prêter attention au numéro de
l'appelant. Le signal optique de l'ampoule est meilleur que les signaux
à clapet précédents et présente l'avantage
d'être silencieux. Si un abonné d'un central doit être
connecté à un abonné d'un autre central, une ligne
auxiliaire spéciale reliant le premier au second est nécessaire.
plusieurs sont nécessaires. Cependant, les installations fonctionnent
si rapidement quil est difficile de distinguer si vous êtes
connecté à un participant du même bureau ou dun
autre bureau. Bien entendu, de nombreuses précautions ont été
prises pour que létablissement des connexions et loccupation
des lignes soient surveillés automatiquement .
Vers 1900, l'entreprise élargit sa gamme de produits
à la fabrication de tubes pneumatiques et de systèmes
de convoyage , mais la construction de paratonnerres semble avoir décliné
; dans tous les cas, le nom de l'entreprise fut changé en Actiengesellschaft
Mix & Genest, Telephon- und Telegraphenwerke le 1er
janvier 1900 . L'entreprise doit son succès rapide dans ce nouveau
domaine à son ingénieur en chef, Carl Beckmann , qui,
sur la base d'un de ses nombreux brevets pour la Reichspost allemande,
fut le premier à développer des stations de tubes pneumatiques
avec déchargement automatique des conteneurs. Les usines de Francfort-sur-le-Main
et de Brême furent construites selon ce système , ainsi
que celles de Milan , Rome et Naples en 1907 . Durant cette période,
la production et l'installation de fusibles électriques, de tableaux
de distribution et de boîtes à fusibles ont également
été ajoutées au programme. Le magistrat de Potsdam
a confié à Mix & Genest l'équipement de la
centrale électrique à construire pour le futur tramway
urbain.
C'est grâce à l'influence de Werner Genest
que l'administration postale du Reich de l'époque a autorisé
l'installation de centraux téléphoniques privés
par l'industrie privée à partir de 1900. Linstallation
et lexploitation des systèmes téléphoniques
étaient soumises à un strict monopole dÉtat.
Selon une nouvelle réglementation tarifaire téléphonique
du 20 décembre 1899, chaque ligne téléphonique
pouvait être affectée jusqu'à cinq postes, pour
lesquels l'industrie était désormais autorisée
à fournir sa propre technologie et à l'installer chez
le client - bien entendu dans le strict respect des réglementations
postales.
Arrive les systèmes téléphoniques automatiques.
En 1900 peu de temps après cette décision, Mix
& Genest a lancé son nouveau système sous le nom de
« Janus ».
Le dieu romain à deux visages Janus était un symbole de
la possibilité de connexion bidirectionnelle, soit uniquement
en interne d'un téléphone fixe à un autre, soit
du téléphone fixe via la ligne téléphonique
vers l'extérieur, vers le Reichspost central.
Au lieu de cordons et de prises, c'est le « commutateur à
manivelle Janus » qui a été introduit. La ligne
extérieure était connectée au centre du sélécteur
qui en tournant, pouvait soit être connectée pour les appels
externes en position « échange » ou rester en position
« maison ».
|
1900 JANUS ou un des premiers PBX
Un commutateur automatique conçu par Julius H. West
et fabriqué par Mix et Genest
à Berlin rend superflue la présence d'un intermédiaire
reliant les cinq lignes secondaires à la ligne principale,
et permet à chaque ligne secondaire de se connecter directement
au bureau principal et également d'être appelée
directement depuis le bureau principal sans que la connexion soit
interrompue par une succursale ou que la conversation soit entendue
depuis une succursale.
Janus
- La première tâche est très
simple à réaliser : il suffit qu'au moment où
l'abonné qui désire établir la connexion
décroche le téléphone, on ferme un circuit
électrique qui empêche les autres abonnés
d'être reliés au central lorsqu'ils décrochent
le téléphone ; dans la disposition représentée
sur la Fig. 15, la connexion est rendue impossible par un aimant
de blocage v , en ce sens que les électroaimants v , lorsqu'ils
sont excités, attirent l'armature A et empêchent
ainsi le levier téléphonique d'établir le
contact a lorsque le téléphone est décroché.
Au moment où un participant, disons III , décroche
le téléphone pour parler, la batterie du microphone
commune à tous les participants est chargée au moyen
duLe contact b est fermé (par M et le rouleau primaire
p du transformateur du microphone via la ligne 2 et l 5 ), de
ce fait l'électro-aimant B est excité et son armature
est attirée ; Ceci crée un contact en c 3 et ferme
la « batterie de verrouillage » V , à savoir
par l 6 , la barre de contact s 1 , les ressorts F I F II ...
F VI en contact avec cette barre de contact s 1 , qui sont reliés
aux bornes 1 des 6 téléphones, et les électroaimants
de verrouillage v. Seul l'abonné III a alors la possibilité
d'appeler le central téléphonique. Afin d'indiquer
aux autres extensions que l'aimant de verrouillage de leur appareil
est excité, un disque mi-noir, mi-blanc est fixé
à l'armature A , ce qui, comme le télégraphe
d'hôtel, permet de voir immédiatement de l'extérieur
dans quelle position se trouve l'armature A.
- Plus compliqué est le dispositif qui permet à
un abonné, disons III, d'être appelé à
partir du central téléphonique sans que les autres
postes soient affectés ou puissent entendre la conversation
souhaitée par III .
Pour cela, il faut un petit moteur électrique D et quatre
disques rS 1 S 2 et R 1 , qui sont situés sur un même
axe a 1 et sont dessinés l'un à côté
de l' autre sur la figure, ainsi que lesSegment d'engrenage S
et support B. Solidement reliée à l'axe a 1 se trouve
la roue à vis sans fin r avec le levier h 1 , qui porte
un cliquet h ; h s'engage avec la roue à rochet Z , qui
est reliée rigidement à S 1 et S 2 et repose librement
sur l'axe a 1 ; De plus, la roue à rochet R 1 et la pièce
d'engrenage r 1 qui lui est solidement reliée reposent
librement sur l'essieu. Le ressort spiral F tente de faire tourner
la roue à rochet R 1 dans le sens de l'aiguille de l'horloge.
La position indiquée est la position de repos et s'applique
lorsqu'il n'y a pas de connexion au central téléphonique
; Si ce dernier veut appeler l'abonné III, il envoie trois
petites impulsions de courant dans la ligne principale L 1 L 2
. Ces trois impulsions de courant font que l'électroaimant
E , qui a une résistance d'environ 10 000 ohms et une auto-induction
élevée de sorte que des courants changeant
très rapidement ne peuvent le traverser que difficilement
attire trois fois son armature, et la roue à échelons
R 1 déplace trois dents dans le sens de l'aiguille de l'horloge.
De ce fait, le levier portant le marteau H a également
été déplacé vers l'avant pour venir
se poser en face du ressort F III , puisque l'ailette du marteau
se trouve dans l'encoche z du disque S 2 , de sorte que lorsque
R 1 tourne, S 2 et S 1, qui lui est solidement relié, sont
également déplacés. En tournant S 1, le levier
H 1 a été tourné vers la gauche et a ainsi
enfoncé le ressort de contact f 1 f 2 . Le moteur électrique
D est démarré par le contact c 1 , qui est ainsi
fermé, c 2 ferme le circuit de la batterie de verrouillage
V , de sorte que le courant peut circuler de V via c 2 l 6 , rail
de contact s 2 , à travers les ressorts F I ... F VI en
contact avec s 2 jusqu'aux bornes 1 des aimants de verrouillage
v et revenir à la batterie via l 5 . Au début, tous
les crochets téléphoniques seraient donc verrouillés
; le moteur D déverrouille l'aimant v dans l'extension
III ; car en mettant en rotation la vis sans fin r , le cliquet
k entraîne la roue dentée Z et donc également
S 2 vers l'avant ; le marteau H , qui est en face de F III , est
soulevé hors de l'ailette z et appuie contre le bouton
en ébonite du ressort F III , de sorte qu'il est libéré
du rail de contact s 1 est levé et la connexion téléphonique
III est déverrouillée. Ce déverrouillage
continue jusqu'à ce que le disque S 2 ait été
tourné presque une fois par le moteur pour que le marteau
H puisse retomber dans l'ailette, ce qui dans la conception actuelle
prend environ 1½ minutes, pendant ces 1½ minutes
I II IV V VI est donc verrouillé ; III est connecté
à la ligne L 1 L 2 au central téléphonique
et celui-ci peut activer le réveil w via L 1 s 2 III et
l III , le réveil w , l'ancre A , le point 4 et L 2 . Si
l'abonné III répond au téléphone dans
un délai d'une minute et demie et décroche le combiné,
la batterie du microphone et la batterie de verrouillage des autres
postes téléphoniques sont activées comme
auparavant au moyen du contact c 3 et il peut poursuivre sa conversation
sans être dérangé ; Le réveil w a été
désactivé par un ressort incliné fixé
au support du téléphone h (non représenté
sur la figure) soulevant légèrement l'armature A
du contact c . Si l'abonné III n'a pas répondu à
l'appel avant que le marteau H ne soit retombé dans son
ailette z , le pouce g de S 2 , qui s'engage dans la trajectoire
du nez o de l'étrier S , pousse vers la droite la pièce
d'engrenage S , qui était légèrement tournée
vers la gauche lors du réglage de r 1 , et remonte ainsi
le ressort de r 1 . Le marteau H retombe dans son ailette, H 1
tombe dans l'évidement de S 1 et en ouvrant les contacts
c 1 c 2 c 3 la position de repos est rétablie. Ainsi, le
commutateur automatique Ouest pour les shunts remplit la condition
selon laquelle, grâce à sa commutation, chaque shunt
peut indépendamment des autres à la fois appeler
directement le central téléphonique et être
appelé directement par le central téléphonique
sans que l'appel correspondant puisse être entendu depuis
les autres shunts. J sont les inducteurs dappel ; Ils sont
connectés de telle manière que le courant de sonnerie
ne peut passer que lorsque le combiné est décroché,
de sorte que le contact a est fermé.
Un petit ajout supplémentaire aux détails décrits
permet aux shunts de tenir également des conversations
entre eux.
Lintroduction du commutateur automatique occidental a considérablement
réduit le coût des abonnements téléphoniques
; Si, comme à Berlin, on suppose un prix d'abonnement de
180 M. pour le raccordement principal et de 15 M. pour chaque
raccordement secondaire, et un intérêt de 4 % sur
le capital d'investissement et de 7 à 10 % pour l'amortissement,
l'entretien de l'équipement et de la batterie d'accumulateurs,
les coûts annuels moyens des abonnés sont :
et sont ainsi réduits à un montant si bas qu'en
fin de compte, chaque propriétaire peut offrir à
ses locataires le confort d'une connexion téléphonique
sans trop de dépenses.
Si l' on étend l'objectif du commutateur
automatique de West aux points de dérivation, on en arrive
à la nécessité de construire un commutateur
automatique qui permette d'appeler non seulement cinq abonnés
d'un point à l'aide d'une seule ligne, mais les abonnés
d'un central entier, et donc un "central téléphonique
automatique" , c'est-à-dire un central qui ne nécessite
plus aucun fonctionnaire pour établir des connexions individuelles,
mais permet à chaque abonné du réseau téléphonique
de se connecter automatiquement à un autre abonné.
En principe, dans un central téléphonique
automatique l'établissement des connexions s'effectue de
manière analogue à l'Ouest par un certain nombre
d'impulsions de courant établissant un certain contact
- comme dans la Fig. 15 - les contacts F I ... F VI .
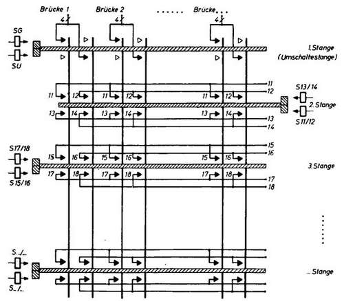
Dans un central de 100 abonnés, chaque abonné dispose
d'un dispositif de commutation vers lequel sont acheminées
toutes les lignes des autres abonnés. Les contacts de connexion
sont disposés sur un cylindre de telle manière que
dix sont répartis uniformément verticalement les
uns au-dessus des autres et dix horizontalement sur le même
cercle, de sorte qu'au total il y a dix fois dix points de contact
sur un cylindre.
Les uns sont disposés horizontalement, la deuxième
rangée au-dessus contient les connexions de dix à
vingt, etc.
Afin d'établir une connexion avec un nombre spécifique,
on utilise deux électroaimants qui mettent en mouvement
des échappements, dont l'un pousse vers le haut dent par
dent un cylindre horizontal à dix rainures afin de régler
la rangée de dizaines, et l'autre produit la rotation horizontale
correspondante dans le cylindre de connexion.
La ligne reliant l'abonné au central se termine par deux
ressorts fixes en cuivre, qui entrent en contact avec le poste
téléphonique souhaité après que le
cylindre de connexion a été soulevé et tourné.
Pour faire fonctionner les deux électro-aimants, trois
lignes partent de chaque abonné vers le central,
dont l'une sert de ligne de retour et peut être remplacée
par la terre ; Des deux autres, l'un mène à
l'électroaimant des dizaines et l'autre à l'électroaimant
des unités.
De l'extérieur, le réglage s'effectue en soulevant
le téléphone et en tournant un disque métallique
à dix chiffres, situé sous le microphone, d'un certain
chiffre jusqu'à la butée. Ainsi, par exemple, si
vous souhaitez appeler le numéro 35, vous devez d'abord
tourner le disque métallique de la position 5 jusqu'à
la butée, puis revenir à la position de départ,
puis le tourner à nouveau de la position 3 jusqu'à
la butée.
Les deux tours établissent la liaison avec le participant
n°35. L'abonné est alors appelé comme d'habitude
et l'alarme retentit pour indiquer que la ligne est libre. Si
l'alarme reste silencieuse une fois la connexion établie,
la ligne de l'appelé est occupée.
La connexion est automatiquement interrompue lorsque le téléphone
est raccroché. Lors de la conversation, la liaison entre
les participants est assurée par deux fils métalliques
sans recours à la terre ; Comme l'ont rapporté Electrical
World et Engineer en février de cette année, La
communication via le central téléphonique automatique
est aussi bonne qu'avec des systèmes disposant de leur
propre personnel d'exploitation. La confidentialité téléphonique
est préservée et la perturbation de la conversation
par un tiers est également exclue.
|
|
Voici une autre description, avec un schéma
des connexions.
Le nom Janus est destiné à indiquer la double utilisation
d'un même téléphone privé, à
la fois comme téléphone du Reichspost et comme téléphone
fixe.

La Fig. 26 montre une armoire à clapets Janus pour un réseau
privé de 11 postes d'appel, dont cinq peuvent être
connectés en tant que postes Janus à une ligne de
connexion principale. La ligne principale se trouve sur le volet
1, les cinq extensions de bureaux de poste sont reliées
aux volets 2 à 6. Au-dessus de ces rabats se trouvent six
boutons Janus ; Le bouton 1 commute la ligne principale vers l'interrogateur,
les boutons 2 à 6 connectent la ligne secondaire correspondante
à la ligne principale. Le bouton doit être enfoncé
et fixé par un léger tour.
Les connexions privées sont situées sur les volets
7 à 12. Les 11 prises des deux rangées inférieures
permettent d'établir n'importe quelle connexion entre les
cinq postes de poste et les six lignes privées à
l'aide de cordons d'alimentation ; Cependant, les connexions entre
les lignes privées et la ligne principale ne sont pas possibles
car il n'y a pas de prise.
Un câble avec une fiche partant du premier bouton Janus
est utilisé pour interroger les lignes secondaires et privées.
L'agencement interne et le schéma électrique de
l'armoire Janus sont illustrés dans la Fig. 27.
Le Télépphone
Mix & Genest, Berlin. Modèle C2181, à microphone
réglable avec pavillon, inducteur à manivelle en
3 parties, écouteur en forme de cuillère, cloche
simple supplémentaire alant avec le commutateur Janus .
La ligne principale L a/b se termine par un simple
interrupteur à manivelle X et se trouve lorsque les manivelles
sont dans la bonne positionsur le boîtier téléphonique
A fourni par la poste , tandis qu'en position gauche sur la barrière
Janus. Dans ce cas, le volet P 1 et les boutons Janus T 1 , J
1 et J 2 sont reliés au prolongement de la ligne principale.
Le bouton Janus correspond à une double clé Morse
; les deuxième et cinquième ressorts, qui représentent
les leviers clés, sont soulevés des contacts de
repos en appuyant sur le bouton et sont placés sur les
contacts externes connectés à la ligne principale.
Lorsque l'interrupteur X est en position gauche, le boîtier
téléphonique A est relié aux ressorts mobiles
du bouton Janus T1 par l'intermédiaire de ses manivelles
3 et 4, et aux contacts de repos des fiches d'interrogation S
; Ce dernier est donc éteint dès que la ligne principale
est connectée à l'appareil A en appuyant sur T1.
La ligne secondaire N1 mène via le bouton Janus J1 au loquet
K1 puis au volet N1. Les lignes privées 6, 7, 8 etc. ne
concernent que les clés et les loquets portant la même
numérotation.
|
Standard Janus Mix & Genest
sommaire
Ce nest quen 1892
que les premiers petits systèmes téléphoniques
automatiques Strowger ont été construits en Amérique.
Les premières expériences allemandes avec des systèmes
d'auto-connexion remontent à 1903, lorsqu'un petit bureau Mix
& Genest expérimental fut créé à Berlin.
La figure ci dessous montre le circuit du système pour 10 connexions.
(téléphone à 3 fils)
Le système développé par la société
Mix & Genest à Berlin-Schöneberg appelé
machine murale Emge fonctionne avec des détecteurs
d'appels.
Vue du coffret
a
« machine murale Emge »
Deux itinéraires de liaison sont prévus et deux appels
peuvent être traités simultanément. C'est tout à
fait suffisant pour un système avec 10 connexions. Le système
est construit selon le système en boucle, la tension de la batterie
est de 24 volts. Les cadrans rotatifs à trois bras sont utilisés
comme détecteurs d'appels et sélecteurs de ligne, qui
couvrent un anneau de contact en 10 parties.
Les processus de commutation lors de l'établissement et de la
libération d'une connexion sont décrits ci-dessous :
Si un abonné décroche le combiné, un trajet de
courant pour le relais d'appel (R) affecté à sa connexion
est fermé via l'interphone ( Wi 50, III, R, t III, ligne
a, ligne d'abonné, interphone, ligne b, 11, -(-). R répond.
Le contact ? I relie le relais T à la ligne c- (test) de l'anneau
de contact de l'AS, le relais A du trajet de connexion est excité
via ? III ( , A, v L I, Si r III, +). A relie le deuxième
enroulement de Px (25 Ohm) via Px 500 au bras en C du chercheur d'appel
avec ? II, excité via ? 111° wild V2. Lorsque A et V2 répondent,
le trajet de courant pour l'aimant rotatif du chercheur d'appel (Dx
) est fermé ( , Dl5 d t, ? 1°, pj II?, ? II?, v 2 1°,
+) Le détecteur d'appels est doté d'un entraînement
auto-interrompant (dx est le contact auto-interrompant). Il fait maintenant
tourner ses bras sur l'anneau de contact afin de rechercher l'appel
entrant.
Le contact d'arbre Wx de l'AS se ferme. Si le participant ?. 5 est appelé,
l'AS s'arrête après la 5ème étape, car Px
est excité via le bras en C ( , T 200, ? I, bras en C,
Px 500, ? II, Px 25, +)» qui s'éteint avec p x II? Dx.
P active également le relais Y3 avec p x II?, qui active le relais
Vv via v 3 I. Outre Px, le relais d'isolement T répond également.
Cela désactive le relais R de la ligne de connexion avec t III
et 1 1 ; R abandonne et interrompt le chemin actuel pour A avec ? III,
qui continue maintenant via p x I, AS, interphone d'abonné et
p x III. Après ouverture de r I, T est maintenu via son propre
contact t II. Lorsque Px répond, son enroulement à haute
résistance est court-circuité avec p x II0, il est donc
relié à la terre via Px 25 sur la ligne c via t II. de
l'appelant. D'après les explications données sous IV B
3, un deuxième AS ne peut pas s'arrêter au contact 5.
Si l'AS est réglé sur la ligne via laquelle l'appel a
été passé, l'appelant reçoit la tonalité.
Le signal sonore requis à cet effet est généré
par le changeur de pôles, qui est démarré par AZ
via az III. AZ lui-même a été activé via
la version 2. À l'aide de la chaîne de relais, composée
des relais II et III, la tonalité est formée de manière
à correspondre au code Morse. Cela se fait en activant et en
désactivant les relais individuels, de manière similaire
à un disjoncteur de relais. Le bruit du buzzer produit par le
changeur de pôles est capté par AZ4, transmis par induction
à AZ, puis capté par L 6 et transmis à L 20
L 6, L 100, L 400 et L 20 sont enroulés sur un noyau. L 20, sur
la ligne B directement, sur la ligne A situé au-dessus d'un condensateur,
transmet le son du buzzer dans la ligne de connexion.
Le participant peut désormais actionner le cadran. Lorsque cela
se produit, le trajet du courant pour le relais A est interrompu aussi
souvent que la ligne de connexion a été interrompue à
l'aide du disque.
Lorsque l'armature retombe, le relais A ferme avec un lu le trajet du
courant pour l'électroaimant rotatif (D2) du LW ( , d 2,
v 2 I u, a lu, p 4 Ilu, y Ilu, v 2 Io, +). Lorsque le LW, qui comme
l'AS possède un entraînement auto-interrompant, est tourné,
le contact de fermeture w2 se ferme, tandis que le contact d'ouverture
w2 s'ouvre. Cela interrompt le trajet actuel de V2 via un III ?. Cependant,
V2 agit comme un relais de retard pendant l'application de l'impulsion
de courant, puisque son enroulement est soumis aux impulsions données
via a IIIu, v 2 IIIu, p x Hu, ? IIu et w2.
Ce n'est que lorsque l'impulsion de courant est terminée que
V2 chute et interrompt le trajet du courant pour V3 avec v 2 III ?.
Comme V2, ce relais est un relais temporisé et maintient son
armature attirée pendant une courte durée après
l'interruption de son circuit.
Dans l'intervalle de temps entre la libération des relais V2
et V3, la ligne sélectionnée est vérifiée
comme étant « libre ».
Ce test est réalisé par le relais P2 . Si la ligne sélectionnée
est libre, alors P2 répond à v 2 IIIu, v 3 III, P 500-f
25, arceau de l'OL, ligne ?, T de la ligne sélectionnée,
). Lorsque P2 est activé, son enroulement à haute
résistance est court-circuité avec p 2 III et la ligne
activée est bloquée contre les autres appels. T de la
connexion sélectionnée, qui se trouve sur le même
trajet de courant que P2, est excité de la même manière
que P2 et désactive le relais d'appel de la connexion sélectionnée
avec 1 1 et t III. V3 reste excité après que P2 ait répondu
car un nouveau chemin de courant pour V3 est formé via p2 I et
F ; F répond également via p 2 I et active le changeur
de pôles avec f I. La source de courant de sonnerie est maintenant
connectée à la ligne de connexion sélectionnée
(+, S 60, f II, V3 100, p 2 IIo, ligne b , interphone, ligne a,
p 2 II u, V4 , ). Le relais V4 du circuit de sonnerie ne réagit
pas au courant de sonnerie (courant alternatif), mais uniquement lorsque
l'abonné appelé décroche le combiné et que
le courant continu de l'interphone central trouve un chemin à
travers le microphone de l'interphone. Le courant de sonnerie est transmis
toutes les 10 secondes pendant une durée d'une seconde. Le commutateur
de polarité est désactivé pendant la durée
spécifiée ci-dessus au moyen du relais thermique Hi, qui
est activé lorsque F répond avec f III. Si Hi est suffisamment
chaud après une seconde, il supprime le court-circuit de I 400
et active l'enroulement de I situé entre les broches de soudure
1 et 2.
Ce relais commute son deuxième enroulement avec 1 III et court-circuite
le relais F avec 1 1. Celui-ci laisse tomber son ancre et éteint
la source de courant de sonnerie avec f II. Après 10 secondes,
Hi a refroidi à nouveau, il retombe et fait retomber I, F répond
à nouveau, l'inverseur de pôles est à nouveau connecté
à la ligne.
La tonalité est transmise à l'appelant de manière
similaire à la tonalité précédemment transmise
via le starter L 20. Le changeur de polarité génère
le son du buzzer en F4. À partir de cet enroulement, il est transféré
à F 70 et transmis à L100. Cet enroulement de bobine d'arrêt
est à son tour envoyé vers L 20. Tant que F 70 est court-circuité
par 1 I, le son du buzzer (tonalité de numérotation) n'est
pas audible pour l'appelant.
Si le relais V4 répond après que le combiné a été
décroché au poste appelé, le relais Y est excité
via v 4 II (, Y, v 4 II, L 20, Y,+). Y ?? court-circuite P2 de
sorte que ses contacts s'ouvrent. Avec p^ I F est hors tension, avec
p 2 IIu et p 2 II ? le courant de sonnerie est coupé en permanence.
La station appelée est bloquée contre toute occupation
ultérieure par la terre reliée à c via y
II ?.
Y échange ensuite les lignes a et b avec y I et y III. à
la station appelée ; Le pont entre eux via L 20 est désactivé
avec v 4 II lorsque l'alimentation de V4 est coupée. Une fois
le pont éteint, Y reste sur la ligne de l'abonné et alimente
le microphone de l'appelé. L'appelant reçoit l'alimentation
électrique de son microphone via le relais A.
Les deux interphones sont connectés après l'activation
de Y et la conversation peut avoir lieu. Si l'appelant raccroche en
premier une fois l'appel terminé, A sera hors tension.
Avec un II, Px 25 est alors court-circuité de sorte que Px chute.
En ouvrant le px II ?, le T de la ligne utilisée pour effectuer
l'appel est déconnecté. Maintenant, avec t III et 11,
le relais d'appel est reconnecté à la ligne de connexion
et l'état tampon est établi pour cette ligne de connexion.
Les numéroteurs restent en position de travail jusqu'à
ce que l'appelé raccroche. Si cette personne raccroche également
le téléphone, Y perdra de la puissance. Le circuit pour
Dx est fermé via y IIu ( , Dx , d x, Wx , p x IIu, y IIu,
W2 , +). L'AS revient maintenant à la position de buté.
Si cela est atteint, alors Wx est ramené dans le tampon et le
circuit interrupteur pour D2 est fermé (, D2 , v 2 Iu,
d 2 , W^, px IIu, y Ilu, W2 , +). Maintenant, le LW revient également
à la position Buhe, W2 ouvre et Vx vient également à
Buhe comme dernier Balai.
Si la connexion appelée est occupée, le relais de test
P2 ne peut pas répondre car la terre est connectée à
c via y II ?.
En conséquence, V2, qui n'a été maintenu que par
son délai de chute jusqu'à la fermeture de p2 I, chute
et Y3 n'est pas excité via p 2 1. En revanche, ? répond
via v 2 IIIu, p x IIu, ? IIu, W2, +, active le changeur de pôles
et transmet le signal d'occupation à L 20, semblable à
la tonalité de numérotation. Lorsque vous raccrochez le
combiné, le numéroteur est activé comme décrit
ci-dessus.
Siemens avec
la technologie Strowger construit le premier grand bureau téléphonique
automatique (bureau SA) d'Europe à Hildesheim et sera
mis en service en 1908.
Dans les bureaux avec plus de 100 abonnés, les
connexions sont divisées en groupes de 100 chacun et l'appelant,
comme ici, doit établir les connexions avec les abonnés
eux-mêmes, d'abord avec les groupes, puis avec le numéro
correspondant dans le groupe, ce qui ne nécessite que trois ou
quatre touches. quatre tours de cadran sont nécessaires si le
numéro du participant est trois ou quatre fois plus élevé.
est composé de quatre chiffres. Il est en ce temps difficile
dobtenir des détails sur le système en raison de
la protection par brevet.
Le central automatique Strowger de New Bredford a été
conçu pour 10 000 abonnés, il a été initialement
mis en place avec 900 positions et comptait au départ 500 abonnés
; Alors qu'auparavant à New Bredford l'abonnement pour un nombre
illimité d'appels coûtait entre 200 et 400 M, la compagnie
de téléphonie automatique facture 100 M. par an pour une
connexion résidentielle et 150 M. pour une connexion commerciale.
En 1907, lors d'une crise économique, Werner
Genest démissionne du conseil d'administration et rejoint le
conseil de surveillance , où il continue à exercer une
fonction consultative. La même année, l'entreprise emménage
dans son bâtiment nouvellement achevé situé dans
l'actuelle Geneststraße sur le Sachsendamm, à proximité
immédiate de la gare Papestraße de Berlin-Schöneberg,
aujourd'hui gare de Berlin Südkreuz . Le bâtiment a été
mis en service en 1905 lorsque diverses zones de production, malgré
des extensions continues dans la Bülowstrasse grâce à
l'achat de propriétés voisines, n'avaient plus trouvé
de place pour leur croissance ultérieure et ont dû déménager
dans des locaux loués à Kurfürstenstrasse 146 et
Gutenbergstrasse 3 à Berlin-Charlottenburg . Cependant, sous
la direction de Rudolf Franke, l'entreprise est contrainte de se réorganiser
en 1908 et de prendre, pour la première fois, des mesures de
rationalisation drastiques. La division des appareils et compteurs à
courant fort, devenue non rentable, a été abandonnée
et la variété des types et modèles de produits
résultant des demandes des clients a été considérablement
réduite. Les ventes ont toutefois été renforcées.
De nouveaux points de vente ont été ouverts à Munich
, Dresde , Halle , Hanovre et Budapest . Ils étaient principalement
composés de techniciens et dingénieurs et sappelaient
eux-mêmes « bureaux techniques ». L'entreprise avait
reconnu très tôt que les équipements de télécommunications
n'étaient pas faciles à vendre au comptoir et avait développé
la rédaction d'instructions de construction détaillées
pour les acheteurs et les artisans commissionnés comme sa spécialité.
Les « Instructions pour la construction de systèmes à
faible courant », publiées pour la première fois
en 1890, ont connu huit éditions ultérieures jusqu'en
1929. Depuis 1889, l'entreprise dispose d'un département d'installation
(plus tard département de construction) avec des monteurs formés
professionnellement, exclusivement pour l'installation et la mise en
service de plus en plus complexes d'installations dans les locaux de
l'acheteur.
En 1908, Mix & Genest fondent la Lamson Pneumatic
Tube Company et la Lamson Store Service Co. Ltd. en collaboration avec
les sociétés anglo-américaines Lamson Pneumatic
Tube Company et Lamson Store Service Co. Ltd. La société
commune Lamson-Mix & Genest Rohr- und Seilpostanlagen GmbH fut créée
à Londres. En 1910, Mix & Genest participa à la création
d'une nouvelle usine de câbles, qui fut installée dans
les locaux commerciaux sous-utilisés du nouveau bâtiment
de Schöneberg et transformée en Norddeutsche Kabelwerke
AG en 1914 . En 1910, Rudolf Franke fut appelé à l' Université
technique de Charlottenburg pour prendre en charge la chaire nouvellement
créée d'ingénierie des télécommunications
, c'est pourquoi il abandonna la direction de l'entreprise. Son successeur
fut Martin Kubierschky , jusqu'alors vice-président de la United
Railways Investment Co. à Jersey City , aux États-Unis
, qui, comme le fondateur de la société Werner Genest,
était venu travailler dans les communications du chemin de fer.
La dépression économique de 1908 entraîne des pertes
chez Mix & Genest et, en 1913, une consolidation du capital social
dans un ratio de 5:3.
En 1911, un central semi-automatique
« Auto-Janus » a été installé,
qui pouvait acheminer automatiquement le trafic téléphonique
entre abonnés et avec le central téléphonique publique.



Entre 1910 et 1918, lentreprise élargit
sa gamme de produits pour inclure les machines à écrire.
Les premiers appareils, basés sur une conception d'Emil Schliephack,
ont été construits en 1910 et vendus par la filiale nouvellement
fondée Titania Mix & Genest Schreibmaschinen GmbH . À
partir de 1913, la filiale initialement purement commerciale reprend
également la production. Le modèle « Titania 3 »,
introduit la même année, aurait été la première
machine à écrire allemande dotée de leviers à
roulement à billes. En 1918, la production fut vendue avec tous
les droits à la Deutsche Telephonwerke GmbH , qui poursuivit
la production à Bleicherode sous le nom de Titania Schreibmaschinen
GmbH jusqu'en 1925.
Pour la suite, tout comme Siemens,
Mix & Genest fabriquait du matériel Strowger pour la Reichpost
et aussi concevoir des centraux privés PBX.
photo d'un sélecteur rotatif fabriqué
par Mix & Genest, que l'entreprise utilise également pour
ses systèmes privés.
Pendant la Première Guerre mondiale, l'entreprise
s'est largement tournée vers la production d'armement.
Les liaisons avec létranger furent bientôt interrompues.
La succursale de Londres avait déjà été
vendue avant le début de la guerre et la joint-venture Lamson-
Mix & Genest avait été dissoute. La succursale allemande
de Berlin a été rebaptisée Rohr- und Seilpostanlagen
GmbH (Mix & Genest) en 1915 .
1920 PBX Central privé strowger pour 30 participants
de Mix & Genest AG, Berlin

Le standard téléphonique pour 30 connexions a été
développé dans les années 1920. En plus de ce centre
pour 30 abonnés, des centres pour 10, 50, 100 abonnés
et plus ont également été fabriqués. La
commutation s'effectue à l'aide de rechercheurs d'appels à
10 directions et de sélecteurs de ligne à 100 directions.
Après le décès de Werner Genest
en novembre 1921, la Allgemeine Elektricitäts-Gesellschaft (AEG)
proposa à ses actionnaires un échange d'actions dans un
rapport de 1:1, qui reçut une large approbation. À partir
de 1922, AEG poursuit son expansion et réduit sa dépendance
vis-à-vis des fournisseurs. Avec la participation d'AEG , Mix
& Genest a fondé la société Lonarit GmbH à
Frankenhausen am Kyffhäuser pour la production de matériaux
isolants et une usine de bois à Brandebourg-sur-la-Havel , qui
a pu couvrir entièrement la demande de boîtiers pour armoires
de commande. En 1922, la construction reprend à Berlin. Le bâtiment
principal de Schöneberg a reçu une extension, augmentant
la surface utilisable totale du site principal à 40 000 m².
L' inflation allemande de 1914 à 1923 ainsi que l'hyperinflation
de 1923 n'ont que légèrement perturbé le développement
de l'entreprise.
Le réalisateur Kubierschky avait apporté
avec lui depuis les États-Unis la technologie des sélecteurs
de Rochester.
Après la fin de la guerre, il décide cependant de développer
son propre système de numérotation chez Mix & Genest
. La tâche fut reprise par l'inventeur Friedrich Merk ,
que Kubierschky réussit à recruter comme employé
pour son entreprise.
Sur la base des sélécteurs rotatifs inventés par
Almon Strowger en 1891 , la société a installé
une rangée supplémentaire de contacts dans le localisateur
d'appels, ce qui a rendu possible pour la première fois la commutation
de relais, et le nouveau terme technique pour cela était bientôt
« chevauchement ».
Fin 1921, le développement du « système de recherche
dappel Mix & Genest » pour les bureaux et les grands
centraux privés est achevé. Cependant, ladministration
postale du Reich est restée fidèle à sa décision
prise depuis longtemps en faveur du « système préélectoral
».
Mix & Genest ne pouvait donc utiliser sa technologie nouvellement
développée que dans les centraux téléphoniques
privés en Allemagne et, à partir de 1924, produisait également
des systèmes pour les centraux téléphoniques publics
basés sur le système de pré-numérotation
uniforme de la Reichspost. Le système propre à l'entreprise
a ainsi célébré sa percée et ses plus grands
succès à l'étranger, notamment avec la construction
d'un nouveau bureau à Riga, achevé en 1925 et qui a considérablement
accru la réputation de l'entreprise Mix & Genest dans le
monde entier.
Depuis 1924, l'entreprise fournit également du matériel
téléphonique selon le système Reichspost.
Avec la participation d' AEG , la société fonde Emge-Union
à Vienne en 1926 et Companhia Telephonica Paranaense Ltda. en
1927. au Brésil , qui a ensuite repris la construction et l'exploitation
du central téléphonique de Curitiba . Pendant quelques
années, Mix & Genest a également fabriqué des
radios , des amplificateurs et des haut-parleurs sous le nom d' Emgefunk
, qui étaient distribués par la filiale Mix & Genest
Hansawerke GmbH à Hambourg.
Un autre développement important fut le système de signalisation
électrique anti-grisonnement, lancé en 1906 sous le nom
de « Fertigsignalanlage » (système de signalisation
prêt à l'emploi), spécialement destiné aux
opérations minières. Ce système était bien
supérieur aux cloches mécaniques utilisées jusqu'alors,
en termes de rapidité de communication entre l'exploitant minier
et les postes d'exploitation souterrains, ainsi qu'en termes de sécurité.
Basé sur une offre de la Allgemeine Elektricitäts-Gesellschaft
(AEG)
La société principale a simplifié
son nom en Mix & Genest AG en 1927 .
Lorsque le directeur général Martin Kubierschky s'embarqua
pour un voyage d'affaires au Brésil le 9 avril 1929, il fut victime
d'une crise cardiaque à bord du vapeur Cap Arcona pendant la
traversée vers Rio de Janeiro Il décède le 11 mai
1929. La même année, AEG décide de transférer
ses parts dans Mix & Genest à la Standard Elektrizitäts-Gesellschaft
AG (SEG) , une société holding dans laquelle Felten &
Guilleaume AG (F&G) et l'américaine International Telephone
& Telegraph Corporation (ITT) détiennent également
une participation. Avec le départ des deux associés allemands,
ITT devient l'unique propriétaire du holding jusqu'en 1934.
La société anonyme de 1889, est reprise
par l' Allgemeine Elektricitäts-Gesellschaft (AEG) en 1920 et vendue
à une société holding de l'américain ITT
en 1929 .
L' International Telephone and Telegraph Corporation
(ITT) est entrée de manière agressive sur le marché
européen au milieu des années 1920. Après avoir
repris en 1925 la filiale International Western Electric de l'American
Telephone & Telegraph Company (AT&T) et donc l'ensemble de la
production d'équipements du groupe AT&T en dehors des États-Unis,
elle était déjà le premier fabricant d'équipements
de télécommunications dans onze pays. [ 20 ] Elle a renommé
International Western Electric en ITT Standard Electric Corporation
et a encore renforcé sa position en Allemagne en rachetant de
nombreux fabricants renommés pendant la crise économique
mondiale .
Par l'intermédiaire de la société
holding Standard Elektrizitäts-Gesellschaft AG (SEG) à Berlin,
à laquelle Mix & Genest a également été
transféré, ITT a rapidement acquis C. Lorenz AG , Telephon-Fabrik
Aktiengesellschaft vorm. J. Berliner avec la marque « Tefag »
et Ferdinand Schuchhardt, Berliner Fernsprech- und Telegraphenwerk AG
avec la marque « Allradio ». En collaboration avec Felten
& Guilleaume, elle a également participé à
la Süddeutsche Apparatefabrik GmbH (SAF) à Nuremberg. Par
la suite, certaines divisions et filiales de ces sociétés
ont été stratégiquement fusionnées. Mix
& Genest a ainsi acquis Telmo Telephon- und Telegraphen GmbH auprès
de C. Lorenz , ainsi que Deutsche Telephonie AG , dont les actions étaient
auparavant détenues par Ferdinand Schuchard . Par ailleurs, Mix
& Genest a repris l'intégralité des activités
de location des deux participations précitées et de SAF
. En outre, la société mère commune a favorisé
l'échange de brevets et la coopération dans les différents
processus de production, mais a initialement permis aux différentes
sociétés de continuer à rivaliser de manière
relativement indépendante avec leurs marques respectives. En
1930, Mix & Genest comptait environ 3 200 salariés et réalisait
un chiffre d'affaires de 21 millions de RM ; le capital social en 1931
était de 16,185 millions de RM.
L'entreprise fut reprise par Walther Max Leser , directeur
de Hydra-Werke AG , qui avait auparavant travaillé de 1919 à
1924 comme concepteur en chef chez C. Lorenz , la nouvelle société
sur de Mix & Genest . Il na pas pu empêcher une
forte baisse des affaires pendant la crise économique. En 1933,
les ventes ne représentaient que 42 pour cent de ce quelles
étaient en 1929. Leser revient chez Hydra-Werke et la direction
de l'entreprise est confiée à Alfred Emil Hoffmann , qui
travaille déjà dans l'entreprise depuis 1921. À
l'âge de 28 ans, il passe du statut d'ingénieur en chef
à celui de plus jeune directeur du département de téléphonie
automatique nouvellement fondé et est nommé directeur
technique de l'entreprise en 1931.
sommaire
Seconde Guerre mondiale et période d'après-guerre
Début mars 1943, les installations de l'usine
furent gravement endommagées par un incendie consécutif
à un bombardement, mais les bâtiments réparés
furent en grande partie épargnés par de nouvelles attaques.
Après la fin de la guerre, tous les moyens de production technique,
y compris les documents, ont été confisqués et
transportés par l'armée soviétique. Alors que les
bâtiments restants à Berlin servaient de point de départ
à la reprise de la production, le déménagement
du site vers l'Allemagne de l'Ouest était initié en même
temps. Le choix s'est porté sur Stuttgart-Zuffenhausen, où
une grande partie du site de l'usine Ernst Heinkel AG a été
acquise pour la construction du nouveau site de production. En juillet
1948, le siège fut transféré de Berlin à
Stuttgart.
À la fin de la guerre en 1945, des installations
essentielles avaient été détruites. L'usine de
Berlin a subi de graves dommages causés par les bombardements
lors d'un raid aérien le 1er mars 1943, et les installations
de production restantes ont été démantelées
après la prise de la ville par l' Armée rouge . En juin
1945, le travail reprend avec 28 salariés afin de créer
les conditions préalables à la reconstitution de l'entreprise.
[ 1 ] De plus, le blocus de Berlin en juin 1948 a provoqué de
graves perturbations dans l' économie de Berlin-Ouest , car le
trafic de marchandises avec les zones d'occupation occidentales a été
interrompu.
La société mère a donc déplacé
le siège social de Berlin à Stuttgart-Zuffenhausen en
1948 . La même chose sest produite avec les autres filiales
allemandes, qui ont progressivement fusionné entre elles. En
1954, Mix & Genest AG a fusionné avec Süddeutsche Apparatefabrik
(SAF) pour former Standard Elektrizitätsgesellschaft AG (SEG),
qui agissait auparavant en tant que société holding pour
toutes les sociétés ITT allemandes . Pendant un certain
temps, Mix & Genest, une division de Standard Elektrizitätsgesellschaft
AG , a été utilisée comme adresse indépendante
jusqu'à ce que cette dernière soit renommée Standard
Elektrik AG en 1956 . En 1958, Standard Elektrik fusionne finalement
avec C. Lorenz pour former la nouvelle Standard Elektrik Lorenz (SEL).
À partir de ce moment, le nom Mix & Genest nest plus
utilisé que comme nom de département au sein de lentreprise.

Un système Crossbar
a été développé par la société
Mix & Genest, Stuttgart-Zuffenhausen département
de la Standard Electricity Company.
1953-1955 Le sélecteur à barres croisées KS
53 est une variante du crossbar. C'est un type de relais surdimensionné
avec un système de « tiges » et de « ponts
» croisés.

Ici, les rails de contact disposés les uns derrière les
autres, isolés les uns des autres et disposés en croix,
peuvent être reliés les uns aux autres au moyen de fiches
aux points de croisement. Dans le commutateur à coordonnées,
les fiches sont remplacées par des contacts actionnés
via des tiges et des ponts à commande électromagnétique.
Ce commutateur comporte 17 ponts correspondant chacun à un sélecteur
et 15 tiges portant chacune 17 ressorts de repérage.
Chaque tige peut prendre deux positions effectives, c'est pourquoi 30
sorties peuvent être obtenues avec une connexion à huit
fils. Les fils de contact correspondent aux balais d'un sélecteur
rotatif (entrée sélecteur). Cependant, si, comme dans
ce cas, vous avez besoin de sélecteurs comportant un maximum
de quatre fils à connecter, vous pouvez obtenir 56 sorties avec
une connexion à quatre fils en utilisant une disposition illustrée
sur la figure. Les sorties sont divisées en deux groupes (pairs
et impairs). La barre supérieure est utilisée comme barre
de commutation avec laquelle le groupe de contacts est sélectionné.
Lors d'un réglage, deux tiges aimantées doivent être
alimentées, une dans la zone de la tige de commutation et un
dans la zone des 14 tiges restantes.Le commutateur est entièrement
encapsulé et donc protégé de la poussière
; sa fonction peut être observée à travers une plaque
de verre.

En fonction des aimants individuels en tige et en pont qui sont contrôlés
dans le commutateur de coordonnées, les ensembles de contacts
situés à leur intersection commutent via la connexion
souhaitée. Cela représente une amélioration de
la qualité de la connexion téléphonique par rapport
au strowger . Les bruits ont largement disparu et la maintenance est
mins coûteuse.
Le développement du commutateur de coordonnées remonte
aux années 1930. Il a été principalement utilisé
dans la technologie de commutation téléphonique en RDA.
En République fédérale d'Allemagne, le commutateur
de coordonnées n'était utilisé que dans quelques
petits bureaux terminaux des centraux publics de la Deutsche Bundespost.
Cependant, il était souvent utilisé dans les centraux
privés ainsi que dans le système de numérotation
48HK en Autriche.
Le premier centre de commutation de ce type a été ouvert
en avril 1955 à Beilstein (zone centrale de Heilbronn)
à des fins expérimentales. Douze autres centres ont ensuite
été mises en service. À la fin de 1959,
dix autres centraux avec commutateurs de coordonnées ont été
construits dans la zone des bureaux du nud de Bremerhaven.
Cependant, le commutateur de coordonnées était très
répandu.
Sa construction solide (encapsulée dans un boîtier en tôle
d'acier avec une vitre) confère au système téléphonique
un haut niveau de fiabilité avec un minimum d'entretien.
Les commutateurs de coordonnées étaient utilisés
pour commuter les connexions téléphoniques dans les systèmes
de commutation dits à commande « indirecte »,
Aimant de comptage
ZM 53
Centre
de Standard Elektrik Lorenz .
Les impulsions de numérotation que l'appelant envoyait avec son
cadran ne plaçaient pas « directement » le sélecteur
(comme dans le système EMD) à la position souhaitée,
mais étaient d'abord comptées par un relais spécial,
l'aimant de comptage . Cet aimant de comptage avait dix petites armatures,
était de conception très compacte (encombrement nécessaire
pour deux relais plats 48 ), fonctionnait selon le principe du relais
collant et pouvait donc « compter » jusqu'à dix impulsions,
ce qui correspond au nombre « 0 ». » sur le cadran.
Dans les systèmes de commutation RDA (par exemple ATZ64, S65,
MSN70), des chaînes de comptage constituées de relais plats
48 ont été construites à la place de l'aimant de
comptage.
Ce n'est qu'après la fin de l'information pour cette étape
électorale que les aimants à tige et en pont correspondants
de l'interrupteur à coordonnées sont activés et
que le jeu de contacts situé au point d'intersection est activé.
À cet effet, des ressorts de marquage sont installés sur
les tiges. Ce sont des broches fines montées sur ressort . En
fonction de la connexion à réaliser, les tiges sont légèrement
tournées vers le haut ou vers le bas par les électro-aimants
disposés latéralement. Les ressorts de marquage basculent
alors dans les ouvertures situées entre les ponts (tiges verticales)
et la bande (plaques de commande en plastique pour les contacts). L'électro-aimant
du pont correspondant est alors activé, provoquant le basculement
de la tige vers le pont et l'ensemble de contacts. Le ressort de marquage
qui est maintenant serré entre le pont et la barre amène
la barre à actionner les contacts. Finalement, la tige revient
à sa position initiale, la connexion étant maintenue car
le ressort de marquage est serré au point de contact. La connexion
est déclenchée en relâchant le pont, ce qui ouvre
le contact au point de croisement et l'aiguille revient dans sa position
de repos. Le rebond est minimisé par un élément
amortisseur sur le ressort de marquage (généralement une
pièce en plastique mal fixée).
Après avoir établi une connexion, un seul pont est occupé
; des connexions supplémentaires peuvent être définies
sur d'autres ponts.
En février 1962, le quotidien de Berlin-Est Neues
Deutschland rapporte le déménagement de l'usine de formage
de câbles de Mix & Genest de Berlin-Schöneberg à
Altena .
Une filiale de la société appelée Mix & Genest
était encore mentionnée en 1969 sous l'adresse Geneststraße
5, Berlin-Ouest dans le Berliner Zeitung, qui était également
publié à Berlin-Est , comme une entreprise d'armement
active dans la partie ouest. Dans l' annuaire téléphonique
officiel du réseau local de Berlin (Ouest), Mix & Genest
était répertorié pour la dernière fois avec
l'ajout « Standard Elektrik Lorenz AG Zweigniederlassung Berlin
» dans l'édition 1976/77.
Le successeur, Standard Elektrik Lorenz AG (SEL),
est devenu l'une des dix plus grandes entreprises allemandes dans les
années 1960 et 1970, mais a rencontré des difficultés
financières dans les années 1980 et a été
vendu par ITT à la Compagnie Générale d'Électricité
française et démantelé en 1986. L'activité
principale des télécommunications a été
poursuivie chez Alcatel SEL , après une fusion avec les participations
apportées par Lucent à Nuremberg à partir de 2007
chez Alcatel-Lucent Deutschland AG , dont l'activité a été
absorbée par le finlandais Nokia en janvier 2016.
...
sommaire