1950
Les télécommunications des chemins de fer
Pour aller à l'essentiel de
la situation du secteur « télécoms » à
la SNCF , René Delavergne est l'expert qui connais parfaitement
l'évolution des télécoms à la SNCF.
Cette note ne vise pas à relater de façon précise
lhistoire du développement des télécoms,
ni à en décrire les matériels. Elle vise seulement
à en dégager les étapes essentielles et les conditions
dans lesquelles elles se sont développées...
Voici un état des lieux au début des années 1950
aux PTT et, pour partie, à la SNCF où je suis arrivé
en 1957. René Delavergne
Il ny avait pas à la direction des Installations fixes
(DIF) de service autonome soccupant des télécoms.
Une section télécoms, dune vingtaine dagents
environ, existait mais elle était intégrée dans
la subdivision du matériel de signalisation, elle même
faisant partie de la division VZ3 de la DIF. Les six « régions
» (formule avant 1972) avaient aussi des « unités
télécoms », aux politiques un peu dissidentes
parfois, et leur modernité était plus ou moins avancée
selon, soit les plans nationaux dinvestissement, soit leur politique
propre. Par exemple, le Sud-Est bénéficiait à
lépoque, comme on le verra plus loin, des apports importants
de lélectrification Paris-Lyon. Malgré cette relative
pauvreté et cette dispersion des moyens, le domaine télécoms
amorçait alors une profonde mutation et la période 1945-1957
fut un véritable creuset dans lequel se sont formés
les doctrines et les hommes. Ces hommes, de formations très
différentes et en petit nombre, ont par leur dynamisme et leur
connaissance des techniques nouvelles forgé cet outil que nous
connaissons aujourdhui et qui sous-tend la gestion moderne du
chemin de fer.
Jai parfois regretté que leur travail soit un peu
méconnu. Par souci dobjectivité, je précise
que, si jai été assez souvent au cours de ma carrière
en connexion plus ou moins étroite avec les télécoms,
je nai été en revanche ni un concepteur ni un
décideur ; à quelques rares exceptions près,
je nai donc eu que peu dinfluence sur lévolution
des télécoms.
Avant 1918
Tout a commencé en 1837, en Angleterre et aux États-Unis,
donc peu de temps après la mise en service des premières
lignes commerciales de chemins de fer. Cooke et Wheatstone, en Angleterre,
inventent le télégraphe électrique et Morse,
aux États-Unis, met au point un code adapté à
cette technique. Il sagissait, en simplifiant à lextrême,
du premier système numérique de transmission, agissant
à distance sur des relais et des rotatifs, et le code Morse
était une préfiguration du codage numérique du
langage.
Sous ces deux aspects, le télégraphe, à ses débuts,
na été utilisé que par les chemins de fer.
Notons, par ailleurs, cette première unicité des techniques
entre télécoms et signalisation (échange des
messages et envoi dinformations sur la situation du trafic).
Cette unicité va disparaître, les télécoms
devenant analogiques (téléphone) et la signalisation
restant presque numérique (impulsions de courant, relais...).
Par contre, en cette fin du XXe siècle on revient à
une nouvelle intégration des techniques par le biais de la
numérisation des informations. Cette date de 1837 est, enfin,
très importante pour lexploitation ferroviaire car, sans
le télégraphe, laugmentation de puissance des
locomotives et, donc, de leur vitesse aurait été mal
utilisée faute dun échange rapide dinformations
de sécurité (début du cantonnement par lespace)
et de régulation entre les gares, échange nécessité
également par laugmentation du trafic.
En France, cest en 1845, pour la ligne Paris-Mantes, quest
installé le premier système de communication à
base dimpulsions électriques (Breguet et Foy). La même
année, sur Paris Saint-Germain, un premier télégraphe
Morse est installé, cest la naissance des télécoms
ferroviaires françaises. En 1852, le télégraphe,
qui se développe rapidement, est mis à la disposition
des voyageurs (le réseau public ne verra le jour quen
1856).
A propos du télégraphe, une anecdote mérite dêtre
rapportée : en 1844 M. Clarke, ingénieur au PO, rend
compte devant le conseil dadministration de deux informations
: Arago a présenté au Collège de France le système
Wheatstone auquel il est favorable, et lui-même, à linvitation
de Brunel (patron du Great Western, Londres-Bristol), a constaté
les progrès considérables faits dans son utilisation
pratique pour la régulation et la signalisation. Il propose
donc léquipement de la ligne de Paris à Orléans
pour un coût denviron 2 000 F du km. Le conseil approuve
et accorde 3 000 F ! Cet ingénieur dorigine irlandaise
a été tué, à son bureau de la place Valhubert,
par une balle perdue en 1848.
Après 1845, létape importante est lapparition
du téléphone venu des États-Unis (système
Bell) et dès 1880 on recense gare du Nord, par exemple, 43
postes reliés à un commutateur manuel. Ensuite, et jusquà
la Deuxième Guerre mondiale, on assiste essentiellement, du
point de vue ferroviaire, à la construction de milliers de
kilomètres dartères aériennes. Pendant
un siècle, elles vont modeler le paysage français, marquant
le tracé des voies ferrées encadrées généralement
par une artère double et une artère simple, exploitées
par les PTT et les chemins de fer. Les circuits supportés
par ces artères étaient « basse fréquence
», sans courants porteurs et sans amplificateurs, doù
lutilisation de fils de cuivre de section importante et, pour
les grandes distances, du télégraphe exclusivement.
Léquilibrage électrique des circuits, par groupe
de quatre fils, était très soigné, permettant
ladjonction de circuits dits « fantômes ».
À noter que, dès 1911, ces circuits supportaient parfois
une distribution centralisée de lheure.
De 1918 à 1945
En 1917-1918 apparaissent les premiers circuits de dispatching. En
effet, pour faciliter lacheminement des troupes américaines
entre les ports de lAtlantique et le front, le premier «
dispatching système U.S. » est installé des environs
de Nantes à Saint-Pierre-des-Corps. Il est déposé
à la fin de la guerre mais lidée est reprise et,
peu à peu, les circuits de régulation, système
Westinghouse, vont équiper progressivement toutes les grandes
lignes (il sagit dimpulsions électriques). Il semble
( ?) quune des premières réalisations, en 1923,
ait été mise en service entre Limoges et Montluçon
( !).
A partir de 1920, cest la commutation automatique qui fait son
entrée (Paris, Lyon). Les systèmes Strowger et Rotary
sont dabord utilisés, plus tard le Strowger disparaîtra
et le R6 sera vers 1960 le principal support de lautomatisation
quasi intégrale du réseau téléphonique
(tous ces systèmes utilisant des relais, des rotatifs ou des
sélecteurs électromécaniques).
Côté transmission, les progrès tardent et la basse
fréquence sur conducteurs aériens est pour la SNCF la
seule technique utilisée jusquau milieu des années
1930.
Lélectrification en courant continu, 1 500 volts de Paris-Le
Mans (1937) entraîne la mise en câble des circuits, en
commun avec les PTT. Ces derniers restent du type BF (basse fréquence)
mais avec amplification. De plus, pour combattre laffaiblissement
lié aux pertes capacitives en ligne, on insère de loin
en loin, en série sur les conducteurs, des enroulements «
selfiques » (bobine Pupin). Les valeurs des selfs utilisées
sur certains
circuits sont très fortes (177 milliheurys tous les 1 830 m)
et, de ce fait, la qualité des circuits sen ressent (bande
passante exploitable de lordre de 2 000 Hertz). A la même
époque léquipement en câbles des PTT. est,
toutes proportions gardées, assez faible et concerne quelques
grands axes, uniquement les plus anciens, Paris-Strasbourg et Paris-Bordeaux,
datant de la fin des années 1920.
Vers 1941, un ingénieur des PTT, M. Marzin (futur directeur
général des Télécommunications) met au
point le premier système de courants porteurs sur aériens,
dabord à 1 + 1 voies puis à 6 voies et, plus tard,
à 12 voies. Dans la foulée les premiers courants porteurs
sur câbles se développent. Enfin, au cours des années
1930, le télégraphe ferroviaire se modernise et apparaissent
les premiers téléimprimeurs (Creed...) sur des liaisons
poste à poste.
Toujours entre les deux guerres, la radio civile fait des progrès
et les chemins de fer procèdent à de nombreux essais
entre sol et mobiles. Ces essais sont, hélas, pénalisés
par deux facteurs :
- les tubes à vide de lépoque supportent mal les
vibrations des engins moteurs
- le poids des appareils, et principalement des alimentations, péjore
lutilisation de la radio par les cheminots. Ajoutons que les
fréquences exploitées sont assez basses et sont perturbées
par le milieu ferroviaire, riche en parasites électriques.
À la même époque règne un engouement général
pour le bricolage radio (postes à galènes, puis à
lampes), on achète des sortes de « kits », et on
soude, et on règle, et on essaie de capter les ondes radio...
Dans cette atmosphère les cheminots ont, sans doute, suivi
avec passion les essais et, peut-être, ont-ils eux-mêmes
bricolé des montages.
Quelques dates au hasard :
- 1921 : essais de liaison entre 3e rail et machines sur Paris-Juvisy
;
- 1922-1926 : essais selon diverses techniques sur le Nord et lEst
;
- 1922 : entre Paris et Angoulême on capte Radio-Paris pour
les voyageurs ;
- 1932 : essais de radio téléphone à la disposition
des voyageurs sur la ligne Paris-Amiens, avec un bon résultat
technique mais pour un coût élevé.
À partir de 1932 des essais plus sérieux et assez concluants
sont réalisés entre machines de manuvre et postes
de commande, citons, toujours au hasard, Le Bourget, Rouen (1933),
La Chapelle (1936), Paris-Juvisy (1932), etc., avec ondes libres ou
lignes inductrices.
De 1945 à 1968
Cette période correspond à une nette modernisation du
chemin de fer et à une expansion des télécoms.
La SNCF, paralysée dès sa naissance par la guerre, met
en place des structures unificatrices dont profiteront les télécoms.
Au début des années 1960, par exemple, M.Michaux, chef
de VZ5 , décide la création dune subdivision des
télécommunications, « VZT », confiée
à M. Bisot, brillant technicien qui a déjà eu
et aura une influence déterminante sur les orientations principales
; parallèlement, VZ met en place des règles unifiées
de maintenance.
Les cadres et techniciens des débuts de VZ étaient largement
influencés par les réalisations des PTT, auxquelles
ils ont souvent participé (Paris-Lyon) ; ils ont également
reçu des compléments de formation en suivant les cours
professionnels de cette administration. La SNCF, de son côté,
organise un enseignement professionnel à différents
échelons, régionaux et centraux. Les constructeurs spécialisés
ont été regroupés par les PTT en groupements
: SOTELEC pour les transmissions et, de façon plus souple,
SOCOTEL pour la commutation. Cela permet de fixer des normes de
compatibilité et de qualité, en complément des
normes internationales du CCITT6 . Au contact des PTT et des constructeurs
les agents de la SNCF apprennent beaucoup, peuvent innover tout en
défendant nos points de vue spécifiques, économiques
et techniques. Nous aurons en effet besoin, assez souvent, de nous
différencier des PTT : particularités de notre exploitation,
de notre organisation, de notre environnement (perturbations électromagnétiques).
VZT sera donc amené, parfois, à faire un travail dinnovation,
utilisant même des techniques davant-garde.
Revenons à lhistoire. En 1945, la reconstruction est
une priorité absolue mais, en même temps, limmense
apport technologique dû à la guerre et lépanouissement
des études faites peu avant la guerre et pendant lOccupation
(coaxiaux, courants porteurs...) donnent un grand essor aux télécoms.
Cest la transmission qui est lavant-garde de la modernisation
et lélectrification de Paris-Lyon, terminée en
1952, en est une étape
importante pour la SNCF et, même, pour les PTT.
Pour mettre en câbles les circuits aériens et accroître
les capacités de la communication, PTT et SNCF mettent en place
une artère mixte à plusieurs câbles. La nouveauté
essentielle est constituée par deux câbles, dits haute
fréquence, pouvant, sur chaque circuit, recevoir par modulation
24 et même 36 voies téléphoniques (1 câble
aller et 1 câble retour). Cest une première pour
les deux administrations qui fera longtemps référence
tant sur le plan technique que sur le plan « sentimental »
pour les acteurs de cette réalisation. Du fait de laffaiblissement
important des circuits HF (haute fréquence), des centres intermédiaires
damplification télésurveillés sont implantés
à intervalles réguliers. On les appelle, du fait de
leur aspect, les chapelles « Maillet », du nom du directeur
du service PTT des lignes souterraines à grande distance. Propriété
des PTT, elles sont maintenant détruites ou misérablement
abandonnées car des progrès ont permis leur suppression
et, par ailleurs, la SNCF a racheté la totalité des
câbles.
La deuxième étape importante est la traction électrique
50 Hertz qui, pour les essais en vraie grandeur sur Aixla-Roche-sur-Foron
réalisés en 1950, a mobilisé lensemble
de la division VZ et particulièrement les techniciens de VZT
aidés par le laboratoire de Saint-Ouen7 . Pourquoi ? La cohabitation
entre lélectricité industrielle et les courants
faibles de la signalisation et des télécoms a toujours
été difficile : induction électromagnétique
et électrostatique, dangers pour les équipements et
le personnel par élévation du potentiel notamment par
court-circuit. Avant la Deuxième Guerre mondiale, les chemins
de fer avaient déjà été confrontés
à ces problèmes. En effet, les réseaux Midi et
PO, pour alimenter les lignes électrifiées 1 500 volts,
avaient construit dans les Pyrénées et le Massif central
des usines hydroélectriques ainsi que des lignes de transport
triphasées en haute tension, notamment vers la région
parisienne. Ces lignes perturbaient les circuits téléphoniques
(tous en fils aériens), en cas de déséquilibre
entre phases, suite à un incident. Les ouvriers travaillant
sur les lignes aériennes risquaient lélectrocution
(et il y eut effectivement des victimes) et les opératrices
des centraux pouvaient subir de dangereux chocs acoustiques. Des essais
ont donc eu lieu dans les années 1930 et ont permis détablir
quelques normes valables en régime de court-circuit, le régime
normal des lignes triphasées étant en général
sans conséquences néfastes.
Avec larrivée de la traction monophasée, le régime
permanent devient dangereux, doù de nouveaux essais,
des études théoriques très poussées, reprises
sur le plan international par lUnion internationale des chemins
de fer et son équivalent télécoms, le CCITT.
M. Lemaire (futur directeur de lInformatique de la SNCF) et
M. Bisot ont conduit ces essais et ont rédigé un document,
le livre « jaune » de 1953, validé par le CCITT.
On y trouve les principes de protection des circuits, des équipements
et du personnel, le tout agrémenté de calculs théoriques
dun niveau élevé. Ces principes ont été
progressivement affinés et complétés en fonction
de lexpérience acquise et ont permis aux agents spécialisés
de VZT, qui étaient pour la plupart des autodidactes, dacquérir
des connaissances pratiques et théoriques très approfondies
dans ce domaine. Leur niveau de connaissance est reconnu par les ingénieurs
des PTT qui leur font entière confiance et acceptent les conclusions
de leurs calculs qui permettent de
protéger les circuits téléphoniques contre les
perturbations engendrées par nos lignes.
Avec larrivée des TGV (années 1980) les intensités
ont augmenté considérablement et VZT (M. Gourdon étant
chef de la division) a été ainsi amené à
mettre au point avec la direction du Matériel de la SNCF un
nouveau système dalimentation de la caténaire
: le système dit 2 x 25 000 volts, qui a également permis
une augmentation de la puissance transportée.
A nouveau, de nouvelles études théoriques et pratiques
durent être entreprises et donnèrent satisfaction. Après
avoir relaté ces deux événements importants,
revenons à lévolution des systèmes de transmission
qui deviennent plus performants, plus miniaturisés, moins gourmands
en énergie. La technique des courants porteurs à 12
voies a été privilégiée (systèmes
12 + 12). Cette technique correspondait à une norme PTT et
répondait bien à nos besoins dispersés et à
grande distance. Ces systèmes, dabord à lampes,
ont été transistorisés à partir de 1964.
Au début des années 1960, M. Laurent (ex-ingénieur
des PTT et bouillonnant didées) propose, pour désenclaver
Toulouse, la pose dun câble monocoaxial assez différent
des normalisations PTT et pouvant transporter 300 voies entre Paris
et Vierzon (câble enterré) et 120 voies entre Vierzon
et Toulouse (câble porté accroché aux poteaux
caténaires). Pour ce dernier, vraiment novateur, la mise en
service se fait sans histoire ;
il connaîtra cependant quelques problèmes par la suite,
du fait des suspensions, des soudures et, surtout, des plombs des
chasseurs.
Cette réalisation économique permit détoffer
le réseau sud-ouest à un moment où les besoins
en circuits augmentaient et où les 12 voies sur fils aériens,
pourtant très performants, de ce réseau devenaient insuffisants.
Par ailleurs, cette expérience ouvrit la voie à ladoption,
pour certains projets, de la technique coaxiale avec un tube de faible
diamètre acceptant 360 voies. Mentionnons enfin, pour mémoire,
une liaison hertzienne entre Béziers et Sète, sans développement
ultérieur. Cet essai était destiné à acquérir
lexpérience de cette technique pour les ingénieurs
envoyés comme conseils dans certains pays à faibles
infrastructures.
Pendant ce temps, la technologie des câbles évolue :
une enveloppe daluminium est substituée au plomb et présente
une meilleure protection contre linduction (1963,ligne Le Mans-Rennes),
lisolement de lenveloppe extérieure, jusque-là
en chanvre goudronné (le long des lignes 1 500 volts) et celui
des conducteurs, en papier, sont maintenant en matière plastique.
Abandonnons les transmissions pour aborder la commutation. Son automatisation,
largement entamée par les anciens réseaux, est achevée
par la SNCF. Le système Strowger disparaît, le système
R6, électromécanique, est largement développé
par nous et par les PTT, quelques Rotary subsistent. Mais le grand
événement de cette période est la mise en place
systématique de centraux automatiques de transit quatre fils
qui commutent les circuits sans péjorer leur qualité.
Cest M. Bisot qui en a été larchitecte principal
aux alentours de 1954 et qui a lancé la SNCF sur cette idée,
non encore prise en compte par les PTT à cette époque
: la commutation automatique, quatre fils, des circuits.
Quelques explications : pour améliorer la qualité des
circuits interurbains, on les constitue avec deux fils pour le sens
aller et deux fils pour le sens retour, les répéteurs
étant unidirectionnels ; mais, à la traversée
des équipements de commutation, à lépoque,
on ramenait les circuits sur deux fils (aller et retour confondus),
doù une baisse de qualité. Une note de 1954 définit
de façon précise le fonctionnement du réseau
:
- plan de numérotation, calqué sur lorganisation
de la SNCF ;
- code de signalisation des destinations de type télégraphique
dit «arythmique» par opposition au code PTT de type «pseudo-analogique»
;
- affaiblissement (ou équivalent) défini selon les types
de liaisons (nationales, régionales, locales) de façon
à obtenir une qualité standard sur lensemble du
réseau, les autocommutateurs de transit pouvant insérer
ou non des cellules daffaiblissement pour réaliser cette
unification de la qualité.
Ce plan, à lépoque, nous a placés nettement
en avance sur les PTT qui ne pratiquaient pas la commutation à
quatre fils. Il a également accéléré la
modernisation du réseau par remplacement anticipé de
certains autocommutateurs inaptes à toute transformation, et
des commutateurs manuels. Cest également au cours de
cette période quapparaissent les L43, assez semblables
au R6 et finalement peu utilisés, et les systèmes Crossbar
qui abandonnent les rotatifs au profit de matrices électromécaniques.
Les téléimprimeurs sont, de leur côté,
organisés en un réseau inter-automatique avec des liaisons
sur courants porteurs (télégraphie harmonique à
50 et 110 bits par seconde). Le réseau, développé
à partir de 1960, comptera à son plein développement
(après 1960) 300 terminaux SAGEM et sera desservi par 5 centres
de transit et 34 satellites. Il disparaîtra à la fin
des années 70 avec la montée en puissance du réseau
de téléinformatique.
Quittant le domaine « terrestre », voyons ce que devient
la radio après 1945. En gros, elle concrétise les nombreux
essais davant-guerre. Les triages et les grands centres dexploitation
sont équipés peu à peu de réseaux divers
: liaisons entre la bosse et les machines, entre la bosse et les caleurs
dans les triages, formation des trains, etc. Ce développement
est facilité par la miniaturisation des postes, tant mobiles
que portables, grâce à la transistorisation, laquelle
diminue également le poids des alimentations. Toutefois ces
postes les portables sont parfois reçus assez
brutalement par les agents et leur fiabilité en pâtit,
ainsi que la recharge des batteries qui est plus ou moins «
sabotée ». Cela disparaîtra peu à peu !
En même temps, VZT est obligé de ferrailler avec les
PTT, distributeurs exclusifs des fréquences à cause,
essentiellement, de lesprit monopolistique du ministère
dalors. La situation a bien changé depuis, peut-être
trop, à mon avis ! car on risque, à moyenne échéance,
une certaine anarchie dans le domaine hertzien malgré lélargissement
des bandes de fréquences utilisables et les progrès
obtenus dans la compression des informations.
Bien que la SNCF soit attributaire exclusive de plusieurs gammes de
fréquences, nos besoins croissants après 1970 sont difficiles
à faire entrer dans ces gammes et, même, notre exclusivité
sur certaines gammes est parfois remise en cause. Heureusement, grâce
à lesprit de conciliation, à notre niveau, de
nos homologues PTT, tout sarrange. Deux réalisations
remarquables marquent particulièrement cette période.
Sur la ligne Paris-Lille on installe, à lintention des
voyageurs, une liaison téléphonique publique desservie
par le wagon-bar, cest une réussite technique mais peu
rentable (1959-1974). A la même époque, sur la ligne
Dôle-Vallorbe, à loccasion de la modernisation
de la ligne, on teste un couplage basse fréquence entre une
ligne bifilaire supportée par les poteaux caténaires
et les machines (1965-1977). Pour conclure cette période, des
systèmes de surveillance par télévision de passages
à niveau télésurveillés commencent à
être installés (1959-1960).
De 1969 à 1983
On entre dans lère du numérique qui, à
la fin de cette période, aura conquis tous les secteurs. Dès
que les constructeurs eurent maîtrisé la modulation par
impulsion codées (MIC), la SNCF, devançant les normes
internationales, lance une commande pour en équiper la Petite
Ceinture. Pour cela revenons en arrière. Fin des années
1950, début des années 1960, un câble BF est posé
entre les gares parisiennes le long de la Petite
Ceinture. Dix ans plus tard, le câble est saturé, M.
Laurent et M. Bisot optent alors pour un système numérique
à 36 voies. Les résultats sont bons mais, hélas,
le CCITT impose une norme à 30 voies (TN1) et, plus tard, à
120 voies (TN2).
Malgré cela, le MIC (à 30 voies de base) va peu à
peu simposer à la SNCF par sa facilité dinstallation,
sa modularité, sa qualité de transmission même
sur des circuits de caractéristiques moyennes. Ce câble
de la Petite Ceinture est à lorigine dun incident
mettant en cause un excès de centralisation. Il supportait,
en effet, la plupart des circuits de téléinformatique
issus des ordinateurs dAuteuil, or il fut coupé et noyé
au cours des travaux de réfection du tunnel de Belleville,
et la Résa (système électronique de réservation
des billets et des places) fut arrêtée pendant deux jours
en 1973.
Signalons, dans le même esprit, que peu de temps auparavant
(1972) un incident encore plus grave avait affecté la Résa.
Lalimentation des ordinateurs centraux fait, en effet, partie
des attributions de VZT. Cest un système très
sophistiqué qui permet une alimentation sans coupure, même
de lordre de la microseconde, à partir dune chaîne
de redresseurs et donduleurs (ces derniers étant à
lépoque des alternateurs), encadrant des accumulateurs.
Or, au cours des travaux, du plâtre, échappé dune
brouette, a causé des dégâts considérables
à une partie de cette chaîne et la Résa fut arrêtée
pendant une semaine !
Revenons à la transmission : devant laccroissement des
besoins (transmission de données notamment) VZT, avec laide
des constructeurs, se préoccupe de revaloriser des câbles
anciens situés sur des axes importants. Ainsi naît le
120 voies analogique par « dépupinisation » et
rééquilibrage de circuits BF, avec insertion de répéteurs
intermédiaires enterrés et téléalimentés.
Sur dautres axes non encore équipés et où
les
besoins prévisibles sont importants, on pose des coaxiaux à
360 voies.
Cest au cours de cette période que naît le projet
TGV Paris-Lyon, décidé en 1974. Les besoins en circuits
sont importants et leur sécurité est primordiale. Il
a donc été réalisé une entraide automatique
entre les câbles de lancienne ligne Paris-Lyon (système
analogique à 120 voies) et ceux de la ligne TGV (MIC TN2 120
voies, en 1981-1983). A ce propos, encore une anecdote : jai
retrouvé, datant des années 1960, une étude pour
un
TGV Paris-Lyon ; il était à voie unique avec propulsion
par turbine à gaz, et tous les circuits étaient contenus
dans un câble à 7 quarts (28 fils) ! Enfin, pour sécuriser
nos liaisons parisiennes et accroître nos possibilités,
des câble SNCF sont posés à travers Paris dans
des conduits PTT (1975, équipement en TN2).
Nous avons évoqué plusieurs fois la pression exercée
par laccroissement des besoins en transmissions de données
(téléinformatique). Cela a commencé vers la fin
des années 1960 avec létude et la mise en place
de la GCTM (gestion centralisée du trafic marchandises) suivi
de la Résa (1971-1972). VZT est chargé de la partie
« transmission » proprement dite du réseau de téléinformatique,
à lexclusion des ordinateurs de
traitement et des nuds du réseau (concentrateurs diffuseurs,
commutateurs de paquets...). Deux problèmes se posent : il
faut dabord trouver les lignes et les équipements de
transmission pour véhiculer les données, ce qui a conduit
à investir rapidement et de façon importante dans le
réseau de transmission (câbles et équipements
porteurs). Ensuite, il a fallu approvisionner des quantités
considérables de modems (plusieurs milliers).
Ces modems servent dinterfaces entre les messages codés
issus de linformatique et le système de transmission
qui obéit à ses propres normes. Ils devaient, selon
les liaisons, selon les applications, travailler à différentes
vitesses mais toujours à des vitesses nettement supérieures
à celles du réseau de téléimprimeurs :
600 bits par seconde, 1 200, 2 400, 4 800, 9 600 et, sur de courtes
distances, 64 000 bits/sec. Cest M. Canolle, alors en charge
de VZT, qui eut à faire face à la préparation
de projets considérables, à en gérer les dépenses
et, surtout, à en coordonner les mises en uvre et à
assurer les livraisons en temps utile. Cela, souvent, en des délais
très courts et sans pouvoir respecter les plannings établis
à lavance par les utilisateurs. En passant au-dessus
des règles classiques de gestion, VZT a ainsi été
amené à prélever du matériel acheté
sur un projet pour linstaller au titre des autres projets, etc.
VZT a également été obligé de constituer
des réserves plus ou moins officieuses de modems pour répondre
à des besoins urgents et, parfois, pas encore financés
par les demandeurs ; on a ainsi parlé de « murs de modems
», soi-disant en surplus mais qui se résorbaient très
vite, y compris leur financement. M. Canolle était donc une
sorte de chef régulateur au centre dun trafic très
perturbé, non pas de trains, mais de matériels et de
crédits. Ce réseau a, de plus, évolué
fréquemment, passant dune configuration plutôt
centralisée à une configuration décentralisée
avec des étapes plus ou moins longues et « il fallait
suivre ». Pour ajouter aux difficultés, quelques rêves
de conquête des télécoms par le service de lInformatique
ont germé dans certains esprits, heureusement vite calmés
par la hiérarchie. Inutile de préciser que les effectifs
de VZT avaient augmenté pour atteindre 80 puis 100 et même
120 agents.
Lautre événement important de cette période
a été ladoption de la commutation électronique
puis temporelle. Dès le début des années 1970,
les petits centraux sont modernisés par ladoption de
matériels électronique, les TLC101. A lopposé
de la gamme, lautocommutateur de la direction générale
(plus de 4 000 abonnés) est équipé dun
tout nouveau système : le métaconta (1977). Les matrices
électromécaniques miniaturisées de connexion
du Crossbar ne sont plus commandées par des ensembles de relais
(les enregistreurs) mais par un ordinateur qui gère intégralement
chaque communication. Cet autocommutateur, très important,
mais uniquement local, dut évidemment être relié
au réseau automatique national et, de ce fait, il fallut renforcer
les équipements parisiens de transit, arrivés à
la limite de leur capacité. Pour les remplacer, un appel doffres
est lancé et un système tout nouveau (le système
temporel) est proposé par Jeumont Schneider pour un prix très
avantageux. M.Gourdon, après une étude approfondie,
donne un accord à son principe technique. Cet accord était
pour lépoque très audacieux car, si les PTT avaient
déjà lancé, sous légide du CNET,
la construction de plusieurs centraux temporels de type urbain, mais
qui nétaient pas encore vraiment opérationnels,
ils navaient pas encore lancé les études pour
des transits 4 fils de type temporel. Quelques mots, très simples,
sur ce matériel qui a achevé la numérisation
totale de la chaîne télécom (à lexception
toutefois de la radio et de la TV qui y viendront plus tard). Dans
ces matériels, la parole est numérisée selon
les principes du MIC, chaque séquence numérique est
accompagnée dun code de destination, et un ordinateur,
à travers une grille entrée-sortie, trie ces séquences.
Nallons pas plus loin, en revanche soulignons que le pari de
VZT fut gagné sans difficulté, que les économies
réalisées furent rapidement récupérées
par la direction générale et quune économie
notable en encombrement évita des remaniements importants des
locaux. Ces centraux temporels sont, depuis lors, la référence
quasi unique en matière de commutation.
Et maintenant, que devient la radio ? Elle conquiert définitivement
le domaine des liaisons « sol-trains », vieux rêve
des cheminots. Au début des années 1970, en Maurienne,
le service du Matériel est confronté, sur un parcours
à forte déclivité, à des problèmes
de communication entre la machine de tête et la machine de queue.
Après étude, le Matériel décide de relayer
linformation radio entre les deux machines par des stations
fixes réparties le long de la ligne. Cette idée est
reprise de manière plus complète par la direction du
Transport pour relier les trains, entre eux et à la
régulation ; elle charge alors en 1975 VZT den mener
à bien létude et la réalisation.
Larchitecture générale est axée sur une
liaison filaire entre le PC (poste de commandement) et des stations
émettrices-réceptrices réparties le long de la
ligne, lesquelles conversent avec les mobiles (une fois de plus je
mabstiens daller plus loin dans les explications). Dans
ses principes, létude menée par VZT sinspire
des essais de Maurienne et des essais assez avancés, eux aussi,
des chemins de fer allemands. Cette dernière référence
est importante car lUIC, voulant développer en Europe
un système unique, soriente vers la normalisation allemande.
M. Gentil, directeur général, soutient énergiquement
le projet et décide en priorité léquipement
de laxe Paris-Marseille, précédé de léquipement
de deux lignes de banlieue, Paris-Roissy (alors en cours de construction)
et Paris-Versailles (en cours de modernisation). Comme toujours, on
doit affronter une contrainte fréquente, les délais
sont imposés a priori, alors quon perd du temps en parlotes
administratives sur des détails, ce qui réduit le délai
laissé aux réalisateurs. Dans ce cas, il a fallu, de
plus, faire appel à une entreprise étrangère,
les constructeurs français ayant « boudé »
laffaire.
Par ailleurs, la prospection permettant limplantation des stations
fixes a obligé VZT à mettre au point des techniques,
des matériels, des wagons spécialisés. Finalement
et sur les « chapeaux de roues », en travaillant parfois
de nuit, les délais ont été tenus sur les deux
lignes de banlieue. Le jour J (1976), sur Paris-Roissy la radio a
joué un rôle important en maintenant la liaison avec
le train inaugural (avec un ministre à bord) bloqué
par les grévistes dune imprimerie. Pour Paris-Marseille,
la tension a été moindre mais on a rencontré
quelques difficultés dinterférences avec la TV
publique.
En effet, bien que les fréquences utilisées (de lordre
de 500 Mégahertz) soient exclusives dans lespace français
comme européen, nous brouillons des téléviseurs,
dans certaines zones, et cela parce que ces récepteurs ont
une bande passante beaucoup trop grande pour des raisons économiques.
Au nom de nos bons rapports traditionnels avec lORTF nous compatissons
à leurs problèmes et, officieusement, nous les aidons
à mettre en place quelques réémetteurs supplémentaires.
Parmi les réalisations qui ont suivi, citons la ligne TGV Paris-Lyon
où les essais des prototypes TGV ont sérieusement compliqué
la mise en service, par suite de reconfigurations incessantes des
liaisons. Cependant, en 1981, le jour de linauguration, sous
un orage terrible, cette radio parfois décriée pour
sa simplicité a été la seule liaison entre le
président de la République et lÉlysée,
les avions relais nayant pu décoller. Le « comique
» de la situation fut ce fil volant posé en catastrophe
à Paris (station de répéteurs) entre la baie
radio et la baie donnant accès au réseau public vers
lÉlysée.
Avant de quitter la radio, disons quà la fin des années
1970 il y avait plus de 8 000 postes dans les services dexploitation.
A noter quau fil des commandes il était souvent difficile
de faire comprendre les différences de prix entre un poste
fiable à 70 %, par exemple, et un poste fiable à 95
%, entre un poste « jouet » et un poste « professionnel
».
En liaison avec la modernisation des lignes de banlieue vers Roissy
et Versailles, on développe la surveillance des quais par les
mécaniciens à laide de caméras donnant
une image TV au droit de la cabine de conduite. Plus tard, au début
des années 1980, limage est ramenée en cabine
à laide dune antenne fixée sur les traverses
(banlieue sud-ouest). Dans le même temps se développe
léquipement des quais et des gares en téléaffichage
à lintention des voyageurs. Un appel doffres général,
trop ambitieux, fut même lancé à linstigation
de la direction générale pour équiper 40 gares
: il ne fut jamais entièrement réalisé. Ces systèmes
de téléaffichage ont donné lieu à des
polémiques passionnées en ce qui concerne le choix du
matériel : palettes éclairées par la lumière
naturelle et parfaitement visibles même en plein soleil (ce
qui était lobjectif poursuivi) ou TV plus souple, plus
économique, surtout plus à la mode, mais dont la faible
luminescence ne peut lutter contre la lumière ambiante. Autre
sujet de polémique qui dure toujours : la mauvaise qualité
de la sonorisation qui ne peut réaliser ses objectifs quavec
une bonne formation des « speakers » et une multiplication
considérable des sources sonores (cest donc coûteux
!).
En conclusion de lhistoire de cette période fertile en
innovations et en développements de technologies de pointe,
mentionnons, au début des années 1980, lapparition
des fibres de verre et le début des études sur les commutateurs
multiservices, deux techniques qui vont se développer après
1983.
De 1983 à 1990
Je serai moins disert sur cette période qui voit cependant
des évolutions techniques impressionnantes car, à cette
date9, je nai plus eu de relations suivies avec les télécoms
et, surtout, je me suis senti rapidement incapable de suivre intellectuellement
ces évolutions qui nont sans doute pas fini de saffiner
et de se développer. En revanche je tiens à citer à
nouveau M. Gourdon (chef de VZT) qui a mené efficacement ces
années.
Commençons par les fibres de verre que lon peut considérer
comme lévolution technologique majeure de cette fin du
XXe siècle. Elles ont dabord été testées,
dès 1981, sur des applications réduites : report dune
image TV dun PN télésurveillé au PN surveillant
(1re réalisation à Ancenis). De façon plus ambitieuse,
avec différents constructeurs, des essais de transmission de
codes numériques, avec ou sans régénérateurs
dimpulsions, ont été menés de 1980 à
1983 et la première liaison à moyenne distance, strictement
expérimentale, a été faite sur la ligne Grenoble-Moirans
(1983-1984) où, sur une vingtaine de km, des fibres de verre
ont été insérées dans un câble classique.
Dès le démarrage, un grand débat a agité
les industriels et les utilisateurs sur la constitution interne des
fibres : gradient dindice ou saut dindice, choix de londe
porteuse, fibres de type multimode ou monomode (ce dernier semblant
triompher actuellement ?). Un pas important a été franchi
avec lélectrification Moret-
Nevers, le câble télec choisi est en effet de type composite,
cest à dire quil contient des fibres de verre équipées
en MIC (1986), ce qui a permis de tester par bouclage des liaisons
de 500 km. Depuis lors, les fibres sont normalement utilisées
dans toutes les mises en câbles nouvelles et à la fin
des années 1990 on compte plus de 5 000 km de fibres (pour
mémoire, le réseau télec comptait à la
même époque plus de 20 000 km de câbles).
Pendant ce temps, les PTT, très préoccupés par
laccroissement considérable du nombre dabonnés
et, en revanche, assez riches en liaisons à grande distance
(faisceaux hertziens et câbles coaxiaux) utilisent plutôt,
à cette époque, des fibres optiques sur de courtes liaisons
et se sont donc provisoirement faits distancer par la SNCF, pour la
maîtrise des liaisons interurbaines.
Deuxième développement important : les autocommutateurs
multiservices (AMS). En simplifiant un peu, nous entrons là
dans un domaine largement vulgarisé : les techniques «
multimédia ». Le long dun système de transmission
et à la traversée des commutateurs les informations
de tous types se présentent, ou se présenteront dans
un proche avenir, sous la forme numérique 0-1, notamment la
parole et les données et, récemment, les images. Il
est donc naturel de réunir en un seul réseau les échanges
de paroles, de données et plus tard dimages et de substituer
aux autocommutateurs,
classiques et spécifiques dun type de message, des autocommutateurs
dits « multiservices » ou « AMS ».
Parallèlement, le numérique adopte des « formats
» dans lesquels les séquences de bits sont réunies
en paquets pouvant circuler de façon, disons erratique, du
moment que chaque paquet a une adresse (cest la base dInternet).
Plus prosaïquement, on sintéresse plutôt,
pour linstant, à la fusion de la parole des réseaux
téléphoniques et des données des réseaux
de téléinformatique. Côté France Télécom
le RNIS (réseau numérique à intégration
de services) dénommé Numéris commutera à
moyenne échéance le réseau téléphonique
et le réseau de données Transpac. Côté
SNCF, on soriente vers le RPIS (P pour privé) qui commutera
le réseau téléphonique et son équivalent
pour les données, le Rétipac.
Ce survol, superficiel, ne doit pas dissimuler les difficultés
dont certaines ne sont peut-être pas encore entièrement
résolues ; par exemple, le code arythmique doit être
abandonné, les normes internationales de compatibilité
et de transparence doivent être intégrées dans
ces nouveaux matériels,
etc.
Ajoutons, pour la SNCF, que dans lavenir il est prévu
de ne confier aux AMS, en plus de la téléphonie, que
les liaisons de données discontinues, à lexception
des liaisons de type Résa, par exemple, dont le débit
est pratiquement sans interruption. Les premiers AMS ont été
mis en service par la SNCF en 1989 à Rennes et à Paris-Montparnasse.
Léquipement se poursuit pour relier les quelques 100
000 terminaux de tous types de la SNCF.
Ne quittons pas le numérique sans parler de la radio dont les
liaisons sol-trains véhiculent maintenant des transmissions
de données, ce qui permet, notamment, de mieux sécuriser
certaines informations de sécurité et, aussi, denrichir
les possibilités dinformation réciproque entre
trains et sol. Les études initiales ont été menées
par le service de la Recherche, en collaboration avec VZT et ont abouti
en 1989-1990 à léquipement de Paris-Rennes et
du TGV Atlantique. Cest aussi en collaboration avec France Télécom
que le téléphone public a été mis à
la disposition des voyageurs sur les TGV (lapparition des portables
rend ce service obsolète).
Enfin, la fin du monopole des PTT et la libération de nouvelles
bandes de fréquences (900 MHZ et au-dessus) a « donné
de lair » aux liaisons radio classiques et en permet une
plus grande banalisation.
Terminons cet historique par le projet, piloté par la direction
de la Recherche et suivi par VZT, de synthèse et de reconnaissance
de la parole. Dès le début des années 1980 des
expérimentations furent réalisées, au PC de Reims
par exemple.
Conclusion
Nous venons de survoler environ 150 ans dhistoire des télécoms
ferroviaires. La fin de cette histoire a été écourtée
par manque dune compétence suffisante et aussi parce
que, pour écrire une histoire, il faut un recul suffisant et
le foisonnement des idées des années 1990 brouille un
peu les idées générales.
La suite de cette histoire sera totalement différente, puisque,
dans la mouvance des règlements européens, dans une
ambiance de rentabilisation maximale et de libéralisation des
télécoms, la SNCF devient, par une filiale, un opérateur
public, concurrent de France Télécom grâce aux
capacités résiduelles des câbles et aux «
possibilités » de ses emprises.
Pour les liaisons strictement liées au service il semble également
que VZT11 sera plutôt une unité de gestion des moyens
mis à la disposition de la SNCF et non plus, dabord,
une unité de conception et de réalisation. Ce bouleversement,
sans doute inéluctable, va probablement entraîner un
changement dans lambiance des télécoms ferroviaires.
On verra dans quelques années... ? si elle est vraiment bénéfique...
?
Ceci mincite, à loccasion de cette note et de cette
nouvelle conception des télécoms SNCF, à rappeler,
une fois de plus, le dynamisme et lesprit novateur des cheminots
spécialisés en télécoms, que ce soit à
VZT ou dans les régions. Au total, un peu plus dune centaine
dagents à la direction V et à peine plus sur lensemble
des régions ont magnifiquement uvré à la
réalisation dun réseau quune société
privée considère actuellement comme suffisamment performant
pour lassocier à ses projets. Les cadres de ces agents,
à quelques exceptions, sont des autodidactes formés
de leur propre initiative (Conservatoire des Arts et Métiers
par exemple) ou par les cours dispensés par la SNCF.
Sous le brillant des nouvelles réalisations et de la nouvelle
organisation il ne faut donc pas oublier lhéritage denviron
150 ans de progrès continus, parfois menés dans une
ambiance sceptique. Ambiance qui, dailleurs, contraste avec
loptimisme actuel, lequel revalorise, à juste titre,
le réseau télécoms de la SNCF, mais risque den
atténuer loriginalité, ainsi que le dynamisme
de ses acteurs.
sommaire
Revenons à notre histoire avec quelques détails,
anecdotes, dates, photos ...
Le système ferroviaire français
Jusquen 1938, le réseau ferré français
était géré par :
- l'Administration des Chemins de fer d'Alsace et de Lorraine ;
- l'Administration des Chemins de fer de l'État ;
- la Compagnie des Chemins de fer de l'Est ;
- la Compagnie des Chemins de fer du Midi ;
- la Compagnie des Chemins de fer du Nord ;
- la Compagnie des Chemins de fer de Paris à Lyon ; (futut=r
PLM)
- la Compagnie des Chemins de fer de Paris à Orléans
;
- les Syndicats des Chemins de fer de Grande et de Petite Ceinture.
À cette époque, les réseaux sont composés
de voies ferrées d'intérêt général,
de voies ferrées secondaires d'intérêt général
et de voies ferrées secondaires d'intérêt local.
Les voies d'intérêt général sont concédées
par l'État. Les voies d'intérêt local sont concédées
par les collectivités, départements ou municipalités.
Au 1er janvier 1938, la SNCF, nouvellement créée,
reprend la concession de la quasi-totalité de ces réseaux
(à lexception des lignes secondaires, les voies ferrées
dintérêt local).
Les grandes compagnies
1859, conventions ferroviaires État-compagnies : à
linspiration du duc de Morny, les lignes concédées
sont réparties en six grandes compagnies : - Compagnie
de Paris-Lyon-Méditerranée - Compagnie d'Orléans
- Compagnie du Midi - Compagnie du Nord - Compagnie de l'Est et Compagnie
de l'Ouest.
1878, nationalisation des réseaux ferroviaires des Charentes
(naissance du réseau de l'État).
17 juillet 1879, loi adoptant le plan Freycinet qui prévoit
un programme de travaux destiné à porter le réseau
ferré d'intérêt général de 29 600
kilomètres environ (dont 21 300 en exploitation) à 38
300, en y incorporant 8 800 km de lignes nouvelles à construire
(incluant 2 500 km de lignes d'intérêt local déjà
concédées). Ce plan qui devait permettre de desservir
toutes les sous-préfectures fut quasiment achevé en
1914.
20 novembre 1883, loi portant approbation des conventions avec les
six grandes compagnies.
1882 La PLM ou Paris-Lyon-Méditerranée
(de 1882 à la fin de la 2ème guerre mondiale).
Les télécoms dans le système
ferroviaire à partir de cette époque :
Cest une brique éminemment stratégique. Par
exemple sans les télécoms, les trains ne pourraient
pas rouler, car tout matériel roulant a un besoin constant
dinformations pour se déplacer en toute sécurité
sur le réseau.
Pour mener à bien son activité, la SNCF sest dotée
dimportants moyens de télécommunication, souvent
peu connus. Elle a développé un puissant réseau
de télécommunication dont le dessin vient se calquer
sur celui de son réseau ferré.
Les lignes aériennes apparaissent sous le Second empire le
long des voies ferrées et prennent le nom de poteaux
télégraphiques, ces lignes répondent aux
besoins du chemin de fer en matière de signalisation
ferrovière (en détail pdf), de communication
entre les gares, de sécurité.
Les poteaux télégraphiques ont envahi
le paysage ferroviaire à partir des années 1850 et,
pendant plus dun siècle, jusque durant les années
1970, les poteaux télégraphiques puis téléphoniques
ont dansé leur ballet fascinant et répétitif,
montant et descendant avec leurs fils, se penchant vers lextérieur
des courbes, tantôt dans un sens, tantôt dans lautre,
avec la persistance rythmique digne dun ballet sur la musique
du boléro de Ravel. Il fallait, lors dun long voyage
à 120 km/h, les compter tous, ne pas en rater un, les voir
comme grandir pour enjamber les ponts passant au-dessus de la voie
et rapetisser ensuite, les voir subitement disparaître dans
les grandes gares ou, pour les plus petites gares, contourner le bâtiment-voyageurs
en se cachant à la limite des voies du côté opposé
à la ville.
Si lon considère le voyageur comme un point fixe, les
fils semblent descendre puis remonter doucement pour être rabattus
violemment vers le bas par chaque poteau qui passe. Bref, ces poteaux
ont hanté lesprit des enfants et leurs isolateurs noirs
ou blancs, qui ressemblaient à ces clés de sol, transformaient
les fils électriques en une partition musicale.
Et puis, modernité et télécommunication obligent,
et problèmes de perturbation et de voisinage créés
par le courant électrique des caténaires, ils ont disparu
du champ de vision du voyageur, étant, au prix de longs et
importants travaux, enterrés et sans cérémonie
funéraire ni condoléances.
Poteaux PTT sur une ligne SNCF : la rangée supérieure
comprend quatre isolateurs simples remplaçant deux «
clés de sol », permettant la permutation des fils par
rapport à la terre. Pour passer de lisolateur supérieur
dune « clé de sol » à lisolateur
inférieur, le fil utilise à titre transitoire un isolateur
simple intermédiaire qui le positionne à une hauteur
proche du support transversal. Langle de la déviation
du fil est moins importante car répartie sur plusieurs poteaux
successifs.
Les fils télégraphiques que les compagnies sont autorisées
à installer, pour leur service dexploitation, sur les
poteaux télégraphiques supportant les fils de lÉtat,
sont placés immédiatement au-dessous de ces derniers,
dans lordre suivant : dabord le fil direct, puis le fil
omnibus, et enfin le fil spécial.
En haut de la nappe de fils, le fil direct relie entre eux les appareils
des grandes gares et servent à lexpédition des
demandes de secours, des avis daccidents et de toutes dépêches
à grande distance. Ces postes, qui fonctionnent le jour et
la nuit, peuvent « attaquer » ou « être attaqués
» (terme de métier et dépoque) à
tout instant. Les appareils des gares de moindre importance, non pourvues
de dépôt de machines, mais pouvant toutefois être
appelées à former un train ou à fournir du matériel,
sont mis en communication directe sur ce fil. Ces postes, qui fonctionnent
également le jour et la nuit, peuvent « attaquer »
les postes voisins, mais ne peuvent pas « être attaqués
» par eux.
En dessous, le fil omnibus met en communication permanente les appareils
installés dans les gares situées à des distances
déterminées, et servant aux besoins journaliers de lexploitation.
Ces postes, fonctionnant généralement de jour et de
nuit, peuvent communiquer avec les postes voisins et vice-versa. Dans
les gares où il ny a pas de service de nuit, le chef
de gare doit, avant de quitter son service, avoir le soin de placer
le récepteur et le commutateur de sonnerie en communication
directe, afin que les dépêches qui viendraient à
être échangées pendant linterruption du
service, puissent parvenir à destination, ce qui constitue
le dernier geste de la journée pour un chef de gare à
lépoque, geste bien connu. Mais il ne dormira pas, pour
autant, sur ses deux oreilles : si lon avait besoin de télégraphier
localement en cas dun accident, le chef de gare, « préalablement
réveillé » (précise avec délicatesse
le règlement), doit immédiatement se lever et se mettre
à la disposition de lagent qui a une dépêche
à faire transmettre.
Les appareils des postes dits de secours, installés dans les
gares intermédiaires ou à labord des points dangereux,
ou encore sur des points où lon exécute des manuvres,
sont mis en communication directe sur fil omnibus. Ces appareils,
qui ne servent, comme lindique leur nom, que pour demander du
secours en cas de détresse ou daccident, peuvent attaquer
les postes voisins sans réciprocité.
Enfin, le fil spécial, qui nest installé que sur
quelques lignes et qui est placé le dernier, au-dessous de
tous les autres) est destiné à relier plusieurs petites
gares consécutives de banlieue avec une gare de premier ordre
(comme Paris, Dijon, Lyon), « afin de ne pas entraver le service
de la grande ligne, par la transmission de dépêches peu
importantes » précisent les textes officiels qui pensent
que les petites gens nont pas à troubler les grands de
ce monde.

Le téléphone SNCF d'alarme sur les installations le
long des voies.
La création, assez tardive et surtout au lendemain
de la Première Guerre mondiale, du téléphone
fera apparaître, sans les emprises des compagnies de chemin
de fer et le long des lignes, une grande quantité de fils et
de supports en bois, avec leurs isolateurs en clé de
sol. Le décret du 9 novembre 1911 met en place le service
des Lignes Souterraines à Grande Distance (LSGD) de lAdministration
des P&T mais il ne sagit pour le moment que de lignes souterraines
télégraphiques. En 1914, larrêté
du 6 juin organise létablissement de lignes aériennes
et aéro-souterraines. Ce nest que le 7 septembre 1923
que la première liaison interurbaine téléphonique
à grande distance, entre Paris et Strasbourg, et en service
manuel, est prévue et elle sera ouverte le 9 août 1926.

Aujourd'hui, les réseaux de télécommunication
de la SNCF couvrent la France entière: ils disposent de moyens
autonomes de transmission et de commutation. Les services de maintenance
et dentretien sont répartis dans lensemble du pays.
Autonome par rapport à lAdministration des Télécommunications
françaises, le réseau de télécommunications
de la SNCF est également performant et de haute qualité:
les cheminots affirment: "on nest pas à la traîne";
il naurait rien à envier à celui de FRANCE TELECOM
sur le plan de la recherche du perfectionnement technique . De surcroît,
la qualité de service serait de bon niveau. Quand on sentretient
avec des cheminots affectés aux services de télécommunications,
leurs réponses expriment parfois un mélange de fierté
et le souci de se positionner par rapport à lAdministration.
On a même entendu la phrase suivante, significative de cet état
desprit: "on est comme les PTT en mieux, mais en plus petit".
De fait, certaines réalisations techniques témoignent
du niveau atteint, comme le fonctionnement opérationnel sur
400 kilomètres en mode MIC, dès 1981 (sur la liaison
TGV entre Paris et Lyon). Autre exemple, la pose dun câble
mixte, contenant des fibres optiques, à loccasion dune
transformation du réseau télécom entre Morte
et Nevers. Un service de recherche existe, et travaille par exemple
sur un projet dutilisation des satellites pour la régulation
du trafic ferroviaire.

Sur le réseau du PO en banlieue parisienne vers 1920 : véritable
invasion de poteaux ajoutée aux supports des caténaires
et à la présence dune signalisation aussi luxuriante
que fatigante pour les conducteurs.
sommaire
En 1917-1918 apparaissent les premiers circuits de
dispatching.
En effet, pour faciliter lacheminement des troupes américaines
entre les ports de lAtlantique et le front, le premier «
dispatching système U.S. » est installé des environs
de Nantes à Saint-Pierre-des-Corps. Il est déposé
à la fin de la guerre mais lidée est reprise et,
peu à peu, les circuits de régulation, système
Westinghouse, vont équiper progressivement toutes les grandes
lignes (il sagit dimpulsions électriques). Il semble
quune des premières réalisations, en 1923, ait
été mise en service entre Limoges et Montluçon
.
A partir de 1920, cest la commutation automatique
qui fait son entrée (Paris, Lyon). Les systèmes
Strowger et Rotary
sont dabord utilisés, plus tard le Strowger disparaîtra
et le R6 sera vers 1960 le principal
support de lautomatisation quasi intégrale du réseau
téléphonique (tous ces systèmes utilisant des
relais, des rotatifs ou des sélecteurs électromécaniques).
1921 : essais de liaison entre 3e rail et machines sur Paris-Juvisy
;
1922-1926 : essais selon diverses techniques sur le Nord et lEst
;
1922 : entre Paris et Angoulême on capte Radio-Paris pour les
voyageurs ;
1932 : essais de radio téléphone à la disposition
des voyageurs sur la ligne Paris-Amiens, avec un bon résultat
technique mais pour un coût élevé.
Côté transmission, les progrès
tardent et la basse fréquence sur conducteurs aériens
est pour la SNCF la seule technique utilisée jusquau
milieu des années 1930. Lélectrification en courant
continu, 1 500 volts de Paris-Le Mans (1937) entraîne la mise
en câble des circuits, en commun avec les PTT. Ces derniers
restent du type BF (basse fréquence) mais avec amplification.
De plus, pour combattre laffaiblissement lié aux pertes
capacitives en ligne, on insère de loin en loin, en série
sur les conducteurs, des enroulements « selfiques » (bobine
Pupin). Les valeurs des selfs utilisées sur certains circuits
sont très fortes (177 milliheurys tous les 1 830 m) et, de
ce fait, la qualité des circuits sen ressent (bande passante
exploitable de lordre de 2 000 Hertz). A la même époque
léquipement en câbles des PTT. est, toutes proportions
gardées, assez faible et concerne quelques grands axes, uniquement
les plus anciens, Paris-Strasbourg et Paris-Bordeaux, datant de la
fin des années 1920.
À partir de 1932 des essais plus sérieux et assez concluants
sont réalisés entre machines de manuvre et postes
de commande, citons, toujours au hasard, Le Bourget, Rouen (1933),
La Chapelle (1936), Paris-Juvisy (1932), etc., avec ondes libres ou
lignes inductrices.
Vers 1941, un ingénieur des PTT, M. Marzin
(futur directeur général des Télécommunications)
met au point le premier système de courants porteurs sur aériens,
dabord à 1 + 1 voies puis à 6 voies et, plus tard,
à 12 voies. Dans la foulée les premiers courants porteurs
sur câbles se développent. Enfin, au cours des années
1930, le télégraphe ferroviaire se modernise et apparaissent
les premiers téléimprimeurs (Creed...) sur des liaisons
poste à poste.
sommaire
Les premiers opérateurs télégraphiste
de train des chemins de fer en marche sont apparus dès 1890.
Lopérateur radiotélégraphiste de
train des chemins de fer ( SNCF1 ) était un cheminot chargé
d'établir les communications pour l'approvisionnement, les
communications de service, listes de fret, cargaison, détails,
etc. , les communications publiques et des messages familiaux, de
transmettre aux trains des ordres provenant du contrôleur de
circulation ferroviaire, et de lui retransmettre le progrès
de la circulation du train.

La radiotélégraphie permettait ainsi au personnel
roulant et au personnel fixe de communiquer entre eux, notamment
concernant la sécurité, la circulation et l'efficacité
de la gestion du trafic.
L'antenne radioélectrique radiotélégraphique
était fixé horizontalement entre 1 et 2 mètres
au-dessus du toit du train (et passait de wagon en wagon sur toute
la longueur du train).
La radio sol-train mise en place par la SNCF à
partir de 1976,, est un système analogique de télécommunication
utilisé sur une partie du réseau ferroviaire français
pour assurer la liaison entre les postes de gestion des circulations
et les mécaniciens des trains.
sommaire
Le dispatching-system, une amélioration
notable pour les cheminots en 1925
Le Dispatcheur fournit des fonctions et organise l'information
relative à la répartition des trains sur un réseau
de trains miniatures. Sa fonction principale est l'allocation
des sections de voie pour des trains différents circulant
autour du réseau. Le Dispatcheur n'est pas conçu
pour remplacer complètement un opérateur humain
pendant une session d'exploitation des trains, mais il devrait
rendre le travail de répartition plus facile et plus amusant.
Le Dispatcheur est prévu pour travailler aux côtés
d'un panneau, construit soit avec l'éditeur de Réseau
ou l'éditeur de panneau , qui fournit une rétroaction
visuelle de l'état du réseau. Il n'y avait aucune
raison de faire un Dispatcheur qui ressemble à un prototype.
Il a été tout simplement conçu pour être
fonctionnel pour la répartition de l'exploitation d'un
réseau ferroviaire.
Le Dispatcheur exige qu'un réseau soit divisé en
Cantons, et que les Cantons le long du ligne principale soient
organisés en Sections. Il exige également que les
Sections soient utilisées pour définir les itinéraires,
appelés Transits, qui décrivent les chemins que
les trains vont suivre lorsqu'il sont actifs sur le réseau.
Les Cantons sont des portions de voie dont l'occupation peut être
contrôlée individuellement. Les Sections sont des
groupes d'un ou plusieurs Cantons qui sont allouées comme
une unité par le répartiteur utilisant les fonctions
du Dispatcheur. Les Cantons sont habituellement définis
pour faciliter la signalisation sur un réseau. La simple
utilisation de Dispatcheur ne requiert pas que la détection
matériel du canton ou des signaux soient installée
physiquement, ou même que le réseau physique soit
divisé en cantons. Le Dispatcheur ne fonctionnera que si
la configuration du cantonnement est définie dans un panneau
uniquement. Toutefois, le Dispatcheur fonctionne mieux si les
cantons matériels avec la détection de cantons sont
présents. Il fonctionne encore mieux si les signaux matériels
sont présents sur le réseau et que la logique signal
utilise des capteurs de direction du Section.
Les Fonctionnalités fournies par le Répartiteur
comprend: l'assistance pour démarrer et résilier
le train, de l'information pour permettre une installation facile
du rencontre sur les voies de passage, l'automatisation de certaines
fonctions du répartiteur, la mise en place d'exécution
automatique des trains, l'assistance pour le départ des
trains selon une horloge rapide, l'assistance pour lier les signaux
à une allocation via un simple support de signalisation
banalisée APB, en option le réglage automatique
des aiguillages quand une section de voie est attribuée,
et enfin la circulation automatique des trains ainsi que des trains
en exécution manuellement. Les versions initiales de ces
fonctions sont incluses dans la version actuelle du Dispatcher;
des améliorations suivront dans les prochaines versions
de JMRI.
Le Centre pour le Dispatcheur est un Train Actif, qui porte les
informations nécessaires pour faire fonctionner un train
autour du réseau. Fondamentalement, un Train Actif est
créé par le répartiteur en liant un Transit
et un Train. Le Transit fournit une description de l'itinéraire
à suivre par le train, y compris les Sections qui ont besoin
d'être allouées au long de l'itinéraire, et,
lors de l'exécution automatique, toutes les Actions qui
doivent être initiées dans les sections spécifiques.
Le Train spécifie ce qui doit être exécuté
le long de l'itinéraire spécifié par le Transit.
Les Trains peuvent être des descriptions complètes
de toutes les machines et des wagons comme prévu par les
Opérations JMRI, ou les machines sélectionnées
depuis le menu du Liste JMRI , ou simplement un nom de train et
une adresse dcc entré par le répartiteur.
Lorsque vous créez un Train Actif, le Dispatcheur précise
également où est situé actuellement le Train
Actif, et l'emplacement du Train Actif quand il est résilié
après qu'il ait terminé son transit sur le réseau.
D'autres options sont entrées, comme train prioritaire
et le type, la demande pour démarrer le train à
une heure d'horloge rapide spécifiée , et une demande
d'exécuter le Train Actif automatiquement.
Tous les Trains Actifs sont affichés dans un Tableau dans
la Fenêtre du Dispatcher , ainsi que des informations sur
l'état du Train Actif. La fenêtre du Dispatcher contient
également un Tableau d'attente des Demandes d'Allocation
, un Tableau des Sections Allouées, et des boutons qui
permettent au répartiteur de facilement allouer des Sections,
créer de nouveaux Trains Actif, et de résilier des
Trains actif. Les Sections Allouées sont libérées
à l'aide des boutons dans Le Tableau Sections Allouées,
ou automatiquement Si l'Option libération automatique est
sélectionnée.
Retrouvez
en détail le dispatching sur ce site.
Salle de dispatching à Paris, chemins de fer de l'Est -
Science et monde du 13 août 1931
Dur métier que celui des cheminots occupés à
charger, répartir et mettre en route près de 3 000
wagons chaque jour de lhiver 1924/1925. Les manuvres
sont réglées comme du papier à musique car
rien ne doit enrayer leur déroulement au risque dentraîner
des perturbations en chaîne. De plus, les wagons sont des
mastodontes représentant un danger permanent. On sétonne
même que les accidents ne soient pas plus nombreux.
En juin 1925, le chef de gare principal de Moulins, monsieur Tourret,
encadre un sous-chef de gare principal, monsieur Guéritaine,
sept sous-chefs et 4 250 agents titulaires ou auxiliaires à
qui revient dorganiser le transit quotidien de 2 700 wagons.
Cest alors quest mis en fonctionnement le «
dispatching-system », évolution technologique dorigine
américaine qui facilite lécoulement des trains
sur chaque ligne* et assure un débit maximum avec des dépenses
dexploitation moindres. Ce système complexe est basé
sur un réseau téléphonique dirigé
par un seul « dispatcher ». La gare de Moulins dépend
de celui installé à linspection générale
de Nevers. Il regroupe toutes les informations relatives à
la circulation des trains sur les lignes Montargis-Nevers Moulins-Paray-le-Monial,
soit environ 80 gares avec lesquelles il garde une relation permanente
par téléphone. Tous les incidents de route et létat
de la circulation remontent à lui en temps réel.
Le dispatcher doit avoir une connaissance préalable précise
et étendue du réseau ferroviaire et du trafic. Il
sappuie sur des graphiques représentant les différents
trains, les lieux de passage et les horaires. Auparavant, des
trains de marchandises pouvaient être retenus en gare parce
que le personnel ne connaissait pas la position des trains circulant
et retardait les manuvres, quand cétait possible,
pour éviter les accidents.
Un exemple pratique avec le train de messageries 4 917 ordinairement
stoppé et garé à Moulins pour laisser passer
le rapide Paris-Vichy qui le suit. Si le chef de gare est tenu
au courant dun retard du rapide, il nest plus obligé
de retenir le 4 917 qui a le temps de poursuivre son chemin. Les
appels sont toujours brefs et concis : « Cosne** poste ?
Donnez des nouvelles du 1018. Il est passé à lheure
». De plus, le dispatcher fournit lheure officielle
aux gares de son circuit, en même temps, chaque matin entre
6 et 7 heures. Un circuit téléphonique de secours
peut être activé en cas de panne.
Les compagnies françaises ne sont pas les seules en Europe
à adopter le dispatching-system. Ses aspects techniques
et son bien-fondé sont traités et débattus
au cours du congrès de lassociation internationale
des chemins de fer qui sest tenu à Londres du 22
juin au 1er juillet 1925. |
sommaire
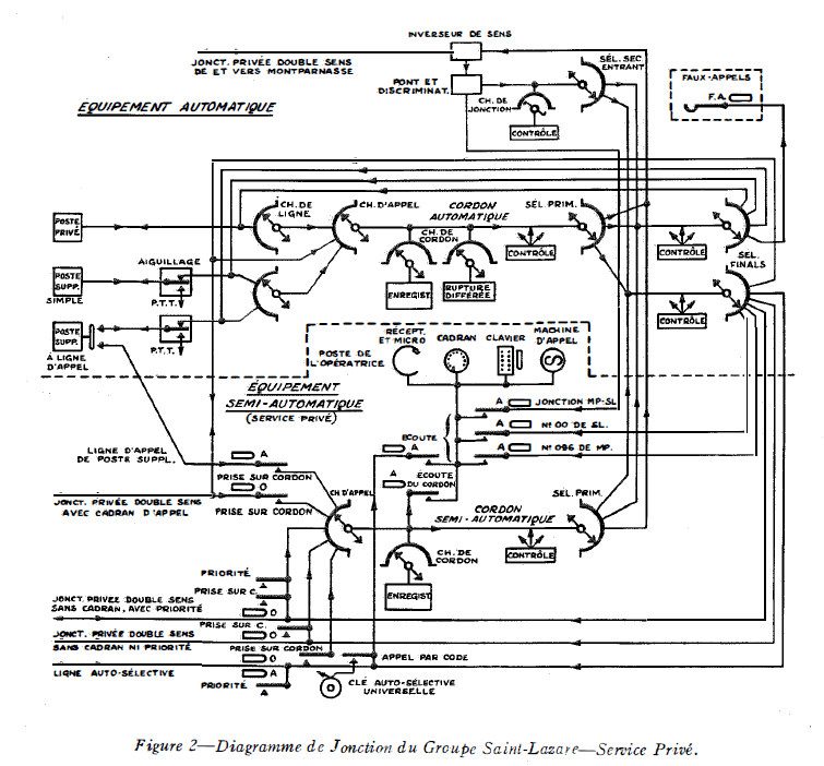
C'est dans les années 1930 que l'on intégra
les comutateurs téléphoniques répondant aux besoins
du réseau du chemin de fer de l'Etat.
Description des Installations Téléphoniques
des Chemins de Fer de L'Etat
Dites de la "Gare Saint- Lazare" a Paris
par A. DAMOISEAUX, C. de VRIENDT, et R. BOUCHER
Le Materiel Tetephonique, Paris, France
Les installations téléphoniques des
chemins fer de l'Etat ont pour but de faciliter les communications
de tous genres nécessitées par l'exploitation du réseau
de chemins de fer qui forme un des monopoles de l'Etat Français
et qui couvre la partie occidentale de la France, comprise entre les
côtes de l'Ocean Atlantique et de la Manche, et deux lignes
qui seraient tracées l'une de Paris à Bordeaux et l'autre
de Paris à Dieppe. Cette partie de la France comprend les importantes
provinces de Normandie, de Bretagne et du Sud-Ouest ; elle est désservie
par un réseau très étendu de chemins de fer,
dont les lignes principales sont celles de :
Paris à Dieppe;
Paris à Rouen et le Havre ;
Paris à Granville et Saint-Malo;
Paris à Chartres, Le Mans, Renn es, Brest ;
Paris à Chartres, Angers, Nantes ;
Paris à Saumur, La Rochelle, Rochefort-sur-mer ;
Paris à Saumur, Niort, Bordeaux.
Les installations téléphoniques de la gare Saint-Lazare
relient entr'eux les services du réseau de chemins de fer qui
constituent la Direction
Générale, et dont les principaux sont :
Le Conseil d'Administration, la Direction, l'Exploitation, le Materiel
et la Traction, les Voies, Bâtiments et Constructions Nouvelles,
le Personnel, les Services Sociaux, Sanitaires et Hospitaliers, la
Police Générale du réseau, etc. à ces
départements généraux s'adjoignent les nombreuses
subdivisions et dépendances nécessaires au service immédiat
des grandes gares de Paris (Saint-Lazare SL, Montparnasse MP et Invalides)
et des nombreuses gares des environs de Paris, les magasins, les ateliers,
les dépôts de matériel et de combustibles, etc.
La plupart de ces services et dépendances sont désservis
par des postes réunis en de nombreux petits bureaux centraux
appelés "groupes" ou
"standards" (gares, dépots, ateliers, bureaux techniques
ou administratifs, laboratoires, magasins, etc.) reliés entr'eux
et aux grandes gares dont ils dépendent, par des jonctions
généralement à double sens, appelées jonctions
" privées" ; ces installations réalisées
progressivement par extensions et raccordements succéssifs,
constituent un réseau dans lequel la varieté et la complexité
des méthodes d'opération ne permettent pas d'obtenir
dans toutes les circonstances la rapidité et la sécurite
nécessaires à une utilisation réellement éfficace.
Les relations du chemins de fer avec les grands organismes de l'Etat
et avec la population sont assurées par le reliement des principaux
groupements de postes du chemins de fer avec les bureaux centraux
du réseau téléphonique de Paris, monopole de
l'Administration des P.T.T. et par des jonctions spéciales
reliant entr'eux les groupes de postes du chemin de fer.
L'Administration des chemins de fer de l'Etat est considérée
par l'Administration des P.T.T. de l' Etat comme un abonné
ordinaire à lignes groupées, dites lignes d'abonnement
ou lignes P.T.T. ; chacune de ces lignes donne a l'abonné la
disposition d'un poste normal ou d'abonnement.
D'autres postes des chemins de fer, en surplus des postes d'abonnement
et appelés postes "supplementaires" peuvent jouir
de l'accés au réseau de l'Etat ou P.T.T . moyennant
le paiement d'une redevance spéciale pour chacun d'eux.
Par éxtension, le terme "supplémentaire a été
appliqué non seulement a tous les postes d'abonnement et de
surplus pouvant correspondre avec le réseau P.T.T., mais encore
à la totalité du trafic de ces postes avec le réseau
P.T.T. et à toutes les parties des installations de l'abonné,
tableaux, commutateurs, lignes, jonctions, etc. pouvant être
mises en communication avec le reseau P.T.T.
On trouve ainsi clans le réseau téléphonique
du chemin de fer des postes "privées" pouvant communiquer
librement avec tous les autres postes du
chemin de fer, mais auxquels toute relation avec le reseau public
des P.T.T. est interdite et doit même étre rendue irréalisable
: des postes supplémentaires" pouvant communiquer non
seulement avec tous les autres postes du chemin de fer, mais encore
avec le réseau des P.T.T. ; les
communications échangées entre ces postes et le réseau
P.T.T. sont soumises à la même taxation que les communications
des postes normaux d'abonnes du réseau P.T.T.
Une distinction semblable est faite pour les jonctions reliant entr'eux
les groupes de postes du chemin de fer :
Les jonctions "privées" entre deux groupes ou standards
ne peuvent écouler que le trafic des postes privés et
des postes supplémentaires entr'eux, à l'exclusion de
tout reliement avec le réseau P.T.T.
Les jonctions "supplementaires" entre deux groupes OU standards
sont réservées au trafic des postes "supplémentaires,"
tant pour le service privé que pour le service avec le reseau
P.T.T.
Les principaux groupes du chemin de fer, et tout au moins ceux qui
comprennent des postes supplémentaires, sont reliés
aux bureaux centraux du réseau des P.T.T. par des lignes d'abonnement
ou lignes P.T.T., divisées elles-memes en :
- lignes spécialisées A à service restreint ;
(appels du CF vers P.T.T.:)
- lignes spécialisées B; (appels P.T.T. vers CF)
- lignes mixtes a service général (utilisées
dans les deux sens, et pour appels CF vers régional, interurbain,
etc. )
- lignes interurbaines entre le chemin de fer et le bureau interurbain
des P.T.T.
Les jonctions supplémentaires entre deux groupes ou standards
CF ne paraissent justifiées que si l'un des groupes, bien que
contenant des postes supplémentaires, n'avait pas de reliement
direct par lignes P.T.T. avec le réseau P.T.T. ; en réalite,
tous les groupes CF sont pourvus de lignes directes P.T.T. ;des jonctions
privées seraient donc suffisantes. Mais les jonctions privées,
dès qu'elles franchissent dans leur parcours une partie du
domaine public, donnent lieu au profit des P.T.T. , à une redevance
superieure à celle qui est due pour des jonctions supplémentaires
de même parcours. Le CF tire parti de cet avantage économique
en installant chaque fois qu'il est possible des jonctions supplémentaires,
qui peuvent d'écouler la totalité du trafic des postes
supplémentaires, lesquels ont également accés
aux jonctions privées, et des jonctions privées, ces
dernières étant les seules accéssibles aux postes
privés.
La réorganisation des services téléphoniques
des chemins de fer de l'Etat a été entreprise par "Le
Materiel Telephonique" pour la partie comprenant les groupes
de la gare Saint-Lazare et de la gare Montparnasse à
Paris ; sans rien modifier aux autres installations existantes, cette
réorganisation a pour but de transformer le réseau actuel
très disparate et très imparfait, en un réseau
homogène, equipe en système Rotary
7D, avec chercheurs sélécteurs à
un seul mouvement, enregistreurs et mécanisme d'entrainement;
lorsque ce réseau homogène sera terminé, tous
les postes du chemin de fer seront pourvus d'un numérotage
uniforme permettant a un poste quelconque d'atteindre automatiquement
un autre poste quelconque par une seule méthode opératoire
identique, en supprimant toute intervention manuelle tant au départ
qu'a l'arrivée, et toute subdivision de l'appel avec répétition
du signal de transmission ou d'envoi.
sommaire
La signalisation
ferrovière française
C'est lensemble des signaux conventionnels du réseau
ferré français, destinés à assurer la
sécurité des usagers du rail. Elle a été
créée en 1930 par l'adoption du Code Verlant et par
la mise en place graduelle, de celui ci, à partir de 1935.
Historiquement, chaque compagnie privée de chemin de fer avait
conçu et mis en uvre sa propre signalisation. Cependant,
pendant la première Guerre mondiale s'étaient multipliées
les interpénétrations de trains entre réseaux.
Il devenait donc nécessaire de créer une nouvelle signalisation
unifiée. Une commission est donc créée en mai
1926, sous la présidence d'Eugène Verlant, directeur
de l'exploitation du PLM.
La commission Verlant rend son rapport fin 1927. Le nouveau code des
signaux reçoit l'approbation du ministère des travaux
publics le 1er août 1930. La conversion au code Verlant ne fut
effective que fin 1936, sauf sur le réseau d'Alsace-Lorraine
où elle fut achevée plus tard, en raison du caractère
très particulier de la signalisation préexistante (signaux
de type allemand).
Le code Verlant a été très novateur, en proposant
quelques grands principes :
- large place accordée à la signalisation lumineuse
en block manuel, ce qui a permis de tester la visibilité des
signaux en vue de la mise en place du block automatique (mais celle-ci
-à 2 feux- n'a jamais été une étape intermédiaire
vers ce dernier- à 3 feux) ;
- signaux lumineux basés sur trois couleurs : rouge (arrêt),
jaune (ralentissement ou annonce d'arrêt), vert (voie libre).
Ce code des couleurs a été repris par nombre de compagnies
étrangères, ainsi que pour les signaux routiers ;
- simplification des signaux : n'est présentée que l'indication
la plus impérative (sauf dans certains cas).
Auparavant, l'indication d'ouverture des signaux pour
observation de nuit était le feu blanc, mais, avec le développement
de l'éclairage public, cette"couleur" subsiste uniquement
pour les refoulements ou les voies de service. On lui substitue la
couleur verte qui était dévolue à l'observation
de nuit des signaux d'annonce d'arrêt, constitués d'une
cocarde à damier vert et blanc, en forme de losange, et appuyés
par un contact fixe dit "crocodile". Donc de significations
concourantes, le feu vert et le feu rouge n'interdisaient pas, jusque-là,
de recruter des daltoniens (personnes atteintes de dyschromatopsie)
pour la conduite des trains contrairement à ce qui a pu être
avancé en relatant d'anciennes catastrophes ferroviaires.
L'implantation des signaux se fait normalement du
côté où les trains circulent : généralement
à gauche car les trains circulent le plus souvent à
gauche. Toutefois, en Alsace-Moselle (départements du Bas-Rhin,
du Haut-Rhin et de la Moselle), la circulation normale se fait à
droite et l'implantation des signaux est faite à droite. En
effet, cette région a été rattachée à
l'Empire allemand de 1871 à 1918. Comme les trains roulent
à droite en Allemagne, le réseau ferroviaire d'Alsace-Lorraine
a été modifié sur ce modèle. Après
retour à la France, l'essentiel du réseau était
construit, avec circulation à droite et en inverser le sens
s'est révélé trop coûteux, en particulier
dans les zones des gares.
Dans certains établissements ou sur certaines sections de ligne,
lorsque la configuration du lieu l'impose, les signaux peuvent être
implantés à droite. Ils sont alors équipés
d'une flèche blanche désignant la voie à laquelle
ils s'adressent.
Sur certaines sections de ligne à double voie équipées
d'une installation permanente de contre-sens (IPCS), la signalisation
est implantée normalement à droite pour les circulations
à contre-sens. Il n'est pas fait usage de flèches blanches.
En effet, le début d'une zone parcourue à contre-sens
est repéré par un tableau d'entrée de contre-sens
(TECS) qui, lorsqu'il est allumé, indique que les signaux suivants
seront placés à droite de la voie (à gauche pour
l'Alsace et la Moselle). De même, un tableau de sortie de contre-sens
(TSCS) indique le retour à la circulation sur la voie normale,
avec observation des signaux disposés du côté
normal.
Là où la circulation des trains se fait à gauche,
les signaux d'arrêt à main (drapeau rouge, jalon d'arrêt
ou lanterne à feu rouge) sont présentés à
gauche ou au centre de la voie concernée. Pour les voies desservant
un quai, ils peuvent être présentés côté
quai.
Le cantonnement s'appuie sur un découpage de la ligne
en cantons. Les cantons présents sur une ligne entre deux gares
font partie intégrante du système de block.
- Block manuel non enclenché : Pour des raisons de sécurité,
le block manuel non enclenché (ou block sans appareils) n'est
présent qu'en double voie ou sur les voies uniques à
faible trafic fret (VUSS et VUTR)
- Block manuel enclenché : Dans le cas d'une voie unique, des
enclenchements existent sur le block manuel (ou block avec appareils)
afin déviter une erreur aboutissant à un nez-à-nez.
- Blocks automatiques :
La différence fondamentale entre le block automatique et le
block manuel réside dans la détection ou comptage des
essieux, dans le premier cas, et dans l'observation de la queue de
train par un agent sédentaire, dans le deuxième cas
(Signalisation d'arrière).
Un train ne peut, normalement, pénétrer dans un canton
que si celui-ci est libre. Le canton est une section de voie, généralement
délimitée par des signaux, dont la longueur est fonction
de la distance d'arrêt ou de ralentissement d'un train, dans
les conditions les plus défavorables sur la portion de ligne
considérée. Lorsque la densité de trafic est
faible, les cantons peuvent avoir une longueur plus importante (entre
6 et 16 km en BAPR par exemple).
Dans les systèmes de signalisation du futur, les cantons seront
mobiles et suivront l'avancement du train (cantons virtuels, non matérialisés
au sol et calculés en permanence par un système intégré
sol-bord). Ceci permettra d'optimiser l'utilisation d'une ligne et
de rapprocher encore deux circulations successives. Ce système
est déjà en service sur le tronçon central de
la ligne A du RER entre Nanterre - Préfecture et Vincennes.
La signalisation classique est toujours existante mais éteinte
à l'approche d'un train dont le système mobile de signalisation
SACEM a été reconnu en état de fonctionnement,
et rallumée en cas de problème.
La signalisation actuelle, classique ou par Transmission voie/Machine
(TVM), permet déjà de réduire l'espacement entre
deux trains jusqu'à 2 à 3 min. Toutefois, c'est un délai
encore trop important sur les lignes les plus chargées (périurbain,
LGV). En comparaison, le cantonnement virtuel du RER A permet d'atteindre
un espacement de 90 s entre deux trains à pleine vitesse.
En général, la signalisation lumineuse comporte :
- un signal d'ouverture (couleur verte), signifiant que le canton
suivant est libre, et donc permet la marche normale ;
- des signaux d'avertissement ou de limitation de vitesse (jaune)
imposant au conducteur un ralentissement de son train et surtout d'être
capable de s'arrêter avant le signal d'arrêt annoncé
;
- des signaux d'arrêt (rouge) imposant l'arrêt annoncé
par l'avertissement.
Si la distance entre le signal d'arrêt et son avertissement
est trop courte (elle peut parfois descendre jusqu'à 400 m),
alors le signal précédent l'avertissement présente
un jaune clignotant pour informer le conducteur de cette courte distance
entre les deux signaux suivants.
Ces signaux sont complétés par des « tableaux
indicateurs » limitant la vitesse, des ordres de ralentissement
et de rappel de ralentissement pour accéder sur une voie déviée,
divers panneaux relatifs à la topologie des voies (numéro,
signalement d'impasses ou de garage), des signalisations de sectionnements
électriques, des numéros de canaux radio, etc.
...
sommaire
Avant de passer à l'étude des équipements de
téléphonie de Saint Lazare et Montparnasse, rappelons
les caractéristiques du Rotary 7D
C'est un prototype expérimental mis en service le 17 juillet
1937 à Angers, en vue d'équiper ultérieurement
la grande banlieue de Paris par la société LMT
(Seine-et-Marne, Oise...), mais n'est finalement pas retenu en France
par l'Administration des PTT pour déploiement en raison de
son coût. (ce centre d'Angers a été très
endommagé le 10 août 1944 par l'occupant allemand. Il
est remplacé en Octobre 1964 par du Pentaconta).
En revanche, il est retenu dès le début
des années 1930 par la compagnie
française de chemins de fer d'Alsace-Lorraine, pour
leurs réseaux de télécommunications internes,
notamment dans les grandes gares - Strasbourg étant
la première gare équipée ; il en est de même
pour la Compagnie des Chemins de Fer de l'État - Gares
de Paris Saint-Lazare, Montparnasse, le sujet qui nous intêresse.
(Le système ROTARY 7D est par contre massivement déployé
dans les campagnes de Grande-Bretagne ainsi qu'en Suisse et constitue
un meilleur produit que notre système automatique-rural R6
en déploiement dans nos campagnes à partir de 1935.
Le système automatique-rural R6 a même par la suite,
dans les années soixante, retardé l'automatisation totale
des provinces.
Par exemple, en 1968, est mis en service un centre automatique-rural
à Corté, dans le département de Corse... )
Ci-dessus : vue du Commutateur ROTARY 7D de la Gare de Paris Montparnasse
en 1935.
- Le système ROTARY 7D est pourvu d'enregistreurs.
- Les Commutateur ROTARY 7D sont de très-petite taille, entièrement
automatiques.
Le système ROTARY 7D est bien conçu pour être
installé dans les campagnes et pour regrouper en réseau
téléphonique entièrement automatique les petits
bourgs. Par contre, son prix de revient par abonné est élevé,
d'où son abandon par les autorités françaises
qui n'étaient pas prêtes à y mettre le prix.
- Le système ROTARY 7D est pourvu de Chercheurs rotatifs utilisés
aussi bien en tant que Chercheurs, qu'en tant que Sélecteurs
unidirectionnels.
- Les Chercheurs rotatifs ROTARY 7D comprennent 100 positions. (Chercheurs
probablement de Type 7002). Il s'agit du même modèle
utilisé que dans le ROTARY 7A1.
- En revanche, bien que le système ROTARY 7D utilise des organes
communs aux autres systèmes ROTARY 7, il ne s'agit en fait
pas d'un système à Impulsions de Contrôle Inverses,
mais d'un système très similaire à un système
pas à pas tel que le ROTATIF 1926 (R6) : il n'y a que des Impulsions
calibrées en durée par un système d'engrenages
à cliquet à 10 positions (en réalité 11
positions car 1 position est réservée à la maintenance
technique), délivrées par l'Enregistreur pour avancer,
mais il n'y a plus d'impulsions d'arrêt en tant que telles (dites
Impulsions de Contrôle Inverses).
Chercheur de lignes (Partie fixe). Chercheur de lignes (Partie
tournante)
Dans un bureau central semi-automatique, lorsque l'opératrice
a enregistré le numéro de l'abonné demandé
sur un clavier analogue à celui d'une machine à écrire,
la mise en relation de cet abonné avec l'abonné demandeur
se poursuit automatiquement par des commutateurs tournants que nous
décrirons plus loin.
clavier de l'opératrice
clavier de l'abonné
sommaire
Première partie GARE MONTPARNASSE
L'importance capitale des communications télphoniques entre
les postes d'un réseau de chemin de fer à grand trafic
éxige que ces communications, dans toutes les circonstances
qui peuvent se présenter, soient établies avec rapidité,
certitude et sécurite ; il semble qu'un bon moyen d'exposer
clairement les méthodes adoptées pour la réalisation
des installations des gares Saint-Lazare et Montparnasse soit d'en
analyser successivement tous les éléments ; c'est le
programme qui sera suivi clans cet article, dans lequel il est fait
usage des abréviations suivantes :
SL: Saint-Lazare;
MP: Montparnasse ;
PTT : Réseau Téléphonique de l'Etat, dans
la Région Parisienne;
CF : Réseau particulier des chemins de fer de l' Etat.
Les services interieurs de la gare MP sont assurés par 45 postes
privés et 15 postes supplémentaires; la gare MP est
reliée a la gare SL par 4 jonctions privées et 2 jonctions
supplémentaires, au réseau P.T.T. par des lignes P.T.T.
aboutissant au bureau central automatique (Rotary
7.A) "Littré", aux autres groupes
ou standards du CF par des jonctions privees et des jonctions supplémentaires.
Le service de la gare MP elle-même a été seul
englobé dans la transformation actuelle ; il est assuré
par un equipement automatique complet en relation directe avec le
groupe de la gare SL : une table manuelle assure le service de la
gare MP avec le réseau P.T.T. et avec les autres groupes C
F.
Postes privés avec lampes d'occupation :
Chacun des 45 postes privés est relié a l'automatique
seulement, mais il est representé a la table manuelle par une
lampe d'occupation et un jack individuel ; cette lampe s'allume aussitot
et reste allumée aussi longtemps que le poste est occupé
comme demandeur ou comme demandé.
Le poste privé n'a pas de lampe d'appel à la table manuelle
; ii ne peut appeler l'opératrice que par l'automatique, en
envoyant le N° 00 qui lui est assigné et qui ne
doit etre utilisé que par les postes MP; par contre, même
lorsqu'il est occupé, il peut etre appelé a tout moment
par l'opératrice, en service privé seulement. pour un
appel émanant d'un autre poste MP privé OU supplémentaire,
ou parvenant d'un autre groupe par une jonction privée.
Les postes privées MP ont accés par les sélecteurs
primaires (faisant fonction de finals) des cordons automatiques :
- aux postes privés et aux postes supplementaires MP, par l'envoi
du numéro de 3 chiffres du poste demandé;
- aux postes privés et aux postes suppéementaires SL,
par l'envoi du numéro de 3 chiffres du poste demandé,
l'appel utilisant automatiquement une jonction privée a double
sens MP-SL;
- à l'opératrice MP, par l'envoi du numéro 00
résérve à cette opératrice pour les postes
privés et les postes supplémentaires 'VIP' seulement.
Postes supplémentaires a double ligne
Le poste supplémentaire peut etre mis en communication avec
les lignes P.T.T. et avec les jonctions supplémentaires ; il
est relié au bureau central MP par deux lignes. à l'une
OU à l'autre desquelles il est rattaché par la manoeuvre
des clés dont il est pourvu, la ligne laissée libre
restant sur sonnerie.
La premiere ligne est la ligne privée, reliée exclusivement
à l'automatique comme la ligne d'un poste privé, mais
sans lampe d'occupation ni jack à la table manuelle ; la ligne
privée donne au poste supplémentaire les mêmes
facilités qu'au poste privé ; le poste supplémentaire
a donc accés automatique complet aux postes privés et
supplémentaires MP et SL, par l'envoi du numéro de 3
chiffres du poste demandé, et à l'opératrice
MP par l'envoi du N° 00.
La deuxieme ligne est la ligne supplémentaire, qui relie le
poste à la table manuelle oil elle est pourvue d'une lampe
d'appel et d'un jack individuels
; tout appel émis par le poste sur cette ligne ne peut etre
desservi que par l'opératrice MP, a déstination d'une
ligne P.T.T. OU d'une jonction vers un autre groupe CF.
Les dispositifs de la table manuelle sont tels que les lignes des
postes privés ne peuvent pas être reliées aux
lignes P.T.T. ni aux jonctions
supplémentaires ; par contre, aucune réstriction n'existe
pour les postes supplémentaires.
sommaire
Le diagramme de jonction de la fig. 1 représente dans
son état actuel l'equipement automatique du groupe MP.

Cet equipement comprend :
9 cordons formés chacun d'un chercheur d'appel et d'un sélecteur
primaire faisant fonction de sélecteur final ; les lignes des
postes privés et les lignes privées des postes supplémentaires
sont multiplées à la fois clans les arcs des chercheurs
d'appel et des sélecteurs primaires ; les 9 cordons sont désservis
par 3 enregistreurs avec chercheurs de cordon.
En même temps que les lignes des postes, 3 lignes provenant
de la table manuelle, ou elles sont pourvues de jacks individuels,
sont multiplées dans les arcs des chercheurs d'appel , tandis
que trois autres lignes, ahoutissant à la table manuelle ou
elles sont pourvues de lampes d'appel et de jacks individuels sont
multiplées dans les arcs des sélecteurs primaires ;
c'est la premiere disponsible de ces trois dernieres lignes qui est
atteinte lorsque le demandeur de M P envoie le N° 00 pour appeler
l'operatrice MP.
Enfin, clans l'arc des sélecteurs primaires des cordons sont
multiplées les jonctions privées à double sens
MP-SL ; la premiere disponible de ces jonctions est prise automatiquement
par un appel d'un poste MP envoyant le numero de 3 chiffres d 'un
poste SL.
Jonctions privees à double sens MP-SL
Ces jonctions écoulent le trafic entre les postes privés
et les postes supplémentaires des deux groupes et ne peuvent
pas être utilisées pour le trafic émanant OU à
destination du réseau P.T.T.
Chacune des quatre jonctions privées actuellement équipées
est pourvue d'organes d'inversion de sens ou d'aiguillage, d'alimentation
et de discrimination et se termine a un chercheur de sélecteur
final ; les nombres des jonctions privées, qui peuvent atteindre
6, et des sélecteurs finals entrants étant tres faibles,
ne justifieraient qu'un seul contrôle ce qui serait insuffisant
pour assurer la rapidité et la securité désirables
; aussi à sa partie entrante, la jonction se termine aux balais
d'un commutateur pas-a-pas qui recherche dans son arc un sélecteur
final disponible dans une section actuelle de sélecteurs finals
dont le contrôle est lui-meme disponible.
Ulterieurement, lorsque le nombre des postes du groupe MP depassera
90, il sera nécessaire de faire intervenir des sélecteurs
secondaires et des sélecteurs finals ; la jonction aboutira
aux balais d'un sélecteur secondaire qui sera raccordé
a un contrôle secondaire par un chercheur de jonction ; ce chercheur
de jonction sera le commutateur pas-a-pas utilise momentanément
comme distributeur de sélecteur et de contrôle finals.
Dans l'etat actuel, tout appel parvenant de SL par une jonction privée
recherche en premier lieu un sélecteur final entrant dont le
contrôle est disponihle ; dans les arcs des sélecteurs
finals entrants ainsi accessihles aux jonctions privees sont multiplées
les lignes des postes privées, les
lignes privées des postes supplémentaires et trois lignes
aboutissant à la table manuelle OU elles sont pourvues de lampes
d'appel et de jacks individuels ; ces lignes sont réservées
aux appels émanant des postes OU des opératrices SL
à destination de l'opératrice MP, appelée automatiquement
par l'envoi du N° 9 11 par le poste demandeur.
Au-dela de leur aiguillage, les jonctions privées sont multiplées
clans !es arcs des sélecteurs primaires des cordons automatiques
et peuvent ainsi écouler le trafic dans le sens MP-SL.
Jonctions supplementaires a double sens MP-SL
Ces jonctions écoulent principalement le trafic des postes
supplémentaires MP et SL entr'eux ; elles peuvent en outre
écouler le trafic de ces postes supplémentaires avec
le réseau P.T.T. ,mais ne peuvent en aucun cas être reliées
aux postes privés de ces deux groupes.
Un poste supplémentaire quelconque MP, après s'être
fait relier par l 'opératrice MP à une jonction supplémentaire
MP-SL, peut ensuite appeler, sans aucune autre intervention de l'opératrice
MP, un poste supplémentaire quelconque SL, en envoyant au moyen
du cadran d'appel le numéro de 3 chiffres de ce poste.
Chacune des deux jonctions équipées actuellement aboutit
directement à la table manuelle MP ou elle se termine par une
lampe d'appel et un jack individuels ; elle peut être mise en
communication directe, par un cordon manuel, avec la ligne supplémentaire
d'un poste supplémentaire quelconque MP, ainsi qu'avec une
jonction supplémentaire vers un autre groupe rattaché
à M P ou avec une ligne P.T.T. reliant la table manuelle MP
au réseau P.T.T.
La disposition des organes de la table manuelle MP (fiches, jacks,
des, etc.) interdit toute mise en communication des postes privés
avec les lignes P.T.T. et les jonctions supplémentaires.
Appel direct des opératrices SL par les jonctions supplementaires
Chacune des jonctions supplémentaires qui relient
M P a S L est pourvue à la table manuelle M P , d'un dispositif
d'appel direct qui permet à l'opératrice MP, par le
seul enfoncement d'une clé, de creer à SL un appel signalé
par le scintillement de la lampe d'occupation de la jonction ; en
service normal, cette lampe s'allume et reste allumée aussitot
et aussi longtemps que la jonction est occupée. Le dispositif
d'appel direct transforme les jonctions supplémentaires qui
aboutissent à SL en lignes d'ordre et facilite considerablement
le service des opératrices des groupes distants,chaque fois
que ces opératrices doivent recourir a l'intervention de leurs
collégues de SL ; il s'applique non seulement aux jonctions
supplémentaires M P-SL, mais encore aux jonctions supplémentaires
provenant des autres groupes distants.
Autres liaisons du groupe MP
Les lignes P.T.T. de la gare M P (lignes groupées) reliant
la gare MP au bureau urbain automatique (Rotary
7 A) "Littre" du réseau P.T.T.,
les jonctions privées et supplémentaires entre le groupe
M P et les autres groupes CF, les lignes autosélectives équipées
suivant le système "train dispatching" mais servant
exclusivement au service téléphonique comme des lignes
partagées OU "party lines" à appels directs
entre deux postes quelconques de la même ligne, aboutissent
exclusivement à la table manuelle M P ou elles sont désservies
par des procédés purement manuels ou semi-automatiques,
adaptés, à l'équipement manuel ou automatique
du groupe distant.
Faux-appels
Les dispositifs permettant de déceler les faux appels sont
les mêmes que ceux qui sont décrits dans la deuxieme
partie de cet article.
sommaire
Deuxième partie GARE SAINT-LAZARE
Equipement et Service Privé
Les vastes bâtiments de la gare Saint-Lazare à Paris
contiennent non seulement les bureaux et les dépendances du
chemin de fer dans la circonscription ou l'arrondissement dont elle
est le centre, mais encore la plupart des bureaux de la Direction
Generale des Chemins de Fer de l'Etat
pour toute l'étendue du réseau. Elle est pourvue d'un
bureau central téléphonique comprenant une partie automatique
et une partie semi automatique
; ce bureau est lui-même relié au réseau téléphonique
P.T.T. par des lignes P.T.T. spécialisées A, spécialisées
B , mixtes et interurbaines, et aux nombreux petits centraux désservant
les gares voisines, les dépots, les ateliers, les magasins,
etc., par des jonctions privées et par des jonctions supplementaires.
Parmi les lignes et jonctions, la plupart sont entièrement
métalliques à deux fils sans retour commun ni prise
de terre ; quelques-unes sont des circuits fantomes OU des circuits
a courant porteur; les jonctions privées et les jonctions supplémentaires
sont à double sens.
1. Equipement Automatique- (Fig. 2)
L'équipement automatique déssert exclusivement le trafic
privé du chemin de fer et ne peut en aucun cas intervenir dans
la mise en communication
d'un poste privé ou d'un poste supplémentaire avec une
ligne P.T.T. ou une jonction supplémentaire, ni inversement.
Postes privés
Les postes privés n'ont pas droit à la mise en communication
avec le réseau P.T.T. ; leur nombre qui peut être porté
à 466 est actuellement de 320.
Les lignes des postes privés les relient au bureau automatique,
sans aucune communication directe avec la table manuelle ; elles sont
divisées en groupes de 100 et sont multiplées dans les
arcs des chercheurs de ligne et des sélecteurs finals ; des
cordons, composés chacun d'un chercheur d'appel et d'un sélecteur
primaire et accéssibles à des enregistreurs avec chercheur
de cordon , assurent les communications demandées par les postes
privés.
Les sélecteurs primaires des cordons automatiques ont accés
sous le controle des enregistreurs :
- aux sélecteurs finals des postes privés SL et des
postes supplémentaires SL;
- aux jonctions à double sens de et vers la gare Montparnasse,
cette gare constituant le seul groupe distant actuellement englobé
dans la transformation des installations;
- aux sélecteurs finals des jonctions privées, des lignes
autoselectives et des opératrices SL.
Un poste privé SL peut ainsi atteindre directement :
- un poste privé SL ou un poste supplémentaire SL, par
l'envoi du numéro de 3 chiffres du poste demandé ;
- un poste privé MP ou un poste supplémentaire MP par
sa ligne privée, par l'envoi du numéro de 3 chiffres
du poste demandé ; la communication
occupe automatiquement une jonction privé disponible à
double sens SL-M P ;
- une opératrice M P , par l 'envoi du numero 9 1 1 utilisable
par les postes SL seulement ;
- une opératrice SL, par l'envoi du numero 00 utilisable par
les postes SL seulement ;
- l'opératrice d'un groupe manuel ou automatique distant relié
par jonction privée a SL, par l'envoi du numero de 3 chiffres
de ce groupe ;
- une ligne autosélective, par l'envoi du numero de 3 chiffres
de la ligne demandée, l'appel faisant intervenir une opératrice
SL, qui s'informe du numéro du poste désiré et
qui compléte la mise en communication.
Postes supptementaires
Les postes supplémentaires SL qui ont droit a la mise en communication
avec le réseau P.T.T. sont au nombre de 370 ; ces 370 postes
sont reliés
normalement à l'équipement automatique, mais 80 d'entr'eux
disposent en outre chacun d'une ligne spéciale d'appel individuel
le reliant à l'equipement semi-automatique.
Au point de vue du service prive, les deux catégories de postes
supplémentaires ne different pas entr'elles ; leurs lignes
divisées en groupes de 100 au répartiteur général
, sont pourvues à leur entrée au bureau central d'un
aiguillage constitué par un groupe de relais ; au-dela des
aiguillages, elles sont désservies par des chercheurs de ligne
qui leur cont reservés ; les chercheurs de ligne des postes
supplémentaires utilisent les mêmes cordons. les mêmes
enregistreurs et les mêmes sélecteurs finals que les
chercheurs de ligne des postes privés.
Les lignes des postes supplémentaires sont multiplées
dans les arcs des sélecteurs finals, comme les lignes des postes
privés, et dans les arcs des chercheurs de ligne des postes
supplémentaires; elles sont en outre multiplées dans
les arcs des chercheurs P.T.T. faisant partie de l'équipement
"supplementaire" ou P.T.T. Les postes supplémentaires
ont ainsi, pour le service privé. les mêmes facilités
que les postes privés.
Dans sa position normale, qu'il conserve aussi longtemps qu'une ligne
P.T.T. ou une jonction supplémentaire ne doit pas intervenir,
l'aiguillage de poste supplémentaire maintient la ligne de
ce poste en communication directe et exclusive avec l'equipement automatique.
Jonctions privées a double sens avec cadran d'appel
Les jonctions privées a double sens avec cadran d'appel relient
le groupe SL à des groupes distants dans lesquels il est fait
usage d'un cadran d'appel soit au poste demandeur, soit à la
table manuelle du groupe auquel ce demandeur appartient.
Ces jonctions sont multiplées d'une part dans les arcs des
chercheurs d'appel des cordons automatiques, d'autre part dans les
arcs des sélecteurs finals des jonctions ; elles sont representées
à la table manuelle SL par une lampe d'occupation et par un
jeu de clés individuels; la lampe d'occupation s'allume aussitot
et reste allumée aussi longtemps que la jonction est occupée
comme appelante ou comme demandée.
Jonctions privées a double sens SL - MP
Ces jonctions présentent la particularité de relier
entr'eux les deux premiers groupes équipes de l'ensemble homogène
que pourrait constituer ulterieurement le réseau téléphonique
des chemins de fer de l'Etat, tout au moins pour les circonscriptions
Saint-Lazare, Montparnasse et Batignolles.
La junction privée a double sens SL-MP est pourvue, à
son entrée à SL, d'un inverseur de sens et d'un pont
avec discriminateur, au-delà desquels elle aboutit d'une part,
pour le trafic entrant de Montparnasse. à un sélecteur
secondaire entrant avec contrôle a chercheur de jonction, et
d'autre part, pour le trafic de SL vers MP, dans les arcs des sélecteurs
primaires des cordons automatiques et des cordons semi automatiques.
Les sélecteurs secondaires entrants des jonctions ont accés
dans leur arc aux mêmes sélecteurs finals que les selecteurs
primaires des cordons automatiques, et ulterieurement aux jonctions
privées à double sens entre SL et les autres groupes
CF équipés en système
7D .
Le discriminateur de la jonction SL-MP intervient clans le cas suivant
: un poste MP veut atteindre un poste d'un groupe distant relié
à SL et équipé actuellement en système
automatique autre que le système 7D ; il envoie, a cet effet,
de M P , le numéro de 3 chiffres attribué au groupe
de destination et occupe une jonction MP-SL, le sélecteur secondaire
entrant de la jonction, un éelecteur final des jonctions, et
une jonction privée à double sens SL-groupe distant.
La capacité de numérotage étant épuisée
pour atteindre ainsi le bureau central du groupe distant, le demandeur
ne peut envoyer lui-même au moyen de son cadran le numéro
demandé dans le groupe de déstination. La lampe d'occupation
de la jonction SL-groupe distant s'allume à la table manuelle
SL, mais le discriminateur de la jonction y allume en même temps,
en la faisant scintiller. la lampe individuelle d'appel de la jonction
M P-SL ; l'opératrice SL intervient en actionnant la clé
de la jonction, s'informe du numéro désiré et
envoie ce numéro par cadran ; en même temps, elle "garde"
la jonction M P-SL et la ligne appelante pendant l'envoi et la sélection
du numéro demandé.
Faux-appels
Quelle que soit la cause d'un faux-appel sur la ligne d'un poste privé,
d'un poste supplémentaire ou d'une jonction privée aboutissant
au bureau automatique, la ligne ou la jonction défectueuse
est reportée sur le dispositif de faux-appels accessible aux
sélecteurs finals d'un des groupes (le moins chargé)
de postes privés et de postes supplémentaires.
Jonctions privees à double sens sans cadran d'appel,
avec ou sans priorité
Ces jonctions n'ont pas accés directement aux cordons automatiques
; pour les appels qu'elles émettent à destination de
SL, elles sont désservies
par les cordons semi-automatiques faisant partie de l'équipement
semi-automatique SL décrit dans un chapitre ulterieur ; par
contre, pour les appels qui leur sont destinés, elles sont
accessibles par les sélecteurs finals SL des jonctions privées.
Elles sont pourvues à la table manuelle SL de lampes d'occupation
et de jeux de clés individuels.
Lignes auto-selectives
Les lignes auto-selectives sont des lignes privées qui désservent
chacune une série de postes équipés en système
"dispatching" mais utilisés exclusivement pour le
service téléphonique; les appels, émis par ces
postes aussi bien que les appels qui leur sont destinés, font
intervenir l'opératrice SL qui complète la mise en communication
dans l'un ou l'autre sens; le système d'équipement permet
aux postes de la même ligne de communiquer entr'eux sans aucune
intervention intermédiaire.
Rupture différée des communications
La rupture différée présente une importance considerable
quand on tient compte du fait que parmi les nombreux groupes distants
reliés a SL par des jonctions privées, les uns sont
dits "bien desservis" parce qu'un operateur spécial
toujours présent assure au moment opportun la rupture des communications
et la liberation des organes et des jonctions, tandis que les autres
sont dits "mal desservis" parce que leur opérateur
est chargé en même temps d'autres fonctions telles par
exemple que la délivrance et le recolement des billets, l'enregistrement
des bagages, le télégraphe,etc.
Des jonctions et des organes pourraient donc être maintenus
occupés aprés la fin des conversations. Pour éviter
ce défaut, les cordons automatiques sont accompagnés
de quelques circuits de rupture différée composés
chacun d'un groupe de relais et d'un chercheur de cordon ; tout cordon
maintenu par une communication dans laquelle le demandé a raccroché
tandis que le demandeur ne raccroche pas, est recherché par
les circuits de rupture différée et est liberé
apres un délai determiné ; la jonction privée,
bien qu'elle reste engagée au point ou on a négligé
de la libérer, ne devient pas appelante, mais est bouclée
sur elle même et ne redeviendra disponible qu'après l'éxecution
des manoeuvres normales (retrait de fiche, relevement de clés,
raccrochage, etc.) de rupture et de liberation.
sommaire
2. Equipement Semi-Automatique (Service Prive- Fig. 2)
L'équipement semi-automatique de la gare Saint-Lazare intervient
clans le service privé pour etablir ou compléter les
mises en communication dans les deux sens, des postes privés
et des postes supplémentaires SL et M P d'une part, avec les
autres postes et groupes du CF, d'autre part, en utilisant les jonctions
privées de toutes catégories reliant ces autres postes
et groupes à SL ; il intervient egalement pour établir
les communications
emanant OU a déstination des postes des lignes auto-sélectives
reliées a SL.
L'équipement semi-automatique se compose de deux parties :
a) Une table manuelle a quatre positions d'opératrice,
à laquelle sont raccordées toutes les lignes et jonctions
pouvant ou devant recourir à l'intervention des opératrices
; les positions sont équipées exclusivement de cléss
et de lampes, l'Administration du CF de l'Etat rejetant formellement
tout emploi de cordons manuels, de fiches et de jacks pour ses installations
nouvelles. Les lignes d'appel des postes supplémentaires à
double ligne sont réparties également entre les positions,
tandis que les jonctions et les lignes auto-sélectives sont
multiplées sur les 4 positions;
b) Des cordons semi-automatiques, constitués comme des
cordons automatiques et comprenant chacun un chercheur d'appel et
un sélecteur primaire ; ces cordons, désservis par des
enregistreurs avec chercheurs de cordon, sont attribués en
nombres égaux à chacune des positions d'opératrice.
Leurs sélecteurs primaires ont accés aux mêmes
sélecteurs finals de poste et de jonction que les sélecteurs
primaires des cordons de l'equipement automatique.
Lignes d'appel des pastes supplémentaires SL à
double ligne
Ces lignes, dont le nomhre actuel de 80 peut être porté
à 100, sont réparties a raison de 20 par position d'opératrice.
Chaque ligne possède à la
position à laquelle elle est attribuée une lampe d'appel
et une de de "prise sur cordon " ; au-delà de la
clé, la ligne est multiplée clans les arcs des chercheurs
d'appel des cordons de la position.
Les lignes d'appel individuel des postes supplémentaires SL
ont pour but principal de permettre aux usagers de ces postes de confier
aux opératrices le soin d'établir les communications
qu'ils veulent obtenir.
Le scintillement de la lampe de la ligne signale l'arrivée
d 'un appel ; l 'opératrice, en actionnant la de de prise sur
cordon de la ligne, rend la ligne appelante dans les arcs des chercheurs
d'appel des cordons de sa position. Le cordon qui s'engage avec la
ligne appelante allume par scintillement sa lampe d'appel ; l 'opératrice
actionne la clé d'écoute de ce cordon , s'informe del
la emande et établit ensuite la communication désirée.
Jonctions privées à double sens avec cadran d'appel
Ces jonctions relient à SL de nombreux: groupes manuels et
quelques groupes automatiques (en systèmes pas-a-pas) , comprenant
de 30 a 50
postes et distants de 6 a 1 5 Km ; l 'équipement de ces groupes
a été établi pour leur capacité propre,
sans aucune prévision d'interconnexion automatique entre leurs
postes et les postes d'autres groupes sirnilaires.
Les jonctions privées avec cadran d'appel sont considérées
à leur arrivée à SL comme des lignes simples
de postes privés ; elles sont multiplées directement
clans les arcs des chercheurs d'appel et des sélecteurs finals
de jonction de l'équipement automatique ; elles ont donc accés
et sont
accessibles sans aucune intervention manuelle des opéatrices
SL, aux postes privés SL et MP, aux postes supplémentaires
SL et MP, aux jonctions privées de toutes categories et aux
lignes auto-sélectives. Chaque jonction privée avec
cadran d'appel est en outre representée par multiplage à
chacune des positions de la table manuelle SL, par une lampe d'occupation
et une de de prise sur cordon. La lampe d'occupation s'allume aussitot
et reste allumée aussi longtemps que la jonction est occupée.
Lorsque la jonction est disponible, et est demandée par l'intermediaire
de l'opératrice, celle-ci, par la clé de prise sur cordon,
la relie à un de ses cordons sur lequel elle envoie le courant
de sonnerie par la clé générale de sonnerie de
sa position ; à la réponse du poste demandé,
elle "rappelle" le poste demandeur par le même cordon
, au moyen du clavier et d'un enregistreur.
Il convient d'insister quelque peu sur ce mode de mise en communication,
dont le principe à servi de base a léelaboration des
moyens mis en oeuvre dans le service des lignes P.T.T. et des jonctions
supplémentaires. L'opératrice prend à sa charge
la communication qui lui est demandée,
et la renverse de sens : du demandé, elle fait le demandeur
en le reliant à un de ses cordons comme s'il était réellement
le demandeur ; on dit que l'operatrice, en actionnant la clé
de prise de cordon de la jonction, "crée un appel sur
la jonction" ; en fait, elle fait apparaitre la jonction demandée
comme si cette jonction était appelante, et se met en relation
avec l'opératrice distante pour obtenir le poste demandé
; dès que celui-ci répond, il se trouve relié
au cordon semiautomatique de l'opératrice SL comme s'il était
lui-même appelant. L'opératrice établit ensuite
la mise en communication comme si le demandeur vrai était demandé
par la jonction.
Jonctions privées à double sens, sans cadran d'appel,
avec priorité
Ces jonctions assurent un service très important, en reliant
à SL des groupes comprenant de 50 a 120 postes, situés
à des distances de 125 à 400 kilométres. Parmi
ces groupes, on peut citer notamment les gares de Rouen-136 Km, Le
Mans-211 Km, Caen-239 Km, Thouars-326 Km et Rennes-374 Km, qui figurent
parmi les plus importantes du réseau des chemins de fer de
l'Etat. Ces jonctions, par lesquelles aucun envoi par cadran ne peut
être fait actuellement sont multiplées directement dans
les arcs des chercheurs d'appel des cordons semi-automatiques et clans
les arcs des sélecteurs finals de jonction de l'équipement
automatique ; dès que l'Administration des CF le jugera utile,
elles seront munies de cadrans d'appel utilisant le courant alternatif
à 50 periodes pour l'envoi des impulsions d'appel, ce qui permettra
d 'établir des communications directes entierement automatiques
de poste a poste, entre les groupements dépendant de Saint-Lazare,
de Rouen, du Havre et des autres villes importantes du réseau
des chemins de fer.
Pour tous les appels qu'elles amènent, ces jonctions sont désservies
par les cordons semi-automatiques; le cordon semi-automatique qui
s'engage avec la jonction appelante allume sa lampe d'appel, qui provoque
l'intervention de l'opératrice SL par la clé d'écoute
de cordon.
Apres s'etre informée du numero demandé, l'opératrice
SL complète la mise en communication par clavier et enregistreur
; la communication est assurée pendant toute sa durée,
par le cordon semi-automatique et un des sélecteurs finals
de poste OU de jonction communs à l'equipement automatique
et à l'équipement semi-automatique.
Les appels à déstination des groupements désservis
par les jonctions sont établis par les cordons automatiques
ou par les cordons semi-automatiques et mettent le poste demandeur
en relation avec l'opératrice du groupement demandé,
sans aucune intervention de la table manuelle SL; chacune des jonctions
est representée à chacune des 4 positions de la table
manuelle SL par une lampe d'occupation et par une clé de prise
sur cordon.
L'intensité et la nature du trafic assuré par les jonctions
sans cadran avec priorité exigent qu'un demandeur qualifié
de SL ou MP puisse obtenir à bref délai une communication
urgente ou importante lorsqu 'il constate que ses appels automatiques
normaux aboutissent au signal d'occupation. Chaque jonction est pourvue
d'une de de priorité, que l'operatrice actionne lorsqu'elle
en est requise par le poste demandeur. qui a envoye le N° 00 ou
le N° 096 suivant qu 'il appartient au groupe SL ou au groupe
MP. La clé de priorite éteint la lampe d'occupation
de la jonction à Ia position à laquelle elle a été
enfoncée, mais laisse allumées les lampes d'occupation
de la jonction aux autres positions. D'autre part, la jonction des
sa prochaine libération. deviendra automatiquement appelante
à la position qui en a pris la priorité. Entretemps,
l'enfoncement des clés de priorité aux autres positions
n'a aucun effet ni sur la jonction, ni sur ses lampes d'occupation
, ni sur la priorité deja établie ; autrement dit, la
prise de priorité n 'est effective que pour la position à
laquelle la clé de priorité a été enfoncée
la première, et pour la durée seulement de l'engagement
de la jonction par l'appel pour lequel cette priorité a été
requise.
Jonctions privées à double sens, sans cadran et
sans priorité
Ces jonctions relient au groupe SL d'autres groupes de 30 a 50 postes
situés à des distances qui atteignent 60 Km ; elles
sont équipées et fonctionnent, sauf en ce qui concerne
la priorité. exactement comme les jonctions sans cadran avec
priorité : elles sont multiplées directement dans
les arcs des chercheurs d'appel des cordons semi-automatiques et dans
les arcs des sélecteurs finals de jonction communs a l'équipement
automatique et à l'équipement semi-automatique.
Elles sont multiplées à la table manuelle, à
chacune des positions de laquelle elles sont representées par
une lampe d'occupation et par une clé de prise sur cordon.
Un appel provenant d'une jonction allume les lampes d'occupation et
provoque l'engagement de la jonction avec un cordon dont la lampe
d'appel scintille. L'opératrice intervient par la clé
d'écoute du cordon et établit ensuite la communication
au moyen de son clavier et d'un enregistreur.
Un appel destiné a un poste du groupe distant occupe la jonction
soit par l'équipement automatique. soit par l'équipement
semi-automatique, et parvient à l'opératrice du groupe
distant.
Il convient de rappeler que dans l'annuaire téléphonique
des chemins de fer. et pour tous les groupes non encore équipés
en systeme Rotary 7D, le numéro du groupe seulement est mentionné,
et non les numéros individuels des postes du groupe.
Lignes auto-sélectives
Ces lignes dont la longueur varie de 30 a 170 Km, et qui desservent
chacune de 4 aà10 gares O U postes importants pouvant communiquer
directement entr'eux par leur ligne commune, sont pourvues à
chacune des positions de la table manuelle d'une lampe d'occupation,
d'une lampe
d'appel , d'une clé de prise sur cordon , et d'une de d'écoute
; quelques-unes des lignes autosélectives sont en outre pourvues
d'une clé de priorité.
Les lignes auto-sélectives sont multiplées d'une part
clans les arcs des chercheurs d'appel des cordons semi-automatiques,
et d'autre part dans les arcs des sélecteurs finals de jonction
communs à l'équipement automatique et à l'équipement
semi-automatique.
Un appel émis par un poste de la ligne autosélective
allume à la table manuelle les lampes d'appel de la ligne seulement
et les fait scintiller ; par la clé de prise sur cordon de
la ligne, l'opératrice reçoit la demande au moyen d'un
de ses cordons semi-automatiques et complète la mise en communication
par clavier et enregistreur.
Un appel à destination d'un poste d'une ligne auto-sélective
donne lieu à l'envoi du numéro de la ligne (et non du
poste désiré) et occupe par un selecteur final de jonction
le branchement sortant de la ligne, dont il allume simultanément
en permanence les lampes d'occupation et par scintillement les lampes
d'appel ; l'opératrice actionne la clé d'écoute
de la jonction et reçoit l'indication du poste desiré,
qu'elle appelle par code en manoeuvrant la clé universelle
autosélective de sa position, après avoir renversé
la clé d'écoute de la jonction ; aucun organe de I'équipement
semi-automatique proprement dit ne participe donc à l'établissement
de la communication.
La priorité appliquée aux lignes auto-selectives donne
les mêmes facilités qu'aux jonctions sans cadran avec
priorité.
Jonctions privées à double sens SL-MP
Ces jonctions sont representées aux positions de la table manuelle
SL par une lampe d'appel et une de d'écoute. La lampe d'appel
signale et la clé d'écoute relie a I'opératrice
SL tout appel émis par un poste MP a déstination d'un
autre groupe distant équipé en système automatique
(pas-a-pas) mais non encore incorporé clans la transformation
en Rotary 7D.
Les organes aiguilleurs de la jonction à son entrée
a SL, commandes par l'enregistreur du bureau d'origine de l'appel
MP, font aboutir directement l'appel à la ligne du poste demandé
si celui-ci fait partie d'un groupe équipé en systeme
Rotary 7D ; si le demandé fait partie d'un groupe équipé
en système automatique pas-a-pas, l'appel occupe une jonction
vers le groupe automatique distant ; la lampe d'appel de la jonction
scintille à la table manuelle SL ; l'opératrice se porte
en écoute. s'informe du numéro du poste demandé
et envoie ce numéro par cadran ; elle se retire ensuite de
la communication.
Le demandeur reçoit le signal de sonnerie ou le signal d'occupation
; la rupture et la liberation sont placées sous le controle
exclusif du demandeur.
Diagramme de jonction
La fig. 2 represente le diagramme de jonction assurant le service
privé automatique et semiautomatique du groupe SL. Pour des
raisons de clarté, on a separé dans les sélecteurs
finals les postes privés et les pastes supplémentaires
des junctions privées et des postes d'opératrice ; il
doit être bien entendu que le mode de selection controlée
utilisé clans le systeme Rotary 7D permet d'attribuer à
volonté les broches des arcs des sélecteurs finals à
des lignes individuelles, à des jonctions de toutes catégories,
aux postes d'opératrice et aux circuits de faux-appel.
Le diagramme ne fait aucune mention des lignes P.T.T. ni des jonctions
supplémentaires : il fait ressortir clairement l'impossibilité
de toute mise en relation d'un poste privé avec une ligne P.T.T.
ou une jonction supplémentaire et inversement.
sommaire
Troisième partie GARE SAINT-LAZARE
Equipement et Service "Supplementaires"
L'intensité du trafic de la gare Saint-Lazare avec le réseau
P.T.T. nécessite actuellement 35 lignes : 16 lignes spécialisées
A à service restreint, 16 lignes spécialisées
B, 2 lignes mixtes à service général, ces nombres
pouvant etre portés respectivement à 23, 23 et 3; de
plus, une ligne spéciale interurbaine relie la gare Saint-Lazare
au bureau central interurbain ; toutes ces lignes aboutissent à
un bureau central automatique ou manuel du reseau P.T.T. et sont appelées
"lignes d'abonnement" ou "lignes P.T.T. "
Les lignes P.T.T. sont concentrées sur un commutateur automatique;
mais les appels provenant du réseau P.T.T. a destination des
postes supplémentaires parviennent a une opératrice,
chargée principalement de diriger les appels vers leur destination,
l'abonné ou l'usager moyen des P.T.T. ne connaissant pas. dans
la plupart des cas, l'organisation interieure des services du chemin
de fer : bien que son organisation téléphonique
comprenne pour la gare Saint-Lazare seulement plusieurs centaines
de postes et de junctions de toutes categories, l'Administration des
C. F. de I'Etat, ne figure dans l'annuaire général du
réseau P.T.T. que sous quelques numéros seulement.
Un demandeur quelconque de réseau P.T.T. , pour atteindre l'Administration
des C.F. de l'Etat épuise la capacité de numérotage
OU de désignation verbale et se trouve dans I'impossibilité
d'appeler encore par un ou par plusieurs numéros succéssifs
de 2, 3 OU même 4 chiffres. le poste CF avec lequel il desire
correspondre.
L'opératrice CF, en recevant une demande amenée par
une ligne P. T.T. a destination d'un poste supplémentaire CF,
provoque le reliement de la ligne P.T.T. appelante à la ligne
du poste CF demandé ou qu'elle croit le mieux qualifié
pour recevoir la communication ; en cas de besoin, elle relie la ligne
P.T. T. appelante à une jonction "supplémentaire"
disponible vers le groupe CF distant qui contient le poste demandé.
Dans le sens inverse, les communications émanant des postes
supplémentaires CF a déstination des abonnés
du réseau P.T.T. peuvent être établies sans aucune
intervention de l'opératrice CF, par le reliement de la ligne
du poste CF demandeur à la premiere ligne P.T.T. disponible
; en cas de besoin, l'appel utilise une jonction supplémentaire
disponible entre le groupe CF d'origine et le groupe distant dans
lequel les lignes P.T.T. se terminent.
Les dispositifs mis en oeuvre pour assurer conformement aux réglements
en vigueur, et par des tables sans fiches ni cordons manuels le service
supplémentaire dans les installations des CF de l'Etat à
la gare Saint-Lazare sont exposés ci-dessous.
sommaire
1. Service des Lignes P. T.T. (Fig. 3)
Appel émis par un poste supplémentaire CF à déstination
d'un abonné du réseau P. T. T.
a) Le demandeur, qui est nécessairement titulaire d'un poste
supplémentaire SL, éffectue lui-même les operations
d'envoi du numéro demandé.
Le demandeur, relié normalement à l'équipement
automatique SL, envoie le numéro de deux chiffres 01 réservé
au reseau P.T.T. Au reçu de ce numéro, l'enregistreur
rend la ligne du demandeur appelante dans les arcs de chercheurs "supplémentaires"
qui terminent les lignes P.T.T. à leur entrée a SL.
Les nombres des postes supplémentaires CF (equipés 370;
prévus 470) et des lignes P.T.T. (equipées 34 ; prévues
50) nécessitent deux étages de chercheurs : des chercheurs
de ligne, par groupe de 100 postes et jonctions supplémentaires,
et des chercheurs d'appel individuels par ligne P.T.T.
La ligne du poste demandeur, rendue par l'enregistreur appelante clans
la centaine dont elle fait partie, est recherchée par les chercheurs
de ligne de cette centaine ; les chercheurs d'appel de toutes les
lignes P.T.T. disponibles sont mis en action, à la recherche
du chercheur de ligne qui s'engage avec la ligne du poste supplémentaire
demandeur. La rencontre et l'engagement de la ligne du poste supplémentaire
demandeur par les chercheurs
supplémentaires de ligne et d'appel actionnent l'aiguillage
de la ligne ; en fonctionnant, l'aiguillage déconnecte la ligne
du poste demandeur des broches des arcs des chercheurs de ligne de
l'équipement automatique privé ; les organes intervenus
de cet équipement sont aussitot libérés.
L'aiguillage est indispensable pour satisfaire à la condition
imposée par les réglements des P.T.T., qu'aucune partie
de l'équipement privé ne demeure en dérivation
sur une communication avec le réseau P.T.T.
Dès qu'il est en relation avec le bureau central P.T.T., (signal
de transmission ou annonce de l'opératrice suivant le cas)
le poste supplémentaire SL envoie par son cadran ou énonce
verbalement le numéro de l'abonne P.T.T. avec lequel il désire
correspondre.
La communication est établie sans aucune intervention de l'opératrice
SL ; la ligne P.T.T. occupée est signalée par l'allumage
de ses lampes d'occupation à toutes les positions d'opératrice
sur lesquelles cette ligne est multiplée.
b) Le demandeur, titulaire. d'un poste supplémentaire SL, charge
l'opératrice SL d'établir la communication.
Si le demandeur appartient à l'un des groupes SL ou MP, il
obtient l'opératrice SL en envoyant au moyen de son cadran
le numéro assigné a cette opératrice ; il peut
obtenir directement l'opératrice SL s'il utilise un poste SL
pourvu d'une ligne d'appel individuel (poste supplémentaire
SL à double ligne) .
Si le demandeur appartient à un autre groupe non équipé
en systeme Rotary 7D, il ne peut que faire intervenir l'opératrice
de son groupe ; celle ci se met en relation avec l'opératrice
SL par appel direct sur une jonction supplémentaire disponible.
L'opératrice SL, informée de la demande et du numéro
de poste demandeur, crée, par la clé d'écoute
dont chaque ligne P.T.T. est pourvue à la table manuelle, un
appel sur une ligne P.T.T. spécialisée A ou mixte disponible,
en reliant son poste a cette ligne ; au reçu du signal de transmission
ou de l'annonce de l'opératrice P.T.T., elle obtient par cadran
ou verbalement, suivant le cas, le poste P.T.T. demandé, qui
par le fait même devient le poste demandeur ; la ligne P.T.T.
utilisée et son chercheur d'appel sont d'autre part associés
a un des enregistreurs marqueurs J accéssibles aux lignes P.T.T.
; cet enregistreur est lui-meme relié au clavier par lequel
1'opératrice envoie le numéro du poste supplémentaire
demandeur.
L'enregistreur marqueur J ne provoque aucune sélection : au
reçu du numéro du poste supplémentaire SL demandeur,
il marque la centaine dont le demandeur fait partie comme seule existante
dans l'arc du chercheur d'appel de la ligne P.T.T. ; ce chercheur
d'appel se relie aussitôt au premier chercheur de ligne qu'il
atteint dans la centaine marquée. L'enregistreur J rend a ce
moment la ligne du demandeur "appelante" dans les arcs de
tous les chercheurs de ligne de la centaine, ce qui provoque la recherche
de cette ligne, son engagement par le chercheur de ligne atteint par
le chercheur
d'appel et finalement son reliement a la ligne P.T.T. utilisée
par l'opératrice pour atteindre le poste P.T.T. demandé.
Si la ligne du poste supplémentaire SL demandeur est libre
au moment ou elle est atteinte, son aiguillage est actionné
et le courant d'appel lui est envoyé par l'équipement
du chercheur d'appel ; la réponse du demandeur SL met ce dernier
en relation avec le poste P.T.T. qu'il a demandé.
L'operatrice SL et son clavier ont été libérés
aussitôt après l'envoi du numéro du poste supplémentaire
SL demandeur.
Si la ligne du poste supplémentaire SL demandeur est occupée
au moment ou elle est atteinte par la ligne P .T . T. , la rencontre
n'a aucun effet sur l'aiguillage et le courant d'appel n'est pas envoyé
; la lampe d 'occupation de la ligne P.T.T. vacille a la fréquence
du signal d'occupation. L'opératrice SL intervient en actionnant
la clé d'écoute de la ligne P.T.T.
Dans le cas OU l'occupation résulte d'une communication "locale"
ou "privée' ' en cours, l'opératrice ne reçoit
aucun signal , mais se trouve en écoute sur cette communication
et peut offrir la communication P.T.T.
Dans le cas OU l'occupation résulte d'une communication "P.
T. T." ou "supplémentaire" en cours, l'opératrice
reçoit un signal d'occupation interdictif et n'a aucune action
sur cette communication ; mais elle a toujours la ressource d'appeler
le poste supplémentaire SL demandeur par sa ligne individuelle
d'appel , s'il en possède une, et d'informer ce poste que la
communication P.T.T. qu'il a demandée est établie. Les
lignes individuelles d'appel, qui sont réservées aux
postes principaux de ]'organisation téléphonique du
CF, donnent a ceux-ci la possibilité d'être atteints
dans toutes les circonstances qui peuvent se présenter.
Appel émis par un abonné du reseau P. T. T. à
destination d'un poste supplémentaire P CF
L'appel est signalé aux opératrices SL par le scintillement
des lampes d'appel dont la ligne P.T.T. est pourvue aux positions
de la table semi-automatique sur lesquelles elle est multiplée.
En abaissant la clé d'écoute de cette ligne, une opératrice
SL se met en relation avec le demandeur et provoque le reliement de
la ligne P.T.T. .. un des enregistreurs marqueurs J associés
aux lignes P.T.T . ; elle envoie par clavier le numéro demandé
a cet enregistreur, qui marque la ligne demandée clans les
arcs du chercheur d'appel de la ligne P.T.T. et des chercheurs de
ligne du groupe de 100 lignes et jonctions supplémentaires
dont le poste demandé fait partie ; la communication s'établit
exactement comme si elle avait été demandée à
l'opératrice SL par le poste supplémentaire SL demandé.
Succession des appels constituant le trafic "supplémentaire"
avec les lignes P. T. T.
Les appels qui constituent le trafic "supplémentaire"
avec Jes lignes P . T . T . se divisent en deux categories :
a) Appels entrants ou sortants faisant intervenir l'opératrice
SL
Ces appels ne peuvent etre desservis que successivement, même
s' ils se présentent simultanement.
La succession est assurée par le mode d'interconnexion des
4 enregistreurs-marqueurs J : un enregistreur-marqueur J ne peut entrer
en action et ne peut actionner le chercheur d'appel de la seule ligne
P.T.T. à laquelle il est momentanément relié
et qui a été"prise" par l'opératrice
SL, qu'après la réception du l er chiffre du numéro
qui lui est envoyé par le clavier de l'opératrice ;
cette réception n'est elle-même accomplie qu'au moment
ou la touche de 1er chiffre se relève après avoir été
enfoncée. Non seulement, la probabilité du relevement
simultané des deux touches de 1er chiffre de deux claviers
est extremement faible, mais encore une épreuve de priorité
est imposée à l'enregistreur-marqueur J ' avant qu 'il
puisse influencer le chercheur d'appel auquel il est relié.
Si l 'opératrice A, en envoyant un numéro , maintient
enfoncée la touche de l er chiffre de son clavier tandis que
l'opératrice B plus rapide enfonce et laisse se relever entretemps
la touche de 1er chiffre de son clavier, l'enregistreur-marqueur engagé
par l'operatrice B prendra la priorité sur l'enregistreur marqueur
engagé par l'opératrice A; si même les deux receptions
sont exactement simultanées, les deux enregistreurs passeront
simultanément à la position de marquage mais subiront
une épreuve éliminatoire de mise en action des chercheurs
d'appel auxquels ils sont reliés.
b) Appels sortants émis directement par les postes supplémentaires
Ces appels provoquent la recherche de la ligne du poste demandeur
par les chercheurs d'appel et de ligne des P.T.T., mais ne font pas
intervenir les marqueurs J. Aucun mélange n'est à craindre
pour ces appels qui ont la même direction commune, le réseau
P.T.T.
sommaire
2. Service des jonctions Supplementaires (Fig. 3)
Les jonctions supplémentaires sont équipées de
la même façon que les lignes P.T.T . : chacune d' elles
aboutit aux balais d'un chercheur d'appel individuel ayant accés
dans son arc à des chercheurs de ligne disposés par
groupe de 100 postes supplémentaires et jonctions supplémentaires
; elles sont accéssibles en commun a des enregistreurs-marqueurs
J 1 avec chercheurs de cordon , similaires aux enregistreurs-marqueurs
J des lignes P.T.T.
Les enregistreurs-marqueurs J 1 désservent indifféremment
les appels émanant des jonctions supplémentaires, pour
lesquels l'envoi du numéro demandé est fait par cadran
au poste demandeur distant, et les appels pour lesquels l'envoi du
numéro demandé est fait par clavier, par l'opératrice
SL.
Les jonctions supplémentaires sont multiplées en totalité
a toutes les positions de la table semi-automatique, et sont pourvues
à chaque position d'un jeu de clés et de lampes.
Appel émanant d'une jonction supplémentaire à
destination d'un poste supplémentaire SL
Le numéro du poste demandé est envoyé par cadran,
OU est demandé verbalement a l'opératrice SL.
Dans le premier cas, envoi par cadran , I'enregistreur-marqueur J
1 reçoit le numéro demandé et marque la ligne
correspondante comme appelante dans les arcs du chercheur d'appel
de la jonction et des chercheurs de ligne disponibles de la centaine
qui la contient; il met en action le chercheur d'appel et les chercheurs
de ligne.
Dans le deuxieme cas, intervention de l'opératrice SL, l'opératrice
SL envoie par clavier à l'enregistreur j 1 le numero demandé
; les opérations se poursuivent comme dans le premier cas.
Appel émanant d'une jonction supplémentaire à
destination d'un abonné du reseau P. T. T.
Le demandeur, qui est nécessairement un poste supplémentaire
CF, envoie le N° 01 a l'enregistreur J 1, qui marque la jonction
comme appelante dans les arcs des chercheurs de ligne P.T.T. de la
centaine qui la contient ; les chercheurs P.T.T. de ligne de cette
centaine et tous les chercheurs d'appel des lignes P.T.T. disponibles
recherchent la jonction supplémentaire appelante.
Appel émanant d'un poste supplémentaire a destination
d'une jonction supplémentaire
a) L' appel est émis au cadran par un poste supplémentaire
SL.
L'enregistreur automatique, à la réception du numéro
de trois chiffres de la direction de destination, marque la ligne
du poste supplémentaire demandeur comme appelante clans les
arcs des chercheurs de ligne de la centaine qui la contient et dans
les arcs des chercheurs d'appel des jonctions disponibles dans le
groupe de jonctions de la direction demandée seulement. Les
opérations se poursuivent ensuite de la manière précédemment
décrite.
b) Le demandeur charge l'opératrice SL d'établir la
communication.
L'opératrice procède comme pour les appels à
destination des lignes P.T.T. ; elle choisit une jonction disponible
dans la direction demandée, obtient le poste demandé,
et envoie par son clavier le numéro du poste supplementaire
SL demandeur ; le chercheur d'appel de la jonction supplémentaire,
et les chercheurs de ligne de la centaine qui contient la ligne du
demandeur, recherchent cette ligne et la relient à la jonction
choisie par l'opératrice.
c) L'appel émane d'une jonction supplémentaire et est
envoyé par cadran .
Par suite de son engagement avec le demandeur, la jonction supplémentaire
appelante se relie a un enregistreur J 1 qui reçoit les impulsions
du numéro demandé envoyées par cadran : il marque
aussitôt la direction demandée comme appelante dans les
arcs des chercheurs de ligne disponibles de cette direction seulement.
La mise en communication s'établit par les chercheurs comme
dans les cas précédents.
Succession des appels constituant le trafic des jonctions supplémentaires
Les jonctions supplémentaires desservent des directions distinctes
; leur nombre est actuellement 18 et peut etre porte a 30, chacune
des directions
pouvant avoir un nombre quelconque de jonctions ; il est donc de toute
nécéssité d 'assurer la succession des appels
de façon que seuls soient mis en action les chercheurs d'appel
des jonctions de la direction demandée. Cette succession est
obtenue par l'adjonction à chacun des enregistreurs automatiques,
d'un distributeur, ces distributeurs etant conjugués entr'eux
de la façon suivante :
Le distributeur est un commutateur pas-a-pas a 11 positions, la première
marquèe N est la position normale ; les dix autres sont marquées
de 1 a 10.
commutateur à 11 positions
Dès que l'enregistreur s'engage avec une ligne appelante, son
distributeur est mis en action et tente de gagner sa position 10 ou
il s'arrête, s'il l'atteint, et ou il compléte les connexions
qui permettent a l'enregistreur de commander les organes de sélection
auxquels il est relié ; mais le distributeur ne peut franchir
aucune des positions intermediaires si un autre enregistreur a déjà
amené son distributeur à sa position 10. Si donc la
position 10 est occupée par un distributeur, un autre enregistreur
ne pourra amener son distributeur qu'à sa position 9 OU il
attendra que l'appel précedent soit écoulé par
l'enregistreur qui le dessert ; un 3eme enregistreur intervenant entre
temps arrêtera son distributeur a sa position 8 et ainsi de
suite ; 10 appels occupant simultanement 10 des 14 enregistreurs automatiques
améneront donc les distributeurs dans leurs positions l a 10,
et
seront ecoulés succéssivement, tous les distributeurs
en attente avançant d'un pas vers la position 10 qu'un seul
d'entr'eux peut occuper pour la durée de la sélection
seulement.
Le marquage des jonctions dans la direction demandée par chacun
des appels s'effectue par un seul faisceau de 30 fils correspondant
d'une part aux 30 jonctions supplémentaires prévues
et communs d'autre part aux 14 enregistreurs de l'équipement
automatique.
La rapidite du marquage et de la recherche de la ligne du poste supplémentaire
SL demandeur n'occasionne aucun retard appréciable dans les
mises en communication, même pendant les moments de grande activité.
sommaire
Une curiosité à la SNCF :
Le cadran SNCF
avec le chiffre 0.
Curieusement, la couronne comporte les lettres dont nous ignorons
tout de la signification :
- A associée au chiffre 2,
- B associée au chiffre 3,
- S associée au chiffre 4,
- M associée au chiffre 5,
- F associée au chiffre 6,
- R associée au chiffre 7,
- C associée au chiffre 8,
- MK associées au chiffre 9,
- K associée au chiffre 0.
Autours des années 1930, conçu aux USA par la Western
Electric, ce système permettait de communiquer par téléphone
en utilisant des lignes longues, de manière sécurisée.
Autrefois et jusque dans les années soixante, la SNCF utilisait
un système téléphonique qui lui était
propre pour communiquer notamment entre les gares et les multiples
postes d'aiguillage, qui alors nécessitaient la présence
permanente d'un agent sur place pour actionner l'aiguillage dont dépendait
chaque poste.
À partir de ce réseau téléphonique interne,
pouvaient s'appeler entre-eux : les gares, les postes d'aiguillage,
les mini-gares voire les postes de garde-barrières habités.
Aussi, les instructions, avis, avertissements étaient transmis
par ce réseau téléphonique interne à la
SNCF...
Le problème s'est alors très rapidement
posé de la fraude et de la sécurisation du système...
En effet, si un mauvais plaisant parvenait à se connecter sur
une ligne interne SNCF avec un téléphone à cadran
"normal" fourni par l'Administration des PTT, il pouvait
alors se faire passer pour n'importe qui et l'on peut imaginer les
risques de catastrophes suite à de mauvais canulars téléphoniques...
Il a fallu imaginer une solution de sécurisation des lignes
téléphoniques SNCF.
La solution pour les ingénieurs SNCF et Thomson-Houston
(sous licence de la Western-Electric Co) a été finalement
trouvée pour que si n'importe quel quidam se connectait sur
une ligne interne à la SNCF avec son téléphone
classique à cadran, il ne se passât rien : l'adoption
de téléphones pourvus d'un Cadran à rotation
lente et à logique de contact à 3 états, associés
à des commutateurs téléphoniques internes adaptés
à ce fonctionnement nettement complexifié.
En effet, entre l'adoption d'un fonctionnement fortement ralenti du
cadran et d'une logique de commutation basée sur 3 états
au lieu de 2, cela empêchait toute fraude extérieure
à la SNCF, en rendant systématiquement hors gabarit
les téléphones administratifs des PTT.
Cette solution technologique, en vigueur au moins dans les années
1930 jusque dans les années 1960 a ensuite été
abandonnée au fur et à mesure que les postes d'aiguillages
et les passages à niveau à barrières ont pu être
automatisés et commandés à distance.
Quant à la téléphonie interne à la SNCF,
elle est passée dans les années 1970 à la numérotation
à Fréquences Vocales, avec des fréquences et
des combinaisons qui lui sont propres (meilleure fiabilité
et stabilité de fonctionnement, meilleure sécurité
vis-à-vis de fraudeurs éventuels).
sommaire
TABLEAU DE NUMEROTAGE DES GROUPES "SAINT-LAZARE" et "MONTPARNASSE"
DES CHEMINS DE FER DE L'ETAT
Le numérotage général
est à 3 chiffres et comprend les numéros de
la serie 000 à 999;
il sera porté ulterieurement a 4 chiffres, de 0000
à 9999.
I - GROUPE SAINT-LAZARE
Postes supplémentaires........................... 120
à 499
Postes privés. ........................................500
à 839
Opératrices appelées de Saint-Lazare .................
00
appelées de Montparnasse ................................096
Réseau de l'Etat ou P.T.T. ................................
01
Jonctions privées sans cadran avec priorité
(grands circuits vers
Caen, Rouen, Rennes, Thouars,
le Mans, etc.)......................................... 020
à 027
Jonctions privées sans cadran, sans priorité
(petits circuits vers
Mantes, Versailles, Achères, etc.) ............035
à 040
Circuits autosélectifs équipes en train despatching,
vers Dieppe,
Mantes, Serquigny. etc.) ........................ 045
à 050
Jonctions privées avec cadran d'appel (Saint-Cloud,
Puteaux,
Clichy, etc. ).......................................... 055
à 085
Jonctions supplémentaires (Ministère des Travaux
Publics, Sénat,
Chamhre des Députés, etc.) ..................
100 à 117
Faux-appels. Les circuits de faux-appel occupent dans les
sélecteurs finals l'emplacement du numéro..........................................................
777
Dérangements ................................................
800
Service d'alarme, d'incendie, etc ..................... 500
|
2 - GROUPE MONTPARNASSE
Postes (privés et supplementaires) ······
900 à 909 ......... et ...............................................920
à 999
Opératrices appelées de Montparnasse par
l'envoi du N° 00 ............................ 911,
912, 913
des sélecteurs finals locaux appelées de Saint
Lazare par l'envoi du 0 ......................... 911,
912
des sélecteurs finals entrants
Opératrices de Saint-Lazare .........................
096
Le groupe Montparnasse étant établi pour une capacité
maximum de 100 lignes, toutes les directions, jonctions, postes,
etc., occupent un jeu de broches dans l'arc des sélecteurs
finals.
|
sommaire
Le développement des télécoms
de 1945 à 1968
Cette période correspond à une nette
modernisation du chemin de fer et à une expansion des télécoms.
Département Signalisation de la direction
des Installations fixes (N. d. l. R.).
La SNCF, paralysée dès sa naissance par la guerre, met
en place des structures unificatrices dont profiteront les télécoms.
Au début des années 1960, par exemple, M. Michaux, chef
de VZ (Département Signalisation de la direction des
Installations fixes ), décide la création dune
subdivision des télécommunications, la «
VZT », confiée à M. Bisot, brillant technicien
qui a déjà eu et aura une influence déterminante
sur les orientations principales ; parallèlement, VZ met en
place des règles unifiées de maintenance.
Comité consultatif international téléphonique
et télégraphique.
Les cadres et techniciens des débuts de VZ étaient largement
influencés par les réalisations des PTT, auxquelles
ils ont souvent participé (Paris-Lyon) ; ils ont également
reçu des compléments de formation en suivant les cours
professionnels de cette administration. La SNCF, de son côté,
organise un enseignement professionnel à différents
échelons, régionaux et centraux. Les constructeurs spécialisés
ont été regroupés par les PTT en groupements
: SOTELEC pour les transmissions et, de façon plus souple,
SOCOTEL pour la commutation. Cela permet de fixer des normes de compatibilité
et de qualité, en complément des normes internationales
du CCITT . Au contact des PTT et des constructeurs les agents de la
SNCF apprennent beaucoup, peuvent innover tout en défendant
nos points de vue spécifiques, économiques et techniques.
Nous aurons en effet besoin, assez souvent, de nous différencier
des PTT : particularités de notre exploitation, de notre organisation,
de notre environnement (perturbations électromagnétiques).
VZT sera donc amené, parfois, à faire un travail dinnovation,
utilisant même des techniques davant-garde.
Revenons à lhistoire. En 1945, la reconstruction
est une priorité absolue mais, en même temps, limmense
apport technologique dû à la guerre et lépanouissement
des études faites peu avant la guerre et pendant lOccupation
(coaxiaux, courants porteurs...) donnent un grand essor aux télécoms.
Cest la transmission qui est lavant-garde de la modernisation
et lélectrification de Paris-Lyon, terminée en
1952, en est une étape importante pour la SNCF et, même,
pour les PTT.
Pour mettre en câbles les circuits aériens
et accroître les capacités de la communication, PTT et
SNCF mettent en place une artère mixte à plusieurs câbles.
La nouveauté essentielle est constituée par deux câbles,
dits haute fréquence, pouvant, sur chaque circuit, recevoir
par modulation 24 et même 36 voies téléphoniques
(1 câble aller et 1 câble retour). Cest une première
pour les deux administrations qui fera longtemps référence
tant sur le plan technique que sur le plan « sentimental »
pour les acteurs de cette réalisation. Du fait de laffaiblissement
important des circuits HF (haute fréquence), des centres intermédiaires
damplification télésurveillés sont implantés
à intervalles réguliers. On les appelle, du fait de
leur aspect, les chapelles « Maillet », du nom du directeur
du service PTT des lignes souterraines à grande distance. Propriété
des PTT, elles sont maintenant détruites ou misérablement
abandonnées car des progrès ont permis leur suppression
et, par ailleurs, la SNCF a racheté la totalité des
câbles.
Laboratoire dessais de signalisation, dépendant
de VZ.
La deuxième étape importante est la traction électrique
50 Hertz qui, pour les essais en vraie grandeur sur Aixla-Roche-sur-Foron
réalisés en 1950, a mobilisé lensemble
de la division VZ et particulièrement les techniciens de VZT
aidés par le laboratoire de Saint-Ouen . Pourquoi ? La cohabitation
entre lélectricité industrielle et les courants
faibles de la signalisation et des télécoms a toujours
été difficile : induction électromagnétique
et électrostatique, dangers pour les équipements et
le personnel par élévation du potentiel notamment par
court-circuit. Avant la Deuxième Guerre mondiale, les chemins
de fer avaient déjà été confrontés
à ces problèmes. En effet, les réseaux Midi et
PO, pour alimenter les lignes électrifiées 1 500 volts,
avaient construit dans les Pyrénées et le Massif central
des usines hydroélectriques ainsi que des lignes de transport
triphasées en haute tension, notamment vers la région
parisienne. Ces lignes perturbaient les circuits téléphoniques
(tous en fils aériens), en cas de déséquilibre
entre phases, suite à un incident. Les ouvriers travaillant
sur les lignes aériennes risquaient lélectrocution
(et il y eut effectivement des victimes) et les opératrices
des centraux pouvaient subir de dangereux chocs acoustiques. Des essais
ont donc eu lieu dans les années 1930 et ont permis détablir
quelques normes valables en régime de court-circuit, le régime
normal des lignes triphasées étant en général
sans conséquences néfastes.
Avec larrivée de la traction monophasée,
le régime permanent devient dangereux, doù de
nouveaux essais, des études théoriques très poussées,
reprises sur le plan international par lUnion internationale
des chemins de fer et son équivalent télécoms,
le CCITT. M. Lemaire (futur directeur de lInformatique de la
SNCF) et M. Bisot ont conduit ces essais et ont rédigé
un document, le livre « jaune » de 1953, validé
par le CCITT. On y trouve les principes de protection des circuits,
des équipements et du personnel, le tout agrémenté
de calculs théoriques dun niveau élevé.
Ces principes ont été progressivement affinés
et complétés en fonction de lexpérience
acquise et ont permis aux agents spécialisés de VZT,
qui étaient pour la plupart des autodidactes, dacquérir
des connaissances pratiques et théoriques très approfondies
dans ce domaine. Leur niveau de connaissance est reconnu par les ingénieurs
des PTT qui leur font entière confiance et acceptent les conclusions
de leurs calculs qui permettent de protéger les circuits téléphoniques
contre les perturbations engendrées par nos lignes. Avec larrivée
des TGV (années 1980) les intensités ont augmenté
considérablement et VZT (M. Gourdon étant chef de la
division) a été ainsi amené à mettre au
point avec la direction du Matériel de la SNCF un nouveau système
dalimentation de la caténaire : le système dit
2 x 25 000 volts, qui a également permis une augmentation de
la puissance transportée.
A nouveau, de nouvelles études théoriques
et pratiques durent être entreprises et donnèrent satisfaction.
Après avoir relaté ces deux événements
importants, revenons à lévolution des systèmes
de transmission qui deviennent plus performants, plus miniaturisés,
moins gourmands en énergie. La technique des courants porteurs
à 12 voies a été privilégiée (systèmes
12 + 12). Cette technique correspondait à une norme PTT et
répondait bien à nos besoins dispersés et à
grande distance. Ces systèmes, dabord à lampes,
ont été transistorisés à partir de 1964.
Au début des années 1960, M. Laurent
(ex-ingénieur des PTT et bouillonnant didées)
propose, pour désenclaver Toulouse, la pose dun câble
monocoaxial assez différent des normalisations PTT et pouvant
transporter 300 voies entre Paris et Vierzon (câble enterré)
et 120 voies entre Vierzon et Toulouse (câble porté accroché
aux poteaux caténaires). Pour ce dernier, vraiment novateur,
la mise en service se fait sans histoire ; il connaîtra cependant
quelques problèmes par la suite, du fait des suspensions, des
soudures et, surtout, des plombs des chasseurs.
Cette réalisation économique permit
détoffer le réseau sud-ouest à un moment
où les besoins en circuits augmentaient et où les 12
voies sur fils aériens, pourtant très performants, de
ce réseau devenaient insuffisants. Par ailleurs, cette expérience
ouvrit la voie à ladoption, pour certains projets, de
la technique coaxiale avec un tube de faible diamètre acceptant
360 voies. Mentionnons enfin, pour mémoire, une liaison hertzienne
entre Béziers et Sète, sans développement ultérieur.
Cet essai était destiné à acquérir lexpérience
de cette technique pour les ingénieurs envoyés comme
conseils dans certains pays à faibles infrastructures.
Pendant ce temps, la technologie des câbles
évolue : une enveloppe daluminium est substituée
au plomb et présente une meilleure protection contre linduction
(1963, ligne Le Mans-Rennes), lisolement de lenveloppe
extérieure, jusque-là en chanvre goudronné (le
long des lignes 1 500 volts) et celui des conducteurs, en papier,
sont maintenant en matière plastique.
Abandonnons les transmissions pour aborder la commutation.
Son automatisation, largement entamée par les anciens réseaux,
est achevée par la SNCF. Le système Strowger disparaît,
le système R6, électromécanique, est largement
développé par nous et par les PTT, quelques Rotary subsistent.
Mais le grand événement de cette période est
la mise en place systématique de centraux automatiques de transit
quatre fils qui commutent les circuits sans péjorer leur qualité.
Cest M. Bisot qui en a été larchitecte
principal aux alentours de 1954 et qui a lancé la SNCF sur
cette idée, non encore prise en compte par les PTT à
cette époque : la commutation automatique, quatre fils, des
circuits.
Quelques explications : pour améliorer la qualité
des circuits interurbains, on les constitue avec deux fils pour le
sens aller et deux fils pour le sens retour, les répéteurs
étant unidirectionnels ; mais, à la traversée
des équipements de commutation, à lépoque,
on ramenait les circuits sur deux fils (aller et retour confondus),
doù une baisse de qualité. Une note de 1954 définit
de façon précise le fonctionnement du réseau
:
- plan de numérotation, calqué sur lorganisation
de la SNCF ;
- code de signalisation : codage des destinations de type télégraphique
dit « arythmique » par opposition au code PTT de type
« pseudo-analogique » ;
- affaiblissement (ou équivalent) défini selon les types
de liaisons (nationales, régionales, locales) de façon
à obtenir une qualité standard sur lensemble du
réseau, les autocommutateurs de transit pouvant insérer
ou non des cellules daffaiblissement pour réaliser cette
unification de la qualité.
Ce plan, à lépoque, nous a placés
nettement en avance sur les PTT qui ne pratiquaient pas la commutation
à quatre fils. Il a également accéléré
la modernisation du réseau par remplacement anticipé
de certains autocommutateurs inaptes à toute transformation,
et des commutateurs manuels. Cest également au cours
de cette période quapparaissent les L43,
assez semblables au R6 et finalement
peu utilisés, et les systèmes
Crossbar qui abandonnent les rotatifs au profit de matrices
électromécaniques.
Les téléimprimeurs sont, de leur côté,
organisés en un réseau inter-automatique avec des liaisons
sur courants porteurs (télégraphie harmonique à
50 et 110 bits par seconde). Le réseau, développé
à partir de 1960, comptera à son plein développement
(après 1960) 300 terminaux SAGEM et sera desservi par 5 centres
de transit et 34 satellites. Il disparaîtra à la fin
des années 70 avec la montée en puissance du réseau
de téléinformatique.
Quittant le domaine « terrestre », voyons
ce que devient la radio après 1945.
En gros, elle concrétise les nombreux essais davant-guerre.
Les triages et les grands centres dexploitation sont équipés
peu à peu de réseaux divers : liaisons entre la bosse
et les machines, entre la bosse et les caleurs dans les triages, formation
des trains, etc. Ce développement est facilité par la
miniaturisation des postes, tant mobiles que portables, grâce
à la transistorisation, laquelle diminue également le
poids des alimentations. Toutefois ces postes les portables
sont parfois reçus assez brutalement par les agents
et leur fiabilité en pâtit, ainsi que la recharge des
batteries qui est plus ou moins « sabotée ». Cela
disparaîtra peu à peu ! En même temps, VZT est
obligé de ferrailler avec les PTT, distributeurs exclusifs
des fréquences à cause, essentiellement, de lesprit
monopolistique du ministère dalors. La situation a bien
changé depuis, peut-être trop, à mon avis ! car
on risque, à moyenne échéance, une certaine anarchie
dans le domaine hertzien malgré lélargissement
des bandes de fréquences utilisables et les progrès
obtenus dans la compression des informations.
Bien que la SNCF soit attributaire exclusive de plusieurs
gammes de fréquences, nos besoins croissants après 1970
sont difficiles à faire entrer dans ces gammes et, même,
notre exclusivité sur certaines gammes est parfois remise en
cause. Heureusement, grâce à lesprit de conciliation,
à notre niveau, de nos homologues PTT, tout sarrange.
Deux réalisations remarquables marquent particulièrement
cette période.
Sur la ligne Paris-Lille on installe, à lintention
des voyageurs, une liaison téléphonique publique desservie
par le wagon-bar, cest une réussite technique mais peu
rentable (1959-1974). A la même époque, sur la ligne
Dôle-Vallorbe, à loccasion de la modernisation
de la ligne, on teste un couplage basse fréquence entre une
ligne bifilaire supportée par les poteaux caténaires
et les machines (1965-1977). Pour conclure cette période, des
systèmes de surveillance par télévision de passages
à niveau télésurveillés commencent à
être installés (1959-1960).
sommaire
sommaire
Le développement des télécoms
de 1969 à 1983
On entre dans lère du numérique
qui, à la fin de cette période, aura conquis tous les
secteurs.
Dès que les constructeurs eurent maîtrisé la modulation
par impulsion codées (MIC),
la SNCF, devançant les normes internationales, lance une commande
pour en équiper la Petite Ceinture. Pour cela revenons en arrière.
Fin des années 1950, début des années 1960, un
câble BF est posé entre les gares parisiennes le long
de la Petite Ceinture. Dix ans plus tard, le câble est saturé,
M. Laurent et M. Bisot optent alors pour un système numérique
à 36 voies. Les résultats sont bons mais, hélas,
le CCITT impose une norme à 30 voies (TN1) et, plus tard, à
120 voies (TN2).
Malgré cela, le MIC
(à 30 voies de base) va peu à peu simposer à
la SNCF par sa facilité dinstallation, sa modularité,
sa qualité de transmission même sur des circuits de caractéristiques
moyennes. Ce câble de la Petite Ceinture est à lorigine
dun incident mettant en cause un excès de centralisation.
Il supportait, en effet, la plupart des circuits de téléinformatique
issus des ordinateurs dAuteuil, or il fut coupé et noyé
au cours des travaux de réfection du tunnel de Belleville,
et la Résa (système électronique de réservation
des billets et des places) fut arrêtée pendant deux jours
en 1973. Signalons, dans le même esprit, que peu de temps auparavant
(1972) un incident encore plus grave avait affecté la Résa.
Lalimentation des ordinateurs centraux fait, en effet, partie
des attributions de VZT. Cest un système très
sophistiqué qui permet une alimentation sans coupure, même
de lordre de la microseconde, à partir dune chaîne
de redresseurs et donduleurs (ces derniers étant à
lépoque des alternateurs), encadrant des accumulateurs.
Or, au cours des travaux, du plâtre, échappé dune
brouette, a causé des dégâts considérables
à une partie de cette chaîne et la Résa fut arrêtée
pendant une semaine !
Revenons à la transmission : devant laccroissement
des besoins (transmission de données notamment) VZT, avec laide
des constructeurs, se préoccupe de revaloriser des câbles
anciens situés sur des axes importants. Ainsi naît le
120 voies analogique par « dépupinisation » et
rééquilibrage de circuits BF, avec insertion de répéteurs
intermédiaires enterrés et téléalimentés.
Sur dautres axes non encore équipés et où
les besoins prévisibles sont importants, on pose des coaxiaux
à 360 voies.
Cest au cours de cette période que naît
le projet TGV Paris-Lyon, décidé en 1974. Les besoins
en circuits sont importants et leur sécurité est primordiale.
Il a donc été réalisé une entraide automatique
entre les câbles de lancienne ligne Paris-Lyon (système
analogique à 120 voies) et ceux de la ligne TGV (MIC TN2 120
voies, en 1981-1983). A ce propos, encore une anecdote : jai
retrouvé, datant des années 1960, une étude pour
un TGV Paris-Lyon ; il était à voie unique avec propulsion
par turbine à gaz, et tous les circuits étaient contenus
dans un câble à 7 quarts (28 fils) ! Enfin, pour sécuriser
nos liaisons parisiennes et accroître nos possibilités,
des câble SNCF sont posés à travers Paris dans
des conduits PTT (1975, équipement en TN2).
Nous avons évoqué plusieurs fois la
pression exercée par laccroissement des besoins en transmissions
de données (téléinformatique). Cela a commencé
vers la fin des années 1960 avec létude et la
mise en place de la GCTM (gestion centralisée du trafic marchandises)
suivi de la Résa (1971-1972). VZT est chargé de la partie
« transmission » proprement dite du réseau de téléinformatique,
à lexclusion des ordinateurs de traitement et des nuds
du réseau (concentrateurs diffuseurs, commutateurs de paquets...).
Deux problèmes se posent : il faut dabord trouver les
lignes et les équipements de transmission pour véhiculer
les données, ce qui a conduit à investir rapidement
et de façon importante dans le réseau de transmission
(câbles et équipements porteurs). Ensuite, il a fallu
approvisionner des quantités considérables de modems
(plusieurs milliers).
Ces modems servent dinterfaces entre les messages
codés issus de linformatique et le système de
transmission qui obéit à ses propres normes. Ils devaient,
selon les liaisons, selon les applications, travailler à différentes
vitesses mais toujours à des vitesses nettement supérieures
à celles du réseau de téléimprimeurs :
600 bits par seconde, 1 200, 2 400, 4 800, 9 600 et, sur de courtes
distances, 64 000 bits/sec. Cest M. Canolle, alors en charge
de VZT, qui eut à faire face à la préparation
de projets considérables, à en gérer les dépenses
et, surtout, à en coordonner les mises en uvre et à
assurer les livraisons en temps utile. Cela, souvent, en des délais
très courts et sans pouvoir respecter les plannings établis
à lavance par les utilisateurs. En passant au-dessus
des règles classiques de gestion, VZT a ainsi été
amené à prélever du matériel acheté
sur un projet pour linstaller au titre des autres projets, etc.
VZT a également été obligé
de constituer des réserves plus ou moins officieuses de modems
pour répondre à des besoins urgents et, parfois, pas
encore financés par les demandeurs ; on a ainsi parlé
de « murs de modems », soi-disant en surplus mais qui
se résorbaient très vite, y compris leur financement.
M. Canolle était donc une sorte de chef régulateur au
centre dun trafic très perturbé, non pas de trains,
mais de matériels et de crédits. Ce réseau a,
de plus, évolué fréquemment, passant dune
configuration plutôt centralisée à une configuration
décentralisée avec des étapes plus ou moins longues
et « il fallait suivre ». Pour ajouter aux difficultés,
quelques rêves de conquête des télécoms
par le service de lInformatique ont germé dans certains
esprits, heureusement vite calmés par la hiérarchie.
Inutile de préciser que les effectifs de VZT avaient augmenté
pour atteindre 80 puis 100 et même 120 agents.
Lautre événement important de
cette période a été ladoption de la commutation
électronique puis temporelle.
Dès le début des années 1970, les petits centraux
sont modernisés par ladoption de matériels électronique,
les TLC101.
Depuis 1976, des autocommutateurs électroniques à
commutation temporelle ont été retenus à la SNCF
pour léquipement des centres de transit du réseau
national et pour celui des centres de transit des régions (dits
centres nodaux).
A lopposé de la gamme, lautocommutateur de la direction
générale (plus de 4 000 abonnés) est équipé
dun tout nouveau système : le
métaconta (1977).
Les matrices électromécaniques miniaturisées
de connexion du Crossbar
ne sont plus commandées par des ensembles de relais (les enregistreurs)
mais par un ordinateur qui gère intégralement chaque
communication.
Cet autocommutateur, très important, mais uniquement local,
dut évidemment être relié au réseau automatique
national et, de ce fait, il fallut renforcer les équipements
parisiens de transit, arrivés à la limite de leur capacité.
Pour les remplacer, un appel doffres est lancé et un
système tout nouveau (le système temporel) est proposé
par Jeumont Schneider pour un prix très avantageux. M. Gourdon,
après une étude approfondie, donne un accord à
son principe technique. Cet accord était pour lépoque
très audacieux car, si les PTT avaient déjà lancé,
sous légide du CNET, la construction de plusieurs centraux
temporels de type urbain, mais qui nétaient pas
encore vraiment opérationnels, ils navaient pas encore
lancé les études pour des transits 4 fils de type temporel.
Quelques mots, très simples, sur ce matériel qui a achevé
la numérisation totale de la chaîne télécom
(à lexception toutefois de la radio et de la TV qui y
viendront plus tard). Dans ces matériels, la parole est numérisée
selon les principes du MIC,
chaque séquence numérique est accompagnée dun
code de destination, et un ordinateur, à travers une grille
entrée-sortie, trie ces séquences.
Nallons pas plus loin, en revanche soulignons que le pari de
VZT fut gagné sans difficulté, que les économies
réalisées furent rapidement récupérées
par la direction générale et quune économie
notable en encombrement évita des remaniements importants des
locaux. Ces centraux temporels sont, depuis lors, la référence
quasi unique en matière de commutation.
sommaire
Réseau téléphonique interautomatique de la SNCF.
et Artères en câbles. Document SNCF
sommaire
Et maintenant, que devient la radio ?
Elle conquiert définitivement le domaine des liaisons «
sol-trains », vieux rêve des cheminots.
Au début des années 1970, en Maurienne, le service du
Matériel est confronté, sur un parcours à forte
déclivité, à des problèmes de communication
entre la machine de tête et la machine de queue. Après
étude, le Matériel décide de relayer linformation
radio entre les deux machines par des stations fixes réparties
le long de la ligne. Cette idée est reprise de manière
plus complète par la direction du Transport pour relier les
trains, entre eux et à la régulation ; elle charge alors
en 1975 VZT den mener à bien létude et la
réalisation. Larchitecture générale est
axée sur une liaison filaire entre le PC (poste de commandement)
et des stations émettrices-réceptrices réparties
le long de la ligne, lesquelles conversent avec les mobiles (une fois
de plus je mabstiens daller plus loin dans les explications).
Dans ses principes, létude menée par VZT sinspire
des essais de Maurienne et des essais assez avancés, eux aussi,
des chemins de fer allemands. Cette dernière référence
est importante car lUIC, voulant développer en Europe
un système unique, soriente vers la normalisation allemande.
M. Gentil, directeur général, soutient énergiquement
le projet et décide en priorité léquipement
de laxe Paris-Marseille, précédé de léquipement
de deux lignes de banlieue, Paris-Roissy (alors en cours de construction)
et Paris-Versailles (en cours de modernisation). Comme toujours, on
doit affronter une contrainte fréquente, les délais
sont imposés a priori, alors quon perd du temps en parlotes
administratives sur des détails, ce qui réduit le délai
laissé aux réalisateurs. Dans ce cas, il a fallu, de
plus, faire appel à une entreprise étrangère,
les constructeurs français ayant « boudé »
laffaire. Par ailleurs, la prospection permettant limplantation
des stations fixes a obligé VZT à mettre au point des
techniques, des matériels, des wagons spécialisés.
Finalement et sur les « chapeaux de roues », en travaillant
parfois de nuit, les délais ont été tenus sur
les deux lignes de banlieue. Le jour J (1976), sur Paris-Roissy la
radio a joué un rôle important en maintenant la liaison
avec le train inaugural (avec un ministre à bord) bloqué
par les grévistes dune imprimerie. Pour Paris-Marseille,
la tension a été moindre mais on a rencontré
quelques difficultés dinterférences avec la TV
publique. En effet, bien que les fréquences utilisées
(de lordre de 500 Mégahertz) soient exclusives dans lespace
français comme européen, nous brouillons des téléviseurs,
dans certaines zones, et cela parce que ces récepteurs ont
une bande passante beaucoup trop grande pour des raisons économiques.
Au nom de nos bons rapports traditionnels avec lORTF nous compatissons
à leurs problèmes et, officieusement, nous les aidons
à mettre en place quelques réémetteurs supplémentaires.
Parmi les réalisations qui ont suivi, citons
la ligne TGV Paris-Lyon où les essais des prototypes TGV ont
sérieusement compliqué la mise en service, par suite
de reconfigurations incessantes des liaisons. Cependant, en 1981,
le jour de linauguration, sous un orage terrible, cette radio
parfois décriée pour sa simplicité a été
la seule liaison entre le président de la République
et lÉlysée, les avions relais nayant pu
décoller. Le « comique » de la situation fut ce
fil volant posé en catastrophe à Paris (station de répéteurs)
entre la baie radio et la baie donnant accès au réseau
public vers lÉlysée. Avant de quitter la radio,
disons quà la fin des années 1970 il y avait plus
de 8 000 postes dans les services dexploitation. A noter quau
fil des commandes il était souvent difficile de faire comprendre
les différences de prix entre un poste fiable à 70 %,
par exemple, et un poste fiable à 95 %, entre un poste «
jouet » et un poste « professionnel ».
En liaison avec la modernisation des lignes de banlieue
vers Roissy et Versailles, on développe la surveillance des
quais par les mécaniciens à laide de caméras
donnant une image TV au droit de la cabine de conduite. Plus tard,
au début des années 1980, limage est ramenée
en cabine à laide dune antenne fixée sur
les traverses (banlieue sud-ouest). Dans le même temps se développe
léquipement des quais et des gares en téléaffichage
à lintention des voyageurs. Un appel doffres général,
trop ambitieux, fut même lancé à linstigation
de la direction générale pour équiper 40 gares
: il ne fut jamais entièrement réalisé. Ces systèmes
de téléaffichage ont donné lieu à des
polémiques passionnées en ce qui concerne le choix du
matériel : palettes éclairées par la lumière
naturelle et parfaitement visibles même en plein soleil (ce
qui était lobjectif poursuivi) ou TV plus souple, plus
économique, surtout plus à la mode, mais dont la faible
luminescence ne peut lutter contre la lumière ambiante. Autre
sujet de polémique qui dure toujours : la mauvaise qualité
de la sonorisation qui ne peut réaliser ses objectifs quavec
une bonne formation des « speakers » et une multiplication
considérable des sources sonores (cest donc coûteux
!).
En conclusion de lhistoire de cette période
fertile en innovations et en développements de technologies
de pointe, mentionnons, au début des années 1980, lapparition
des fibres de verre et le début des études sur les commutateurs
multiservices, deux techniques qui vont se développer après
1983.
sommaire
Les télécoms de 1983 à 1990
Commençons par les fibres de verre que lon
peut considérer comme lévolution technologique
majeure de cette fin du xxe siècle. Elles ont dabord
été testées, dès 1981, sur des applications
réduites : report dune image TV dun PN télésurveillé
au PN surveillant (1re réalisation à Ancenis). De façon
plus ambitieuse, avec différents constructeurs, des essais
de transmission de codes numériques, avec ou sans régénérateurs
dimpulsions, ont été menés de 1980 à
1983 et la première liaison à moyenne distance, strictement
expérimentale, a été faite sur la ligne Grenoble-Moirans
(1983-1984) où, sur une vingtaine de km, des fibres de verre
ont été insérées dans un câble classique.
Dès le démarrage, un grand débat a agité
les industriels et les utilisateurs sur la constitution interne des
fibres : gradient dindice ou saut dindice, choix de londe
porteuse, fibres de type multimode ou monomode. Un pas important a
été franchi avec lélectrification Moret-Nevers,
le câble télec choisi est en effet de type composite,
cest à dire quil contient des fibres de verre équipées
en MIC (1986), ce qui a permis de tester par bouclage des liaisons
de 500 km. Depuis lors, les fibres sont normalement utilisées
dans toutes les mises en câbles nouvelles et à la fin
des années 1990 on compte plus de 5 000 km de fibres (pour
mémoire, le réseau télec comptait à la
même époque plus de 20 000 km de câbles).
Pendant ce temps, les PTT, très préoccupés
par laccroissement considérable du nombre dabonnés
et, en revanche, assez riches en liaisons à grande distance
(faisceaux hertziens et câbles coaxiaux) utilisent plutôt,
à cette époque, des fibres optiques sur de courtes liaisons
et se sont donc provisoirement faits distancer par la SNCF, pour la
maîtrise des liaisons interurbaines.
Deuxième développement important : les
autocommutateurs multiservices (AMS).
Les / autocommutateurs privés multiservices, ou AMS / représentent
/ cette génération qui va supporter l'entrée
du RNIS. L'AMS offre plusieurs types de fonctions : il prend en compte
l'information sous ses diverses formes (voix, données, images
numérisées). Services téléphoniques, de
messagerie vocale, de communication de données, de messagerie
de télécopie peuvent ainsi être proposés
aux utilisateurs
En simplifiant un peu, nous entrons là dans un domaine largement
vulgarisé : les techniques « multimédia ».
Le long dun système de transmission et à la traversée
des commutateurs les informations de tous types se présentent,
ou se présenteront dans un proche avenir, sous la forme numérique
0-1, notamment la parole et les données et, récemment,
les images. Il est donc naturel de réunir en un seul réseau
les échanges de paroles, de données et plus tard dimages
et de substituer aux autocommutateurs, classiques et spécifiques
dun type de message, des autocommutateurs dits « multiservices
» ou « AMS ».
Parallèlement, le numérique adopte des
« formats » dans lesquels les séquences de bits
sont réunies en paquets pouvant circuler de façon, disons
erratique, du moment que chaque paquet a une adresse (cest la
base dInternet). Plus prosaïquement, on sintéresse
plutôt, pour linstant, à la fusion de la parole
des réseaux téléphoniques et des données
des réseaux de téléinformatique. Côté
France Télécom le RNIS (réseau numérique
à intégration de services) dénommé Numéris
commutera à moyenne échéance le réseau
téléphonique et le réseau de données Transpac.
Côté SNCF, on soriente vers le RPIS (P pour privé)
qui commutera le réseau téléphonique et son équivalent
pour les données, le Rétipac.
Ce survol, superficiel, ne doit pas dissimuler les difficultés
dont certaines ne sont peut-être pas encore entièrement
résolues ; par exemple, le code arythmique doit être
abandonné, les normes internationales de compatibilité
et de transparence doivent être intégrées dans
ces nouveaux matériels, etc.
Ajoutons, pour la SNCF, que dans lavenir il
est prévu de ne confier aux AMS, en plus de la téléphonie,
que les liaisons de données discontinues, à lexception
des liaisons de type Résa, par exemple, dont le débit
est pratiquement sans interruption. Les premiers AMS ont été
mis en service par la SNCF en 1989 à Rennes et à Paris-Montparnasse.
Léquipement se poursuit pour relier les quelques 100
000 terminaux de tous types de la SNCF.
Ne quittons pas le numérique sans parler de
la radio dont les liaisons sol-trains véhiculent maintenant
des transmissions de données, ce qui permet, notamment, de
mieux sécuriser certaines informations de sécurité
et, aussi, denrichir les possibilités dinformation
réciproque entre trains et sol. Les études initiales
ont été menées par le service de la Recherche,
en collaboration avec VZT et ont abouti en 1989-1990 à léquipement
de Paris-Rennes et du TGV Atlantique. Cest aussi en collaboration
avec France Télécom que le téléphone public
a été mis à la disposition des voyageurs sur
les TGV (lapparition des portables rend ce service obsolète).
Enfin, la fin du monopole des PTT et la libération
de nouvelles bandes de fréquences (900 MHZ et au-dessus) a
« donné de lair » aux liaisons radio classiques
et en permet une plus grande banalisation.
Terminons cet historique par le projet, piloté
par la direction de la Recherche et suivi par VZT, de synthèse
et de reconnaissance de la parole. Dès le début des
années 1980 des expérimentations furent réalisées,
au PC de Reims par exemple.
sommaire
2015 Quand la SNCF brouille les ondes des opérateurs
télécoms
La qualité du réseau téléphonique aux
abords des voies et des gares est au coeur d'une querelle entre la
SNCF et les opérateurs de télécoms.
L'affaire prend des airs de bras de fer entre la SNCF et les opérateurs
télécoms. Les seconds reprochent à la première
de brouiller leur réseau. Les raisons de la dispute ? Les trains
bénéficient d'une connexion mobile, dite GSM-R,
déployée ces dernières années, qui leur
permet de recevoir et d'envoyer des informations à leur base.
Il s'agit de données liées à la circulation des
trains, à la sécurité des rails
Des sujets très sensibles, méritant une transmission
fiable, mais qui perturbent les communications téléphoniques
(2G) de tous ceux qui téléphonent à proximité
du réseau ferroviaire.
«On nous demande d'améliorer la couverture du territoire
et on nous met des freins!», tempête un opérateur
télécoms.
Les homologues européens de la SNCF, notamment allemand et
néerlandais, ont pris à leur charge les dépenses
nécessaires à la mise en place de «filtres»
pour que le GSM-R ne perturbe pas la 2G.
En France, la situation est tout autre. Un amendement «scélérat,
voté en plein mois d'août 2014», s'emporte un proche
du dossier, prévoit que les travaux soient à la charge
des acteurs des télécoms, soit une facture de quelque
50 millions d'euros. Cette situation est jugée «absurde»
pour les intéressés. «Les opérateurs télécoms
étaient les premiers à utiliser la fréquence
radio concernée (900 MHz), le rail est arrivé après.
C'est à la SNCF de s'adapter.» Parole d'opérateur
télécoms.
Si rien n'est fait, quelque 5 % à 10 % du territoire seront
privés d'une couverture mobile. Or, la 2G reste la technologie
la plus utilisée par les consommateurs français. Un
comble, alors que la SNCF demande aux opérateurs de mettre
en place les moyens nécessaires pour que la 4G, qui n'est pas
perturbée par le GSM-R, soit accessible dans les trains.
Résultat, il sera bientôt possible de regarder un film
dans un train, mais pas de téléphoner aux abords d'une
gare ou de rails.
sommaire
Linformatique et les transmissions de données
Quelques chiffres donneront la mesure de réseau
de transmission de données à la SNCF. On comptait au
début de 1987:
-22 commutateurs de paquets
-67 unités de raccordement
-8717 modems et
-2888 postes périphériques.
Limportance de {informatique à la Direction de
la SNCF nest donc plus à démontrer. En témoignent
tant les équipements (réseaux, matériels) que
la mise en place dune réflexion générale
qui sexprime dans un Schéma Directeur de lInformatisation
(SDI) . En témoigne aussi le rythme annuel des progressions
budgétaires (effectifs et exploitation) qm est comparable aux
évolutions constatées dans les autres entreprises publiques:
depuis 1982, la valeur du parc a augmentée de 19% lan,
les budgets dexploitation de 20 % lan, les effectifs de
5% (après correction du transfert à Lyon).
Les transmissions de données se multiplient
sur les réseaux de télécommunications de la SNCF;
cela tant sur réseau commuté, que sur réseaux
spécialisés. A la SNCF, on peut analyser un des rares
cas de dérogation au monopole, les lignes restant en permanence
dans un "territoire privé SNCF' correspondant à
la superficie des emprises. Ce territoire réticulaire par définition
peut assurer une continuité spatiale à léchelle
du pays pour léquipement en lignes de transmissions.
Parmi les autres cas, notons quEDF utilise TRANSPAC dans la
partie noyau de son réseau télé-informatique,
mais au dessus de TRANSPAC, EDF fait de la valeur ajoutée spécifique
La première génération du Réseau de Téléinformatique
Ferroviaire, dite "ancien réseau" : RETIF
(1968-1985)
A la fin des années 1960, la SNCF a mis en place un réseau
de téléinformatique dénommé initialement
RETIF. Réseau appartenant à la SNCF, Il était
privé dès lorigine, tant par ses noeuds que par
ses lignes (ce dernier point est plus rare). La date de création
révèle une préoccupation très précoce.
En 1983, il a véhiculé 39 milliards de caractères,
répartis dans 133 millions de messages. Les ordinateurs centraux
émettaient à raison de 79 % du volume total vers les
terminaux, et ces derniers contribuaient au trafic à raison
de 21 % en sens inverse. Les applications étaient la réservation
(RESA pour 29 %), le trafic marchandises (Gestion Centralisée
du Trafic Marchandises 42%), ainsi que les stocks, le personnel et
les messages (fig. 6). On constatera la répartition dans le
temps du trafic, avec la chute des fins de semaines. Cependant, le
trafic dune journée montre, avec les classiques poses
des début, milieu et de journée, des caractéristiques
remarquables, traduisant une utilisation continue du matériel
sur les 24 heures: ainsi, la très grande pointe de trafic ne
se situe pas en cours de journée mais vers 1 heure du matin,
suivi de près par dautres pointes vers 16 heures, 10
h. 6 h. et 21 h. (fig. 7).
Le réseau RETIF était constitué
de trois applications principales: la réservation , le trafic
marchandise, le personnel avec :
-d'un ordinateur central dit Centre de Gestion de Messages (CGM).
Lordinateur de gande puissance, un SPERRY 1100/80, était
installé à Paris, au centre dAuteuil.
-de 43 Concentrateurs Diffuseurs (CD) répartis dans toute la
France. Ils s'agit de mini-ordinateurs BULL H 316, capables de concentrer
jusquà 64 terminaux;
-de lignes à moyenne vitesse (4800 bits par seconde -BPS ou
bauds) reliant les concentrateurs diffuseurs et lordinateur
central. Ces lignes sont doublées.
Resa tournait sur matériel IBM (Ensemble Spécialisé
de Réservation ou ESR), GCTM sur matériel SPERRY
(Ensemble électronique de Gestion dAuteil et Batignolles,
les applications stocks et personnel sur matériel Bull
à Batignoles. Les terminaux aussi provenaient de constructeurs
différents, et, en 1984, on comptait 700 terminaux Olivetti,
plusieurs milliers de terminaux Logabax (2000 semble-t-il) et environ
50 terminaux Crouzet servant à la réservation pour le
TGV.
RETIF étant de type centralisé "étoilé,
il approchait du niveau de saturation (43 CD x 64 terminaux donnent
une capacité maximum de raccordement de 2752 terminaux). Il
était de surcroît vulnérable (centralisation sur
Auteuil). Les limites de ce réseau on conduit la SNCF à
préparer dès 1976 un nouveau réseau: RETIPAC.
Un nouveau réseau apparaissait en 1982, la migration des applications
de RETIF à RETIPAC se poursuivant cependant jusquen 1985.
RETIPAC (le TRANSPAC de la SNCF)
Le nouveau réseau va permettre de dépasser les limites
de RETIF: la sécurité va découler dune
organisation maillée, lextensibilité est possible,
la maintenance est facilitée par une surveillance centralisée.
Il se compose de trois parties distinctes:
-le réseau de commutation par paquets, dit réseau RETIPAC
-réseau des unités de raccordement, dit réseau
de distribution
-lensemble électronique de service
Le problème des protocoles : contraintes et choix de réseaux
Le réseau téléinformatique de la SNCF doit raccorder
des terminaux dans un contexte caractérisé par lhétérogénéité
des matériels et des applications. En effet, la conception
du nouveau réseau RETIPAC remonte, on la vu, à
1976-77. A lépoque, aucune norme officielle existait
dans des organismes comme 1TSO. Il fallait donc que les services concepteurs
de la SNCF inventent leurs propres protocoles, et implantent des logiciels
sur les machines. Aussi, un logiciel SNCF tourne sur RETIPAC. En quoi
cela consiste-t-il ? Il sagit de permettre aux terminaux, la
"compréhension" des ordinateurs centraux. Des UR
(Unités de Raccordement) ont donc été mis en
place, au nombre de 66 en juin 1986, afin de servir de "concentrateurs
de terminaux". Dans la topologie du réseau, ces équipements
sont donc des éléments intermédiaires entre terminaux
et unités centrales. Ces machines UR sont surveillées
à distance par un matériel DEC situé au Centre
de Paris-Auteuil.
Faisant appel à plusieurs constructeurs informatiques, la SNCF
est confrontée à des problèmes dincompatibilité.
Comme le fait remarquer le Schéma Directeur, plusieurs politiques
sont possibles en attendant une hypothétique normalisation,
les progrès en la matière étant "lents et
il faut bien vivre en attendant" :
-une architecture commune "maison" ARET7F: solution coûteuse,
offrant des fonctionnalités réduites selon lappréciation
du Schéma Directeur;
-larchitecture BULL, constructeur le plus représenté
à la SNCF;
-larchitecture IBM;
-lutilisation pour chaque application de larchitecture
correspondant au matériel sur lequel elle tourne.
En conclusion, le Schéma Directeur notait que, "aujourdhui,
aucune solution nest donc totalement satisfaisante et il est
difficile ae donner des directives générales: Pour les
systèmes autonomes ne devant jamais communiquer avec dautres,
la dernière solution semble la meilleure".

Le système de protocole SNCF coûte cher à
réaliser et à entretenir. Parmi ses inconvénients:
il limite les fonctionnalités des ordinateurs centraux. Cela
alors que les constructeurs proposent des progiciels correspondant
à des applications toutes faites, qui ne fonctionnent cependant,
quavec les terminaux dune marque donnée. Pour avoir
accès à la richesse des logiciels des constructeurs,
il faudrait refaire le travail de manière à ce que les
protocoles SNCF intègrent progressivement et toujours avec
retard. Cela est évidemment hors de question, et la SNCF est
donc conduite à abandonner progressivement ses protocoles spécifiques,
au profit des protocoles des constructeurs. Cette migration vers les
protocoles des constructeurs est progressive, et elle prendra vraisemblablement
une dizaine dannées. Elle se fait en fonction du changement
de matériels sur une application donnée.
Lexemple de lancienne application "marchandises"
Un exemple est celui de lapplication obsolète dite "marchandises"
qui tournait sur matériel Speny et dont la réécriture
na pas été utile par suite du transfert vers un
système homogène en matériel Bull. Le maximum
de fonctionnalités est possible désormais au sein du
système BULL De plus, les logiciels de communication de Bull
ont été adoptés. Conçus pour pouvoir se
connecter au réseau TRANSPAC, ils permettent donc de se connecter
à RE1TPAC, puisque ces deux réseaux utilisent les mêmes
interfaces. Lavantage économique est évident;
par exemple, économie en temps-ingénieurs quune
réécriture aurait nécessité. Toutefois,
linconvénient existe du fait de ladoption dune
solution conduisant à un système fermé, les machines
Bull communiquant mal avec des matériels IBM ou SrERRY, même
en utilisant des passerelles: les passerelles sont toujours parfaites
(ou presque) pour les constructeurs qui les proposent... Elles savèrent
cependant, à lusage, fort imparfaites pour ceux qui ont
à les utiliser. La communication laisse donc à désirer
vers des matériels dautres constructeurs: or landen
matériel utilisé pour lapplication étant
de SPERRY, ladoption de cette solution conduit en toute logique,
au remplacement de tous les matériels anciens. Cette application
marchandise concerne des systèmes répartis et mis dans
les grands triages. Il sagit de MINI6, au nombre dune
cinquantaine. Ils assurent la gestion locale du tnage, chaque mini-ordinateur
disposant dune vingtaine de terminaux (Bull aussi évidemment);
un gros ordinateur BULL supervisant les cinquante minis répartis.
Ainsi, alors que les MINI6 savent sur quelle voie se trouve tel wagon,
lordinateur central se contente de prendre connaissance de la
gare où est situé le wagon.
Un exemple dapplication : la réservation
Lépoque de lutilisation de l'annuaire "CHAIX"
(horaires des trains) est bien révolue. La SNCF elle-même
proposait à ses clients de téléphoner ou de se
rendre dans une gare pour obtenir horaires et renseignements tarifaires
(1982). Cest quavec un TGV sorti des bureaux détudes
en 1981, il était devenu obligatoire de repenser la question
de linformation et des réservations.
Lutilisation des systèmes de réservation électronique
dans le secteur du transport est assez ancienne puisquelle date
du début des années 1970. Lévolution de
ces systèmes aujourdhui tend à iinterconnexion
grandissante de différents systèmes nationaux. Les chemins
de fer européens en sont une illustration, illustration qui
revêt un intérêt particulier dans le contexte de
la construction européenne. Présentons dabord
le niveau national.
Réserver était devenu obligatoire sur
le TGV et le nombre dappels téléphoniques a conduit
la SNCF à se doter dabord dun service spécifique
pour les renseignements et les réservations, à mettre
ensuite à la disposition de la clientèle un serveur
télématique (3615 SNCF). Le trafic de ce service est
passé denviron 20000 heures en juillet 1986, à
près de 100 000 heures deux ans après (42). Les reversements
Télétel étaient respectivement de 15 et de 24
millions de francs en 1987 et 1988.
Ces nécessaires évolutions dans lorganisation
nont cependant pas apporté des solution parfaites: dune
part, laccueil téléphonique était pour
le moins limité (1988-1989) et on pouvait trouver parfois à
la SNCF une conscience diffuse que ces insuffisances de accueil
pouvait perturber le réseau téléphonique général
de France Télécom .
D'autre part, et surtout, une étude a montré
à la SNCF que le nombre dappels doit passer dt 10 millions
en 1988 à plus de 80 millions à lhorizon 1992.
La Direction Commerciale Voyageurs a même avancé le chiffre
de 100 millions dappels vers 1992. Doù la volonté
de dépasser les capacités quantitatives et qualitatives.
Le taux deffîcadté visé est 80%.
Laccueil téléphonique, en 1986,
était largement décentralisé.
Il sappuyait sur 103 Centres de Renseignements Téléphoniques
Voyageurs (CRTV) couples avec des centres de réservations par
téléphone (CRT) situés a proximité de
la clientèle. Sur la base dune étude datant de
19/8, la SNCF a pu apprécier le nombre dappels téléphoniques
arrivant dans les gares et les agences de voyages partenaires de la
SNCF. Ces données, corrigées par un coefficient daccroissement
de trafic et par une volonté politique (régionalisation),
ont servi à dimensionner les centres de renseignements. Les
matériels utilisés (réception des appels et répartition
sur les opérateurs) dépendent de limportance du
centre:
-DAC-32, de Techniphone
-Sigphone, de CSEE
-PABX Jistel 6000 dans le cas particulier du CRTV /CRT de Paris.
Le CRTV de Lyon a été mis en service
en 1982. fi a été dimensionné à 30 lignes
réseau et dispose de 24 positions dopérateurs.
Un opérateur supplémentaire est venu renforcer leffectif
en 1985. Sur chaque poste de travail lopérateur dispose
d'un micro-ordinateur de consultation; dun annuaire dhoraires
(bottin papier); dun écran vidéo (affichage des
heures et quais de départ des trains au départ de Lyon-Perrache
et Lyon-Part-Dieu); dun terminal téléphonique
Sigphone qui, connecté à lunité centrale
de di; rbution permet de recevoir et satisfaire les demandes de renseignements
et, le cas éch nt, de transférer les appels sur une
position "réservations" ou "renseignements internationaux".
Le responsable du centre dispose pour sa part dun écran
vidéo donnant en permanence limage du trafic écoulé:
saturation (utilisation des 30 lignes réseau), temps dattente,
état de chaque poste de travail. Le nombre de positions de
travail opérationnelles varie à Lyon entre 3 et 7 pour
les heures les moins chargées, et peut aller jusquà
18 pour les heures de pointe.
Une analyse de trafic des CRTV a été effectuée.
Selon que lon définisse le taux defficacité
en fonction du nombre dappel enregistrés par le distributeur,
ou en fonction du nombre dappels acheminés vers lé
CRTV, les résultats sont différents. Ils sont meilleurs
dans le premier cas, correspondant généralement aux
taux defficacité considérés par la SNCF
(de lordre de 85%). Us sont inférieurs dans le second
cas, les appels rejetés en occupation du fait de la saturation
des faisceaux darrivée des CRTV pesant alors sur les
résultats densemble (de lordre de 50 à 55%).
Cependant, certaines périodes peuvent présenter cependant
un taux defficacité inférieur à 30% : il
sagit évidemment des périodes à forte demande
(vacances). Aussi, il apparaît que de les CRTV ont été
sous-dimensionnés.
Ces constatations, encore valables jusquà
la fin 1989, ne satisfont pas la SNCF qui a eu la volonté daméliorer
son service daccueil téléphonique... et son image
de marque. Fait à relever, FT a pu élaborer une solution
adaptée et la proposer à la SNCF, en concurrence avec
une solution interne.
Le système de réservation de la SNCF
-RESA permet de tenir à jour la réservation des places
pour les soixante jours à venir, une base de données
alimente des fichiers, et chaque jour, la journée passée
est supprimée, et une nouvelle journée n° 60 est
ajoutée en vue de la réservation. RESA sinsère
dans un réseau national où lon peut distinguer
trois catégories dutilisateurs:
1. Les particuliers
Le MINITEL des particuliers permet détendre le service
de réservation jusquaux domiciles des clients, comme
avait pu (et continue à) le faire la réservation par
TELEPHONE dans un premier temps de la mise en oeuvre de ce service.
Laccès à RESA permet au client de se renseigner
sur les horaires, de réserver sa place aller et retour en indiquant
ses préférences (fumeur, non fumeur, place "couloir"
ou "fenêtre"...), de commander son billet et dobtenir
un numéro de dossier quil lui suffira de communiquer
à la gare ou à lagence de voyage lorsque le client
voudra régler et retirer son billet.
2. Les agences de voyage françaises
Ces utilisateurs de la réservation SNCF utilisent TRANSPAC,
réseau public, qui permet la liaison avec les terminaux MENESTREL
de la société ESTEREL
3. Les utilisateurs internes (points de vente et réservation
dans les gares et autres bureaux SNCF), via RETEPAC, réseau
téléinformatique interne à la SNCF, et qui permet
de relier les Unités de Raccordement (UR) dans les gares surtout
; le Point dAccès Vidéotex, (liaison avec les
Minitel). Lensemble formé par MINITEL et MIRABEL est
appelé BAGATEL.
Dans les gares, le terminal permettant lémission de billets
est MIRABEL, machine à billets en local, indépendant
du MINITEL qui permet de réserver les billets. MIRABEL édite
et formate le billet à partir des informations obtenues par
MINITEL à propos de la réservation. Cette solution concerne
les petits volumes dédition. Cette solution a été
particulièrement intéressante pour la SNCF, car la connexion
de gares a représenté un coût marginal grâce
au MINITEL; Pour les gros volumes d'édition de billets, le
terminal est MABEL GRETA (MG): Machine à Billets Automatiques/Groupe
dEtude du Terminal d Avenir . Notons que le fonctionnement
de ces machines est pleinement local: il ny a pas de liaison
téléinformatique avec RESA, pour ce qui concerne limpression
du billet. En revanche, il y a liaison téléinformatique
au moment de la demande de réservation. Cette double modalité
permet de contracter les coûts de la communication, et il est
effectivement plus logique de faire exécuter par des ressources
locales ce qui peut lêtre.
Emission et réservation des billets sont possibles sur; DAGOBER,
le Distributeur Automatique Grande Ligne, offrant billet et réservation,
fonctionnant sur REUPAC, via OGL, l'ordinateur de gestion locale qui
assure la télécollecte et la télésurveillance
de linformation. Ce système accepte les cartes bancaires,
et permet donc dentrer dans la "synergie" monétique.
Notons que dans le cadre du Nouveau Système de Réservation
(NSR), qui gérera les TGV, les interfaces vidéotex et
Hermès vont se situer au niveau du serveur frontal SDS (niveau
RESA actuellement).
Le Système complet de vente Socrate devait être pleinement
opérationnel dès 1991; il sappuie sur le logiciel
"Sabre" d American Airlines, il vise à remplacer
le système de réservation (fin 1973) qui, à la
fin des années 1980 était au bord de la saturation (50
millions de réservations par an). Avec Socrate dont la seconde
phase (mi 90-mi 91) consiste en la mise en place du nouveau système
de Résa dans le nouveau centre de calcul informatique de Lille,
suivie du basculement progressif des terminaux sur ce nouveaux système,
il va devenir possible de gérer 800 transactions par seconde
. Tous les systèmes actuels vont donc être interconnectés
à SOCRATE.
4. Les extensions internationales
Le système de réservation de la sncf RESA sinsère
par ailleurs dans un réseau international. Les systèmes
informatiques et télématiques au service des autres
compagnies de chemin de fer en Europe sont connectés en effet
, comme le sont les réseaux téléphoniques et
télégraphiques. RESA est reliée avec différents
interlocuteurs:
-HERMES (réseau européen dordinateurs -commutation
par paquets-de compagnies de chemins de fer, qui dépend de
lUnion Internationale des Chemins de fer. D existe depuis 1985
et est établi entre six pays: France, RU (Birmingham), Belgique,
Allemagne (Francfort), Italie (Rome), Suisse. Suède et Danemark
devaient être reliés. Cest via le système
français que le calculateur daccès à IRIS
(réseaux allemands, etc.) peuvent rejoindre encore HERMES.
Ce réseau serait sous-employé: transfert de petits fichiers
marchandises et extension de la Réservation vers la Suisse
et le Royaume Uni. Cette liaison est cependant nécessaire pour
une liaison avec le réseau suisse, notamment pour ce qui concerne
les réservations sur le TGV (Hermes, en 1989, permet de relier
ErR (CSF) cest-à-dire le système de la compagnie
suisse de chemins de fer CSF; les BR; et ESR (53), le système
français.). Cette liaison permet aussi de rejoindre le système
britannique (British Railways-BR). Ce réseau serait sous-employé:
transfert de petits fichiers marchandises et extension de la Réservation
vers la Suisse et le Royaume uni.
-IRIS réseau qui actuellement permet daccéder
au système allemand, mais qui est destiné à disparaître
pour être fondu dans HERMES (vers 1991)
-RENFË. Ainsi, les liaisons entre HERMES et la RENÉE transitent
par les système français RESA
Vers Resarail 2000 : La SNCF a annoncé, pour 1992, la création
dun système mondial de réservation électronique
fondé sur les technologies Sabre et Dinamo dAmerican
Airlines. Il sagira de répondre aux besoins des différents
canaux de diffusion, depuis les guichets des gares et agences de voyages,
jusquaux domiciles des clients (Minitel) en passant par les
automates de vente. Grâce a ses capacités dinterconnexion
U pourra s'étendre à toute lEurope, voire au monde
entier. Les compagnies ferroviaires européennes pourront entrer
dans le projet selon diverses manières:
-en devenant partenaires de la SNCF et dAMRIS, la filiale spécialisée
dAmerican Airlines
-en acquérant la licence du logiciel
-ou en hébergeant tout ou partie de leur offre dans un centre
informatique de la SNCF (il est prévu de gérer ce projet
dans le nouveau centre informatique situé à Lille)
Les transactions relatives à la réservation
Par transaction on entend id le nombre de demandes de réservations
acheminées vers le système central . Soulignons que
la notion de transaction est distincte du temps de télécommunication
et du produit en résultant (chiffre daffaires). Une même
transaction peut durer quelques secondes ou quelques minutes. La demande
traitée peut comporter une réservation pour une ou plusieurs
places: lintérêt commerdal dune transaction
de même durée, peut fortement varier, puisque la différence
correspond simplement au choix dune touche du clavier: exemple
1 place ou 4 places. La correspondance entre nombre de transactions
et chiffre daffaires par terminal n'est donc pas possible.
1986: 26 850 000. Sur ce nombre total, les agences et organisations
de voyages étaient à lorigine de 6 200 000 transactions.
1987: 30 678 000. Sur ce nombre total, les agences et organisations
de voyages étaient à lorigine de 6 800 000 transactions.
Le réseau ESTEREL à des agences de voyage était
à lorigine de la quasi totalité des 6 800 000
transactions (1987) acheminées à partir du réseau
TRANSPAC. En effet, seules 5 machines SNCF restent en service dans
des agences de voyage et assurant un maximum de 50000 transactions
annuelles (58). Ces cinq machines sont les témoins du réseau
mis en place ayant la généralisation dESTEREL.
Il ya quelque temps, il restait encore 3° à 35 machines
de ce type hors des bureaux SNCF. Ce réseau est appelé
à disparaît car la conservation dune procédure
particulière coûte trop cher pour un nombre aussi limité
de machines .
La messagerie au service du fret
La circulation rapide dinformations écrites entre gares
a conduit la SNCF à réfléchir à des solutions.
En particulier, le réseau dinformation par téléimprimeurs
couvre les principales directions.
Mais les besoins déchange de messages concernent aussi
les échanges externes, notamment dans le cas des activités
de fret. Dans ce domaine, le rail connaît la concurrence de
la route: il nest plus incontournable du fait des transports
routiers (59). H est donc essentiel pour la SNCF daugmenter
autant que faire se peut son niveau de performance, de qualité
et de service. En effet, le marché du transport impose de transporter
aussi de linformation afin de rester compétitif. Aussi,
la SNCF sest dabord engagée dans un processus dinformatisation
de ses services de Fret avec le Nouvel Acheminement Wagons (NAW).
Il lui a cependant été nécessaire daller
au-delà, ses clients étant préoccupés
par la rationalisation de leurs chaînes logistiques. Doù
lidée avant conduit à la création de EDI
FRET: il sagissait de mettre à la disposition des chargeurs
et autres partenaires, les bases de données de la société
de chemins de fer, bases accessibles en temps réel au moyen
de liaisons informatiques. Les "messageries" téléinformatiques
et télématiques sont une solution pour ce type de besoins.
1. Lutilisation dATLAS 400 de Transpac
La SNCF vise à se convertir à lE.D.1.grâce
au recours à ATLAS 400 de Transpac. H sagit de remplacer
les appels téléphoniques et les envois de documents
"papier" dont les "données utiles doivent
ultérieurement être saisies à la main, et donc
d'automatiser les échanges de documents et dinformations
avec la clientèle. De la sorte, lélectronique
et les télécommunications permettent détablir
directement les pièces nécessaires au transport à
la facturation. Le terminal du destinataire de lenvoi peut être
un télex, un télécopieur, un micro-ordinateur,
où arrivent les messages. Pendant lacheminement des marchandises,
les clients ont la possibilité dinterroger Sinfonie afin
de connaître la position précise du wagon dans lequel
se trouve leur chargement.
2. La messagerie électronique
Support de la communication dentreprise, la messagerie
permet de transmettre des messages de terminal à terminal;
entre micro-ordinateurs, elle permet denvoyer et de recevoir
courrier ou fichiers sans manipulation de disquettes.
A partir des années 60, la direction informatique a développé
de grandes applications nationales: réservation des places,
gestion du personnel, au trafic, des stocks... En complément
de ces applications, les utilisateurs avaient besoin déchanger
des messages informels, des directives, etc. Aussi, à la fin
des années 70, un premier système de messagerie est
né, intégré au réseau de téléinformatique
de la société (Retipac) et accessible à partir
des même terminaux Logabax: il sagit du système
dit ACCM.
Mais, autour de 1986, de nouveaux besoins devaient montrer les limites
du système et conduire à la définition de nouvelles
applications.
La SNCF a été décentralisée en 25 régions,
les établissements jouissant dune large autonomie. Un
bon service dinformation "descendante" et "ascendante"
était nécessaire. Par ailleurs, une autre besoin apparaissait:
lessor des micro-ordinateurs et le souhait des utilisateurs
concernant léchange des données. Enfin, des serveurs
"départementaux" sont apparus, intégrant messagene,
archivage, recherche documentaire, et bureautique. On est passé
dune époque caractérisée par des systèmes
centralisés et très directifs, à une autre époaue
où les utilisateurs cherchent à obtenir très
rapidement le meilleur service au meilleur coût.
Il devenait donc opportun dutiliser la norme internationale
X400 du CC11T pour mettre en service un système ouvert sur
lextérieur, couvrant lensemble des besoins en messagerie
de la SNCF, dautant que certains établissements avaient
commencé à séquiper en petits systèmes
incompatibles. Le système de messagerie ACCM ne permettait
pas la communication entre terminaux autres que les Logabax/LX-3065
et Logabax/LX-3128 utilisés dans les grandes applications informatiques
de la société. Au niveau interne, il était inadapté
à la transmission de messages autres que ceux dont avaient
besoin les acteurs orientés vers la production dans le cadre
de leur service opérationnel. Au niveau de la relation de la
SNCF avec ses fournisseurs, clients et interlocuteurs extérieurs,
le système ACCM était également inadapté,
du fait de limpossibilité dutiliser les différents
outils de transmission offerts par les réseaux publics (télex,
télétexte, télécopie, Minitel...).
Cest afin de coordonner le développement de systèmes
répondant aux besoins, et déviter la mise en place
de systèmes incompatibles et fermés chacun, sur une
peculation réduite dutilisateurs quun cadre cohérent
a été mis en place. Un Système informatique pour
les échanges Normalisés Internes et Externes (Sinfonie)
allait être constitué utilisant:
-les microprocesseurs 32 bits à tolérance de panne (système
X83 dAlcatel);
-les réseaux de commutation par paquets. Fonctionnant à
lintérieur de la société sur le réseau
Rétipac, il est interconnecté avec la messagerie publique
ATLAS 400 (Transpac) pour les échanges avec des correspondants
extérieurs à la SNCF: clients, fournisseurs, etc.
On sait que ATLAS 400, opérationnel depuis 1987, est un support
universel de la communication de lécrit. Il permet la
transmission et laffichage de messages sur les terminaux de
différents types, soit entre abonnés individuels, soit
entre serveurs privés, même en labsence de labonné.
Un même message peut être remis à un ou plusieurs
destinataires simultanément. Les messages peuvent être
reçus directement, soit en différé. Ce service,
est accessible à travers les réseaux télex et
téléphoniques commutés (télécopieur
pour la réception seule, Minitel, terminaux télétex
ou informatiques) sils sont interconnectés avec le réseau
Transpac, et le réseau Transpac (Télétexte, terminaux
informatiques, micro-ordinateurs). La mise en place des interfaces
normalisées par Atlas 400 limite les investissements spécifiques
à ladaptation des différents terminaux.
Au niveau interne, si la société préconise lutilisation
de Sinfonie, elle laisse cependant possible les liaisons directes
à Atlas 400. Cela lui permet pour son service de messagerie
mterne de jouer sur les deux solutions, privée (Sinfonie) et
publique. Les abonnements individuels à ATLAS 400 sont dailleurs
également compris comme secours en cas de surcharge de Sinfonie.
La SNCF est le premier client dAtlas, tant pour le nombre de boîtes
aux lettres que pour le trafic. Elle a dépassé les 1000
abonnements en 1989.
Les avantages dEDI FRET
Avec création de EDI FRET, la SNCF visait trois objectifs
commerciaux :
-fournir une meilleure lisibilité de loffre, et donc
rassurer la clientèle: délais dacheminement, équipement
des gares, position des trains et des wagons...
-réduire lincertitude: date de livraison, acheminements
-offrir pour les clients qui le souhaitent, une option "zéro
papier": documents douaniers, factures...
La SNCF voulait offrir un service pour lensemble de ses 22000
clienfs (fret), et non pas uniquement aux 200 plus importants, pour
qui est assuré 90% du trafic. Il sagissait donc, impérativement,
de coller au plus près à la réalité du
marché des réseaux de télécommunication.
Faute de quoi, lopération aurait probablement échoué,
les clients nacceptant facilement ni de nouveaux investissements
spécifiques (matériels, réseaux, normes), ni
des révisions de choix techniques antérieurs... Le constat
fut le suivant: dans les entreprises, il existe aujourdhui des
équipements courants qui ont pour nom télex, Minitel,
téléphone, télécopie, micro-ordinateur...
Il sagissait aussi de masquer pour lutilisateur extérieur,
lhétérogénéité des matériels,
des informations et des procédures utilisées par la
SNCF (NAW, Sésame): on a vu plus haut, lampleur de lhétérogénéité.
Cest donc une véritable rénovation de loffre "fret"
que propose la SNCF avec EDI FRET.
Ce texte a montré que la SNCF vise à
disposer dun réseau de haut niveau (introduction de la
fibre optique par exemple). Son intérêt pour les applications
développées (fortes consommatrices de télécommunication)
est évident Elle cherche cependant à limiter la charge
en télécommunication par le recours à des systèmes
locaux chaque fois quun tel choix serait judicieux. Deux indications
illustreront cette préoccupation de la SNCF. Afin déviter
une surcharge du système central avec des informations dintérêt
local, lOrdinateur Local de Gestion Automatisé (OLGA)
doit permettre de gérer les ressources locales en information
et en traitement. Ainsi, la gestion dune ligne dautocars
(connaissances des horaires), ou le calcul des résultats de
vente à la journée. Cela revient à sauvegarder
un "espace de liberté informationnel au niveau local,
tout en respectant les interfaces avec le logiciel central du système
informatique. Pour sa part, le logiciel de recherche dinformations
horaires (RÏHO) procède de la même logique deconomie
des temps de télécommunication. Ce logiciel qui est
en service depuis le milieu de lannée 1988, fonctionne
sur un micro-ordinateur non connecté sur le réseau de
télécommunication. Des disquettes régulièrement
mises à jour sont consultées en mode local, dans les
gares. RIHO permet donc de connaître les trains correspondant
à la demande du client (fourchettes horaires, date, origine,
destination). H permet aussi de calculer le temps le plus court entre
ces deux points (avec correspondances). devrait suffire pour les 3500
à 4000 destinataires de l'ancien système reconvertis
à Sinfonie. Lorsque ce seuil sera dépassé, et
en fonction des besoins, d'autres serveurs pourront être implantés
(Lyon, autres grandes villes). Ces besoins restent cependant difficiles
à estimer et à quantifier. Les 18000 conducteurs de
locomotive pourront-ils recevoir leurs ordres de mission au moyen
de leur boite aux lettres électroniques ? A défaut de
boites individuelles, des Minitel en libre service (dépôts,
foyers) peuvent-ils permettre le même accès à
la messagerie ? Une solution du même ordre a été
choisie pour répondre aux besoins de l'Office central de banlieue
chargé de suivre la circulation des trains, en ce qui concerne
précisément la ligne C du RER. Il s'agit de faire parvenir
des information aux gares de la ligne : informations sur les durées
et les causes de retards éventuels.
sommaire
Conclusion.
La dérogation au monopole des PTT et ses tentations
Lexploitation par la SNCF dun réseau
de télécommunications qui lui est propre, construit
sur ses emprises, et entretenu avec son propre personnel spécialise
a été possible grâce à une dérogation
officielle au Monopole des PTT.
Ces lignes "dintérêt privé" ont
été et sont installées par la SNCF à ses
frais sur ses emprises: il sagit donc bien dun vrai réseau
privé, et non dun simple réseau à usage
privatif, bâti à partir dinfrastructures privées
ou louées à des opérateurs de télécommunications;
à partir aussi de communications passées sur les réseaux,
publics de télécommunications / Cette dérogation
saccompagne :
- du versement redevances à lEtat (à la CNCL aujourdhui),
redevances qui sélevaient à 24 millions de francs
en 1987
- du strict respect de règles de conduite: en particulier la
non concurrence envers France Télécom chaque fois qu'il
sagit dappeler un abonné du réseau national
à partir dun poste du réseau interne SNCF.
On pourrait imaginer en effet, que la disposition dun réseau
téléphonique qui lui est particulier, peut entraîner
certaines tentations. Pour appeler, à partir de Lille, un correspondant
extérieur, situé par exemple à Marseille, une
solution technique peut consister à utiliser le réseau
"interne" jusqnà Marseille puis, à sortir
du réseau privé pour accéder au réseau
général. De la sorte, le correspondant est bien appelé,
mais la communication qui serait payée à lopérateur
national quest FT ne serait quune communication locale
et non une communication interurbaine. Cela nest cependant pas
autorisé.
Autre tentation possible: la permission donnée à des
tiers pour utiliser le réseau privé. Or, la SNCF nest
pas seulement une société de chemin de fer; cest
un groupe aux nombreuses ramifications et si lon entrait dans
un tel processus, il deviendrait difficile détablir la
limite.
Autour de la SNCF proprement dite gravitent des entreprises "satellites"
qui contribuent aux résultats du groupe. Le principal satellite
(holding) est contrôlé à 83,5% par la SNCF: il
sagit de la Sceta, dont le chiffre daffaires provenait
à raison de
* 65% de lactivité messagerie (Groupe Calberson) et route
(Bourgey Montreuil) (68),
* 20 % des sociétés de wagons louant leur matériel
à la société nationale (CTC, STVA, EVS, STSI,
Garmatex) et
* 15% de lactivité autocars (Carlane) et tourisme (hôtels
et forfaits de voyages: Frantour). Les filiales visent une dimension
européenne. Ainsi, Calberson ou Bourgey Montreuil annoncent
des participations croisées ou des rachats dans la CEE, notamment
en Italie et en Espagne.
Parmi les sociétés de la Sceta, citons encore: celles
-de la branche marchandises (SCETA Marchandises CCC),
-de la branche location (France location, SAUMMO),
-des transports combinés (CNC, Novatrans),
-des activités diverses (SEGI, SEFERGIE, GSIT).
Outre le groupe SCETA, la SNCF compte des filiales dune part,
des participations minoritaires dautre part.
Parmi les filiales, citons FRP, Sofrerail, SGW, SHEM, VFDM, VFL, CFPO,
La vie du rail, STEF et deux filiales HLM: SICF et SOCRIF. Parmi les
participations minoritaires, citons Servirait SARF, Eurofîma,
SNCM, Esterel CNR Interfrigo, Intercontainers, SEMAEST, SEMAPA, SEMEA
CHALONS, Entr. de Bâle, et même Air Inter...
Dans un tel cas, on le voit, on peut se demander
ce qui est permis et ce oui ne lest pas, ce qui relève
de la communication interne au groupe et donc ce qui doit relever
du réseau privé. Cest laccord de dérogation
au monopole qui fixe la nature de lutilisation et ses limites,
afin déviter une notion trop extensive de la notion de
"communication interne".
sommaire
Le GSM-R (Global System for Mobile communications
- Railways) est un standard de communication sans fil basé
sur le GSM, et développé spécifiquement pour
les applications et les communications ferroviaires.Il permet aux
trains de communiquer avec les postes de régulation du trafic
ferroviaire, aux agents de conduite, de circulation et de maintenance
de communiquer entre eux en mode conférence (appels de groupe),
et il autorise le support d'applications de type données comme
l'ETCS.
Les normes EIRENE - MORANE spécifient
une utilisation fonctionnelle et sans coupure de communication en
GSM-R jusqu'à une vitesse de déplacement du train de
500 km/h. Le GSM-R est un complément,
dans la plupart des pays où il est mis en service, des systèmes
analogiques de liaison entre les postes de régulation et les
trains, par exemple en France la radio sol-train.
Le standard GSM-R a été développé dans
le cadre de la mission que s'est donnée l'Union internationale
des chemins de fer (UIC). Son but initial était la standardisation
et lamélioration des conditions de construction et dexploitation
des chemins de fer, particulièrement en matière de trafic
international. Afin de développer ce standard le projet EIRENE
a été mis en place en 1993 par l'UIC. C'est au sein
de ce projet que les spécifications auxquelles le réseau
GSM-R doit satisfaire ont été développées.
Historique : Le GSM-R, qui est construit à
partir de la technologie GSM, bénéficie des économies
découlant de cet héritage. Il autorise une mutation
numérique à un coût compétitif, permettant
le remplacement de tous les systèmes de communication filaire
(le long de la voie) et des réseaux radio ferroviaires analogiques
existant dans chaque pays qui sont incompatibles entre eux : on comptabilise
en effet plus de 35 systèmes de communication ferroviaire différents,
rien qu'en Europe
Le GSM-R est une plateforme sécurisée
pour les communications de voix et de données, entre les différents
membres des équipes ferroviaires : conducteurs, régulateurs,
membres de l'équipe de manuvre, personnels à bord
du train, chefs de gare. Il apporte des dispositifs tels que les appels
de groupes (VGCS), les annonces ou appels diffusés (VBS), les
appels localisés, et la préemption des appels en cas
d'urgence. Il pourra supporter des applications telles que le suivi
des marchandises, la vidéo-surveillance dans les trains et
dans les gares, ainsi que les services d'informations des usagers.
Ce standard qui est le résultat de plus de dix ans de collaboration
entre les nombreuses compagnies ferroviaires Européennes, finalise
l'interopérabilité par l'utilisation d'une plateforme
de communication unique. Le GSM-R permet dans les cas de l'ETCS de
niveau 2 et 3, de transporter des informations de signalisation ferroviaire
directement jusqu'au conducteur, facilitant ainsi une vitesse de circulation
du train plus élevée ainsi qu'un trafic plus dense,
tout en maintenant un haut niveau de sécurité. Les spécifications
finalisées en 2000, sont basées sur le projet européen
MORANE (Mobile Radio for Railways Networks in Europe). Les spécifications
sont maintenues par le projet ERTMS de l'UIC.
Le GSM-R a été choisi par 38 pays à travers le
monde, incluant tous les états membres de l'Union européenne,
ainsi que des pays d'Asie, d'Eurasie et d'Afrique du Nord.
Mât d'émetteur GSM-R, ligne ferroviaire à grande
vitesse de Nuremberg-Ingolstad
Le GSM-R utilise en général des tours relais (Base Transceiver
Station, ou BTS) dédiées, proches de la voie ferrée.
La distance entre deux BTS est de trois à quatre km. Cette
proximité crée un haut degré de redondance et
une plus grande couverture et fiabilité. Le train maintient
en permanence une connexion numérique par modem vers le centre
de régulation des trains. Cette connexion a un niveau de priorité
supérieur aux autres utilisateurs (eMLPP). Si la connexion
du modem est perdue, le train s'arrête automatiquement. En Allemagne,
en Italie et en France, le réseau GSM-R compte entre 3000 et
4000 BTS.
Le GSM-R permet de nouveaux services et applications ; il offre notamment
des possibilités de communication mobile dans les domaines
de :
- la maîtrise et de la protection (Surveillance automatique
des trains (Automatic Train Control/ETCS) et ERTMS)
-la communication entre le mécanicien et le dirigeant de service,
-la communication pour le personnel de train, ainsi que les équipes
travaillant à bord du train
-l'envoi de message du train pour le service de contrôle du
train
-la communication pour le personnel sur les gares, les sites de marchandises
et sur les voies
-des applications spécifiques à chaque pays, comme la
communication dans les tunnels, le transfert et l'analyse des données
de service, des données de contrôle
Il sert à transmettre les données entre les trains et
les postes de régulation du trafic ferroviaire avec les niveaux
2 et 3 du système ETCS. Ainsi quand le train arrive sur une
des Eurobalises, il communique sa nouvelle position et sa vitesse
et reçoit en retour l'autorisation d'entrer ou non sur le canton
suivant et la nouvelle vitesse maximale. Il n'y a donc plus besoin
de signalisation latérale.
Tout comme les équipements de téléphonie GSM,
les équipements GSM-R permettent de transmettre des données
et également de la voix. Les fonctionnalités nouvelles
apportées par le GSM-R en matière de communication mobile,
s'appuient sur les normes GSM, et sont décrites par les normes
du projet EIRENE. On trouve notamment pour les appels :
- l'appel point-à-point (PtP Call : Point-to-Point
Call), appel identique à ceux d'un GSM normal
-l'appel de groupe (VGCS : Voice Group Call System), sorte de communication
semblable à l'alternat en Radiotéléphonie
-l'appel de diffusion (VBS : Voice Broadcast System), où il
n'y a qu'une seule personne qui peut parler (les autres écoutent
seulement)
-l'appel d'urgence (REC : Railways Emergency Call), qui est une sorte
d'appel de groupe destiné à une urgence
-une gestion des différents types appels (PtP, VGCS, VBS et
REC) par priorité
On trouve également les fonctionnalités
suivantes :
- l'adressage fonctionnel (Fonctional Adressing), système
d'alias qui permet d'enregistrer auprès du réseau GSM-R
le numéro d'un téléphone en tant qu'une fonction
temporaire occupée par son utilisateur (conducteur, contrôleur
d'un train particulier
)
-un mode de fonctionnement spécifique aux manuvres (Shunting),
c'est-à-dire le travail sur les voies à l'élaboration
où le stockage d'un convoi ferroviaire.
Quelles sont les nouvelles innovations ?
ERTMS / ETCS Le système européen
de gestion du trafic ferroviaire (ERTMS) est un système
européen unique de signalisation et de contrôle de la
vitesse. Il doit remplacer à terme lancien système
de signalisation propre à chaque pays.
Le système de signalisation actuel
Quelque soit son modèle et son pays, la signalisation ferroviaire
classique repose sur trois paramètres essentiels :
-la détection des trains à laide de circuits de
voie ;
-lobservation et lobéissance à la signalisation
latérale, par signaux lumineux et par panneaux indicatifs (de
vitesse par ex.);
-loccupation dune section de voie (1500m ou plus) par
un seul train.
Ces éléments conditionnent très largement le
débit en ligne : plus un train traîne, moins vite il
sort de sa section, au plus les trains derrière lui doivent
attendre. Chaque section
-est protégée à lentrée par un signal
lumineux;
-est signalée occupée ou libre par le système
de détection par circuit de voie.
On a donc recherché :
- à décliner les ordres de mouvements
dans la cabine du conducteur;
- à rapprocher les trains tout en conservant une distance minimale
entre eux.
La première amélioration a été
la plus « facile » à mettre en oeuvre. Elle est
apparue dans les années 80 avec le TGV, où des vitesses
de 250 à 320km/h ne permettent plus dobserver des signaux
latéraux. Le conducteur reçoit donc lordre à
bord de freiner ou dêtre autoriser à atteindre
la vitesse maximale indiquée sur un écran : 200, 250,
300 km/h.
La seconde amélioration est nettement plus tendue sur le plan
de la sécurité. Rapprocher les trains suppose de savoir
à tout instant où ils se trouvent les uns des autres.
Or, avec le système de section, on sait que le train occupe
par exemple 2 kilomètres dune section X mais on ne sait
pas où exactement il se trouve au sein de ces 2 kilomètres.
On a donc songé à raccourcir les sections pour les libérer
plus rapidement, ce qui a posé le problème des distances
minimales requises de freinage, surtout à grande vitesse. Lautre
problème est dobtenir en temps réel plusieurs
données cruciales du train, comme sa vitesse à linstant
T. Pour cela il fallu remettre à plat tout le système
de transmission, et lharmoniser au niveau européen. ...
Pupitre
de téléphonie ferroviaire et commutateur NUMCOM-4000

Commutateur téléphonique ferroviaire et modulaire offrant
les fonctions suivantes:
Centralisation de toutes les lignes téléphoniques
spécifiques (signal, passage à niveau, abri, local déquipements
de signalisation, etc.).
Gestion depuis un pupitre, où que ce soit sur un réseau
IP, localement ou dans un centre OCC.
Reroutage automatique des communications
Centralisation de toute linterface radio en cabine et GSM-R.
Système haute disponibilité (redondance et reroutage).
Maintenance rapide avec système connectable à chaud
et transmission dalarmes au centre de maintenance (protocole
SNMP).
Modification fonctionnelle en mode Live du pupitre de commande au
moyen dun système didentifiant de connexion / mot
de passe.
NUMCOM-4000 est un système entièrement hybride, capable
daccepter toutes les interfaces (analogiques, numériques,
IP, fibre optique), et de fonctionner dans un réseau entièrement
IP avec un gestionnaire dappels.
Le pupitre de commande et le commutateur téléphonique
peuvent être utilisés dans un réseau entièrement
IP, sans contraintes géographiques, et connectés à
un centre dappel général ou régional. ...
Le CTFC commutateurs de Faible
capacité, est un produit en fin de production sur le réseau,qui
sera progressivement remplacé ; il nest actuellement
plus déployé que dans des circonstances particulières.au
fur et à mesure de son remplacement, un stock de pérennité
sera constitué pour gérer le maintien en condition opérationnelle
du parc, incluant une part de redéploiement, en remplacement
de technologies plus anciennes. parallèlement, le déploiement
de commutateurs de Faible capacité (ctFc) se poursuit ; 200
sont déployés actuellement, et le mouvement se poursuit
à raison de 40 unités par an ; lintroduction du
commutateur Ferroviaire de Faible capacité de seconde génération
(ctF2c) permettra de passer cette
cadence à 60.
SncF réseau sest engagé à suivre les recommandations
du Beatt et à enregistrer progressivement toutes les communications
téléphoniques émises ou reçues par les
agents en charge de lexploitation du trafic ferroviaire. le
déploiement denregistreurs est en cours ; 165 ctFuet
ctFc sont équipés. tous les commutateurs déployés
(tFnG, ctFc) sont équipés dun enregistreur. par
ailleurs, un enregistreur central pour le réseau GsrM est en
cours
de déploiement, et sera opérationnel fin 2018. le programme
déradication des lignes aériennes sest poursuivi
par la prise en compte des liaisons ayant subi des dommages, notamment
des actes de vandalisme. ces ruptures de liaison engendraient des
dysfonctionnements au niveau des asservissements de passages à
niveau et présentaient donc un risque pour la sécurité.
le montant total produit pour léradication des lignes
aériennes est de 4,2 M€ sur 2017, correspondant à
202 km de lignes aériennes en cours de travaux denfouissement.
en outre 3 nouveaux chantiers soit 78 km ont été lancés
courant 2017 sur des lignes jugées pérennes. en complément,
9,9 M€ ont été investis pour des déploiements
de câbles optiques visant à renforcer la résilience
du cur de réseau télécom.
loutil de référentiel (sitere) constitue la base
de données de lensemble des câbles à fibres
optiques, et est en cours de déploiement. il permettra davoir
une meilleure maitrise de la connaissance de notre patrimoine, et
daméliorer la réactivité du mainteneur
en cas de coupure.
À fin 2017, 26000 km de câbles à fibres optiques
ont été renseignés dans loutil sur un total
denviron 30000 km. en matière de cyber sécurité,
larchitecture de protection des réseaux infranet et infracom
a été totalement revue avec la Dsi réseau. Désormais
la Zsp (Zone de protection
plus) sintercale entre la zone standard (internet et intranet)
et la zone homologuée (infranet). la Zsp « héberge
»
La SNCF est déjà entré dans le monde IP, fibre
optique ... et un système d'information moderne.
Sur le domaine radio local dentreprise
(rle), portantles périphériques et infrastructures pour
les communications de commodité et de manuvre pour lensemble
du GpF, un programme de modernisation a été lancé
afin dabandonner la technologie analogique obsolète et
migrer vers le tout numérique tetra. le périmètre
de cette migration concerne environ la moitié du parc des radios
actuelles, lautre moitié étant déjà
numérique. ce programme denviron 17,5M€ va sétaler
sur environ 5 années. sur le domaine GSM-R, un programme de
migration des liens de transmission des points démissions
(Bts) synerail, du cuivre vers la fibre optique a été
engagé. ce programme consiste, partout où la fibre optique
est dorénavant disponible, de migrer lancien réseau
de transmission créé sur cuivre vers un nouveau sur
fibre. Ce programme denviron 23,5M€ sétalera
jusquen
2025, date de pose des dernières fibres optiques sur le périmètre
ciblé.
À la fin du programme, toutes les Bts seront raccordées
en fibre optique, améliorant ainsi la fiabilité du système
GsM-r, et préparant son futur remplacement à lhorizon
2030 vers une autre technologie dont les débits nécessiteront
obligatoirement de la fibre optique. en complément, le déploiement
massif de câbles à fibre optique lancé fin 2011
va permettre de remplacer des câbles cuivre parfois vétustes
et doffrir des débits accrus, et va favoriser ainsi la
mise en uvre des applications ferroviaires de demain.
Ce programme participe à lamélioration de la disponibilité
du réseau de télécommunication et à sa
modernisation.
Fin 2017, 5625 km de câbles optiques ont déjà
été déployés et la prévision pour
fin 2018 est de plus de 6700 km. un projet de déploiement de
la fonction erec est programmé courant 2019 afin de mieux discerner
les trains à arrêter en cas de danger lors dune
alerte radio GsM-r. la capacité de transmission de cette alerte
radio sera également augmentée par lintroduction
de la méthode de communication par paquet Gprs .
Lun des chantiers essentiels est dexplorer
la 5G pour bien comprendre ses apports au monde ferroviaire. Aujourdhui,
nous utilisons le système GSM-R2 qui repose sur la 2G,
il date du début des années 2000. Ce qui na rien
de surprenant puisque les temps de cycle sont longs en ferroviaire
: on ne change pas de TGV au même rythme quune voiture.
Mais aujourdhui, cest le moment
Il est effectivement temps de changer et ce, pour trois raisons. Premièrement,
nous navons pas le choix. En effet, même sil fonctionne
encore parfaitement, le système GSM-R devient obsolète
: les fournisseurs prévoient dinterrompre sa maintenance
à lhorizon 2030.
Les nouveaux usages, comme le train autonome, qui se traduisent par
des besoins supérieurs au niveau télécom - davantage
de bande passante, des temps de réaction plus brefs, etc. font
du GSM-R un système dépassé. Le train
autonome a en effet besoin denvoyer des vidéos, ce qui
est techniquement impossible dans des conditions satisfaisantes avec
la 2G. Par ailleurs, il est impératif de garantir linteropérabilité
avec les autres acteurs du ferroviaire européens qui, eux aussi,
ont enclenché cette transition vers la 5G. Enfin, et comme
évoqué précédemment, il faut pouvoir répondre
aux nouvelles attentes en termes de service, autant à bord
que dans les gares ou pour la maintenance du matériel roulant.
Dans le cadre du déploiement du nouveau système
FRMCS3 qui nécessite la 5G, nous sommes aujourdhui
au stade des études amont, une phase où linnovation
joue pleinement son rôle. Comme la 5G, ce futur système
de communication ferroviaire est en cours de standardisation. En effet,
dans les télécoms, tout repose sur des normes dans la
mesure où lensemble des appareils connectés doivent
parler le même langage, quels que soient leur origine et leur
fournisseur.
sommaire
FRMCS3
Comme on le sait, le GSM-R, lélément de télécommunications
de lERTMS, a connu un grand succès avec son déploiement
sur plus de 150.000 km de voies en Europe et 230000 km dans le monde.
Le GSM-R fournit une connectivité 2G+ transparente entre le
sol et le bord, mais cette technologie basée sur le GSM arrive
en fin de vie tandis que les sous-systèmes du GSM-R sont confrontés
à lobsolescence. Le GSM-R na pas la capacité
de transmettre les énormes quantités de données
nécessaires aujourdhui et à lavenir. Bien
que les fournisseurs aient garanti un soutien continu à la
technologie GSM-R jusquen 2030, il est temps de passer à
une nouvelle technologie de transmission de données.
Cest la raison pour laquelle lUnion internationale
des chemins de fer (UIC) a lancé les premières études
pour un successeur au GSM-R dès 2012. Ces dernières
années, lUIC a réuni les principales associations
et compagnies ferroviaires européennes ainsi que les organismes
de normalisation des télécommunications ETSI Technical
Committee for Rail Telecommunications (ETSI TC-RT) et les groupes
de spécifications techniques du 3GPP. Le 3GPP est un consortium
créé en décembre 1998 avec sept organismes de
normalisation des télécommunications tels que lUIT
(Union internationale des télécommunications), ETSI
(Europe), ARIB/TTC (Japon), CCSA (Chine), ATIS (Amérique du
Nord) et TTA (Corée du Sud). Ce consortium produit et publie
les spécifications techniques des réseaux mobiles de
3e (3G), 4e (4G) et 5e (5G) générations.
Ne pas oublier le rail
Les normes 3GPP sont structurées sous forme de versions. Les
discussions sur le 3GPP font donc fréquemment référence
à la fonctionnalité dune version ou dune
autre. Chaque version comprend des centaines de documents individuels
de spécifications techniques et de rapports techniques, dont
chacun peut avoir fait lobjet de nombreuses révisions.
Les normes 3GPP actuelles intègrent la dernière révision
des normes GSM. Nous en sommes aujourdhui à la 16e version,
appelée R16. Une version R17 est en cours de développement
et est prévue pour 2022.
Lors de lélaboration de normes à
un niveau mondial aussi élevé, il est crucial de prendre
en compte les exigences des chemins de fer, car les télécommunications
touchent des secteurs très vastes, comme laviation, la
marine marchande et lindustrie, avec le risque doublier
le chemin de fer. Il a donc fallu beaucoup de lobbying pour que les
spécifications normatives du 3GPP intègrent les exigences
ferroviaires spécifiques. En fait, lETSI joue un rôle
clé pour intégrer les technologies spécifiques
au rail dans les normes de communication mobile mondiales dominantes.
Les exigences ferroviaires ont donc été soumises aux
groupes de travail du 3GPP, où une analyse avec les exigences
existantes du 3GPP est effectuée, pour ensuite éliminer
les écarts constatés par des exigences normatives supplémentaires
ou nouvelles, qui seront incluses dans la R17.
Incontournable 5G
Ces évolutions ont conduit à développer pour
le chemin de fer le Future Railway Mobile Communication System (FRMCS)
comme norme mondiale pour les télécommunications ferroviaires.
Mais cela signifiait aussi que les opérateurs ferroviaires
devaient commencer rapidement à planifier la manière
dont ils prépareront et feront migrer leurs réseaux.
De par son faible débit (et ce malgré
lavancée majeure portée par larrivée
du GPRS), le GSM-R 2G est souvent considéré comme le
point limitant du système ERTMS. La question sest alors
posée de remplacer les protocoles GSM-R par un autre type de
connectivité plus performant. Les dernières réflexions
de lUIC et de lAgence ferroviaire européenne (ERA)
ont montré une nette préférence pour la 5G, un
choix soutenu ce nest pas une surprise -, par de nombreux
fournisseurs de télécommunications et de grands opérateurs
ferroviaires européens. En fait, la technologie 5G est la base
de la nouvelle norme FRMCS, mais la 5G est nécessaire à
la numérisation des chemins de fer. Cependant, les entreprises
ferroviaires devront conserver leurs propres réseaux mobiles
à part, car les opérateurs mobiles ont exclu lutilisation
de leurs réseaux commerciaux pour des raisons juridiques. Lusage
de la 5G permet une augmentation du débit, une diminution de
la latence, une standardisation des protocoles qui seront adaptés
aux autres marchés et aussi une diversification de la concurrence.
Cest surtout la promesse dun réseau plus fiable
avec un haut niveau dengagement.
Lurgence de développer une norme basée
sur les spécifications 3GPP telles que décrites plus
haut (Release 16, ou supérieure), compatible avec la bande
harmonisée mise à disposition du GSM-R (900 MHz), est
requise par la révision du règlement européen
(UE) 2016/919 de la Commission, prévue pour 2022 et qui doit
inclure cette nouvelle norme ainsi que le FRMCS et dautres fonctionnalités
innovantes, pour actualiser et améliorer les performances de
lERTMS et faciliter son déploiement.
Lintroduction de la technologie 5G (version
R16 ou R17) offre une série dopportunités spécifiques:
Efficacité spectrale améliorée
Le GPRS représente déjà une étape
significative par rapport à la logique de commutation de circuits,
multipliant jusquà quatre fois lefficacité
spectrale. Dautres améliorations significatives sont
attendues avec la 5G;
Surmonter le double système voix-données actuellement
utilisé, qui complique toute larchitecture et augmente
considérablement les coûts embarqués. Cependant,
la définition dune architecture ERTMS et de radio embarquée
pour la modernisation et pour les nouveaux véhicules sera cruciale
pour saisir cette opportunité;
Nouvelles fonctionnalités avec lintroduction des «
game-changers » pour les systèmes de commande, de signalisation
et de contrôle des chemins de fer (notamment, mais pas exclusivement,
pour lATO), y compris la communication vidéo pour les
conditions dégradées;
Cyber-résilience élevée et obtention dune
technologie fiable pour la grande et la très grande vitesse
(jusquà 500 km/h).
Larchitecture FRMCS
Compte tenu de laugmentation encore inconnue des
demandes de communication mobile dans les chemins de fer, il est nécessaire
que le concept FRMCS soit très flexible, en termes dindépendance
de technologie porteuse, de manière à être à
labri de lévolution spectaculaire du secteur des
télécommunications, et quil soit aussi évolutif,
extensible et enfin plus durable du point de vue économique.
Pour ce faire, il fallait une architecture de pointe qui non seulement
intègre les dernières technologies, mais permet également
lintroduction de technologies futures. Alors que le GSM-R est
un système peu flexible car il est traité comme un seul
bloc, le FRMCS découplera les applications, les services et
le transport pour permettre une plus grande indépendance et
une plus grande flexibilité du support de transport. Cela signifie
que lon passera dune approche centrée sur la voix
à une approche centrée sur les données. Cest
là que nous voyons limportance de la 5G. Le découplage
permet doffrir davantage de services il existe actuellement
certaines restrictions à lutilisation des réseaux
publics et la norme FRMCS offrira également une plus
grande souplesse en matière dinteropérabilité.
La définition et lintroduction des FRMCS permettront
de faire face à ces tendances, en offrant une flexibilité
suffisante en termes de fonctionnalité, de capacité
et de performance, et en permettant une réduction des coûts
grâce à lutilisation de technologies, de produits
et/ou de services de télécommunications commerciaux
courants, tout en maintenant linteropérabilité,
qui est la clé dun espace ferroviaire européen
intégré.
Cette modularité permet de distinguer
et de séparer les fonctions critiques (liées à
la gestion du trafic et à lintégrité des
trains), des fonctions « non-critiques » annexes, comme
les services à bord aux voyageurs.
Sécurité
Le FRMCS devra disposer dun spectre dédié pour
les applications critiques. Les besoins des chemins de fer en matière
de performance des trains et dinfrastructure intelligente doivent
également être couverts et savéreront bien
plus importants en quantité que les besoins actuels. Les applications
critiques FRMCS, ainsi que leurs options technologiques, sont principalement
liées aux fonctions de communication (voix et données)
strictement liées aux opérations ferroviaires avec des
implications en matière de sécurité.
FRMCS est donc une architecture flexible et modulaire
qui peut fonctionner avec une variété de technologies,
notamment lEthernet (câble), le Wi-Fi, le réseau
sans fil de point à point, ainsi que les radios cellulaires
LTE/5G. La 5G utilisée pour FRMCS est une architecture dite
« cloud-native », cest à dire virtualisée
et modulaire, et qui permet une meilleure évolution et peut
fournir une gamme de services plus large. Le réseau 5G est
piloté par logiciel et est programmable, ce qui le rend beaucoup
plus automatisable et ce qui facilite lintroduction de nouvelles
applications. Cela signifie que le rail peut tirer parti des investissements
existants en matière de connectivité et quil sera
en mesure dévoluer avec larrivée de nouvelles
évolutions technologiques. Les avantages pour les chemins de
fer sont que le FRMCS fournit non seulement les mêmes fonctionnalités
que le GSM-R applications vocales radio pour les trains et
données ETCS -, mais peut également changer la donne
pour lERTMS, par exemple pour la numérisation des chemins
de fer.
Cest un élément crucial pour faire
du chemin de fer un transport davenir et durable.
A suivre.
sommaire
Cet article ne prétendait pas couvrir
lensemble du sujet. il visait simplement à souligner
limportance dun réseau de télécommunication
denvergure nationale trop souvent méconnu.
Certes, cette entreprise "atypique" est
bien particulière du fait de son envergure nationale, la dispositions
demprises au sol permettant linstallation de câbles,
sa place dans léconomie française, lexistence
dun f'esprit cheminot" a tous les échelons de la
hiérarchie. Cependant, on y retrouve des caractéristiques
communes à bien dautres organisations, comme le poids
de la hiérarchie, les cloisonnements entre services, ainsi
que la recherche dun certaine perfection.
A lheure où lon parle de "déréglementation
en matière de télécommunications, il a semblé
utile de présenter lun des autres grands réseaux
français de télécommunication. Sil vient
loin derrière de celui de France Télécom à
bien des égards, il dispose datouts certains:
-il couvre lensemble du territoire français,
avec des circuits privés posés sur les emprises SNCF;
- il est caractérisé par un haut
niveau technique et les équipements quil utilise n'ont
rien à envier aux meilleurs équipements disponibles
en France ou à létranger;
- il dispose dun dense réseau commercial
au contact de la clientèle (gares et bureaux). Dans cette perspective,
il nest pas trop tard pour renforcer les liens de partenariat
entre les deux organisations.
Il conviendrait donc de veiller: à ce que la présente
coopération sur le plan technique puisse e prolonger le cas
échéant par dautres formes de coopération,
notamment sur le plan commercial; à ce que lamélioration
du service offert tant par la SNCF que par France Télécom
à leurs usagers respectifs, se traduise par le renforcement
de la coopération. Ainsi en est-il pour linstallation
systématique de cabines téléphoniques dans les
emprises SNCF (gares), installations auxquelles procède la
SNCF en liaison avec les chefs d Agences des télécommunications.
La demande croissante des usagers des gares en cabines téléphoniques
conduit à ce quen cas de modernisation de gares, le nombre
de cabines téléphoniques est doublé ou triplé.
Le cas particulier que posent ces cabines du réseau public
dans des emprises SNCF a été soumis aux dispositions
dune convention SNCF/rTT. Il est prévu que la SNCF doit
mettre à disposition des Télécommunications,
des emplacement en nombre suffisant dans les gares. Moyennant quoi,
une redevance revient à la SNCF (8% des recettes). Ce partenariat
gagnerai à être systématisé comme cela
semble être la tendance sur ce point précis: bornes Minitel;
exploitation de trois cabines par rame de TGV...
Limage de France Télécom est bonne
à la SNCF, ce qui permettrait daborder un nouveau partenariat
dans de bonnes conditions. FT était même perçue
dès juillet 1989 comme étant déjà passé
au stade de lentreprise malgré quelques vestiges de "lourdeur":
encore considéré comme un fournisseur, certains responsables
de la S.N.C.F. verraient bien France Télécom devenir
un partenaire. La création au sein de France Télécom
du Service des Grands Comptes, a été particulièrement
bien perçue à la SNCF (94); elle est certainement un
élément favorable pour une telle évolution.
Au-delà de ce cas particulier, on est donc
conduit à se demander si certains réseaux de "grands
comptes" daujourdhui ne seront pas les concurrents
ou les partenaires de demain des principaux opérateurs mondiaux
de télécommunication.
sommaire