sommaire
EN POLOGNE
1876 à quelques exceptions près,
le jubilé nest pas devenu loccasion de commencer
à travailler sur lhistoire de lémergence
et du développement des télécommunications polonaises.
Tout au long du XIXe siècle, exception faite
de la fin de la période napoléonienne et du duché
de Varsovie, la Pologne est niée comme entité nationale,
écartelée, partagée entre la Russie, la
Prusse (puis l'Allemagne), et l'Autriche (puis
l'Autriche-Hongrie).
Carte de l'Europe
jusqu'à la première guerre mondiale.
Vers 1795, l'ancien territoire de la Pologne est partagé
entre la Prusse, l'Empire russe et l'Autriche. C'est en 1918, après
la Première Guerre mondiale, que la Pologne va retrouver son
indépendance et qu'elle devient une république.
Pendant plusieurs dizaines d'années, jusqu'en août 1915,
Varsovie fut gouvernée par les Russes (voir
page Russie) .
Les téléphones sont apparus à
Varsovie dans la future Pologne dès 1877,
soit plus d'un an après l'obtention du brevet d'Alexander Graham
Bell.
Les téléphones ont atteint le Royaume de Pologne via
l'Allemagne, et l'intérêt pour l'invention est attesté
par le fait que leur production a commencé la même année.
Les premiers essais officiels avec des téléphones
ont été effectués dans le Royaume de Pologne
les 7 et 9 décembre 1877.
L'une des lignes télégraphiques du télégraphe
du chemin de fer Varsovie-Vienne sur la section Varsovie-Skierniewice,
longue de 9 milles, était utilisée pour la transmission
téléphonique.
"La voix n'était claire que pendant le silence complet
qui régnait lors des répétitions vers deux heures
du matin. À d'autres moments, les sons plus faibles transmis
par le téléphone disparaissent complètement,perturbés
par d'autres sons plus fort ".
Comme aucun fil indépendant n'avait été installé
pour le téléphone à des fins économiques,
des fils télégraphiques avait été utilisés.
Le jour, le téléphone sonnait constamment, il était
parasité par le bruit induit par des télégraphistes
des stations voisines. A partir de ce moment, les essais furent fait
avec des lignes séparées, supportés par des poteaux
différents de ceux du télégraphe.
En janvier 1878, une
ligne téléphonique relie des téléphones
installés dans la confiserie Semadeni du jardin Saski et l'atelier
du célèbre opticien de Varsovie Jakuba Pika przy ul.
Il y a eu également une tentative de diffuser un concert de
musique du jardin Saskiego au bâtiment de la gestion des eaux
à ul. Dobrej na Powislu.
1881 Six ans après
l'invention du téléphone la ville de Cracovie,
capitale historique de la Pologne, se dote d'un premier «
central » de 6 lignes.
Le musée de l'université Jagellonne abrite toujours
un « central » de 60 lignes installé
l'année suivante.
Parmi les heureux premiers abonnés se trouvaient, outre les
responsables municipaux, quelques médecins célèbres
ainsi que les services de l'archevêché.
Les autorités russes ont accordé une licence à
Bell en 1881.
Les premières villes de l'Empire russe, dans lequel Bell devait
construire un réseau téléphonique (utilisant,
entre autres, les technologies de la firme suédoise d'Ericsson)
étaient St.Riga et Moscou puis Varsovie. La licence
était valide pendant 20 ans jusqu'en 1901.
Comme en Amérique et dans d'autres pays européens, les
premières lignes téléphoniques à Varsovie
n'étaient pas montées sur des poteaux téléphoniques
dans la rue, mais reliés à des supports sur les toitures
:
Varsovie Paysage de la ville
filaire

|

Varsovie photo prise en 1901.
|
La structure est soutenue par des toiles d'araignées
d'échafaudages et sur des poteaux vous pouvez voir des centaines
d'isolateurs en céramique déjà installés.
La photo provient d'un album de la société Cedergren
(acquis plus tard par Ericsson) des archives de Stockholm.
Elle documente la création du second centre de téléphone
dans la ville . La structure est montée sur le toit de la maison
d'habitation.
C'est là que se trouve le central téléphonique
au troisième étage la société américano-belge
The International Bell Telephone Co.
dirigé par Anthony Olszewski, qui deviendra plus tard
le directeur du central téléphonique de l'entreprise
Ericsson.
Bell a été le premier opérateur de réseau
téléphonique à Varsovie.
Comme partout dans le monde à cette époque, les téléphones
Bell étaient alimentés par des piles chez l'abonné.
Ces constructions
sur les toits ont été retirées après 1928
sommaire
Les premiers téléphones installés à Varsovie
ont été importés d'Amérique. Plus tard,
de nouveaux modèles beaucoup plus modernes sont apparus
fabriqué en Suède par Ericsson.
Avant la mise en exploitation, il était nécessaire de
familiariser les habitants de la ville avec les principes des nouveaux
moyens de communication. Le 27 mai 1882,
l'un des journaux on pouvait lire :
" La compagnie de téléphone sachant faire sa publicité,
souhaite familiariser le public avec l'utilisation détaillée
du téléphone, à cette fin, comme nous en sommes
assurés, il reliera les confiseries Loursa à Saski Garden
et l'hôtel Europejski avec des fils téléphoniques".
L'expérience avec cette ligne et l'explication à tous
ceux qui souhaitent en savoir plus sur la construction commença
le 1er juillet de cette année.
13 juillet 1882 Les
appels téléphoniques tant attendus (c'était à
l'époque une avancée de la civilisation) furent reçus
par les habitants de Varsovie.
L'événement fut annoncé dans la presse :
"Le fonctionnement des téléphones à Varsovie
sera ouvert demain. Une centaine de branchements réservés
par le ministère dans la concession ont déjà
été effectués".
En 1882
A Varsovie le premier central téléphonique
avec une capacité de 200 numéros a été
mis en service, pour relier principalement des bureaux et des institutions.
Le jour de son lancement, 106 abonnés y étaient connectés
et qui échangèrent près de 15,000 conversations
par mois.
 |
Central manuel de Varsovie
Dessin de E. Protaszewicz
1882 L'intérieur de la salle d'éxploitation
téléphonique, est équipé de 4 standards
téléphoniques d'une capacité de 50 numéros
de téléphone chacun.
Capacité initiale du siège à Varsovie 200
abonnés, reliés en facade du commutateur sur 200
jacks .
Comme partout dans le monde à cette époque les
opératrices, le combiné à une main pour
parler, se tenaient debout devant les panneaux de jacks pour
mettre en communication les abonnés entre eux à
l'aide de cordons et de fiches.
Au sous sol, la partie répartiteur (rosace) permettait
de relier les câbles venant de l'extérieur avec
les positions de jack sur le standard afin d'ordonner et transposer
la position géographique de chaque abonné à
un numéro d'ordre (numérotation).
|
En 1882 à Varsovie, il y avait 163 abonnés,
fin 1883 ce nombre est passé à 302, puis en 1884 à
416, et en 1885 à 520 abonnés.
L'EXPOSITION D'ÉLECTRICITÉ DE VIENNE
1883.
... Les témoignages de la satisfaction impériale se
faisant attendre, nous ne croyons pas devoir différer plus
longtemps et nous extrayons du catalogue officiel les notes suivantes
relatives aux Polonais qui ont exposé.
Bruno Abdank Abakanowicz, électricien
à Paris :
1° appel magnétoélectrique, à l'usage des
lignes téléphoniques, fonctionnant sans pile à
une distance cle cent kilomètres. Cel ingénieux appareil
a été remarqué d'une façon toute particulière
par les électriciens et les spécialistes de tous les
pays:
2° Lampe électrique à arc avec réglage par
inertie d'un corps solide. Forme peu gracieuse, mais fonctionnement
régulier.
3° Intégrateur, instrument pour faire
l'intégration mécaniquement, applicable à la
résolution des équations différentielles, et
comme mesureur d'énergie dépensée clans les machines
électriques ou à vapeur.
A la suite de l'exposition M. Abakanowicz a,
été chargé d'organiser à Varsovie un bureau
technique pour les abonnements aux téléphones.
En 1886, il y avait 600 abonnés
au téléphone.
Le réseau téléphonique couvrant tout Varsovie
et Prague, comptait environ 800 abonnés », indique le
guide de Varsovie à partir de 1893.
Ce qui nous paraît étrange aujourd'hui
était normal au XIXe siècle dans le Royaume de Pologne
:
Tous les centraux téléphoniques ont été
mis en service ou devaient être mis en service le 13 janvier
ou le 13 juillet.
Cela était dû au fait qu'à cette époque,
dans le Royaume de Pologne, deux calendriers différents étaient
en vigueur : Julien et Grégorien.
La mise en service des centres en début ou en milieu d'année
(les 13 janvier et 13 juillet qui sont les premiers jours de ces mois
selon le calendrier julien) était associée à
un abonnement, facturé pour toute l'année ou six mois
à l'avance.
sommaire
1900 L'entreprise
Towarzystwo Akcyjne Telefonów,
de capitaux suédois, également connue sous le nom Cedergren,
a remporté un appel d'offres afin de développer le réseau
téléphonique varsovien pour remplacer le premier
réseau Bell d'origine.
À cette fin, deux bâtiments ont été construits
rue Zielna, dans le centre de Varsovie, pour y établir à
la fois un central téléphonique et le siège de
la société.
Le bâtiment a été construit entre 1904 et 1910,
en deux phases.
La partie basse, conçue par L. Wahlman, I. G. Clason et B.
Brochowicz-Rogoyski, a été achevée en 1904-1905,
tandis que la partie supérieure a été ajouté
entre 1907 et 1910.
Le bâtiment a été l'un des premiers bâtiments
en béton armé de taille considérable en Europe.
Vers 1900, il y avait déjà 2000 abonnés
Le hall principal
du central téléphonique au 37 rue Zielna à partir
de 1904

A gauche : Document de la Société de H.T. Cedergren
précisant le montant des frais d'abonnement. Varsovie, 1er
octobre 1900
A droite : Procuration accordée à L. Olszewski
par H.T. Cedergren avec les signatures
des membres du directoire.
En 1901, le réseau de Varsovie couvrait un rayon d'environ
8 kilomètres, des câbles souterrains reliaient pratiquement
tous les immeubles.
Une nouvelle usine a commencé à livrer tous les appareils
et appareillages de télécommunication à Varsovie

A gauche: spécimen de déclaration en polonais et en
russe pour les clients du H.T. Cedergren. Varsovie, vers 1901.
Au centre : Une armoire téléphonique dans la rue près
du bâtiment du siège au 37 rue Zielna, Varsovie vers
1901
A droite : 1902 Photo de groupe des travailleurs qui construisent
le central téléphonique au 37, rue Zielna.
1904 Ericsson est arrivé
grâce à la Cedergren - la
société qui a reçu une licence pour construire
un réseau téléphonique à Varsovie,
en remplacement de Bell. Ericsson est alors devenu associé
de façon permanente à Varsovie et à la Pologne.
Le premier central téléphonique a été
construit à Varsovie avec des équipements Ericsson
au 37, rue Zielna.
Le bâtiment a été conçu par J. G. Glason,
professeur à l'Université de technologie de Stockholm,
et l'intérieur a été conçu par l'architecte
polonais Bronislaw Brochwicz-Rogóyski.
À cette époque, environ 5 200 téléphones
étaient en service à Varsovie, la capacité du
central comprenait déjà 60 000 numéros. Le nombre
de téléphones à Varsovie augmenta si rapidement
que le standard dut bientôt être agrandi avec un bâtiment
adjacent : Zielna 39. Lorsqu'il fut mis en service, c'était
le plus haut bâtiment de tout l'Empire russe. À Varsovie,
il ne fut privé de sa palme prioritaire que dans l'entre-deux-guerres.
L'ouverture du nouveau standard équipé d'appareils Ericsson
a eu lieu le 16 novembre 1904.
1914 Une décennie plus
tard, le nombre d'actifs est passé à 33 000.
1915 Le développement de la téléphonie
de Varsovie a été arrêté par la guerre.
Pendant la Première Guerre mondiale, lorsque l'armée
allemande a occupé Varsovie en 1915, tous les abonnés
polonais ont été coupés du réseau. La
communication - le système nerveux de l'État - était
entre les mains de l'occupant.
Le mémorable 11 novembre 1918 est enfin arrivé et la
Pologne a retrouvé son indépendance.
Le désarmement massif des occupants a commencé. Les
employés polonais. ont été impliqués dans
le désarmement des Allemands et leur prise en charge des centres
téléphoniques.
Les premières années après le retour à
l'indépendance de la Pologne ont été consacrées
à l'élimination des dégâts et à
la reconstruction du siège et des réseaux.
Selon les statistiques, au 1er janvier 1921, il y avait 22
369 abonnés et 25 314 téléphones sur
le réseau de Varsovie (pour rappel, il y en avait 33 000 en
1914).
1920
Carte de l'Europe après la guerre 1914-18
Le 3 janvier 1918, le Conseil de régence
publie un décret intitulé «Sur l'organisation
temporaire des autorités suprêmes du Royaume de Pologne»,
qui confie les questions des postes et télécommunications
au ministre de l'Intérieur.
Ce qui est le plus significatif, le polonais a été officiellement
introduit comme langue postale officielle.
Le développement du service téléphonique
de Varsovie a été entravé par la guerre. Pendant
la Première Guerre mondiale, lorsque les troupes allemandes
occupèrent Varsovie en 1915, tous les abonnés polonais
furent coupés du réseau. Les communications le
système nerveux de lÉtat étaient
entre les mains de loccupant. Le fatidique 11 novembre 1918
arriva enfin. La Pologne a retrouvé son indépendance.
Le désarmement massif des occupants a commencé. Employés
polonais de H.T. a participé au désarmement des Allemands
et à la reprise des centraux téléphoniques. Cédèrgren.
Les monteurs de la Société se sont immédiatement
mis au travail et, pendant les premières semaines, ils ont
travaillé de l'aube au crépuscule. Le système
de télécommunications essentiel devait fonctionner parfaitement
pour le bien de la République indépendante de Pologne.
Les premières années qui ont suivi le rétablissement
de l'indépendance de la Pologne ont été consacrées
à réparer les dégâts et à reconstruire
les tableaux électriques et les réseaux. Selon les statistiques,
au 1er janvier 1921, il y avait 22 369 abonnés et 25 314 téléphones
dans le réseau de Varsovie (pour rappel, en 1914, il y en avait
33 000).
Après les centres manuels, arrivent les centraux
automatiques, la situation change rapidement par rapport à
la plupart des autres pays d'Europe alors très en retard sur
l'automatisation du téléphone..
Le gouvernement de la Pologne indépendante, s'occupant
de la communication et de la communication, a dû trouver un
partenaire approprié pour coopérer au développement
de la communication téléphonique.
 |
Après une courte période de transition,
lorsque l'accord provisoire était en vigueur, le gouvernement
polonais et la société anonyme suédoise
Cedergren ont créé
Polska Akcyjna Spólka Telefoniczna
(PAST) pour construire et exploiter
des réseaux téléphoniques.
Le statut PAST a été
approuvé par le ministre de l'Industrie et du Commerce
et le ministre du Trésor le 25 mai 1922.
Le choix s'est porté sur une entreprise éprouvée
qui a jusqu'ici développé avec succès les
réseaux téléphoniques : Ericsson.
Les employés de PAST se
composaient d'une équipe hautement qualifiée de
professionnels utilisant les derniers appareils Ericsson.
Désormais, le siège social de l'entreprise
est situé dans le bâtiment du 39 rue Zielna
(toujours le plus haut de Varsovie). Le lieu était réputé
pour son siège de Varsovie, qui, à l'époque
de sa construction, était le premier et le plus haut
gratte-ciel de l'Empire russe, ainsi que le plus haut bâtiment
de la ville de Varsovie.
|
La licence Cedergren expire
en 1922, en conséquence le bâtiment a été
repris par l'entreprise PAST.
C'est pourquoi il fut par la suite mentionnée par les Varsoviens
soit par le nom de Cedergren ou PAST, soit,
plus familièrement, "Pasta" (de l'italien "pâtes").
Pendant l'occupation allemande de la Pologne, il abritait le centre
téléphonique régional du Gouvernement Général.
En 1923, le ministère des Postes et
Télégraphes prends fin, confiant ses tâches au
Ministre de l'Industrie et du Commerce, et un an plus tard, la Direction
générale des Postes et Télégraphes
fut créée.
Cette solution s'est avérée partiellement couronnée
de succès et, afin de renforcer l'autonomie du service postal
par rapport à l'administration publique, le ministère
des Postes et Télégraphes a été rétabli.
En 1924, l'entreprise au capital suédois de 5 millions
de zlotys : La Polska Akcyjna Spólka
Elektryczna «Ericsson»,
a été créée.
Sa direction était située à Varsovie, dans le
bâtiment historique d'Al. Ujazdowskie 47.
La société a ouvert son propre atelier à Varsovie,
au 60 rue Mokotowska.
La demande croissante a incité le PAST
à ouvrir l'atelier de production de Welnowiec (Katowice) en
1932.
La société qui en a résulté a été
appelée Wytwórnia Telefonów
i Sygnalów Kolejowych Telsyg Sp. Akc.
sommaire
Le développement dynamique de la téléphonie
dans l'entre-deux-guerres a été assuré par les
centraux automatiques modernes SALME d'Ericsson.
Il convient également de mentionner que le nom SALME est une
abréviation polonaise - System Automatyczny Lars Magnus
Ericsson, vous ne trouverez donc pas ce terme dans la littérature
étrangère. Il s'agit de l'équipement fourni par
L.M. Ericsson pour la construction de réseaux téléphoniques
à Varsovie et dans d'autres villes. Il devient rapidement propriétaire
de la société d'exploitation, H.T. Cedergren, qui prend
en charge la supervision de l'ensemble du processus de construction
de lignes téléphoniques en Pologne et équipe
les abonnés d'appareils modernes. Depuis 1918, Cedergren est
identifié à Ericsson, bien que pour des raisons de continuité
le nom Cedergren soit toujours utilisé. Le marché polonais
s'est rapidement révélé si absorbant que L.M.
Ericsson a lancé ses propres usines d'assemblage en Pologne,
puis des usines de production.
1928
Bureau encore en manuel de Cracovie au coin des rues Potockiego
et Wielopole.
1928 En mars, une station téléphonique
municipale du système automatique « SALME»
a été ouverte à Cracovie d'une capcité
de 5 000 numéros, de la société « L.
M. Ericsson ». La construction des centraux a été
achevée dans les premiers jours de mars. Toutefois, en raison
des élections aux Chambres législatives qui se déroulent
pendant cette période, la date de lancement a été
reportée au 23 mars.
Le projet technique initial pour la construction de cette station,
conformément à l'accord conclu avec la société,
prévoyait l'extension progressive de ses installations selon
le système "Salme", tout en introduisant en même
temps une intermédiation sous la forme d'une liaison manuelle
spéciale pour la coopération de la station avec le système
Dietl existant. Selon les termes de laccord, lentreprise
était obligée de lancer les 1 000 premiers numéros
et le dispositif de coopération des systèmes Ericsson-Dietl
d'ici 20 décembre 1926, les 3 000 numéros suivants d'ici
20 aout.
1927 et les 1000 derniers numéros - au 1er janvier 1928.
C'est une technologie étonnante pour son époque, Strowger
est un terrible primitif comparé à cela. À Lódz,
un tel standard téléphonique a été lancé
en 1928 et il semble qu'il ait fonctionné jusqu'aux années
1990. Le système de transfert inter-registres a été
utilisé plus tard dans les systèmes informatiques modernes,
notamment dans la norme SCSI.
Les centres Ericsson ont rempli leur fonction pendant si longtemps
que le saut technologique suivant a été l'installation
de centraux AXE informatisés, qui sont toujours en service
aujourd'hui. Pendant de nombreuses années, les centraux téléphoniques
AXE ont été le produit phare d'Ericsson.
1929 - 1934 À Varsovie, en raison
de la demande croissante des services téléphoniques,
a été créé un réseau de six
centraux automatiques, situés entre autres à ul.
Zielna 39, ul. Piusa XI 19, ul. Brzeska 24, ul.
A. Felinskiego 39 et à Tlomackie 10.
Ces centraux ont été équipés de commutateur
ERICSSON 500 ou AGF500,
qui a été le principal système Ericsson pour
deux décennies afin d'équiper la Suéde et quelques
autres pays dont la Pologne.

Les selecteurs étaient disposés en éventails,
constitués déléments rotatifs de base (modèle
RVA avec balais de nettoyage des contacts intégrés)
horizontaux en forme de plateau à 25 positions tournant à
90°, donnant 500 points de sortie (25 positions angulaires de
sortie pour 20 positions commandées radialement, en profondeur,
par une tige plongeuse correspondant à 20 lignes possibles
pour chaque position angulaire).
Des arbres rotatifs verticaux distribuent lénergie motrice
au commutateur en tournant continuellement
Chaque plaque de sélection est entraînée par un
moteur commun dans chaque direction.
Un commutateur AGF 500 est capable de gérer jusqu'à
20.000 abonnés par cur de chaîne si toutes les
volumineuses extensions possibles sont installées. C'était
un produit dont Ericsson était très fier. (voir
une vidéo Ericsson sur le sujet) et si vous comprenez le
Suèdois,
une vidéo sur un centre en fonctionnement. Et une
autre ..
Au cours du mois de septembre 1934, l'automatisation
complète du système téléphonique de Varsovie
fut complétée par le raccordement des abonnés
restants, environ 4 300, desservis manuellement, au dernier des centraux
automatiques à construire.
Ceci a mis fin à un travail d'automatisation qui durait depuis
environ 5 ans, et une brève description de la planification
et de l'exécution du travail peut être intéressante
:
Déjà le réseau téléphonique local
était réalisé de telle manière que les
abonnés étaient tous desservis par un seul central,
Zielna, situé au centre de la ville. Il s'agissait d'un
système de distribution manuel comportant plusieurs tableaux
de distribution, disposés pour une capacité de 66 000.
Zielna
Tlomackie 
Le complexe était relié en série dans un cadre
de liaison intermédiaire spécial aux 3 halls A, B et
C.
Dans les halls A et B ont été installés des postes
de distribution manuelle avec des emplacements pour 25 000 et 20 000
prises locales respectivement, (Tlomackie) . Dans le hall C, il y
avait un système de distribution automatique
pour 15 000 personnes.
Au début de l'automatisation, un multiple pour 45 000 lignes
a été installé. toutes les positions et environ
44 200 abonnés étaient connectés à la
bourse. Le nombre d'abonnés connectés dans le hall A
était d'environ 24 800 et dans le hall B d'environ 19 400.
Il y avait un hall de réserve D, de taille similaire à
B et C. Le central national est installé dans le hall C. Un
nouveau central est installé. en cours de construction à
environ 1,3 km de Zielna.
Ancien
manuel de Zielna
À l'exception du hall D, il n'y avait aucun endroit où
un nouveau central automatique pouvait être installé.
Il a donc été décidé d'alléger
la bourse manuelle en construisant trois bourses dans d'autres quartiers
de la ville : une au sud, Piekna, une au nord, Tlomacki,
et une sur la rive est de la ville. la rivière Vistule,
Prague. Les bâtiments ont été conçus
et construits pour une capacité respective de 30 000, 30 000
et 10 000 lignes.
Le hall D a été aménagé comme centre de
transfert de trafic, pour gérer le trafic entre les centraux
manuels et automatiques pendant la période de transition.
Etant donné que l'ensemble du système de conduites en
ciment, avec ses câbles primaires et secondaires, aboutissait
à Zielna, une répartition des échanges telle
que décrite ci-dessus a nécessité des ajouts
à certaines parties du système de conduites ainsi qu'une
nouvelle pose considérable dans le réseau primaire.
Sur
cette figure , on peut voir le réseau de conduits à
Varsovie pour les câbles primaires ; sont indiqués
les conduits avant automatisation ainsi que les ajouts nécessaires
pour prévoir la pose des câbles primaires et des câbles
de lignes de jonction pour les nouveaux centraux.
Lors de la pose du réseau de câbles vers les nouveaux
centraux, les grands principes suivants ont été appliqués
: les câbles primaires qui menaient de Zielna à une nouvelle
zone de centralisation ont été divisés de manière
à ce que les parties des câbles qui longent les lignes
d'abonnés dans les sections extérieures du ville, où
un câble de 0,7 mm a été utilisé. Un certain
nombre de câbles primaires avec des conducteurs de 0,6 mm se
trouvaient dans le réseau et ceux-ci étaient utilisés
dans la mesure du possible comme câbles de jonction entre les
différents centraux automatiques. Des câbles de jonction
avec des fils de 0,7 mm ont été posés jusqu'au
central en cours de construction à partir de Zielna, où
se trouve le central de jonction entre le nouveau central et tous
les centraux automatiques de Varsovie.
Afin qu'il soit nécessaire le moins possible de fournir de
nouveaux câbles pour le relais du réseau en relation
avec l'automatisation, il était nécessaire, conformément
à ce qui précède, que l'automatisation et la
reconstruction du réseau se fassent par étapes.
Les premiers centraux qu'il a été jugé opportun
de construire dans ce but étaient Pigkna I, 10
000 numéros, et Praga, 3000 numéros. Parallèlement
à ces centres d'échanges, le central de trafic de transfert
à Zielna a également été construit ; tous
furent mis en service en octobre 1930, environ 8 500 abonnés
furent connectés à Pigkna I entre octobre 1930 et janvier
1931, et environ 1 800 abonnés à Praga en octobre 1930.
Les suivants furent développés Piekna II, 10
000 numéros, et Tlomacki, 15 000 numéros, les
7 500 premiers numéros à Pigkna II étant mis
en service en août-octobre 1931 par connexion d'environ 4 200
abonnés et les 2 500 numéros restants en juin 1932 par
environ 1 400 abonnés connectés. Ttomacki fut mis en
service en janvier et février 1932, environ 8 300 abonnés
étant connectés.
Après la mise en service des centraux mentionnés ci-dessus,
le central manuel du hall B de Zielna a pu être supprimé
et le hall utilisé pour un central automatique. La grande hauteur
du hall permettait de le diviser en deux étages. A l'étage
supérieur était installé un central automatique
pour 20 000 numéros Zielna I et II, à l'exception de
la distribution intermédiaire et du comptage, qui étaient
logés à l'étage inférieur qui servait
également de logement pour le mécanicien de la station
et les monteurs. Ce central fut mis en service en septembre et octobre
1933, environ 15 400 abonnés étant connectés.
En janvier 1934, environ 700 abonnés supplémentaires
furent connectés.
Dans le hall A, il restait à ce stade environ 4 300 abonnés
manuels qui devaient être automatisés. Pendant les travaux
de montage à Zielna I et II, en vue de libérer le hall
A, les anciens répartiteurs manuels pour 5 000 abonnés
ont été installés dans la salle de distribution.
Les multiples de ces 4 300 abonnés ont été disposés
dans le hall C, puis en partie occupés par le central. Peu
de temps avant la mise en service de Zielna I et II, ces abonnés
ont été transférés du hall A au central
provisoire mentionné, de sorte que le hall A était disponible
pour la reconstruction dès la mise en service de Zielna I et
11. Le hall B, comme le hall A, était divisé en deux
étages.
Au sommet de ceux-ci, un espace était aménagé
pour un échange automatique de 10 000 numéros (Zielna
I I I ) . Les compteurs de Zielna I I I ont été
placés dans la même pièce que les compteurs de
Zielna I et II. Les répartiteurs intermédiaires ont
été placés dans la partie inférieure du
hall A, où se trouvait également le central de jonction
pour le trafic entre le nouveau central principal et les centraux
automatiques. Les centraux Zielna I et II et Zielna I I I et IV, avec
une capacité combinée de 40 000 numéros, grâce
à la reconstruction décrite ci-dessus, les halls A et
B se trouvent au même niveau et une communication est assurée
entre eux, ce qui assure une surveillance efficace.
L'aménagement de Zielna I I I fut achevé en août
1934 et le central fut mis en service en septembre, les abonnés
manuels mentionnés ci-dessus, au nombre d'environ 4 300, étant
raccordés. Cela marquait lachèvement de lautomatisation.
Organisation technique :
Les numéros de téléphone comportent cinq ou six
chiffres dans la série de numéros 20 000 - 189 999,
ainsi que 10 numéros spéciaux des séries 01,
02 à 09, 00. Le système téléphonique est
divisé en unités de 10 000 lignes chacune. Un central
téléphonique est composé d'une ou plusieurs de
ces unités. A partir d'un multiple dans le premier sélecteur
de groupe, les lignes de jonction mènent directement à
un certain groupe de 10 000 numéros.
Ces lignes de jonction se terminent par d'autres sélecteurs
de groupe qui, avec les sélecteurs de lignes, gèrent
le trafic entrant vers le groupe de 10 000 lignes.
La figure montre un diagramme de répartition du trafic pour
le trafic purement automatique.
En ce qui concerne l'automatisation, les lignes de jonction ont été
rendues à trois fils, en partie parce qu'elles sont courtes
(seulement environ 10 % des lignes de jonction actuelles dépassent
3,1 km de longueur), en partie parce que les conduites et câbles
autrefois utilisés pour les lignes d'abonné manuelles
vers Zielna pouvaient être dans une très large mesure,
être utilisées comme lignes de jonction, et en partie
parce que les arrangements d'échange pourraient ainsi être
simplifiés.
Tous les sélecteurs de groupe sont actionnés par des
jeux de relais. Les détecteurs d'appels et les sélecteurs
de ligne de Piejoia, Praga et Tlomacki sont actionnés par des
commutateurs séquentiels, tandis qu'à Zielna, ces appareils
sont actionnés par des relais. Les deux modes opératoires
ont donné de bons résultats. Les registres sont connectés
directement aux lignes de cordon.
Pendant la période d'environ 4 ans pendant laquelle le central
manuel fonctionnait en même temps que les centraux automatiques,
il a fallu organiser un système de trafic combiné, qui
en principe était conforme à la figure suivante :

Prises de ligne de jonction vers les centres automatiques étaient
montés sur le multiple du centre manuel. Une telle prise était
prévue pour chaque groupe automatique de 10 000 lignes.
Conformément aux instructions contenues dans l'annuaire téléphonique,
l'abonné manuel demandait à l'opératrice du central
manuel le groupe auquel appartenait l'abonné automatique souhaité,
par ex. ex., 8 pour un abonné portant le numéro 8 22
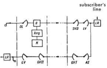
31 et 11 pour le numéro d'abonné 11 80 05. L'opérateur
a connectait l'abonné au groupe de 10 000 lignes demandé,
par l'une des prises mentionnées, auquel était connecté
un Sélecteur OL à 25 étages qui
recherchait automatiquement une ligne de jonction libre qui était
reliée à un opérateur disposant d'un registre
libre à jeu de clés. L'opératrice sur son clavier
répondait en donnant son numéro, sur quoi l'abonné
donnait les quatre derniers chiffres du numéro recherché,
soit 22 31 et 80 05 dans les exemples cités ci-dessus. L'opérateur
avec son clavier appuyait le numéro sur le clavier à
quatre chiffres, puis sur le bouton de démarrage, après
quoi le deuxième sélecteur de groupe GVII et le sélecteur
de ligne LV du central automatique étaient actionnés
et l'abonné automatique était appelé.
Les abonnés apprirent rapidement les chiffres caractéristiques
des groupes de 10 000 lignes, et la division du numéro en deux
parties ne présenta jamais de difficulté mais s'avéra
très simple.
Le trafic d'un abonné automatique vers un abonné manuel
est également visible sur la première figure :
Ce trafic était acheminé de manière simple, le
multiple d'échange manuel étant connecté à
un multiple de sélection de ligne, la connexion étant
ainsi obtenue de manière entièrement automatique. Conformément
au schéma de l'échange manuel, ce multiple de sélection
de ligne devait être réalisé à deux fils.
Le trafic en provenance des centraux interurbains et provinciaux a
été traité conformément à la figure
suivante :
Le processus de connexion était en principe le même que
celui décrit ci-dessus pour le trafic du central manuel vers
les centraux automatiques.
Les sélecteurs de lignes interurbaines LVint étaient
dans le même cadre que les sélecteurs de lignes pour
le trafic local et donnaient à l'opérateur interurbain
la possibilité d'annoncer un appel, de couper un appel local
et de sonner l'abonné, s'il le souhaitait.
Le trafic provenant du nouveau central interurbain en construction
sera traité conformément à la figure suivante
: 
L'opérateur interurbain établit le numéro entier
sur un jeu de touches à une ligne, après quoi toute
la connexion est effectuée automatiquement.
Organisation des transferts
Trois méthodes différentes ont été appliquées
pour le transfert des abonnés manuels vers les centraux automatiques.
Les deux premiers étaient utilisés pour les transferts
vers Piekna, Praga et Tlomacki et le troisième pour les transferts
vers le central automatique de Zielna.
Comme exemple de la première méthode, on peut prendre
les premiers transferts à Pigkna, i, c, les premiers transferts
à Varsovie, fig. 9.
Un trajet principal de câble avec des lignes d'abonnés
partait de Zielna jusqu'à une distance d'à peine 100
mètres du central de Pigkna. Une fois le répartiteur
principal de Pigkna installé et les conduites posées
vers le tracé principal mentionné ci-dessus, les câbles
AB et CD ont été posés. Dans le répartiteur,
les lignes du câble AB étaient connectées aux
lignes du câble CD au moyen des cavaliers EF et les fiches simples
E et F étaient insérées dans les prises de test
de la barrette de fusibles.
Ensuite, les câbles d'abonné en G et H ont été
rompus et la section de câble GH a été retirée.
A était alors connecté à G et C à H. Les
lignes des abonnés étaient ensuite acheminées
via le répartiteur de Piekna jusqu'au central manuel de Zielna.
Mais les bouchons E et F isolaient toujours les lignes du poste automatique.
Le contact J a été transposé au numéro
déterminé pour l'abonné concerné dans
le central automatique et le contact K a été transposé
de telle sorte que la ligne DN après le transfert puisse servir
de ligne de jonction entre Pigkna et Zielna. A Zielna, le fil de distribution
LM a été préparé avec la fiche M.
Le transfert effectif des abonnés vers le central automatique
a été réalisée en une nuit, ce qui a été
annoncé dans les journaux. Le transfert s'effectuait simplement
en retirant les fiches E et F de leurs prises et en mettant la fiche
M dans sa prise. Lorsque E a été retiré, les
abonnés étaient connectés au central automatique
et lorsque F a été retiré et que M a été
inséré, la ligne de jonction entre Zielna et Pigkna
était prête.
Plus tard, le fil de distribution OP a été coupé
et le fil de distribution OL a été posé à
la place du ML provisoire. De cette manière, aucune ligne de
connexion particulière n'a dû être tracée.
La deuxième méthode était rendue nécessaire
par le fait qu'il avait fallu poser de nouveaux câbles primaires
en grande partie à partir de Pigckna. Pour connecter les abonnés
à ces câbles, la méthode illustrée par
la Fig 10 a été utilisée.
L'abonné était auparavant connecté au central
manuel via le fil de distribution AB dans le boîtier de distribution.
Lors du transfert, qui s'effectuait principalement de nuit, le fil
de distribution était continué d'AB à AC, sur
lequel l'abonné était connecté au central automatique.
Dans le cadre de l'exécution proprement dite du transfert,
il convient a mentionné que dans les boîtiers où
il n'y avait pas de place libre pour les nouveaux répartiteurs
de terminaux C, les terminaux étaient connectés au câble
et accrochés provisoirement au boîtier. Au moment de
commencer le transfert, la borne B a été dévissée
et la borne C remise en place. Pendant que des travaux spéciaux
étaient en cours dans les boîtes de distribution, celles-ci
étaient enfermées dans un boîtier de protection
spécial constitué de panneaux.
Le transfert selon l'une des deux manières décrites
ci-dessus s'accompagnait dans chaque cas d'une modification des numéros
d'abonnés. Un nouvel annuaire a été publié
lors du premier d'une certaine série de transferts. Les premiers
abonnés transférés voyaient uniquement imprimer
dans l'annuaire leurs nouveaux numéros tandis que ceux pour
lesquels le transfert devait avoir lieu ultérieurement faisaient
imprimer à la fois leur ancien et leur nouveau numéro,
une lettre étant placée entre les deux numéros.
Tous les abonnés qui devaient être transférés
en même temps avaient leur numéro marqué par la
même lettre. mmédiatement avant qu'un transfert ait lieu,
les journaux l'annonçaient et tous les abonnés devaient
noter sur un tableau spécial sur la page de titre de l'annuaire
que, pour cette catégorie d'abonnés, les nouveaux numéros
étaient en vigueur.
Selon la troisième méthode, les transferts depuis le
central manuel de Zielna ont eu lieu dans les répartiteurs
de Zielna, conformément à la figure 11.

Entre le côté ligne du distributeur et le répartiteur
pour le central automatique, un câble de distribution CD a été
inséré. En C, le nouveau fil de distribution était
fermement attaché à l'ancien fil de distribution AB
et en D, il était soudé. Le transfert, qui a eu lieu
de nuit, a été réalisé en détachant
A et en soudant C côté ligne du répartiteur.
En plus des trois modes de transfert ci-dessus, une autre méthode
a été appliquée. En ce qui concerne les transferts,
il convient en outre de souligner que le centre de trafic combiné
et les lignes de jonction ont été soumis à des
modifications considérables afin de pouvoir faire face aux
conditions modifiées résultant des transferts. Un exemple
peut être donné : au début de l'automatisation,
il s'agissait d'amener le trafic d'une grande station manuelle vers
deux groupes automatiques de 10 000 lignes. Plus tard, ce fut le trafic
d'un petit échange manuel
En plus des trois modes de transfert ci-dessus, une autre méthode
a été appliquée. En ce qui concerne les transferts,
il convient en outre de souligner que le centre de trafic combiné
et les lignes de jonction ont été soumis à des
modifications considérables afin de pouvoir faire face aux
conditions modifiées résultant des transferts. Un exemple
peut être donné : au début de l'automatisation,
il s'agissait d'amener le trafic d'une grande station manuelle vers
deux groupes automatiques de 10 000 lignes. Plus tard, c'est le trafic
d'un petit central manuel qui a dû être acheminé
vers sept centraux automatiques 10000 automatiques. L'échange
de trafic combiné a dû subir de grands changements du
début à la fin, il a dû pour ainsi dire vivre
selon le travail de l'automatisation.
Pour ces modifications, les dispositifs de connexion ont dû
être modifiés à maintes reprises, et c'est ainsi
que la capacité d'adaptation du système automatique
utilisé a prouvé sa valeur.
1936, tous les
centraux téléphoniques en Pologne étaient entièrement
automatisés, il n'y avait alors plus besoin d'opératrices.
|
Les opératries en Pologne au
tournant du 20e siècle.
Le rôle des femmes dans le processus de transformation
sociale est plus qu'important. Pourtant, on oublie souvent le
courage et la fougue des dames qui ont décidé
de faire carrière au début du XXe siècle.
C'est en 1918 que les femmes en Pologne ont reçu leurs
droits civils qui, entre autres, leur permettent de chercher
un emploi.
La manière dont ces droits étaient exercés
devait cependant être adaptée à la tradition
de lépoque - les opératrices de téléphonie
dEricsson étaient en effet des pionnières
dans ce domaine.
Pendant l'entre-deux-guerres, les centraux téléphoniques
de Varsovie exploités par Ericsson employaient plusieurs
centaines de femmes.
La nouvelle profession d'opératrice de téléphone
confère aux femmes prestige, avancement social et indépendance
financière.
Les talentueuses «jeunes filles de la tour», comme
on les appelait alors, devinrent une partie importante de Varsovie
de l'entre-deux-guerres.
La situation des femmes na pas été
rose - si elles nont pas de succession, nétaient
pas mariées à un mari riche ou navaient
pas de dot, elles ne pouvaient pas espérer beaucoup de
carrière.
Le rôle nouvellement établi d'un opérateur
téléphonique leur a donné du prestige,
de la promotion sociale et de l'indépendance financière.
La fille de l'un des téléphonistes
se souvient :
«Quand j'avais environ quatre ans - je crois que c'était
en 1931 - ma mère m'a emmenée une fois à
son travail dans la rue Zielna.
Nous habitions tout près, rue Twarda, et il m'est arrivé
que maman avait un jour de congé et nous sommes allés
nous promener dans le Saski Garden. Elle voulait probablement
me montrer son lieu de travail. Ce devait être le quatrième
ou le cinquième étage. Je n'ai fait qu'un petit
pas à l'intérieur car je me sentais timide. C'était
la salle, les rangées de ces dames. Et le silence ! Elles
avaient toutes des écouteurs sur la tête et sur
ce podium derrière eux, il y avait cette dame qui les
surveillait. "
Les candidats à l'emploi ont fait
l'objet d'une sélection très stricte.
L'entreprise recherchait des filles qui avaient une belle voix,
qui connaissaient le russe, le français ou l'allemand.
Des dames de bonne famille ont également été
choisies car cela garantissait les bonnes manières. Beaucoup
d'exploitants étaient des filles de la gentry foncière
polonaise que des rebondissements soudains de l'histoire venaient
de priver de richesse.
Personne n'a atterri dans la «tour suédoise»
par accident. Outre une supervision de fond, les gérants
ont également agi en tant que chaperons afin de garder
la réputation des opérateurs absolument intacte
et il y avait beaucoup de jeunes hommes qui voulaient flirter
avec «les dames de la tour suédoise».
Les futurs opérateurs téléphoniques
ont dû présenter des documents confirmant leur
réputation sans tache. Il était préférable
qu'ils soient recommandés par une personne de leur famille
qui avait déjà travaillé chez Ericsson
et qui pouvait se porter garant du nouvel employé.
Ces critères d'avant la Première Guerre mondiale
n'ont pas changé dans l'entre-deux-guerres.
Vers 1906, la société Cedergren
employait au total 171 opérateurs téléphoniques.
Les dames travaillaient sept heures par jour en équipes
de trois heures de travail, trois heures de repos et encore
quatre heures ou travail.
Le travail pour Ericsson a introduit une révolution dans
l'ordre social et la tradition de Varsovie.
Pour la première fois, non seulement les capacités
spéciales des femmes ont été remarquées,
mais elles ont également obtenu une sécurité
sociale et des normes de travail qui n'étaient pas connues
ici auparavant.
Les femmes employées dans les pâtisseries, comme
caissières, dans les chancelleries d'entreprises ou de
bureaux envient les opérateurs téléphoniques.
Travailler pour la compagnie de téléphone était
synonyme de prestige.
Le hall du central était situé dans les deux derniers
étages du bâtiment de la rue Zielna. C'était
le royaume de la technologie Ericsson.
Les opérateurs se sont assis derrière d'énormes
tableaux.
L'aménagement de la salle était similaire à
celui des bourses Cedergren à Moscou ou dans la lointaine
ville de Mexico. Cependant, l'architecture de la salle de Varsovie
était la plus moderne.
« L'étage supérieur est l'art de la technologie
à son meilleur. La salle est immense, cohérente,
sans voûte ni arcades et 12 mètres de hauteur.
Fabriqué entièrement en fer. La voix se perd dans
l'espace malgré le discours constant que les connexions
nécessitent, il y a un silence presque complet. Près
des standards sont assis les opérateurs «silencieux»
».
Chaque fois que le récepteur est sollicité par
l'un des abonnés, une lumière s'éteint
à travers les minuscules trous de la table du standard.
Les opérateurs silencieux transfèrent l'appel
reçu au moyen de l'équipement aux opérateurs
«parlants» assis en face d'eux, et c'est alors seulement
que nous entendons tout ce qui fait partie des règles
contraignantes, et parfois ce qui n'y est pas.
L'ensemble du processus compliqué de connexion n'a pris
que cinq secondes.
Il fallait être intelligent, rapide à assimiler
et avoir des nerfs d'acier. Parfois, l'efficacité du
travail atteignait jusqu'à 500 connexions par heure.
La merveille technologique, c'est-à-dire le centre de
la rue Zielna a été fréquemment visité
par les journalistes de Varsovie.
L'un d'eux a comparé le travail des opérateurs
téléphoniques à jouer du piano avec un
clavier silencieux.
«L'opérateur regarde devant la table pleine de
minuscules verres laiteux comme s'il s'agissait d'une partition
musicale. Chaque verre correspond à un seul téléphone.
"
Les opérateurs passaient leurs heures de travail dans
le hall «A» ou le hall «B» de la bourse.
L'endroit principal pour passer leur temps libre était
le salon du club situé au deuxième étage
du central téléphonique au 37 rue Zielna.
Il se composait d'une cuisine, d'un buffet, d'une salle à
manger et d'une chambre d'amis pour «se reposer ou recevoir
des gens de l'extérieur, ou même pour s'amuser
».
Les Suédois ont pris soin de leur personnel féminin.
L'employeur savait très bien que le meilleur remède
pour un mal de dos est une courte sieste pendant le quart de
travail fatigant. Pour cette raison, les opérateurs avaient
à leur disposition une salle de repos avec une chaise
longue et un buffet car «ce travail effectué était
dans la précipitation et le stress». La salle s'appelait
la chambre du club des opérateurs téléphoniques.
Le club était utilisé pour célébrer
officiellement différentes fonctions, telles que les
fêtes de nom des opérateurs. Il y avait un piano
dans le coin et les dames étaient les bienvenues pour
faire une sieste dans les fauteuils confortables. Il y avait
même une chambre avec deux lits située à
côté de la chambre du directeur. «Les opérateurs
de téléphonie qui terminaient leur quart de nuit
et ne pouvaient rentrer chez eux (beaucoup vivaient en banlieue),
pouvaient profiter du repos bien mérité»,
se souvient Jadwiga Waydel-Dmochowska.
La fille de l'un des téléphonistes venait parfois
chercher sa mère au travail. Une fois, elle était
accompagnée de sa tante. Janina était une pianiste
talentueuse dès son plus jeune âge, alors elle
était assise près du piano dans la chambre d'amis.
Dans les années 1930, À l'époque
de l'automatisation, le fonctionnement du téléphone
est devenue rentable et accélérait le processus
de connexion des utilisateurs, les opérateurs qui avaient
été licenciés n'étaient pas du tout
abandonnés par l'entreprise.
1936, tous les centraux téléphoniques en Pologne
étaient entièrement automatisés.
Selon les années de travail passées pour la société
de téléphone polonaise-suédoise , les femmes
recevaient jusqu'à cinq mille zloty polonais de départ.
Le représentant des travailleurs au conseil dadministration
a pu négocier une très bonne indemnité
de licenciement qui était versée aux femmes qui
avaient travaillé pendant au moins un an.
L'argent a été payé sur une base ponctuelle
ou par versements tout au long d'une année.
Les opérateurs téléphoniques de tout le
pays ont profité de ce privilège dans les années
1930.
Je vais construire une maison avec mon indemnité de
départ !
«Ma tante, qui était téléphoniste,
avait l'habitude de dire que la moitié de la villa de
Saska Kepa avait été construite avec l'argent
que les mécaniciens gagnaient avec les Suédois,
car ils étaient vraiment bien payés», se
souvient la fille de l'un des opérateurs.
Après l'automatisation en 1936, les opérateurs
ont tous reçu des avis et de lourdes indemnités
de départ. J'ai accompagné ma mère lorsqu'elle
a récupéré les transferts d'argent de la
poste. Maman a investi cet argent dans une entreprise de construction.
Puis la guerre a éclaté et tout a été
perdu ».
Une association d'opérateurs téléphoniques
a été créée en 1928 dans la société
polono-suédoise.
C'est sur la base de cet accord que les opérateurs téléphoniques
avaient droit à une indemnité de départ
élevée en cas de mise à pied.
Ne connaissant pas le contenu de ces accords avec les opérateurs
PAST, l'écrivain Kornel Makuszynski a déploré
le sort des «dames Ericsson». Il a écrit:
«Les pauvres, les pauvres dames. (...) Dommage, mais c'est
la vie. Inutile de pleurer, pauvres choses. (
) Nous sommes
tous obligés de faire face à ce destin lorsque
la machine nous prend simplement par le cou et nous jette dans
les escaliers en tant qu'humains inutiles, le dernier des Mohicans.
Aujourd'hui, le téléphone automatique a banni
les dames qui travaillent dur. Demain, un téléphone
sans câble détruira le téléphone
automatique, puis Lucifer inventera une machine que nous porterons
dans la poche dune veste. (...). "
|
Les commutateurs séquentiels de Praga,
Contrairement aux centraux Pigkna, Praga et Tlomacki, il n'y a dans
les centraux Zielna I, II et III de Varsovie aucun commutateur séquentiel,
les chercheurs d'appel et les sélecteurs étant actionnés
par des ensembles de relais placés à côté
des détecteurs d'appel et des sélecteurs respectifs
et directement connectés à ceux-ci au moyen de fiches
et de prises.
La disposition a été réalisée en rangées
simples pour chaque numéro 1 000, tandis que les relais de
ligne, pour des raisons d'espace, ont été
placés dans des rangées spéciales. L'arrière
d'une telle rangée dans Zielna III est représenté
ici :
.
À Zielna II, il y a 3 500 lignes destinées aux abonnés
PBX et pour ces numéros, les relais de ligne sont détachables
et connectés à leurs lignes respectives au moyen de
fiches de contact spéciales. Grâce à cette disposition,
il suffit de connecter autant de relais de ligne qu'il y a de lignes
connectées. Cela représente une grande économie
lorsque de nombreux numéros doivent être réservés
aux abonnés PBX.
Dans tous les centres, à l'exception de Zielna, les locaux
des batteries et des machines sont situés dans les caves.
Les câbles sont naturellement acheminés vers les caves,
d'où les câbles sont prélevés et acheminés
dans des blocs de béton spéciaux jusqu'aux répartiteurs.
Les locaux des commutateurs sont généralement situés
plus haut dans les locaux que les bâtis des distributeurs.
Des compteurs d'appels, un pour chaque abonné, sont placés
dans des locaux spéciaux pour faciliter le contrôle et
la photographie.
Il convient de mentionner qu'en même temps que l'automatisation
était complétée par le raccordement de Zielna
III, la signalisation horaire automatique au moyen de la machine de
signalisation horaire photoélectrique d'Ericsson, C'était
le premier de ce type à être mis en service .
Varsovie 1937 Liste des abonnés du réseau
téléphonique de la compagnie de téléphone.
sommaire
Le dernier investissement d'Ericsson en Pologne a
été réalisé en 1938.
À la veille de la Seconde Guerre mondiale, Ericsson et ses
sociétés associées employaient au total 5 500
personnes en Pologne.
Il ne s'agissait pas uniquement d'appareils de télécommunication.
Outre les téléphones, les standards téléphoniques
et les équipements de communication militaires, les usines
appartenant à L.M. Ericsson produisaient également,
par exemple, des dispositifs de signalisation ferroviaire.
À la veille de la Seconde Guerre mondiale, Ericsson et
ses sociétés affiliées employaient au total 5
500 personnes en Pologne.
Les usines appartenant à L.M. Ericsson ont produit en
Pologne tous les appareils de télécommunications, les
téléphones, les standards téléphoniques,
le matériel de communication militaire ... les dispositifs
de signalisation ferroviaire.
En 1938, on compte
un peu plus de 200 000 abonnés, répartis sur
4 049 centraux, pour une population de 34 millions d'habitants.
L'importance du réseau téléphonique reste directement
liée au degré du développement économique.
Ainsi, les régions orientales du pays disposent au total d'un
nombre de téléphones moins important.
En 1939, la capacité totale des
centraux de Varsovie dépassait 90 000 numéros et le
nombre d'abonnés 77 000. Toutes les unités de contrôle
automatique PAST étaient du système OS (SALME) de L.M.
Ericsson.
Le 1er septembre 1939,
à la suite de la signature du Pacte germano-soviétique,
son invasion par le Troisième Reich est l'événement
déclencheur de la Seconde Guerre mondiale.
Deux semaines plus tard, lallié soviétique de
l'Allemagne passe également à lattaque, prenant
ainsi l'armée polonaise en tenaille : la défaite est
rapide, accompagnée de pertes importantes, de part et dautre,
en dépit de la brièveté de laffrontement.
Le pays est immédiatement partagé entre les deux
assaillants.
La Liste des abonnés de Cracovie, doctobre
1939, était une publication secrète réservée
à lusage officiel. Chaque exemplaire était numéroté
afin de pouvoir déterminer à qui il appartenait.
Le central téléphonique s'appelait « Centrala
Wojskowa Kraków » et était situé ul. Wielopole
4, 1er étage. Les abonnés étaient reliés
au Bureau central militaire soit par des lignes de campagne, soit
par courrier postal au standard automatique. Les centraux téléphoniques
externes spéciaux suivants étaient reliés au
Bureau central militaire : Armée de l'air, Flotte aérienne
4, Aéroport de Cracovie, Commandement de la ville, Bureau du
chef du district de Cracovie, Police d'ordre, Police de protection,
92e bataillon de police, Direction des chemins de fer du Reich, Hôtel
Francuski.
Les téléphones publics pour les membres de la Wehrmacht
étaient situés au quartier général militaire
(ul. Wielopole 4), au 1er étage, et dans le bâtiment
du bureau de la voïvodie (ul. Basztowa 22), au rez-de-chaussée
sur le côté gauche. Il nétait pas autorisé
de passer des appels privés sur les lignes longue distance.
A cette période les centres automatiques de
la PAST étaient en système
L.M. Ericsson.
Dans le prix de l'abonnement, il était possible de faire jusqu'à
75 appels, dont le temps n'était pas limité. A Varsovie,
la PAST, proposait également un
deuxième abonnement, plus cher.
Pour 18 zlotys à l'époque (180 zlotys aujourd'hui),
le client pouvait faire 200 connexions. Si quelqu'un aimait les longues
conversations, il était dans une situation incomparablement
meilleure que les utilisateurs des téléphones d'aujourd'hui.
Chaque connexion supplémentaire coûte 60 à 70
centimes d'aujourd'hui, quel que soit le nombre de minutes.
L'abonné devait seulement faire attention à son langage
(jurer sur la ligne était punissable en se déconnectant
du réseau!)
Le grand succès de la téléphonie en Pologne était
principalement dû aux prix : presque tout le monde pouvait s'offrir
son propre téléphone bien que les utilisateurs de l'époque
se plaignaient encore de payer trop cher.
Pendant l'invasion nazie et le siège de Varsovie, les
employés des téléphones de Varsovie sont restés
dans leurs positions, maintenant le fonctionnement des communications.
Le système nerveux de l'État indépendant fonctionnait
toujours. Lorsque cela était nécessaire, les téléphonistes
organisaient une communication d'urgence.
De nombreux employés ont pris part à la lutte clandestine.
Pendant l'occupation, PAST était subordonné au bureau
de poste allemand de l'Est.
La prise du bâtiment de la PAST, a été l'un des
plus grands succès militaires pendant le soulèvement.
La PAST était dirigée par une équipe allemande
renforcée. Le bâtiment, dominant la région, a
rendu difficile les opérations des insurgés. Depuis
les étages supérieurs du bâtiment, les Allemands
ont tiré sur des civils avec des mitrailleuses. Plusieurs tentatives
d'occupation ont échoué au départ. Cependant,
après le 15 août 1944, les insurgés ont réussi
à isoler le lieu du monde extérieur.
Au cours de l'Insurrection du 20 août 1944, le bâtiment
a été libéré par les insurgés polonais
du bataillon AK (Armia Krajowa) "Kilinski après
20 jours de combats sanglants. Le bâtiment gravement endommagé,
a été reconstruit tout en simplifiant son architecture
après la seconde Guerre Mondiale
À Varsovie, la guerre a endommagé bâtiments et
centraux automatiques, après la chute du soulèvement,
les Allemands ont même demontés les centres en bon état
et détruit les principaux câbles de la rive gauche de
Varsovie. les centraux téléphoniques PAST
à Varsovie ont été détruits à 100%,
et les réseaux de téléphonie par câble
à 70%.

Expert en histoire des télécommunications M. W.L. J'ai
réglé les problèmes de télécommunications
à la Poste allemande de l'Est en termes d'informations techniques.
Voici ses explications :
1. En septembre 1939, le CA [Automatic Central Office] de Cracovie
avait une capacité de 13 500 NN [acronyme NN numéro
de téléphone] ; le standard téléphonique
était le système suédois Salme, fabriqué
par Ericsson, qui était très moderne à l'époque.
Cracovie 1939
2. Dans les centraux du système Salme, les abonnés étaient
groupés en groupes de 500. Après avoir compté
tous les numéros du registre d'octobre 1939 il semble
que les techniciens allemands n'aient pu reconstituer (et partiellement)
après la destruction du CA de Cracovie en septembre
1939 par les troupes polonaises en retraite seulement deux
groupes d'abonnés de 500 numéros chacun : 20 000
20 499 et 20 500 20 999.
3. 3 500 abonnés ne sont que 7 groupes sur l'échange
de 500 NN [numéros]. On ne sait pas s'il s'agissait du seul
nombre de groupes d'abonnés qui pouvaient être lancés
au standard, ou s'il s'agissait de la seule « demande »
de téléphones dans la capitale du Gouvernement général
le 1er juin 1940 ? Laffaire nécessite une enquête
plus approfondie.
4. Les communications téléphoniques sont divisées
en communications locales [il s'agit du CA standard automatique
3 500 NN] et longue distance. Les communications locales [Cracovie
et ses environs] étaient divisées en plusieurs systèmes
;
un. système civil c'est CA Cracovie.
Pour en savoir plus sur la façon dont les Allemands ont réparé
et repris le central téléphonique, consultez l'article
Krakauer Zeitung du 17 décembre 1939 ci dessous.
Des spécialistes allemands sauvent le
central téléphonique détruit par les Polonais.
Propre reportage de Krakauer und Warschauer Zeitung
La destruction insensée des Polonais a déjà
été éffacée. - Des milliers d'appels
doivent être « composés » séparément
- Un travail sérieux sur l'annuaire téléphonique.
Cracovie. 17 décembre 1939
L'annonce du décret du Gouverneur général
concernant la réglementation du central téléphonique
de Cracovie, qui nous a été communiquée
par la direction de la Poste allemande, nous a permis de nous
faire une idée de la situation actuelle de la téléphonie
longue distance dans le Gouvernement général.
La Poste allemande de l'Est (Deutsche Post Osten) a dû
faire face à une tâche difficile en assumant ses
responsabilités en matière de téléphonie
longue distance au sein du gouvernement général.
La justification à lépoque était
que la plupart des équipements téléphoniques
complexes avaient été détruits par les
Polonais. Les difficultés que cela a engendrées
ont désormais été largement surmontées.
Cependant, un fait important est que dans lancienne Pologne,
Varsovie était la capitale et cest là que
convergeaient les lignes du réseau téléphonique.
Cela pose actuellement également de nombreux problèmes
à Deutsche Post East dans le secteur de la téléphonie.
Dans le cadre du Gouvernement général, Cracovie
est désormais devenue le centre, en tant que siège
du Gouverneur général. Ce fait pose des défis
à la Poste qui, même sils peuvent être
surmontés, nécessitent des travaux qui prendront
des mois à réaliser.
Les Polonais ont détruit ce qui était
disponible.
Notre itinéraire à travers le central interurbain
de Cracovie nous conduit d'abord à la station de répétition,
où je rencontre le contremaître (Obermeister) Dietrich.
Il fut le premier fonctionnaire allemand à pénétrer
dans la gare ferroviaire interurbaine de Cracovie et y réalisa
également les premiers travaux. En traversant la grande
salle où se trouve le centre téléphonique
principal, le surintendant principal Dietrich nous raconte à
quoi cela ressemblait lorsqu'il fut le premier à entrer
dans le service. Pour le profane, un centre ressemble à
une étagère atteignant presque le plafond avec
une multitude de fils et de câbles emmêlés
qui s'étendent en faisceaux épais reliés
par d'innombrables broches et supports. Les Polonais ont coupé
tous les fils et interrupteurs avant de quitter la ville. Ils
ont également détruit les plans et les schémas.
Les postiers allemands n'avaient alors d'autre choix que de
« sonder » (c'est l'expression technique) t chaque
broche d'où partaient les fils coupés, c'est-à-dire
d'envoyer un courant de sonnerie et de déterminer ainsi
où menait le fil. C'était un travail ardu, mais
il a été réalisé relativement rapidement.
Les Polonais ont dû quitter Cracovie en toute hâte,
car ils n'ont pas causé de dégâts majeurs
ici. Le maître principal Dietrich, qui suivait de près
les troupes en marche et qui avait ainsi vu toute une série
de standards interurbains, nous a rapporté qu'à
Cieszyn, par exemple, un grand standard avait été
coupé à coups de hache. À Bielsko, ils
ont également eu le temps de causer des dégâts
bien plus importants au siège de l'armée. À
Cracovie, en revanche, ils nont pu causer que relativement
peu de dégâts. Déjà le 20 septembre,
les premiers appels longue distance pouvaient être effectués
à partir d'ici, de Cracovie, car c'est précisément
à cela que sert le standard.
Une nouvelle vie s'installe au siège
local
Au quartier général local, que nous avons visité
la dernière fois, les Polonais n'ont presque pas causé
de dégâts lors de leur départ soudain, semblable
à une fuite. Actuellement, on entend à nouveau
un bourdonnement et un vrombissement vifs à l'intérieur
des appareils, ce qui indique un mouvement animé de conversations
locales. Lorsque le Maître Dietrich entra dans cette salle
à ce moment-là, des conversations y avaient encore
lieu. Bien entendu, pour des raisons militaires, le trafic civil
sur le réseau local a dû être immédiatement
bloqué.
Une visite rapide au siège interurbain
nous a convaincu qu'environ un tiers des appareils qui s'y trouvaient
étaient de nouveau opérationnels. Les liaisons
entre Cracovie et le Reich fonctionnent déjà relativement
bien. Les liaisons entre Cracovie et les villes du Gouvernement
général sont problématiques. Mais dans
ce cas aussi, une solution pourrait être trouvée.
Les lignes interurbaines du Gouvernement général
ainsi que de nombreux échanges interurbains ont été
détruits à de nombreux endroits, généralement
par les Polonais eux-mêmes. Il a donc fallu également
établir d'importantes connexions téléphoniques
à l'aide de lignes et d'appareils de fortune. Il était
souvent nécessaire dutiliser des stations répétrices
mobiles, dont on ne pouvait pas sattendre à ce
quelles fournissent les performances des répéteurs
fixes.
500 appels longue distance par jour
Malgré cela, en moyenne 500 appels sont actuellement
passés via le central téléphonique longue
distance de Cracovie. Laissant de côté la question
des lignes téléphoniques, se posait la question
du personnel du standard interurbain. Lexpansion du service
nécessite le recours à des forces ethniques allemandes.
Comme on le sait, seules quelques personnes sont aptes à
effectuer des appels longue distance, ce qui explique les difficultés
rencontrées par le central téléphonique
de Cracovie. À la fin de notre promenade, nous avons
appris davantage sur la façon dont les appels téléphoniques
sont calculés. Au sein du Gouvernement général,
on utilise les mêmes calculs d'appel que dans le Reich.
Il résultera des appels locaux et longue distance et
sera réparti selon les mêmes coûts sur les
reçus de facturation (Lastzettel) ...
Fragment du standard du central interurbain de Cracovie.
C'est ici que les Polonais ont coupé tous les fils. Ils
n'ont cependant pas tenu compte de l'efficacité des postiers
allemands qui ont relié certaines lignes après
quelques jours. Photo : H. Birkel
|
Après plusieurs années d'occupation
nazie, les accords de Yalta privent le pays d'une partie des anciens
territoires.
Les frontières se déplacent et le nombre d'habitants
n'atteint plus que 27 millions.
En 1941, l'Allemagne repousse son ancien allié
soviétique jusqu'à Moscou, et occupe seule jusqu'en
1944 l'ensemble du territoire polonais qui est asservi et devient
notamment, de même que l'ouest de l'Union soviétique,
, le lieu de meurtres de masse commis par les nazis, dont l'essentiel
de la Shoah.
En 1944, un gouvernement provisoire est formé sous le
contrôle de l'Union soviétique, qui fait de la Pologne
d'après-guerre l'un de ses États satellites.
sommaire
Reconstruction d'après-guerre
Les frontières se déplacent et le nombre
d'habitants n'atteint plus que 27 millions. L'occupant allemand et
plus tard les « forces fraternelles » de l'Armée
rouge ont laissé le pays dans un état de dévastation
inimaginable. Pratiquement toute l'économie nationale est à
reconstruire.
Au sortir de la guerre, il subsiste seulement 1 408 réseaux
téléphoniques urbains (rappelons qu'il y en avait 2
708 en 1938).
Peu après la libération de Varsovie, en janvier 1945,
le Bureau pour la reconstruction des équipements téléphoniques
de la capitale (BOTUS) a été créé au sein
du ministère des Postes et Télégraphes. Sa mission
était de déterminer l'étendue des dégâts
causés aux centraux SALME et à leurs appareils de ligne,
de reconstruire les appareils dévastés et de lancer
la communication téléphonique automatique. Les groupes
de rassemblement étaient principalement composés danciens
employés du PAST.
Le premier centre automatique à être reconstruit était
le CA Sródmiescie du système SALME. Le lancement du
quartier général le 25 novembre 1945 fut considéré
comme un événement important d'importance nationale.
Le siège du centre-ville a été agrandi au cours
des années suivantes et un autre siège de SALME a été
inauguré à Mokotów.
À ul. Nowy Swiat 42 était le bureau technique d'Ericsson
ouvert en 1948. C'est Ericsson qui a rénové ce bâtiment
détruit pendant la guerre. Le bureau a survécu jusquau
milieu des années 1980. Cependant, au cours de son existence,
pour des raisons politiques, aucun succès particulier n'a été
enregistré dans la coopération avec la Pologne. Au début
des années 1970, il était même question de fermer
le bureau.
La période d'après-guerre a été associée
à la limitation des activités d'Ericsson en Pologne.
La nationalisation de la compagnie polonaise de téléphone
par actions et de l'usine de Radom a été annoncée.
Des accords ont toutefois été signés pour la
fourniture d'équipements de télécommunications
et un accord de licence pour la production de tableaux de distribution
croisés dans l'usine de Radom.
Dans le cadre de l'accord polono-suédois de 1947, des opportunités
se sont présentées pour la livraison de centraux téléphoniques
Ericsson à la Pologne. Le ministère des Postes et des
Communications a décidé d'introduire les centraux croisés
les plus modernes de l'époque. Un accord de fourniture a été
signé, ainsi qu'un accord de licence couvrant l'assistance
complète d'Ericsson dans le lancement de la production de centraux
d'interconnexion automatique en Pologne.
Malheureusement, contrairement à lavis de la grande majorité
des spécialistes et ingénieurs polonais, les deux contrats
ont été invalidés par la partie polonaise. La
production de tableaux de distribution croisés dans le pays
devait commencer en 1953. Ces années n'étaient pas propices
au développement de la coopération avec des entreprises
de pays extérieurs au bloc soviétique.
Bien que leur reconstruction progresse de façon rapide, trois
années seulement seront nécessaires pour atteindre la
situation d'avant-guerre, l'utilisation du téléphone
reste néanmoins sensiblement réduite.
Le nombre d'abonnés, qui avait chuté de façon
vertigineuse (68 400 en 1945 contre 200 000 en 1938), croît
lentement, pour atteindre le niveau d'avant-guerre seulement au cours
des années 1950.
Il en est de même avec le nombre total des conversations téléphoniques
(plus de 550 millions en 1938, seulement 300 millions en 1946 et 420
millions en 1947).
Une analyse plus rigoureuse montre une étonnante et rapide
augmentation des conversations interurbaines et internationales, dont
la part passe de 5 % en 1938 à 11% en 1947.
Cette évolution traduit bien l'évolution
du rôle social attribué au téléphone par
le nouveau pouvoir.
Au lieu d'être un moyen qui rend possible et facilite la communication
entre les gens, il devient tout d'abord un instrument de gestion et
de contrôle de la population au service du pouvoir communiste.
Soulignons à ce propos que la majorité des nouvelles
lignes téléphoniques, mises en service dans les années
qui suivent la guerre, sont utilisées par les divers échelons
de l'administration.
Le téléphone devient non seulement un instrument aux
mains du pouvoir mais aussi un attribut extérieur de celui-ci.
La place, la couleur et le nombre des appareils téléphoniques
sur le bureau d'un directeur traduisent directement son influence
et son prestige (ce qui n'est pas, bien entendu, une caractéristique
purement polonaise).
La particularité des pays communistes réside plutôt
dans le faible usage fait du téléphone par les membres
de la « société civile ».
Le propre d'un pouvoir de type totalitaire, et c'est
en ces termes-là qu'il convient d'analyser le pouvoir communiste
polonais, est précisément d'établir un contrôle
quasi parfait dans le domaine de la communication.
L'utilisation courante du téléphone permet, normalement,
un libre échange d'informations, participant ainsi au développement
d'un espace d'autonomie individuelle et sociale.
Faut-il s'étonner alors du faible intérêt accordé
par le pouvoir au développement de la télécommunication
?
Si nous ajoutons à cela un recours massif à la pratique
des écoutes téléphoniques (les enregistrements
des conversations privées furent par la suite utilisés
par la police politique à l'occasion des nombreux procès),
nous pouvons mieux comprendre les raisons du retard de la Pologne
dans le domaine des télécommunications.
Instrument aux mains du pouvoir, le téléphone jouit
auprès de l'opinion publique d'une image assez défavorable.
La Société polonaise de téléphone
par actions (PAST) Polska Akcyjna
Spólka Telefoniczna
Elle a été créée pour moderniser et
adapter les télécommunications aux besoins croissants.
Fondée en 1922 à Varsovie sur la base du capital
de la société « Cedergren », qui détenait
depuis 1901 une concession du gouvernement russe pour construire
un réseau téléphonique.
Le premier central téléphonique a été
ouvert le 16 novembre 1904. Il était équipé
de matériel Ericsson.
En 1914, le réseau de Varsovie comptait environ 33 000
personnes. abonnés.
Dans les années 1918-1921, les réseaux de télécommunications
détruits pendant la guerre ont été reconstruits.
Le 25 mai 1922, le gouvernement polonais et la société
anonyme suédoise Cedergren fondèrent la Société
anonyme polonaise de téléphone (PAST), dont le siège
social se trouvait dans le plus haut bâtiment de Varsovie
à l'époque, ul. Zielna 39. La société
a reçu une concession pour 25 ans, "Cedergen"
possédait 3/7 des actions. L'entreprise opérait
à Varsovie, Lódz, Lviv, Lublin, dans le bassin de
Dabrowa, Bialystok, dans le bassin de Boryslaw et à Bydgoszcz.
PAST-a était la plus grande entreprise d'exploitation téléphonique
en Pologne avant 1939. Le directeur de la société
était Aleksander Stefan Jerzy Olendzki.
En 1927, la société introduit un type standardisé
d'appareil téléphonique et installe des compteurs
dans les centraux.
En 1928, Olendzki a lancé le processus d'automatisation
du téléphone en Pologne.
En 1934, des centres d'horlogerie et des machines auto-collectives
sont créés. Ils utilisaient tous le système
d'exploitation (SALME). Depuis 1924, la compagnie électrique
polonaise « Ericsson » (PASE) existait, qui exploitait
des ateliers de télécommunications à Varsovie
et à Welnowiec. Le capital suédois s'élevait
à 5 millions de zlotys.
Dans les années 1930, la production d'équipements
de télécommunications modernes a été
déplacée vers le district industriel central . Ont
été produits, entre autres, des téléphones
et des équipements de communication militaires, ainsi que
des tableaux de distribution et de signalisation ferroviaires.
En 1939, Ericsson et ses sociétés associées
employaient au total environ 5 500 personnes en Pologne. employés,
les standards téléphoniques PAST desservaient 77
000 abonnés avec 90 000 numéros. L'entreprise fut
subordonnée à la Poste allemande de l'Est le 1er
octobre 1940.
Après 1945, l'Office pour la reconstruction des équipements
téléphoniques de la capitale commença le
processus de reconstruction des centraux téléphoniques
et des réseaux détruits. Le premier a été
inauguré le 25 novembre 1945 dans le quartier de Sródmiescie
à Varsovie.
PAST avais reçu une licence pendant 25 ans, soit jusqu'en
1947.
En 1948, les actifs de la société PAST furent repris
par l'État.
Le Trésor public et Cedergren
ont reçu 3/7 actions chacun, et 1/7 actions étaient
destinées à être vendues à des personnes
privées (elles ont ensuite été également
achetées par l'actionnaire suédois) .
La société opérait à Varsovie (un
réseau fourni par "Cedergren") et à Lviv,
Lódz, Lublin, Bialystok, ainsi qu'à Zaglebie Sosnowiecko-Dabrowski
et Zaglebie Boryslawskie (réseaux fournis par le Trésor
public). |
La nationalisation
La société PAST n'a pas
été recréé après la guerre, et
ses biens ont été nationalisés par les autorités
communistes polonaises.
Les actifs de la société ont été repris
par l'État en 1948 .
En 1952, la république de Pologne est
rebaptisée « république populaire de Pologne
»
Cependant, des accords ont été signés pour la
fourniture d'équipements de télécommunications
et un accord de licence pour la production de nouveaux centres suédois
à système à barres croisées (Crossbar)
dans l'usine de Radom.
Comme beaucoup de pays en Europe, les systèmes de commutation
téléphoniques rotatifs ont fait leur temps, le nouveau
concept Crossbar remplacera les commutateurs de tous les anciens centraux,
mais en Pologne cette conversion ne se fera pas facilement.
En vertu de l'accord polono-suédois de 1947, les possibilités
de fournir des centraux téléphoniques Ericsson en Pologne
ont été créées.
Le ministère des Postes et des Communications a décidé
de mettre en place les centres à système à barres
(Crossbar) les plus modernes de l'époque. Un accord de fourniture
a été signé, ainsi qu'un accord de licence couvrant
l'assistance globale d'Ericsson dans le démarrage de la production
de centres automatiques en Pologne.
Malheureusement, contrairement à l'opinion de la grande majorité
des spécialistes et ingénieurs polonais, les deux contrats
ont été annulés par la partie polonaise. La production
de système à barres (Crossbar) dans le pays devait démarrer
en 1953.
Ce ne sont pas les années propices au développement
de la coopération avec des entreprises de pays extérieurs
au bloc soviétique.
Considéré pendant des années
comme un bien rare et difficilement accessible en même temps
que comme un instrument de contrôle politique, le téléphone
a devant lui un grand avenir dans tous les pays du post-communisme.
En particulier en Pologne, où le retard dans le domaine des
télécommunications a été particulièrement
fort.
Avec seulement 3,5 millions d'abonnés (ce qui correspond à
9 lignes pour 100 habitants), la Pologne occupait au début
des années 90 une des dernières places en Europe.
Depuis, plusieurs institutions internationales, en particulier la
Banque mondiale, ont décidé d'accorder d'importants
crédits au gouvernement polonais, destinés à
la modernisation des réseaux de télécommunication.
On estime à plus de 15 milliards de dollars les investissements
nécessaires pour combler le retard existant.
Pourtant, le développement de la télécommunication
en Pologne n'est pas seulement une question de technologie et de crédits.
Il dépend aussi d'un certain nombre de facteurs proprement
culturels et sociaux.
Les Polonais, obligés à vivre pendant des années
dans un contexte de pénurie généralisée,
ont développé un rapport particulier au téléphone.
Identifié à l'univers du pouvoir et des institutions,
le téléphone a toujours du mal a être considéré
comme un outil de travail naturel ou comme un bien de consommation
banal.
Ce n'est qu'au cours des années 80 que la situation dans ce
domaine a commencé à changer. L'augmentation récente
du prix des communications et l'état de délabrement
dans lequel se trouve une grande partie du réseau (on une chance
sur cinq d'obtenir du premier coup la communication demandée),
font que, pour la majorité des Polonais, le téléphone
reste toujours un sujet qui pose en fin de compte plus de problèmes
qu'il n'en résout.
Jusqu'à la Seconde Guerre mondiale, l'évolution de la
télécommunication en Pologne est comparable à
celle des autres pays de l'Europe continentale. Cela reste vrai notamment
en ce qui concerne les grands centres urbains. L'importance du réseau
téléphonique reste directement liée au degré
du développement économique. Ainsi, les régions
orientales du pays disposent au total d'un nombre de téléphones
moins important.
La Seconde Guerre mondiale constitue pour la Pologne une épreuve
particulièrement tragique.
Bien qu'au cours des années 1950-1980 on installe
en moyenne environ 60 000 lignes par an, la fonction sociale du téléphone
restera pratiquement inchangée. Instrument étranger,
symbole d'une présence hostile du monde extérieur des
institutions, il est considéré rarement comme un moyen
rapide de communication, à la portée de tous. Utilisé
plus souvent pour prendre des rendez-vous que pour converser ou pour
obtenir directement l'information souhaitée et, a fortiori,
pour la divulguer, le téléphone occupe une place assez
restreinte dans la vie privée des Polonais.
sommaire
En 1980, sur un
nombre total de 1 943 000 abonnés, environ 700 000 sont
des institutionnels, tandis que le nombre des abonnés privés
dans les campagnes (où habite plus d'un tiers de la population).stagne
autour de 85 000.
Au cours des années 70, en dépit des discours du premier
secrétaire du Parti, Edward Gierek, sur la nécessaire
modernisation économique, il est couramment admis dans la Pologne
profonde que seules les institutions (milice, pouvoir politique et
administratif, écoles, fermes d'Etat et paroisses) disposent
d'un poste de téléphone.
Le plus souvent, d'ailleurs, pour recevoir des directives venues «
d'en haut ». Le réseau téléphonique dans
les campagnes restera de fait très pauvre tout au long des
années 80 : 8 000 localités en étaient dépourvues
en 1989 et, dans beaucoup d'autres, les centraux manuels ne fonctionnaient
qu'une partie de la journée.
Au cours des années 70, les habitants des villes
vivent parfois les pires cauchemars pour obtenir une nouvelle ligne.
La construction des nouveaux quartiers n'est pas accompagnée
par un développement de la télécommunication.
Dans la plupart des centres urbains, il faut attendre en moyenne
entre quinze et trente ans pour pouvoir jouir de son propre
téléphone privé.
Le temps d'attente n'est pas le même pour tout le monde, les
services techniques étant prêts à faire des miracles
pour un membre de la nomenklatura, quitte à priver d'une ligne
l'entreprise ou le magasin du coin. Les problèmes d'installation
sont donc perçus avant tout comme une question politique.
De même que dans les autres domaines de la vie
sociale, le mouvement Solidarnosc va constituer une sorte de révolution
dans le domaine du rapport des Polonais au téléphone.
Le mouvement social polonais, né des grèves ouvières
dans les chantiers navals de Gdansk, a certes plusieurs significations.
Dans le domaine qui nous intéresse, il représente une
sorte de formidable « libération de la parole ».
Les comités du nouveaux syndicat qui se constituent au cours
de l'automne 1980 exigent le plus souvent un local et l'accès
à une ligne téléphonique.
La question cruciale pour une société civile en voie
de reconstruction reste en effet le rétablissement des liens
autonomes et la possibilité d'échanger rapidement des
informations. Le téléphone, à côté
de la presse libre, devient un instrument naturel de l'action syndicale.
Il n'est pas étonnant, dans ce cas, qu'une des décisions
les plus spectaculaires prises par le pouvoir au moment de l'introduction
de la loi martiale, le 13 décembre 1981, ait été
de couper l'ensemble des communications téléphoniques.
Par la suite, après la remise en état du réseau,
toutes les communications seront accompagnées d'une mise en
garde, enregistrée sur un disque : « Votre conversation
est contrôlée. »
Mais les Polonais s'apercevront vite que ce n'est là qu'un
simple moyen d'intimidation et qu'aucun pouvoir n'est capable d'écouter
toutes les communications. La peur du fonctionnaire de la police politique
« caché dans l'écouteur téléphonique
», héritée de l'expérience des années
staliniennes, disparaît ainsi définitivement.
Il faut ajouter aussi qu'un des phénomènes
les plus importants repérable au cours des années 80
est, sans doute, l'internationalisation croissante des communications
téléphoniques.
En 1980, les Polonais avaient effectué 2,9 millions d'appels
à l'étranger et reçu 5,1 millions d'appels de
l'extérieur. Cinq ans plus tard, ces chiffres vont pratiquement
doubler pour s'envoler à la fin des années 80 (11 275
millions d'appels effectués et 31 959 millions d'appels reçus
en 1990).
Ce changement d'attitude par rapport aux conversations téléphoniques
avec l'étranger ne n'explique pas seulement par des raisons
psychologiques (disparition définitive du sentiment de peur)
ou technologiques ; il résulte avant tout d'une grande mobilité
de la société polonaise.
Les années 80 voient apparaître en effet d'importantes
vagues d'émigration, qui concernent avant tout une population
jeune et relativement bien éduquée, pour laquelle l'utilisation
du téléphone devient quelque chose de parfaitement normal.
Parallèlement à cette évolution
des mentalités, le pouvoir découvre de son côté
que le téléphone est un instrument absolument nécessaire
à la bonne marche de l'économie nationale.
La principale préoccupation des milieux professionnels,
dès le début des années 80, sera le retard technologique
croissant du réseau polonais.
Les responsables politiques partagent de plus en plus souvent ces
préoccupations.
Dès le début des années 80, à travers
une série de mesures, les équipes gouvernementales vont
essayer de lancer une nouvelle politique en la matière. Malgré
une crise économique sans précédent, l'urgence
de la téléphonisation est largement reconnue, même
si les première réalisations restent, somme toute, assez
modestes.
Ainsi, le plan adopté pour les années 1981-1985 prévoit
une production de 343 000 lignes dans la technologie E-10A (sous licence
Alcatel, achetée encore au cours des années 70), dont
270 000 destinées à couvrir les besoins locaux.
En 1983, le Conseil des ministres adopte un « programme
d'électronisation de l'économie nationale jusqu'en 1990
».
Ce programme prévoit en particulier la mise en service de 1
290 000 lignes nouvelles (dont 150 000 à la campagne), desservis
par plusieurs systèmes de centraux.
La réalisation de ces objectifs, relativement ambitieux à
l'époque, s'est avérée plus difficile que prévu
: jusqu'à la fin de 1989, la capacité des nouveaux centraux
n'a été que de 733 000 lignes, tandis que les commandes
de câbles n'ont pu être réalisées qu'à
hauteur de 63 % des commandes initiales.
En 1987, devant l'ampleur des besoins et l'échec
des programmes précédents, le pouvoir lance un nouveau
plan de développement de la télécommunication
ramment appelé « programme 577 »).
Une évalutation de la situation, réalisée à
la fin de l'année précédente, démontre
de façon cruelle le retard et l'inadaptation du réseau
polonais aux besoins réels.
1987 La capacité totale des centraux était à
l'époque de seulement 2 960 000 lignes dont :
- 1 545 000 dans des centraux type Strowger,
- 976 000 dans les centraux Crossbar,
- 283 000 dans des centraux manuels
- seulement 156 000 dans des centraux électroniques, typeE-lOA.
Le nouveau programme de 1987 prévoit la mise
en service de 2,5 millions de lignes jusqu'en 1995, ce qui correspondait
au nombre de demandes d'abonnement déjà déposées,
sans pour autant combler le gouffre technologique séparant
la Pologne des pays développés. Ce programme prévoyait
non seulement l'installation de lignes nouvelles, mais aussi un développement
rapide de toute l'industrie des télécommunications.
Tous ces projets se sont avérés dépassés
en 1989-1990, au moment où, après les changements politiques
en Europe de l'Est, la perspective d'importation des technologies
les plus avancées (interdites auparavant par le COCOM) devient
de plus en plus réelle.
La question technologique disparaît ainsi en tant que problème
central.
En même temps, la libéralisation de la réglementation
du commerce extérieur ouvre le champ aux technologies les plus
modernes. Des sociétés mixtes dans le domaine de la
télécommunication voient le jour (avec la participation
des plus grands groupes internationaux), créant les conditions
d'une modernisation de la production nationale. L'idée d'un
« bricolage » à partir des réseaux et du
matériel existants perd ainsi tout intérêt.
En même temps, les services du ministère
des PTT commencent à élaborer le projet d'une nouvelle
loi sur les télécommunications, adaptée aux règles
de l'économie du marché. Votée finalement par
le Parlement le 23-11-90, elle aura pour principal effet de séparer
les activités postales (largement déficitaires) de celles
des télécommunications.
La nouvelle loi désigne comme principal opérateur dans
le domaine des télécommunications la société
par actions appartenant au Trésor d'Etat « Telekomu-
nikacja Polska S.A. » tout en autorisant les activités
des opérateurs privés et étrangers (dans certaines
limites cependant : ainsi, les communications internationales restent
à 100 % sous le monopole de « TPSA », les communications
interurbaines à 51 %)
Le débat public autour de cette loi a largement
contribué à une transformation de perceptions, la téléphonie
: elle cesse d'être perçue uniquement comme un service
public assuré par l'Etat pour devenir une « affaire en
puissance ».
En d'autres termes, le téléphone apparaît de plus
en plus comme un éventuel marché et non plus comme un
simple problème d'équipement.
Mais cette découverte pose obligatoirement la douloureuse question
des financements.
Bien entendu, tant les responsables du ministère
que les milieux professionnels sont pleinement conscients de la complexité
des difficultés que pose la modernisation de la télécommunication
en Pologne. Par contre, ce n'est qu'au milieu de l'année 1991
que l'ensemble de ces conditions semble avoir été assimilé
par l'opinion publique, manifestement déçue de voir
son rêve brisé.
Incontestablement, l'opinion polonaise a mis un certain
temps à admettre qu'une amélioration notable de la situation
dépendait non seulement d'un ensemble de décisions politiques,
désormais possibles, mais s'inscrivait aussi dans tout un contexte
technologique, juridique et économique.
Au cours des premiers mois de la transition économique et démocratique,
il était courant de croire que le branchement des nouvelles
lignes téléphoniques, et en particulier le développement
des communications internationales, pouvait s'effectuer assez rapidement,
tout cela n'étant finalement qu'une question de choix politiques.
Cette croyance dans les capacités pratiquement illimitées
du pouvoir résultait en partie de l'expérience sociale
du 13 décembre 1981.
Si le pouvoir avait été capable, en l'espace d'une seule
nuit, de couper toutes les communications téléphoniques
dans le pays, il devait nécessairement être en mesure
de faire le contraire, c'est-à-dire assurer un téléphone
à chaque citoyen.
Dans ce contexte, il faut souligner la compréhension limitée
et superficielle, par la presse polonaise, des véritables enjeux
des négociations menées en 1989 par le ministère
de la Poste et des Télécommunications avec les entreprises
étrangères, comme Alcatel CIT ou AT&T, en vue de
l'achat d'un nouveau central international.
Pour la plupart des journalistes, l'installation de celui-ci devait
résoudre de façon miraculeuse l'ensemble des problèmes
de télécommunications en Pologne, excepté peut-
être à la campagne, où l'on assimilait la question
de téléphonisation avant tout au problème de
câblage.
Parallèlement à ces évolutions,
des mouvements spontanés pour la promotion de la téléphonie
se constituent, en particulier dans les campagnes. Plus d'un millier
de « comités de téléphonisation »
se sont créés dans tout le pays au cours des deux dernières
années.
Leur action consiste tout d'abord à assurer un apport financier
direct de la part des futurs abonnés.
Une fondation spéciale, « Telefony
Polskie », apporte son soutien aux activités de
ces comités. Grâce à de telles initiatives, les
préjugés hérités du passé disparaissent
peu à peu.
Aux yeux de l'opinion publique, c'est désormais la question
de la rentabilité des réseaux téléphoniques
qui devient une préoccupation centrale.
De purement politique, le problème de la télécommunication
en Pologne est devenu au cours des années 80 un problème
de technologie pour représenter à l'heure actuelle une
question avant tout économique.
Ce nest quen 1992 quEricsson revient
définitivement en Pologne. La société Schrack
Ericsson a été créée à Varsovie
pour représenter également la société
autrichienne Schrack, dans laquelle Ericsson détenait une participation
de 80 %.
sommaire