|
Les
Téléphones mécaniques
Le succès toujours croissant du téléphone Bell
a eu pour effet de ressusciter le téléphone à ficelle,
qui, au temps de la sa splendeur, n'avait jamais été considéré
que comme un jouet. Alors
que cela fait deux ans que Bell a déposé
son brevet et que dans beaucoup de pays le téléphone de
Bell commence à s'implanter, nous nous demandons pourquoi s'investir
dans ce genre d'appareil ?
Selon Bill Jacobs : Les téléphones mécaniques
étaient également utilisés dans une certaine mesure
en Grande-Bretagne. Je me souviens en avoir vu dans l'ancien musée
ferroviaire de York et je suppose qu'il fait toujours partie de la collection
de l'actuel musée ferroviaire, très agrandi. Il y a également
une description dans le livre de Baldwin, History of the Telephone in
the United Kingdom . le Musée des Sciences en a identifié
une paire dans la collection des télécommunications (non
exposée) ; ceux-ci provenaient de la section GER du LNER en 1923.
Mike Horne a découvert qu'une paire était utilisée
à Earls Court sur le Metropolitan District Railway pour relier
le bureau télégraphique sur la plate-forme en direction
ouest avec la cabine de signalisation « est », qui se trouvait
au-delà. la gare. C'était en 1881.
Comme ils ne contenaient aucun dispositif électrique de transmission
ou de réception, les téléphones mécaniques
ne violaient pas les brevets téléphoniques de Bell. Par
conséquent, ils étaient populaires comme méthode
alternative de communication à courte portée au cours des
premières années du téléphone, lorsque les
appareils étaient chers. Ces modèles ont probablement été
utilisés dans un bureau ou une gare ferroviaire.
Dès 1878
les premiers brevets de téléphones
mécaniques sont déposés
.
Téléphone expérimental
1878 : Parsons,Shaw, et Daniels Patent
207 436
sommaire
Les téléphones Holcomb Société
JR Holcomb & Co. de Cleveland, Ohio.
|
Holcomb a été le fabricant de loin
le plus connu d'équipements téléphoniques
acoustiques. Il a conçu et fabriqué de nombreux modèles
différents
Il proposait également une gamme complète d'accessoires
tels que des fils de ligne, des isolants, des sonneries magnéto,
etc.
Holcomb était un peintre de maison et un imprimeur de cartes
de lOhio. Il a lancé son entreprise de «nouveauté»
dans les années 1870. Il produisait des jouets scolaires,
des instruments de musique et des fournitures pour enfants et publiait
un journal à succès.
Le 9 Juillet 1878, il a breveté un téléphone
acoustique, une version sophistiquée du jouet pour enfants
«deux boîtes de conserve sur une ficelle», qui,
n'utilisant ni dispositif de transmission ni de réception
électrique et n'empiétant donc pas sur les brevets
de Bell
Un des premiers téléphone acoustique en 1878, était
J.R. Holcomb
Holcomb reçu le brevet américain n° 205 864
le 9 juillet 1878, intitulé : « Amélioration
des téléphones acoustiques ». Il s'agissait
du premier brevet américain pour un téléphone
acoustique.
|
|
Carte commerciale Holcomb
 
Au prix de 4 dollars chacun et garantissant une transmission claire des
voix sur une distance d'un kilomètre, avec une puissance suffisante
pour être entendues distinctement dans toutes les parties d'une
pièce ordinaire. 10 000 de ces instruments ont été
vendus

1881 : on pouvait se procurer un téléphone
acoustique pour usage domestique ou profesionnel et non plus comme un
jouet.
Étant donné que le fil tendu était exposé
aux éléments, les téléphones acoustiques dépendaient
fortement du beau temps. Les téléphones acoustiques présenteraient
un comportement inhabituel dans des conditions météorologiques
défavorables. Ils étaient connus pour hurler et chanter
pendant les périodes venteuses, le diaphragme répondant
aux vibrations induites dans le fil par le vent. De la glace ou de la
neige abondante pourraient rendre les téléphones inutilisables
et la ligne gémirait sous le poids de la glace sur le fil. On savait
que la pluie produisait des bruits de frappe lorsque les gouttes de pluie
frappaient le fil. Les téléphones acoustiques étaient
également sensibles à la foudre, car il existait rarement
un quelconque type de protection contre la foudre, sauf pour les appareils
équipés d'une signalisation magnéto.
Cependant, lorsque les conditions étaient réunies, de grandes
revendications ont été faites quant à l'efficacité
des téléphones acoustiques. Les témoignages font
état de la possibilité de poursuivre une conversation sur
un téléphone acoustique depuis n'importe où dans
une pièce, un peu comme le haut-parleur d'aujourd'hui. On dit aussi
quon pouvait entendre le tic-tac des horloges sur la ligne.
Malgré les principes intrinsèquement simples de la téléphonie
acoustique, plus de 300 brevets ont été délivrés
détaillant les prétendues « améliorations »
de cette technologie. Beaucoup d'entre eux concernaient les mécanismes
de signalisation, les écouteurs, les méthodes de construction,
le placement du diaphragme, etc... Malgré toutes ces innovations,
le cur même de la téléphonie acoustique, le
diaphragme et le fil de ligne tendu, est resté inchangé.
J.R. Holcomb & Co. de Mallet Creek, Ohio a breveté son
téléphone acoustique le 9 juillet 1878.
Il a y eut la version breveté le 26 avril 1881 J.R. Holcomb
& Co. Cleveland, Ohio,
Nous trouvons des publicités Holcomb dans le Boston Weekly Globe
(Boston, Massachusetts) à la même période où
Bell Telephone et plusieurs autres sociétés employaient
des agents pour vendre en leur nom. Holcomb a publié une série
de brochures de quatre pages à des fins commerciales. Nous les
avons vus datés de 1879, 1880 et 1881 sur la base d'un contenu
« témoignage ». Ils présentent plusieurs gravures
sur bois distinctives et proéminentes. La première est une
gravure sur bois « conceptuelle » montrant un téléphone
monté dans un bureau et également une résidence avec
des fils entrant et sortant d'une « manufacture » et d'une
« ville ». La deuxième gravure sur bois distincte est
une « Vue générale et en coupe » du
récepteur/émetteur téléphonique. Une variante
de cette gravure sur bois ne montre que l'extérieur des postes
téléphoniques. Les premières publicités vendaient
le « jeu de téléphones » à
quatre dollars. Le câblage des postes téléphoniques
était disponible pour 3 cents par tige, garanti pour fonctionner
sur une distance d'un mile.
L'article publicitaire proposé ici est une bizarrerie que nous
n'avons pas vue et est organisé en trois parties. Le tiers supérieur
comprend la gravure sur bois « concept » de la brochure originale
de quatre pages. Le tiers inférieur comprend la gravure sur bois
« Vue générale et coupe » (de la variété
la plus récente). La section du milieu contient un libellé
commun aux publicités Holcomb, mais qui a été compressé
et reformulé par endroits. Cette pièce n'a aucun témoignage
et propose l'ensemble complet des téléphones pour trois
dollars cinquante cents. Le prix inférieur des marchandises, combiné
au manque de descriptions techniques, nous amène à penser
que c'est un peu plus tardif que les premières publicités
pour Holcomb, vers 1880.
Les supports marketing pour les téléphones Holcomb sont
rares et nous n'en avons vu que quelques exemples en 20 ans. Bien que
« History of Medina County and Ohio » (p. 786) vante que le
téléphone était l'un des meilleurs et s'est vendu
à 10 000 unités, nous trouvons cela hautement improbable
étant donné le manque d'artefacts et de littérature
restants. Holcomb était cependant clairement un bon homme daffaires,
commençant modestement et évoluant bien au fil des années
defforts. Il s'agissait de sa première aventure dans le domaine
du téléphone, après avoir vendu au détail
des nouveautés, des fournitures scolaires, publié un journal
pédagogique à succès et d'autres entreprises.
F. T. Viles était probablement Frank T. Viles de la Western Union
Telegraph Company. Il apprit la télégraphie à Waltham
MA en 1872, puis devint opérateur et messager pour Western Union
à Concord MA. Il a travaillé comme opérateur télégraphique
dans diverses sociétés de chemin de fer et de télégraphe
en Nouvelle-Angleterre jusqu'au 12 février 1880, date à
laquelle il est entré au service de la Western Union Telegraph
Company à New York. De retour en Nouvelle-Angleterre en 1882, il
travaille dans divers endroits comme directeur de nuit. Il devint inspecteur
de la ligne urbaine de la Western Union Telegraph Company et loua un service
de fil à Boston en septembre 1887. Viles était très
respecté, créant de nouveaux aménagements et conceptions
de bureaux qui furent intégrés aux opérations de
Western Union.
Concernant cette entreprise, nous ne trouvons aucune annonce dans les
journaux d'époque, ni aucune mention de celle-ci sur Google. Il
est probable que Viles ait été pris dans la nouvelle vague
de technologies passionnantes, fatigué du travail à temps
partiel, et ait contacté Holcomb en tant qu'agent pour concurrencer
les agents déjà en place pour Bell Telephone et d'autres.
En 1880 il part pour New York avec un vrai travail pour Western Union.
Coldbrook Springs pourrait faire référence à deux
endroits du MA - l'un un dépôt ferroviaire, l'autre un village
supprimé à la fin des années 1800 lorsque le réservoir
Quabin est entré en jeu. Tous deux dans la région de Barre,
MA. Le texte publicitaire de cet article est intéressant car il
se positionne clairement contre Bell Telephone - et les points de discussion
(différents des brochures Holcomb traditionnelles) peuvent contribuer
à la compréhension du marketing de la téléphonie
dans la région de Boston au cours de cette période. Cette
période était le Far West pour les premiers téléphones,
et tout le monde voulait une part du gâteau !!

Communication entre le bureau et la résidence par un fil métalique.
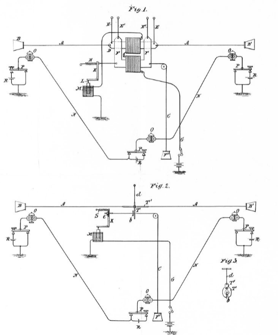
J. C COOMBS. Téléphones
mécaniques. N° 230 924. Breveté le 10 août
1880, MASSACHUSETTS.
À tous ceux qui sont concernés :
Sachez que moi, JOSEPH O. UOOMBS, du village d'Oampello, de la ville
de Brockton, du comté de Plymouth, de l'État du Massachusetts,
j'ai inventé une nouvelle et utile amélioration des
téléphones ; et je déclare par la présente
que celui-ci est décrit dans la description suivante et représenté
dans les dessins annexés, dont la figure 1 représente
une coupe longitudinale d'un téléphone ayant mon invention,
tandis que la figure 2 est une vue latérale à une échelle
agrandie de une partie du conducteur reliant les disques vibrants
émetteurs et récepteurs.
Ce perfectionnement concerne particulièrement le genre de téléphone
dans lequel les disques émetteur et récepteur sont reliés
par le conducteur qui leur est appliqué directement, sans s'étendre
autour d'électro-aimants, et constituant une partie d'un circuit
électro-magnétique.
Mon amélioration dite consiste en la combinaison des deux disques
ou plaques vibrantes avec un conducteur composé d'une
série de fils métalliques entrelacés ou tressés
ensemble, au moyen duquel je suis en mesure de surmonter ou
d'éviter la ou les sonneries désagréables accessoires
à l'utilisation. d'un seul fil comme conducteur, et qui gênent
très sensiblement le bon fonctionnement de l'appareil, ou le
rendent parfois pratiquement inutile.
Outre ce qui précède, un tel conducteur procure un ou
plusieurs autres avantages importants, les messages transmis d'un
disque à l'autre étant généralement donnés
dans des tons beaucoup plus clairs ou avec une plus grande distinction
que ce n'est le cas lorsqu'un seul fil est utilisé. De plus,
le conducteur, composé d'une série de fils tressés
ensemble, est plus solide et plus durable. Dans les dessins, A représente
le disque de réception et B le disque de délivrance
ou de transmission d'un téléphone acoustique commun,
ils étant appliqués et correctement disposés
à l'intérieur des embouchures O I, telles que celles
qui sont couramment utilisées. S'étendant du centre
d'un disque à celui de l'autre se trouve le conducteur, qui
est composé d'une série de fils métalliques à
dents, entrelacés ou tressés ensemble, le tressage pouvant
être accompli par une machine à tresser ordinaire.
Je ne revendique pas dans un téléphone acoustique un
conducteur métallique composé d'un seul. fil; mais je
prétends que c'est La combinaison d'une série de fils
conducteurs métalliques entrelacés ou tressés
avec les disques émetteurs et récepteurs d'un téléphone
acoustique, ledit assemblage de fils étant étendu entre
lesdits disques, ou de l'un à l'autre des eux, et appliqués
à ceux-ci par des moyens de connexion appropriés.
JOSEPH O. COOMBS. |
SPÉCIFICATION faisant
partie des lettres patentes n° 230 924, datées du 10 août
1880. Demande déposée le 9 février 1880.
 |
sommaire
Utilisations typiques des téléphones
mécaniques
Tiré du Friendship Chronicle, Allegany County, New York, 1880
:
|
Chuchotements nerveux
Les relations domestiques et commerciales déjà proches
et chères entre la maison et les lieux d'affaires de plusieurs
de nos commerçants ont été rendues encore plus
rapides et plus intimes grâce à l'un des derniers triomphes
de la science.
Nous faisons allusion au téléphone. Lorsqu'un objet
d'utilité pratique est porté à la connaissance
du public, soit dans les studios d'art, soit dans les ateliers scientifiques,
les hommes d'affaires de l'Amitié sont prompts à profiter
de ses avantages.
La disponibilité du téléphone ayant été
rendue manifeste, il a été immédiatement mis
en service.
Le premier de ces instruments intéressants et précieux
a été installé par John Horner entre sa résidence
de la rue Main et le dépôt d'Erie. Elle s'étend
sur une distance de 2 000 pieds et constitue la plus longue ligne
de la ville.
La file dattente suivante était celle de Fred Oliver
entre le magasin Wingate & Oliver voisin de lAmerican
House et la résidence de Fred sur Depot Street. Il a fonctionné
avec succès pour quelques temps.
Lundi, plusieurs nouvelles lignes ont été mises en
place. Il s'agissait respectivement de :
* de la liaison entre le magasin Flint & Dayton's sur Main Street
et la maison sur Mill Street
* de la liaison entre le magasin Oliver & Sawyer et la maison
H.S. Oliver au nord du dépôt d'Erie
* de la liaison entre la 1ère Banque Nationale et la résidence
du Colonel A.J. Wellman et le sanctuaire du rédacteur en
chef du Chronicle et sa résidence sur la rue Main Est
* W.H. Scott en a une entre son épicerie et sa maison sur
Depot St.
Toutes ces lignes sont testées avec des téléphones
fournis par J.R. Holcomb & Co., Mallett Creek, Ohio. Ils fonctionnent
sur le principe acoustique et sont extrêmement satisfaisants.
Plusieurs nouvelles lignes seront mises en place immédiatement,
dont
* une entre le magasin de M.L. Engle et sa résidence à
la jonction de Water et Main Street
* une autre entre le bureau de poste et la résidence du maître
de poste Howard sur New Street
* et encore une autre entre le nouveau cachot (quand il sera construit)
et le bureau du chef de la police (quand ce fonctionnaire sera nommé).
La progression téléphonique de Friendship est extrêmement
gratifiante.
|
sommaire
Le publipostage : La Publicité pour les téléphones
acoustiques par le service postal,
La publicité périodique coûtait cher.
Ainsi, utiliser le système de publipostage était un choix
logique et économique. Sans le système postal, les fabricants
de téléphones acoustiques auraient eu du mal à vendre
leurs produits.

Plutôt que des gobelets en papier, les téléphones
acoustiques utilisaient des boîtiers en bois et en métal
associés à un diaphragme.
Divers matériaux ont été utilisés pour construire
les diaphragmes, tels que le métal, le papier, le parchemin, etc.
La corde était généralement remplacée par
un fil de fer galvanisé toronné ou un fil de cuivre. Il
existait divers « isolateurs » et poulies qui soutenaient,
avec un minimum de perte et de distorsion dues aux vibrations, et permettaient
au fil de négocier les virages. De plus, il existait des dispositifs
de commutation (appelés centraux) qui permettaient à un
téléphone de se connecter à plusieurs téléphones
différents (un à la fois).
Les téléphones acoustiques étaient annoncés
comme capables de communiquer jusqu'à trois kilomètres.
Ils étaient donc adaptés aux communications des petites
villes, par exemple d'un magasin à une maison ou de la poste au
dépôt. Ces téléphones pourraient également
communiquer verticalement dans des immeubles à plusieurs étages.
Les problèmes avec un fil qui passait à l'extérieur
étaient le vent et la pluie qui pouvaient provoquer - comme avec
une harpe éolienne - un hurlement aux deux extrémités.

Il y a eu 175 brevets américains délivrés sur les
téléphones acoustiques et leurs accessoires au cours de
la période 1878-1893. 1893-1894 est la période pendant laquelle
les brevets téléphoniques originaux ont expiré, ce
qui a entraîné le déclin de l'utilisation et la disparition
éventuelle du téléphone acoustique.
Les fabricants de téléphones acoustiques faisaient très
peu de publicité dans les magazines et journaux contemporains.
Les quelques publicités que l'on trouve sont assez petites, certaines
mesurant un demi-pouce de hauteur.
La majeure partie de la publicité a été réalisée
sous forme de brochures postales ; pendant toute la période
du téléphone acoustique, à partir du 1er mai 1879,
le taux de troisième classe, à l'unité, pour divers
imprimés et circulaires était de un cent par pièce.
Téléphone
acoustique jouet, carte commerciale générique vers 1880.
Dans de nombreux cas, les brochures étaient envoyées par
la poste dans des enveloppes richement imprimées, qui étaient
elles-mêmes des mini-catalogues, représentant fréquemment
les téléphones et indiquant leurs prix. Toute personne entrant
en contact avec les enveloppes était ainsi exposée à
la publicité. Par conséquent, le système postal a
aidé et encouragé la publicité en déplaçant
les enveloppes à travers le pays pour un centime .
J.R. Holcomb & Co. est réputé pour avoir
été le plus grand fabricant de téléphones
acoustiques.
Le premier secteur dactivité de lentreprise, lancé
à Mallet Creek, Ohio en 1872 par J.R. Holcomb, était limpression
de cartes. Cette entreprise prospéra évidemment puisquen
1875 un bâtiment de deux étages avait été érigé.
En 1879, J.R. s'associe à son frère, J.D. Holcomb. En 1880,
un troisième frère, C.F. Holcomb, rejoint. Lentreprise
publiait un magazine mensuel, The Teachers Guide, et tenait
également un magasin vendant des nouveautés, des fournitures
scolaires, des articles de papeterie, des livres et des instruments de
musique. De plus, l'entreprise possédait trois presses à
vapeur, un atelier d'usinage et une épicerie. Le 1er mars 1882,
J.R. Holcomb & Co. déménagea de Mallet Creek au bâtiment
Atwater à Cleveland, Ohio.

Le premier envoi Holcomb enregistré montre une image en
coupe du téléphone, similaire (mais pas identique) au dessin
en coupe du brevet.
Le texte sur la couverture indique que le diaphragme est en métal,
alors que le brevet suggère du parchemin ou un matériau
équivalent. La couverture indique que le téléphone
fonctionnera sur une distance d'un mile et que le prix est de 3,50 $ pour
un ensemble de deux téléphones.
La page suivante présente une liste de prix ainsi que le dessin
sur la couverture et une vue extérieure générale
du téléphone. Le prix du fil était de 3 cents par
tige (16,5 pieds). Les isolants coûtaient 35 cents la douzaine.
La page 4 contient des références et des témoignages
de clients appy.
En supposant que les témoignages soient réels, ils montrent
une large distribution de téléphones Holcomb (de New York
à la Californie).
Bien que Holcomb travaillait dans le secteur de l'imprimerie, les brochures
étaient imprimées par J.B. Savage, de Cleveland, sur du
papier bon marché. Les brochures ultérieures n'indiquent
pas l'imprimeur et ont probablement été imprimées
par Holcomb (sur du papier de haute qualité) ..
Une nouvelle version du téléphone acoustique est
apparue vers 1880.
.
 
Appareil Holcomb et brochure accompagnant le petit téléphone
à ficelle très répendu aux USA à partir de
1878
L'instrument ressemble à celui décrit précédemment,
cependant, il est de conception plus sophistiquée et coûte
maintenant 4,00 $ par jeu.
Le téléphone, dont "plus de 3 000 appareils fonctionnent
déjà avec succès", est désormais appelé
"Téléphone automatique de Holcomb" plutôt
que "Téléphone acoustique de Holcomb". La brochure
de quatre pages jointe est similaire à celle présentée
précédemment, mais imprimée sur du papier de meilleure
qualité, peut-être imprimé par J.R. Holcomb &
Co. eux-mêmes.
À la fin de 1880, J.R. Holcomb & Co. avait vendu dix mille
appareils téléphoniques.
En 1881, un tout nouveau modèle fut introduit sous le nom de «
téléphone amplificateur amélioré de Holcomb
».
Téléphones
à ligne privée améliorés de Holcomb,cotés
à 40,00 $
Le « téléphone amplificateur » - breveté
aux États-Unis n° 240 713 le 26 avril 1881 et signé
par les trois frères Holcomb était considérablement
plus grand que les téléphones précédents,
mesurant 10,5 pouces carrés et 4 pouces d'épaisseur, permettant
un très grand diaphragme (parchemin) ce qui provoque des vibrations
plus importantes sur le fil. La spécification de distance a désormais
été étendue à deux milles. En fait, il y avait
deux diaphragmes avec un espace d'air entre eux. On disait que cet arrangement
réduisait « les vibrations de sonnerie latérale si
communes aux téléphones de cette classe ». Ce brevet
comprenait également un « isolant » qui ressemble
à une épingle de sûreté.
La brochure jointe a maintenant été allongée à
huit pages. La page de couverture spectaculaire, a été agrémentée
d'une bordure fantaisie et comprend le poème suivant attribué
à Prescott ;
The sleepless heralds run
Fast as the clear and living rays
Go streaming from the sun.
No peals or flashes, heard or seen,
Their wondrous flight betray;
But yet their words are quickly heard
In cities far away.
Le long des fils solides et tendus,
Les hérauts sans sommeil courent vite
Tandis que les rayons clairs et vivants
S'échappent du soleil.
Aucun carillon ni éclair, entendu ou vu,
Ne trahit leur vol merveilleux
Mais pourtant leurs paroles sont vite entendues Dans des villes lointaines.
Par la suite, les téléphones acoustiques amplificateurs
et automatiques, améliorés, furent disponibles.
Le dernier téléphone Holcomb découvert s'appelle
« Téléphone à ligne privée améliorée
de Holcomb », probablement vers 1886.
Le téléphone intègre une alarme électrique
composée d'une cloche à deux timbres et d'une magnéto
à manivelle pour alerter l'appelé qu'un appel est reçu.
est imminent. Le circuit électrique est complété
par le fil acoustique, la terre étant utilisée pour le retour.
Tourner la manivelle actionne la sonnette d'alarme sur le téléphone
appelé. Sur les téléphones précédents,
la fonction d'alarme était réalisée en frappant sur
le diaphragme.

L'enveloppe suivante, est la dernière des enveloppes Holcomb qui,
au lieu de promouvoir des modèles particuliers, elle vante les vertus
de toute la gamme de téléphones Holcomb. L'enveloppe illustre
une marque incorporant un globe, indiquant : Le meilleur du MONDE, et mentionne
« Huit ans d'expérience ! L'ajout des huit années à
la date originale du brevet de 1878 donne la date de couverture à
1886 (date corroborée par l'utilisation de la version regravée
du timbre de 1 cent). Lillustration prétend représenter
le bureau de Holcomb.
Le téléphone représenté est d'apparence similaire
à celui présenté précédement. Cependant,
la manivelle magnéto est représentée sur le côté
gauche du téléphone plutôt que sur le côté
droit.
Pendant cette période de développement du
téléphone, les Holcomb menaient leurs autres activités.
Le fait que la société Holcomb était si diversifiée
lui a permis de survivre après l'expiration des brevets téléphoniques
de Bell et lorsque les téléphones acoustiques n'étaient
plus nécessaires. Aujourd'hui, l'entreprise existe toujours et
vend des fournitures scolaires à Cleveland.
sommaire
D'autres fabriqants de téléphones
acoustiques étaient :
Watts Telephone Co., Louisville, Kentucky ; Mechanical Telephone Co.,
Albion, Illinois ; O. Hamblins Mechanical Telephone Co., Newton, Illinois
; Shaver Corp., New York ; Lord Telephone Mfg. Co., Boston, Massachusetts
2 ; IL. Huston & Co., Monticello, Illinois (Télérema
Téléphone); Union Telephone Co., Wolcott, New York ; Sunderland
Telephone Co., Portland, Maine ; National Telephone Mfg. Co., Boston,
Massachusetts (téléphone Bennett) ; et J.H. Nellis, Canajoharie,
New York. ... en voici quelques uns qui ont laissé des traces.
1880 from Illinois
La compagnie de téléphone Elgin
L'Elgin Telephone Company a déménagé de Chicago à
Elgin, dans l'Illinois (siège de la célèbre société
horlogère), titulaire du brevet William Hubbard. La demande de
Hubbard du 3 janvier 1880 fut accordée le 22 février 1881.
Henry W. Hubbard, à New York était probablement un
parent de Williams (lire la page téléphone
aux Usa). Bien qu'il ait déposé le premier brevet le
3 janvier 1880, Hubbard a obtenu le brevet américain n° 237 979
le 22 février 1881, intitulé « Téléphone
acoustique ». Il a également reçu un brevet canadien
n° 14320 le 3 mars 1883, « Améliorations sur les
téléphones ».
La compagnie de téléphone acoustique du Nord-Ouest
La North-Western Acoustic Telephone Company était située
à Chicago, dans l'Illinois.
Aucun détail sur le fonctionnement de l'entreprise n'est disponible
autre que les données affichées sur un courrier de troisième
classe, vers 1881, avec une illustration d'un téléphone
(qui ressemble à Holcomb's Amplifying Telephone) et envoyé
par la poste de Chicago à Camden, NJ.
1880 La compagnie de téléphone Bennett
La Bennett Telephone Company a été créée à
Indianapolis, Indiana. au début des années 1880. John B.
Bennett a reçu le brevet américain numéro 245 436
le 9 août 1881 pour un écouteur séparé relié
par un tube flexible creux à une chambre de résonance.


Dans ce téléphone, le diaphragme qui vibre en réponse
aux ondes sonores est monté horizontalement et est relié
à l'orifice de parole par un tube incurvé.
Les premiers téléphones acoustiques utilisaient le même
diaphragme pour parler et écouter.
Le dessin du brevet montre une manivelle qui actionne un marteau qui frappe
sur le diaphragme pour alerter le destinataire de l'appel.
Le téléphone Bennett a été publié dans
Scientific American en 1882. La date du brevet indiquée sur l'illustration
du téléphone correspond à celle du brevet.
Bennett entra au service de la National Telephone Company en 1883, devenant
directeur général et ingénieur en chef pour l'Écosse
et le nord-ouest de l'Angleterre de 1886 à 1890.
James F. Gilliland
a reçu le brevet américain numéro 253 597,
le 14 février 1882, intitulé Générateur
de signaux téléphoniques. pour une amélioration
mineure sur une magnéto, et est le moyen pour le téléphone
Bennett de mettre sur ses appareils une sonnerie magnétique
et une magnéto pour faire sonner l'appelant et l'appelé
tout en utilisant la même ligne.
Il a également reçu le brevet américain numéro
296 330 du 8 avril 1884 pour les isolateurs utilisés
avec les téléphones mécaniques.
 |
 |
Le dessin du brevet montre des illustrations du téléphone
Bennett utilisé avec les isolateurs et les postes à sonnerie
magnétique. Les isolateurs étaient utilisés pour
fixer le fil aux poteaux et pour contourner les coins. Le brevet numéro
327 940, délivré le 6 octobre 1885, concernait un nouveau
type de fil censé améliorer la qualité de la transmission
du son. Ce brevet contient également des illustrations du téléphone
Bennett.

Avec ces deux enveloppes, il est clair que les deux téléphones
sont identiques, Holcomb agissait bien en tant que distributeur des téléphones
de Bennett.
Heureusement, la couverture de Bennett était accompagnée
de quelques documents éphémères : (1) une feuille
d'offre spéciale ; (2) une commande vierge pour l'offre spéciale ;
(3) une liste générale de prix; (4) une enveloppe de retour
adressée.
La feuille d'offre spéciale, illustrée propose un équipement
d'une valeur de 35,00 $ pour 30,00 $. La Bennett Telephone Company
prétend être le seul fabricant sous les brevets de Gilliland,
Bennett et Lakin.
Vers 1889, le téléphone Bennett avait déménagé
à Boston et était maintenant fabriqué par la National
Telephone Manufacturing Co.
Gilliland et son frère Ezra T. ont ensuite créé leur
propre compagnie de téléphone à Chicago.
1894
téléphone Bennett
Le téléphone Bennett est illustré sur l'enveloppe
est expédié par la poste de Boston à Halifax, en
Nouvelle-Écosse, pour 1 cent.
Ce téléphone Bennett est décrit de manière
très détaillée en 1889 dans The Manufacturer and
Builder.
La coupe de l'article est identique à celle de la couverture. Les
méthodes de connexion et lajout dune magnéto
sont abordés dans larticle ainsi que les isolateurs Gilliland
.
Notez que le couvercle indique : AUCUNE BATTERIE REQUISE. De toute évidence,
le mince fil flexible reliant lécouteur montre que le téléphone
nest pas acoustique. Il s'agit d'un exemple de téléphone
« alimenté par le son ».
La méthode de fonctionnement utilise une bobine de fil attachée
à un diaphragme. Les ondes sonores frappant le diaphragme le font
vibrer à proximité dun aimant permanent. Cela provoque
la génération dune petite tension dans la bobine (loi
de Faraday). Cette tension provoque la circulation d'un courant qui fait
vibrer la bobine et le diaphragme à l'extrémité réceptrice
et ainsi reproduire le son. La résistance électrique du
fil de ligne limitait la distance entre les téléphones à
environ trois milles. (Le courant de ligne est inversement proportionnel
à la résistance de ligne, qui est proportionnelle à
la longueur du fil.
Couleur locale le périodique en 1879
rapportait ce qui suit.
La réception téléphonique à la chapelle
baptiste a été, à cause de la tempête, reportée
au mardi soir, où l'on a pu profiter d'un moment intéressant.
Un téléphone acoustique a été utilisé
avec environ un huitième de mile de fil, qui a fonctionné
à la satisfaction de tous.
Une extrémité était au bureau du révérend
M. Moody, et son chant ou sa conversation pouvait être entendu presque
aussi distinctement que s'il avait été présent. Il
a chanté « Hold the Fort », la compagnie
à l'autre bout du fil donnant le refrain avec un bel effet. La
musique d'orgue, etc., était également très parfaitement
transmise. Le dialogue risible, Ce que le téléphone a fait
dans une histoire d'amour, a suscité beaucoup d'amusement.
Le court article suivant est tiré d'un périodique de
1881 : « Un homme dormant dans un bureau à Mechanic Falls
a perdu connaissance à cause d'un éclair mardi soir, qui
est arrivé sur un téléphone « acoustique ».
Il nexiste aucune preuve que des parafoudres aient été
utilisés sur les lignes téléphoniques acoustiques,
ce qui est étrange, car les parafoudres ont été utilisés
sur les lignes télégraphiques pendant de nombreuses années.
Nous terminons ainsi notre récit sur cette phase intéressante
et peu connue de la communication, qui a prospéré dans la
période 1878-1893, avec l'aide du service postal, qui transmettait
à peu de frais des informations graphiques sur le pays sur ces
téléphones, généralement au tarif circulaire
de 1 cent.
sommaire
1881 James A. Lakin a obtenu le brevet numéro
244 261, le 12 juillet 1881, pour un téléphone acoustique
avec une oreillette d'écoute séparée reliée
au téléphone par un tube rigide.

Si l'on utilisait le téléphone, l'écouteur était
dans la bonne position pour écouter. Le téléphone
comprenait un interrupteur mécanique utilisé pour sélectionner
le mode conversation ou écoute. Lakin possédait sa propre
compagnie de téléphone acoustique en 1880. De toute évidence,
il y a renoncé et s'est joint à Bennett.
1879 La compagnie américaine de téléphone
de ligne privée
L'American Private Line Telephone Company a été créée
à Grand Rapids, Michigan en novembre 1880. Les inventions de l'entreprise
ont été réalisées et brevetées par
Henderson Willard. Thomas W. Peck était président,
E. F. Harrington vice-président et M. S.'Crosby secrétaire
et trésorier de la société. La direction fut ensuite
confiée à C. R. Brown, de Saint-Ignace.
Willard a obtenu deux brevets américains.
Le brevet n° 221 135, délivré le 28 octobre
1879, présente trois variétés de téléphones,
une en bois, une en bois et en métal et une entièrement
en métal. Le premier est doté d'un couvercle à
charnière pour éliminer les bruits offensants lorsque
le téléphone n'est pas utilisé. Alonzo M. Cheney
était un co-inventeur.
Le deuxième brevet portait le numéro 238 740, délivré
le 8 mars 1881. L'embout buccal-auriculaire du téléphone
a une forme différente du brevet précédent et
prétend offrir des performances supérieures. (photo
de droite)
Une méthode permettant dacheminer le fil acoustique autour
dun coin est également brevetée. Ce brevet a été
déposé le même mois que la création de
l'entreprise. S. Laprise & Cie, successeurs de S.T. Simonds &
Cie.
Le son (la voix) passait à travers ce fil à l'aide de
vibrations. Pour appeler une autre personne, il fallait appuyer sur
un clip situé à l'arrière du téléphone.
Ce clip heurterait un diaphragme et, par conséquent, des coups
pourraient être entendus à l'autre bout du téléphone.
Cela signifie que vous êtes appelé ! L'appareil
était utilisé sur de courtes distances entre les maisons
privées et les bureaux. |
 |
Une enveloppe publicitaire de cette entreprise avait été
postée au tarif de 2 cents (probablement par courrier de première
classe, après le 1er octobre 1883) de Grand Rapids, Michigan à
Phillipsburg et contenait une brochure.
 
1884 la brochure envoyée par la poste dans une enveloppe imprimée
avec la même illustration.
sommaire
Un Américain, M. Shaver, a fait breveter un perfectionnement
de ces petits instruments.
Le Cosmos nous apprend même qu'une Société s'est constituée
à Jersey, en Amérique, pour l'exploitation du système.
Le diaphragme est formé d'une légère plaque en éclats
de bambou et reçoit sur une circonférence concentrique un
certain nombre de fils ; ces fils se réunissent tous pour former
un cône, du sommet duquel part le conducteur qui doit toujours être
bien tendu. Des appareils de ce genre réunis par un fil raidi en
ligne droite, permettent l'échange de la parole à environ
un millier de mètres.
Pour pouvoir mettre les abonnés en relation directe les uns avec
les autres, les inventeurs ont déployé une ingéniosité
extraordinaire ; mais il va sans dire qu'au point de vue pratique, le
système présente encore, malgré tout, de nombreuses
lacunes.
1883 La compagnie de téléphone consolidée
Shaver
Cette société a été créée par
George F. Shaver en 1883 à New York. Shaver était
un inventeur prolifique avec de nombreux brevets liés aux téléphones
acoustiques.

1886 Enveloppe du "Consolidated Téléphone" et
un appareil simple inscrit "THE SHAVER TELEPHONE SYSTEM"
Sur l'enveloppe de 1886 une illustration d'un plus récent Consolidated
téléphone .
Il y a deux récepteurs acousriques : écouteurs (un pour
chaque oreille). Le diaphragme de transmission porte les mots «
Shaver System » sur sa périphérie. Une magnéto
pour signaler le destinataire de l'appel est incluse.
L'enveloppe a été envoyée par la poste de Mauch Chunk
à Wiessport, en Pennsylvanie, au tarif de 2 cents.
Dedans une publicité de 1886 montre la même illustration
que celle sur l'encveloppe. Le témoignage inclus était :.
Nous exploitons le système Shaver Telephone dans cette ville
depuis deux ans sur une base de location variant de 2 $ à 8 $ par
mois. Nous utilisons désormais plus de 400 téléphones
et construisons 20 nouvelles lignes par mois. La ligne la plus longue
de la ville mesure un mile, et à l'extérieur, nous en avons
construit une de 2-1/4 miles, reliant avec succès Spring Valley
et Muncie, N.Y....
Respectueusement GEORGE GEHE, général Man. N.Y. et N.E.
Tél. Co .
Plusieurs des brevets de Shaver concernaient des centraux
téléphoniques mécaniques, qui eurent beaucoup
de succès :
Ainsi, il pouvait y avoir un central auquel étaient rattachés
de nombreux téléphones acoustiques. Les lignes pouvaient
être commutées pour relier deux clients quelconques du réseau.
1884 Vu G.F. Shaver Brevet 298,243. "Mechanical Telephone
Exchange",



1883 "système perfectionné de
téléphonie mécanique et appareils y afférents"
158129
20.10.1883 ; CLEAVERParis (75056) ; (11 pages)
sera suivi du brevet 1885
1885 "Système perfectionné de téléphone
mécanique" 169124
du 23.05.1885 ; MONTAGU de MANDEVILLE George-Victor-Drogo (vicomte) Paris
(75056) ; (5 pages)
Extrait du brevet visible ici 169124
Sur le téléphone une roue dentée permettait de mettre
en relation le correspondant souhaité par le système central
...
Téléphone
de M. Montagu de Mandeville
Pour se servir de cet appareil, on tend convenablement le lil .jusqu'à
ce que la rondelle M vienne s appliquer contre le diaphragme ; la voix,
en venant frapper directement celui-ci, le fait vibrer dans toute sa surface
et séchappe parles ouvertures o, o', o"...
1886 "perfectionnements apportés dans les systèmes
de téléphones mécaniques" 179258
26.10.1886 ; FARMER Paris (75056) ; (8 pages)
Système de téléphone de village.
Système utilisant des relais électro-mécanique .
Plan Farmer.
1886 "perfectionnements apportés dans les transmetteurs
et les récepteurs employés pour téléphones
mécaniques" 179869
24.11.1886 ; FRASER Paris (75056) ; (7 pages)
Autres Systèmes identiques.
1886 "perfectionnements apportés dans les téléphones
mécaniques" 174542
03.03.1886 ; MAC PHERSON Paris (75056) ; (6 pages)
1887 "perfectionnements apportés dans les téléphones
mécaniques" 187276
29.11.1887 ; SUNDERLAND MONJO Paris (75056) ; (6 pages)
1887 appareils électro-acoustiques dits éléments
téléphoniques 186136
30.09.1887 ; KORNFELD Paris (75056) ; (14 pages)
1890 "perfectionnements dans les téléphones mécaniques"
205504
06.05.1890 ; HODGDON PRINCE SPENCER Paris (75056) ; (7 pages)
1892 perfectionnements dans les téléphones acoustiques
223247
26.07.1892 ; SIMPSON Paris (75056) ; (7 pages)
1893 "pièce acoustique pour récepteur téléphonique"
231317
04.07.1893 ; SEIFFERT Paris (75056) ; (6 pages)
Un journal de 1886 décrit l'un de ces centres, du système
Shaver.
|
LE SYSTÈME D'ÉCHANGE SHAVER«
TÉLÉPHONE MÉCANIQUE »
Le grand succès du téléphone électrique
a incité de nombreux moyens de communication sur de courtes
distances sans électricité, et le vieux télégraphe
a une nouvelle vie. un grand nombre de téléphones
acoustiques mécaniques ont été construits sur
ce principe, et avec plus ou moins de succès. Mais plus récemment,
quelques améliorations décisives ont été
apportées, qui ont, je crois, mis le téléphone
téléphonique sur une base solide de praticabilité.
Jusqu'à présent, les téléphones acoustiques
étaient utilisés au moyen de plan. entre des lignes
privées individuelles uniquement.
Un système de central téléphonique très
ingénieux a maintenant été conçu. M.
George, le président de la Consolidated Telephone Company,
Jersey City, signifie les moyens très simples utilisés
. Un opérateur central est chargé d'établir
les communications.
Grâce à ces arrangements, deux abonnés quelconques
peuvent communiquer entre eux en très peu de temps.
Le centre téléphonique lui-même est constitué
d'un diaphragme qui tend un treillis métallique formant le
contour de l'anse derrière le diaphragme.
 
Le fil de ligne est fixé au sommet et des moyens sont prévus
pour empêcher le bourdonnement dû aux vibrations provoquées
par le vent.
Le bureau central, qui n'a été mis en service que
récemment, est représenté en perspective. La
tour sur laquelle les échanges sont construits présente
une élévation en coupe et entre dans les murs de la
tour. À l'intérieur, est placé un support circulaire
sur lequel le téléphone de l'opérateur circule
en cercle et au-dessus de ce support s'élève une bande
de fer en spirale, perforée. Chaque ligne entre dans les
murs de la tour par une toile de cuir de petit diaphragme et se
termine par un bouton qui l'empêche de resortir. .
À partir de ce point, la ligne est prolongée par le
châssis de commutation de deux fils lâches et l'un de
ces fils sur lequel se place le téléphone de l'opérateur
chaque fois que les souhaits de l'abonné sont connus. L'autre
fil est utilisé dans le but de connecter un l'autre abonné.
Les lignes entrant dans différents angles sont reliées
par des fils intermédiaires courts soutenus par des cintres
appropriés et munis de petits crochets pour un couplage rapide.
Ils sont ensuite tendus sur les poulies qui sont fixées à
l'anneau en spirale en n'importe quel point.
La spirale montante ne provoque aucune interférence entre
les fils de connexion courts, ils sont de niveaux différents,
une demi-douzaine de connexions peuvent être réalisées
en même temps. La figure 1 montre à l'opérateur
l'acte de relier le fil de l'abonné à son téléphone.
Ce dernier est doté d'un agencement tel que, après
avoir accroché la ligne, une légère tension
tend le téléphone, et peut alors parler et entendre.
Après avoir établi la connexion, débranche
son téléphone et se prépare pour le prochain
appel.
Les abonnés appellent le central moyen annonciateur ordinaire
et magnétos, et ils sont appelés de la même
manière des actuels centraux téléphoniques.
Le système se dit réalisable et trouvera sans doute
de nombreuses applications appropriées. la gravure représente
l'échange expérimental de cette ville dans laquelle
entrent une demi-douzaine de lignes sous différents angles
; certains très aigus et les lignes que les abonnés
font sous de nombreux angles, et l'articulation, bien que pas tout
à fait claire du téléphone Bell, reste bonne
et suffisamment distincte pour toutes fins pratiques. Les lignes
parlées sur une longueur variable varient de quelques centaines
de pieds à près d'un demi-mile.
Bien que de bons résultats soient déjà obtenus,
de nombreuses améliorations du système central sont
déjà en cours, ce qui augmentera considérablement
son efficacité, étant entendu que celle décrite
a orienté la première expérience dans cette
direction. les mines et usines métallurgiques, ce téléphone
simple et peu coûteux.
|
Vu dans la presse de 1890 Téléphones
moléculaires Shaver
Le téléphone moléculaire décrit a certainement
le mérite d'être un appareil pratiquement performant, en
effet il possède une portée d'action remarquables. Un léger
murmure est rendu audible sur ce téléphone, et le ton ordinaire
de la voix à l'extrémité opposée est reproduit
avec suffisamment de puissance et de clarté pour remplir une grande
pièce afin qu'il puisse être entendu distinctement.
M. Shaver, l'inventeur de ce téléphone, est d'avis que son
action est due à un mouvement ou à une perturbation des
molécules de la matière le composant.
Le système Shaver. Téléphones en Virginie.
La Charlotteville (Va.) Shaver Telephone Company a été
créée dans le but de construire un centre de téléphonie
moléculaire Shaver. Les travaux ont été poursuivis
avec une vigueur et une entreprise considérables et le système
sera achevé d'ici le 28 février.
Une fois terminé, cet échange sera le plus grand de cette
classe jamais construit. Il y aura quatre-vingt-cinq stations
dans le système et les câbles relieront Lymans, Fry Springs,
l'Université de Virginie, l'Observatoire et d'autres points. Sur
les 85 abonnés, 48 sont déjà connectés et
ils sont très satisfaits du fonctionnement de leurs instruments.
M. L. F. Hankel est président de la société et M.
W. A. Lankford, directeur, secrétaire et trésorier. Le capital
social de l'entreprise est de 30 000 $. M. W. A. Lankford est l'esprit
dirigeant et contrôle les droits de l'État de Virginie pour
le système Shaver...
La Shaver Corporation continue de recevoir de nombreuses commandes
pour de nouveaux centraux de son système téléphonique
moléculaire, et les perspectives pour l'été prochain
sont plus prometteuses que jamais. Parmi les nouveaux centraux à
établir, il y en a un à Staunton, en Virginie, avec 104
stations, qui seront probablement construites courant mars.
La Shaver Corporation vient de terminer l'incorporation des États
du Maine et du New Hampshire par comtés avec leurs téléphones,
et s'étend maintenant au Connecticut. Ils ont récemment
terminé l'installation d'un central avec une centaine d'abonnés
à Charlottesville, en Virginie.
...
M. Joseph Harris, agent de la Shaver Corporation, 207 Broadway,
a obtenu un contrat de la Tompkins Cove Construction Company, de Tompkins
Cove, N. Y., pour un système bancaire de téléphones
Shaver dans ses usines, composé de cinq lignes de 500 à
1 000 pieds de longueur. Il doit également ériger une autre
ligne entre la tribune des juges et l'enceinte de pari de l'hippodrome
de Sheepshead Bay, sur une distance d'environ 1 000 pieds. Il a plusieurs
autres contrats en vue. W.T.H.
La Shaver Telephone Company of Central New York a été
constituée à Albany le 1er décembre, avec un capital
de 30 000 $, pour exploiter une ligne téléphonique reliant
Syracuse, Utica, Rome, Oswego, Watertown et d'autres villes.
Un autre brevet en 1892 TELEPHONY Shaver Patent N°
4799,227 dated July 19 1892


La même année, Shaver brevetera un nouveau microphone magnétique.
C'est la fin des téléphones acoustiques.
sommaire
1883 C. SELDEN MECHANICAL TELEPHONE.
Patented July 17, 1883. ST. Louis, MISSOURI.
L'objet général de mon
invention est de transmettre le son et la parole au moyen de vibrations
envoyées sur un fil, une corde ou un autre transporteur de
son.
Le but de mon invention est plus spécialement de combiner à
cet effet des moyens à la fois électriques et mécaniques,
et d'augmenter très largement l'amplitude ou l'intensité
des sons transmis par l'appareil.
Mon invention consiste à combiner avec un diaphragme muni d'un
cordon, d'un fil ou d'un autre support transmettant le son et d'un
électro-aimant dont la puissance d'attraction sur ledit diaphragme
varie par tout moyen approprié agissant simultanément
avec les ondes sonores ou les vibrations frappant directement ledit
diaphragme.
Mon invention consiste en outre en certaines combinaisons spéciales
d'appareils qui seront spécifiées dans les revendications
ci-annexées.
Dans les dessins annexés, la figure lis est une section centrale
verticale d'une forme d'appareil mettant en uvre mon invention,
et que j'appelle Vibraphone. La figure 2 est une vue de face de l'appareil.
La figure 3 est un schéma des circuits électriques de
l'appareil.... |
 |
1887 T. H. WEINHAUS. TÉLÉPHONE MÉCANIQUE.
N0. 355 363. Breveté le 4 janvier 1887.
 |
SPECIFÉCATION faisant
partie des Lettres Brevets N° 355,363, en date du 1er janvier
1887.
Sachez que moi, T.H. H. Weinhauss, citoyen des États-Unis,
résidant à St. Cloud, dans le comté de Stearns,
État du Minnesota, j'ai inventé certaines améliorations
nouvelles et utiles des téléphones, de ce qui suit est
une spécification, référence étant faite
aux dessins annexés.
Mon invention concerne des améliorations apportées aux
téléphones de la classe connue sous le nom de téléphones
mécaniques ; et l'objet de mes améliorations est
la construction d'un dispositif qui augmentera l'efficacité
ainsi que le volume et la qualité du son transmis et reçu
par lesdits téléphones. J'atteins ces objectifs grâce
à la construction illustrée dans les dessins annexés,
dans lesquels la figure 1 est une section centrale d'un téléphone
construit conformément à mon invention. La figure 2
est une vue en perspective du diaphragme formé de deux épaisseurs
de parchemin et montrant l'une des couches découpée.
Le boîtier se compose de deux parties, A et B, chacune composée
d'une seule pièce ou bloc de bois convenablement tourné,
comme décrit ci-après, entre lesquelles est tendu et
serré le diaphragme D, constitué de deux épaisseurs,
d,oi' de parchemin. r)la partie arrière, A, présente
une grande cavité centrale des deux côtés, et
entre ces cavités une fine cloison iiat est retenue pour former
la table d'harmonie a. La "partie avant du bloc arrière,
A, est retournée ou en retrait en A", adjacente à
sa périphérie, pour former un épaulement annulaire,
A2, adjacent à sa cavité centrale, A, et sur cet épaulement
les deux épaisseurs de parchemin du diaphragme D sont tendus,
après avoir été convenablement amortis, en forçant
sur leurs bords l'anneau avant B du boîtier, la face arrière
dudit anneau étant convenablement évidée et épaulée
en BZ pour correspondre et s'emboîter avec l'épaulement
annulaire et évidement sur le bloc arrière, A. Par cet
emboîtement des surfaces, deux plis et courbures circulaires,
dL d?, à angle droit l'un par rapport à l'autre, sont
formés dans le diaphragme, qui empêchent effectivement
sa relaxation ou sa cession sur les bords. Les pièces A et
B sont ensuite réunies par des vis à bois c... |
1887 Mechanical Telephone Brevet William W. Nichols

SAMUEL D. BREAR. TÉLÉPHONE MÉCANIQUE. N° 385
889. Breveté le 10 juillet 1888.
SPECIPICATION faisant partie des Lettres
patent n° 385,839, 10 juillet 1888.
A qui de droit :
Sachez que moi, SAMUEL D. BREAR, citoyen des États-Unis, résidant
à Vinona, dans le comté de Vinona et dans l'État
de Minnesota, j'ai inventé certaines améliorations nouvelles
et utiles dans le domaine des téléphones ; et je déclare
que ce qui suit est une description complète, claire et exacte
de l'invention, telle qu'elle permettra à d'autres spécialistes
du domaine concerné de la fabriquer et de l'utiliser.
Cette invention concerne certaines améliorations apportées
aux téléphones acoustiques ; et il a pour but de construire
un instrument qui sera extrêmement sensible, qui s'ajustera
à la tension du fil conducteur, et qui possédera la
plus grande simplicité dans toutes ses parties, comme nous
l'expliquerons plus en détail ci-après.
Les objets mentionnés ci-dessus sont atteints par les moyens
illustrés dans les dessins annexés, dans lesquels :
la figure 1 représente une vue en coupe longitudinale verticale
de mon téléphone amélioré ; Fig. 2, une
vue en coupe transversale prise selon la ligne :0a; de la Fig. l,
et la Fig. 3 une vue arrière du tambour ou boîtier extérieur
du téléphone détaché.
En se référant aux dessins, la lettre A indique un cadre
renfermant une tablette rectangulaire, B, en bois ou autre matériau
approprié, à la face extérieure de laquelle est
fixée une feuille métallique (3, au moyen de dispositifs
de fixation appropriés, D. Le la tablette en bois est dotée
d'une ouverture centrale d'un diamètre approprié, et
autour de ladite ouverture, à son bord avant, est fixé
un anneau ou un anneau métallique, E. La feuille métallique
fixée à la tablette est dotée d'une ouverture
centrale correspondante, et à travers ladite ouverture prolonge
l'extrémité arrière d'un tambour F, qui constitue
le boîtier récepteur sonore du téléphone.
Ledit tambour est fixé dans l'ouverture de la tôle métallique,
et son bord arrière est découpé de temps en temps,
formant une série de roulements, G, qui s'étendent à
l'intérieur de l'anneau mentionné ci-dessus. La lettre
B indique un diaphragme, en membrane ou autre matériau approprié,
qui est étiré sur l'anneau ou l'anneau à l'extérieur
de celui-ci, et qui est confiné étroitement à
la face de la tablette de bois à intervalles réguliers
autour de son ouverture au moyen des roulements G, mentionnés
ci-dessus, de manière à la maintenir dans un état
de tension élevée et à la faire réagir
facilement aux vibrations du volume d'air devant elle lorsque un son
est produit en face de la trompette du téléphone. Le
tambour, à son extrémité extérieure, est
pourvu d'un boîtier de condensation H et d'une trompette I,
au moyen desquels le son de la voix ou d'une autre source peut être
dirigé sur le diaphragme.
L'arrière de la tablette en bois, autour de son ouverture centrale,
est fixé à un anneau métallique ou à un
anneau similaire à l'anneau mentionné ci-dessus, et
à la face arrière de ladite tablette est fixée
une plaque métallique R au moyen de dispositifs de fixation
L. , ou non, de manière à prendre appui contre l'anneau
et à se maintenir en tension et hors contact avec la tablette
à cet endroit. Entre l'anneau et la face arrière de
la tablette sont tendus et serrés une série de brins
vibrants, Z, en caoutchouc ou autre matériau approprié
qui agissent en conjonction avec le diaphragme vibrant et la feuille
vibrante arrière pour amplifier les vibrations des ondes sonores
entrant dans la trompette. ,et ainsi augmenter la sensibilité
du téléphone. ... |
 |
sommaire
Des systèmes de « téléphone
mécanique » des versions essentiellement élaborées
de « deux canettes et une ficelle » étaient
en fait utilisés dans des zones non desservies par le système
téléphonique de Bell (et qui échappaient à
tous les brevets de Bell).
Certains étaient des centraux complets avec des standards dopérateurs,
comme le «Pulsion Téléphone »
de Lemuel Mellett inventé en 1888 pour être
utilisé sur les chemins de fer américains .
1888-1889 Le téléphone Pulsion
En Angleterre, un article
de journal de 1889 rapporte : « Le téléphone
Pulsion était aussi un téléphone mécanique
qui semble vraiment pouvoir rivaliser avec le téléphone
ordinaire, en tout cas pour des distances modérées.
Il a été récemment exposé sur une ligne
de 3 miles, entre Finchley-road et Hendon, sur le Midland Railway
(près de Londres).
C'est l'invention de M. Lemuel Mellett, de Boston, États-Unis
(En fait, il était originaire de Newton, puis Somerville, Massachusetts).
Le principe semble être d'avoir sur la plaque sonore un certain
nombre de petits ressorts hélicoïdaux maintenus à
une seule extrémité ; ceux-ci répondent à
diverses vibrations harmoniques, et la vibration du fil est reprise
et renforcée, donnant une grande netteté à l'énoncé.
Il semble que peu importe que le fil soit tordu ou qu'il passe à
travers de la terre meuble. Une particularité est qu'on peut
l'écouter à tout moment en posant un chapeau sur le
fil, une qualité utile en cas d'accident, mais évidemment
impropre aux messages privés. |
 |
Le « téléphone à pulsion »,
nouveau téléphone mécanique d'une grande puissance
et d'une grande clarté inventé en Amérique, fut
testé sur le Midland Railway entre les gares de Finchley Rd et Hendon.
Les conversations menées entre les opérateurs des deux stations
et une boîte à musique placée dans une station ont été
distinctement entendues dans l'autre. Ces tests et d'autres ont démontré
avec brio « les puissances remarquables du système et son utilité
en cas d'accident ferroviaire, ou dans d'autres circonstances où
un poste téléphonique est désormais à portée
de main ...
Le brevet L. Mellett No. 392,816. Patented Nov.
18, 1888.
  
Cette demande est faite en remplacement d'une demande déposée
jusqu'à présent auprès du Bureau des brevets par Herman
XV. Ladd et le présent demandeur conjointement, 2 juin 1887, numéro
de série 240 093, couvrant le même sujet identique.
Le but de cette invention est de produire un téléphone à
impulsions simple et très efficace, par lequel, sans aucun courant
électrique ou magnétique, la parole humaine ou d'autres sons
peuvent être transmis à une plus grande distance et d'une manière
plus distincte qu'il n'était possible jusqu'à présent
sans un tel téléphone. actuel. Avec mon appareil, l'isolation
du fil n'est pas nécessaire et, pour les courtes distances, des connexions
à la terre sont souhaitables pour réduire la résonance.
Des bobines de support de fil enroulées à intervalles réguliers
autour des branches d'arbres améliorent la transmission. Je forme
des embranchements sans isolation pour transmettre vers plusieurs points
simultanément à partir d'une seule ligne et d'un seul instrument.
La première section du fil est tendue ; mais le reste peut consister
à prévoir des ouvertures latérales à l'intérieur
de l'instrument pour que le son s'échappe derrière le diaphragme,
et à étendre de préférence un tube lisse jusqu'à
une ou aux deux oreilles de l'opérateur, pour faciliter l'audition
tout en parlant à travers l'instrument. Un bouton-poussoir à
ressort peut fermer l'ouverture, lorsque vous le souhaitez ...
|
The Pulsion Telephone SCIENCE December 27, 1889.
Une scène curieuse s'est déroulée récemment
à un endroit appelé Child's Hill, sur la voie ferrée
de Midland, près de Londres, en Angleterre.
Ce qui s'est passé là-bas, comme l'a confirmé
l'ingénierie, était le suivant. Un groupe de gentlemen
descendit du train et gravit le talus. Ici, lun deux
sapprocha dun fil tendu le long des poteaux télégraphiques
et, posant à plat le sommet de son chapeau, il commença
une conversation avec quelque correspondant invisible. Les réponses
à ses questions et remarques revenaient de manière
assez audible au groupe rassemblé autour de lui, tandis que
ceux qui se sentaient sceptiques quant à la réalité
de ce qui se passait devant eux, s'éloignaient et, pressant
le fil contre leur oreilles et pommettes, ont entendu les messages
de retour par eux-mêmes. Après une conversation décousue,
on demanda à l'orateur inconnu de pousser un bon cri, et
en réponse il jodelait [yodelait] avec une telle vigueur
qu'un garçon marchant péniblement le long de la coupe,
de l'autre côté des lignes montantes et descendantes,
regarda avec stupéfaction. Il se trouvait à au moins
quatre-vingts ou cent pieds de distance, et pourtant il entendait
évidemment le cri transmis le long du fil et reçu
dans la couronne d'un chapeau de soie ordinaire. Il était
tout à fait impossible qu'il ait capté le son original,
car il était émis dans une cabine construite sur le
bord de la ligne à la station Welsh Harp, à plus d'un
mile de distance, et n'était probablement pas directement
audible à une centaine de mètres. Ceux qui se trouvaient
sur le talus savaient qu'elle était transmise au moyen d'un
nouveau téléphone mécanique, car ils avaient
déjà écouté la même voix à
la station de Finchley-road, située à 3 milles et
demi du Welsh Harp.
Lorsque tout le monde fut convaincu que les paroles, les sifflements
et les sons musicaux pouvaient être reçus sans appareil
spécial, le groupe remonta dans le train et se dirigea vers
la gare de Welsh Harp, où ils trouvèrent plusieurs
lignes érigées dans le parc du train. hôtel
local. L'une des lignes part d'une petite cabane dans le parc ;
il se dirige ensuite vers un poste au bord du lac et traverse directement
une cabane sur la rive opposée. La distance est comprise
entre un quart et un tiers de mille ; et comme ce fil n'est pas
particulièrement serré, et ne commence qu'à
une hauteur d'environ dix pieds au-dessus de l'eau, on comprendra
facilement qu'il doit reposer sur presque toute sa longueur dans
la boue qui forme le lit du lac. Une autre ligne traverse les jardins
; ses supports sont formés par des branches d'arbres, autour
desquelles il s'enroule trois fois autour de plusieurs, et est ensuite
orienté en biais par rapport à sa direction originelle.
Dans un autre cas, une rangée de statues est conçue
pour porter une ligne, qui est posée sur n'importe quelle
partie d'elles qui fournit un guide pratique. Cette ligne est si
lâche qu'elle peut être pliée en forme de S par
le pouce et l'index. Les diverses circonstances semblaient cependant
faire peu de différence pour les instruments, et dans tous
les cas, la conversation pouvait se poursuivre avec la plus grande
facilité et pouvait souvent être entendue à
un pied ou deux du récepteur.
L'instrument grâce auquel ces lignes curieusement construites
ont été réalisées pour donner des résultats
aussi remarquables est la propriété de la British
Pulsion Telephone Company. C'est l'invention de M. Lemuel Mellett
de Newton, Massachusetts, et déjà plusieurs centaines
d'instruments sont à l'uvre à Boston et ailleurs.
La construction est si extrêmement simple quon sétonne
quelle puisse avoir autant deffet. Le récepteur,
qui fait également office d'émetteur, est constitué
d'une caisse en bois, divisée en deux parties par un diaphragme
métallique maintenu par un clip et des vis. Au centre du
diaphragme se trouve un trou par lequel passe le fil de ligne, ayant
à son extrémité un bouton pour tirer. Jusqu'à
présent, il n'y a pas de nouveauté particulière
permettant de distinguer le téléphone de l'ancien
pilulier et de la ficelle. La nouveauté consiste en un ensemble
de résonateurs placés sur le diaphragme pour renforcer
ses vibrations. Ces résonateurs peuvent être réalisés
sous de nombreuses formes différentes ; ceux utilisés
à cette occasion sont des anneaux en spirale de différentes
longueurs et fabriqués à partir de fils de différents
calibres. Un jeu de ressorts est festonné entre les vis qui
maintiennent le diaphragme, tandis que d'autres sont maintenus à
une seule extrémité et font saillie vers le haut et
vers l'intérieur du boîtier. Ces résonateurs
sont choisis expérimentalement dans des dimensions telles
que chacun sera mis en vibration par un ou plusieurs des tons que
l'on trouve habituellement dans la voix humaine. Par conséquent,
le moindre tremblement vocal communiqué au disque est immédiatement
capté par ceux-ci et immensément amplifié.
Cela se fait à la fois aux extrémités d'émission
et de réception, le résultat étant que le fil
est soumis à une vibration moléculaire intense d'un
caractère jusqu'ici inapprécié. Il ne s'agit
évidemment pas d'une simple vibration latérale, comme
celle d'une corde de guitare, car un tel mouvement serait certainement
amorti par le fil posé dans le lac ; il souffrirait également
beaucoup dans le cas d'une travée tendue de manière
si lâche qu'au centre elle repose sur plusieurs pieds sur
le sol, mais il a été démontré qu'une
telle travée fonctionnait raisonnablement bien. Il est évident
cependant que la vibration n'est pas purement longitudinale, car
si elle l'était, elle devrait être transmise par une
bobine de fil jetée lâchement sur le sol ; et cela,
nous le comprenons, nest pas le cas. Ce serait cependant une
perte de temps que dessayer de formuler une théorie
en dehors de linvestigation expérimentale. Ce qui nous
intéresse principalement maintenant, c'est le fait qu'un
téléphone mécanique a été construit,
qui parlera avec une distinction absolue sur trois milles et demi,
et qui est simple, bon marché et, surtout, sans induction.
Il est aisément concevable que ses performances puissent
être grandement améliorées ; de nouvelles formes
de résonateurs peuvent être trouvées qui ont
une affinité plus proche avec les tons de la voix que celles
déjà essayées. Deux cordes vocales constituent
la source de tous les sons que nous pouvons émettre, même
si nous sommes aussi doués que Patti, et il semble possible
que l'on trouve certains matériaux plus proches de leur action
que des hélices métalliques. Bien que ceux-ci puissent
vibrer en harmonie avec les sonorités du langage humain,
ils n'ont pas la même qualité sonore, et la résonance
métallique qu'ils confèrent à l'articulation
qu'ils transmettent n'est pas tout à fait une amélioration.
|
Un autre article paru dans "La Nature" Nov 1889
LE TÉLÉPHONE MÉCANIQUE À
PULSION.
Un NOUVEAU téléphone mécanique d'une puissance
extraordinaire a récemment suscité une attention considérable
à Londres et dans certaines autres villes et villages
de ce pays.
Il est d'origine américaine, comme tant d'autres améliorations
modernes de caractère exceptionnel, étant l'invention
d'un certain Lemuel Mellett, je crois de Boston, aux États-Unis.
Comme vos lecteurs le savent, il y a eu de nombreux téléphones
mécaniques antérieurs, dont certains ont obtenu beaucoup
de publicité pendant une courte période, et n'ont ensuite
guère fait parler d'eux ; mais ayant eu l'occasion d'expérimenter
fréquemment le nouvel instrument et d'observer sa puissance
vocale, pour ainsi dire, dans des circonstances très diverses,
je ne puis douter qu'il n'ait un grand avenir devant lui.
Il peut être clairement indiqué d'emblée que l'instrument
à pulsations est absolument indépendant de toutes aides
ou appareils électriques et qu'il n'a donc besoin ni de l'alimentation
d'une batterie pour le faire fonctionner, ni d'une isolation d'aucune
de ses pièces pour les maintenir efficaces.
Il se compose uniquement de deux instruments simples et bon marché
reliés par un fil de cuivre ordinaire non isolé, ou,
mieux encore, par un double fil d'acier, les deux parties étant
légèrement entrelacées, disons avec environ un
seul tour par couple. pieds.
Le ou les fils sont simplement attachés à l'instrument
à chaque extrémité, la connexion étant
établie en quelques secondes.
L'instrument se compose d'un disque combiné à une série
de petits ressorts spiraux enfermés dans un boîtier d'environ
trois ou quatre pouces de diamètre.
Ces ressorts, disposés d'une manière qui a été
déterminée par l'expérience et de manière
à produire des vibrations harmonisées, paraissent posséder
le pouvoir d'amplifier ou d'accumuler sur le fil les vibrations que
la voix établit dans le disque, et le fil semble posséder
- possède sans aucun doute - le pouvoir de transmettre à
de grandes distances et de donner sur un second instrument à
pulsion les sons de la voix.
La capacité de ce système simple de ressorts, de disques
et de fils à transmettre des sons de conversation et autres
à des distances considérables avec une grande clarté
et distinction, reproduisant les tons mêmes de la voix et les
qualités des sons musicaux avec mais peu de réduction
ou Cette modification est des plus surprenantes, et cela ne l'est
pas davantage que pour les nombreux hommes de science qui l'ont récemment
expérimentée.
L'auteur de cet avis ne peut peut-être pas faire mieux que de
relater ses propres expériences avec ce système.
Après avoir examiné et expérimenté plusieurs
courtes longueurs de fil, dont certaines dépassaient un mile
et demi, la semaine dernière, je me suis rendu à la
gare de Finchley Road du Mid-land Railway, à partir d'un point
près duquel une ligne avait été transportée
jusqu'à près de la station Welsh Harp, à une
distance de trois milles par la ligne de chemin de fer, et davantage
par la voie du fil, qui pour la plus grande partie était transportée
par les poteaux télégraphiques, auxquels il était
attaché par des moyens très simples. moyens.
La conversation sur cette longueur de ligne, de plus de trois milles,
était extrêmement facile ; en effet, la voix était
si puissamment transmise qu'un chapeau ordinaire suffisait à
tous les usages du deuxième instrument, sans s'approcher de
laquelle la conversation se poursuivait à plusieurs reprises
au moyen des chapeaux de trois messieurs présents, dont les
sommets étaient simplement placé contre le fil téléphonique.
J'entrai ensuite dans le jardin de la "Welsh Harp", où
une courte longueur de fil avait été passée entre
deux points, le fil en allant d'un point à l'autre étant
deux fois étroitement tordu, à quelques mètres
d'intervalle. de petites branches rondes d'arbres, d'environ 1 pouce
de diamètre, étant enroulées autour de la branche
trois fois dans chaque cas.
Curieusement, cet enroulement serré des fils autour des branches
ne gênait en rien la transmission de la voix d'un bout à
l'autre du fil.
Une troisième et dernière expérience a été
faite avec un fil posé obliquement à travers le lac
Welsh Harp et laissé couler et reposer sur le fond du lac.
La longueur de la ligne était approximativement estimée
à environ un tiers de mille, et d'un bout à l'autre
(à l'exception de quelques mètres à chaque extrémité
où le fil était acheminé du bord de l'eau jusqu'à
la cabine téléphonique), le fil était complètement
immergé. et sans aucun autre support que celui que le fond
du lac lui offrait.
Cependant, malgré cette immersion de tout le fil, la conversation
s'y faisait sans la moindre difficulté, au moyen des instruments
à pulsations.
En fait, la voix sortait à travers le fil immergé, et
le fil le plus long (plus de trois miles) mentionné précédemment,
avec une plus grande pureté et douceur que par des longueurs
plus courtes.
Je dois laisser à d'autres le soin d'expliquer, et s'il le
faut de découvrir, les fondements scientifiques du succès
de ce petit instrument extraordinaire.
Cependant, si l'on considère ses capacités pratiques,
comme illustré ci-dessus, il n'est pas surprenant que les bureaux
de poste, la police, les chemins de fer et d'autres personnes commerciales
submergent déjà d'applications ceux qui s'arrangent
pour utilisez le nouveau téléphone qui, de par son extrême
simplicité, est manifestement bon marché. |
La compagnie de téléphone Elgin (voir Hubbard 1880)
a exposé le téléphone Elgin à l'Exposition colombienne
été 1892.
LE TÉLÉPHONE ELGIN.
L'exposition de cette entreprise était un système téléphonique
acoustique, une maquette de l'installation étant exposée.
L'instrument est construit de telle sorte que l'appel, le récepteur
et l'émetteur ne font qu'un. Il n'a pas de connexion électrique
et est donc destiné à une utilisation strictement sur des
lignes privées limitées à de courtes distances. Les
instruments sont entièrement fabriqués en métal et
sont auto-ajustables, ne nécessitant pratiquement aucun espace mural
sur lequel s'appuyer. La ligne utilisée par ce système doit
être tendue de manière à ce que les mouvements du diaphragme
fassent vibrer toute la longueur de la ligne. La ligne ne peut donc pas
être posée en moulure ou sur un support fixe, mais doit être
suspendue ou fixée sur des ressorts légers.
SIMSON Patend 479,726 july 26 1892

En 1892, Hubbard était le cessionnaire d'un brevet américain
n° 481 133, « Téléphone mécanique »,
inventé par William J. Bowen de Norwalk, Ohio. Le brevet de
Hubbard, en plus du récepteur-émetteur téléphonique,
comprenait également des détails sur un standard ou un
central rudimentaire, qui permettrait à une personne de parler
à plusieurs interlocuteurs. On ne sait pas si la bourse a été
mise en service ou non.
C'était le
dernier brevet pour les téléphones acoustiques.
sommaire
De nombreuses innovations ont vu le jour et presque
toutes portent sur des téléphones mécaniques.
Les derniers parus sont le Krotophone, qui voudrait être
suivant l'auteur le dernier mot du progrès, puis
les systèmes Shaver, Hugh et Lamont et Hubbart, sans diaphragme
.
Le téléphone de M. Spaulding, que l'inventeur nomme
"krotophone", rappelle dans sa simplicité et son
caractère exceptionnel celui de M. Bergmann. La figure suivante
montre un récepteur krotophone simple breveté en 1887
par Watkins.
Le mouvement du diaphragme de ce récepteur est produit par la dilatation
et la contraction des électrodes en contact permanent, provoquées
par l'effet thermique du courant aux jonctions des électrodes.
Comme illustré, une électrode est fixée au diaphragme
et toutes sont disposées de manière à pouvoir être
ajustées pour un contact lâche. Les boutons sont de forme
cylindrique et sont en matériau conducteur recouvert de tellure,
placés dans un tube de verre ou d'un autre matériau isolant.
Le courant traverse la série d'électrodes et, aux contacts,
les variations de dilatation ou de contraction du tellure sont produites
par les variations du courant transmis à l'instrument. Des vibrations
du diaphragme, correspondant à ces variations de courant, sont
produites. L'utilisation d'une batterie dans le circuit permet d'amplifier
l'effet en maintenant une température de fonctionnement optimale
pour l'instrument et en servant également de batterie de polarisation.
Cet appareil, appelé « Krotophone »
( En grec, claquement, bruit; et voix)., peut servir à la fois
de récepteur et d'émetteur. Comme illustré, il se
compose d'un crayon de carbone pointu en contact avec un diaphragme en
carbone.
Breveté le 6 juillet
1886. SPÉCIFICATION faisant partie des Lettres Patentes n°
345 085, datées du 6 juillet
1886.
Demande déposée le 20 novembre 1885. Numéro de série
193 175.
Le courant électrique qui traverse le contact chauffe les électrodes,
ce qui provoque leur dilatation et, par conséquent, la déformation
du diaphragme. Un courant fluctuant entraîne donc une fluctuation
synchronisée du diaphragme, générant ainsi des ondes
sonores dans l'air. L'inventeur affirme que l'allongement et la contraction
du crayon de carbone sont dus à la polarisation des atomes ou des
molécules de carbone, mais quel que soit le mécanisme, des
améliorations importantes sont possibles.
On appelle
cela un récepteur krotophone simple.
Les contacts libres sont chauffés et refroidis
lors du passage du courant téléphonique .
Ce récepteur est doté d'un diaphragme en carbone et d'une
coupelle métallique conique adjacente. Des billes de carbone à
l'intérieur de la coupelle assurent un contact lâche entre
celle-ci et le diaphragme.
Dans cet appareil, où le procédé consiste à
reproduire la voix humaine au moyen de mouvements moléculaires,
laimant et la plaque vibrante du téléphone Bell sont
remplacés par un crayon de charbon et une plaque de même
substance.
Le poste transmetteur est formé dune pile P reliée
à la terre et à un microphone A, non muni dune bobine
dinduction, dune ligne G et du krotophone. Cet instrument
se compose d'un crayon de charbon D logé dans un étui en
bois, dont l'un des bouts, taillé en pointe, s'appuie sur une plaque
de charbon J)'. Cette dernière est entourée dun anneau
KK et dune garniture en caoutchouc destinée à empêcher
la plaque de se casser. Une vis de réglage F permet dassurer
un contact parfait entre les deux charbons.
Comme on le voit, tout lappareil récepteur II est constitué
parles deux charbons DD' et la vis de réglage F.
La ligne C, reliée dans le poste transmetteur, au microphone A,
est attachée au poste récepteur H à la vis F, et
la plaque de charbon DD' est mise en communication avec la terre T .
Pour expliquer le fonctionnement du krotophone, linventeur admet
que le courant, traversant le crayon D, comme un faisceau de lignes parallèles,
occasionne un mouvement moléculaire qui se transmet aux molécules
de la plaque D'par un rayonnement du courant dans toutes les directions
jusquà lanneau métallique, doù
il passe à la terre.
La diffusion du courant influence toutes les molécules placées
dans le voisinage de la plaque D', et le mouvement vibratoire qui en résulte,
occupant une grande surface, amplifie le son.
Le krotophone, daprès linventeur, offre sur les appareils
récepteurs magnétiques un avantage en raison de la simplicité
et de l'inaltérabilité des organes qui le composent ; de
plus, son fonctionnement est certain, et sa durée très longue
sommaire
Entre 1893 et 1894, les brevets de Bell expirent, entraînant
le déclin de la téléphonie acoustique.
Petite histoire en rapport avec le téléphone
Holcomb :
Le premier téléphone mobile au monde serait aujourdhui
pratiquement méconnaissable. Inventé en 1902, il avait la
taille d'une poubelle et avait une portée d'à peine 800
mètres. Son inventeur était Nathan Stubblefield,
« agriculteur, fruiticulteur et électricien », qui
se décrit lui-même comme le père de la technologie
mobile après avoir breveté son invention « sans fil
».
Stubblefield a grandi à Murray,
Kentucky, et est parti en tant que jeune adolescent pour s'inscrire
au Male and Female Institute de Farmington, à proximité.
Malheureusement, ses études ont pris fin à cause du
décès de son père, laissant Stubblefield sous
la garde de sa belle-mère. Malgré quelques circonstances
désagréables, il n'a jamais cessé de s'instruire
en lisant des publications scientifiques, comme Scientific American
et Electrical World. Son mariage lui a apporté une famille
de neuf enfants, qu'il a entretenus grâce à l'agriculture.
Son inventivité et son industrie l'ont amené à
ouvrir une école à domicile appelée « Nathan
Stubblefield Industrial School ».
Au cours de sa vie, il a consacré de nombreuses heures et investi
son petit argent pour établir un service téléphonique
dans sa ville natale, essayant de connecter les ménages séparés
de la région. Ses tentatives ont commencé en 1886,
lorsqu'il a commencé à vendre et à installer
des téléphones acoustiques qui transmettaient
les vibrations sonores entre deux caisses de résonance distantes
via un fil tendu au lieu de l'électricité. Il réussit
à étendre sa vente au Mississippi et à l'Oklahoma.
Ce succès fut bientôt suivi d'un autre puisqu'il obtint
le brevet américain 378 183 pour la conception d'un «
téléphone mécanique », co-créé
avec son partenaire Samuel Holcomb. Cependant, il fut
bientôt mis en faillite par la franchise bien supérieure
de téléphones électriques Bell Telephone.
Néanmoins, Stubblefield n'a pas été découragé
par le fait d'être en dehors du jeu du « téléphone
» pendant un certain temps, pensant qu'avec un système
sans fil, il pourrait se connecter au Kentucky sans les dépenses
supplémentaires liées à l'installation de poteaux
ou de câbles et, en outre, il trouverait son propre marché.
Il s'est concentré sur l'induction électromagnétique
pour sa conception initiale.
|

|
Dans son verger, Stubblefield a construit
un mât de 120 pieds, capable de transmettre la parole d'un téléphone
à un autre en utilisant des champs magnétiques, créant
ainsi un téléphone à induction. Au cours des
années suivantes, Stubblefield a expérimenté
son téléphone mais n'a jamais réussi à
le faire fonctionner sur de plus grandes distances. Il décide
alors de se tourner vers un nouveau produit : un téléphone
sans fil basé sur la conduction naturelle.
La quantité totale de fil nécessaire pour les bobines
du téléphone était plus longue que ce qui était
nécessaire pour obtenir une simple connexion, mais l'invention
permettait la mobilité. Il a simplement mis en pratique une
notion courante : leau conduit lélectricité.
Ainsi, le système utilisait une étendue deau ou
de terre comme moyen de transmission de la voix, au lieu dutiliser
des fils dans un circuit électrique.
Stubblefield a fait la démonstration et la promotion de son
appareil sur la place publique de Murray le jour du Nouvel An 1902,
diffusant de la musique et de la voix vers des récepteurs,
l'un d'eux étant situé à cinq pâtés
de maisons. Un journaliste a été immédiatement
envoyé pour interviewer l'inventeur, qui, dans l'interview,
a prédit que son nouvel appareil serait utilisé pour
transmettre des nouvelles et des informations dans le monde entier.
Un groupe d'entrepreneurs new-yorkais s'est intéressé
à l'histoire, offrant un demi-million d'actions à Stubblefield
de la Wireless Telephone Company of America en échange des
droits sur sa remarquable invention. Il a accepté l'offre et
a rapidement organisé des manifestations publiques à
Washington et à Philadelphie qui ont été couvertes
par les médias. Cependant, une manifestation à Battery
Park, à New York, a échoué.
La cause était probablement le bruit de fond provoqué
par les nombreux circuits électriques qui étaient auparavant
mis à la terre dans cette zone densément peuplée.
Stubblefield a commencé à soupçonner qu'il était
impliqué dans un stratagème de fraude boursière,
doutes qui se sont concrétisés lorsque la Wireless Telephone
Company of America a fermé ses portes.
Stubblefield ne s'est jamais remis de cet échec, bien qu'en
1908 il ait breveté une nouvelle version conçue pour
communiquer entre les véhicules en mouvement tels que les bateaux,
les trains et les gares routières. Ses inventions nont
pas connu de succès commercial et il sest retrouvé
sans le sou. |
|
sommaire
|