LE PHONOPLEX
D'EDISON
Rappel sur la télégraphie
et la téléphonie simultanée :
En Belgique de 1880 à 1889, Charles Mourlon collabore
avec François Van Rysselberghe à la commercialisation
de son invention, consistant à utiliser les mêmes câbles
pour la télégraphie et la téléphonie.
Charles Mourlon créa les premiers ateliers de construction
de matériel électrique en Belgique, c'était un
homme d'affaires de Brus-Roy principalement actif dans les applications
électrotechniques.
Avec Van Rysselberghe, ils vendent des licences et des appareils
de télégraphie et téléphonie simultanée,
ce qu'on appelle le "système Van Rysselberghe"
dans le monde entier,
L'invention, brevetée en 1882 en Belgique et au Royaume-Uni,
a entraîné l'expansion rapide de l'usine de Mourlon à
Bruxelles. Plus tard, des brevets ont été obtenus dans
le monde entier.
Système M. Van Rysselberghe, Document
télégraphie et téléphonie simultanés
de Mourlon 1884 et fichier
Van Rysselberghe entreprit de fournir un téléphone
longue distance utilisant les réseaux télégraphiques
existants appartenant aux différents bureaux de poste. Pour
ce faire, il devait filtrer les signaux Morse de la voix et la voix
du Morse. Son timing était favorable. Il y avait désormais
de nombreux téléphones en service et les abonnés
souhaitaient passer des appels à plus longue distance. L'immense
réseau télégraphique était déjà
en place. En Europe, les réseaux télégraphiques
appartenaient aux mêmes bureaux de poste publics qui possédaient
les lignes téléphoniques principales. Il était
donc judicieux d'étendre le service principal en utilisant
l'infrastructure existante. En Grande-Bretagne, WH Preece, l'électricien
en chef de la Poste, a hésité à utiliser le circuit
non pas à cause de ses propres défauts, mais parce que
le système de télégraphie à grande vitesse
de Wheatstone utilisé en Grande-Bretagne sur les principales
lignes télégraphiques avait peut-être des problèmes
avec celui-ci. . Malgré cela, il a quand même finalement
été introduit. C'est peut-être le résultat
d'une visite de Preece à Paris en 1889, où il a vu le
système en action et a été autorisé à
le tester.
sommaire
En France seules les revues techniques informaient
les scientifiques des avancées techniques sur la télégraphie
et téléphonie simultanée.
Le phonoplex Edison Vu dans la
Lumière Electrique de 1886
|
M. J. Wetzler, notre correspondant dAmérique,
a déjà parlé de cette nouvelle invention
(La Lumière Électrique, 1886 ), L'Électrical
Review de New-York, dans son numéro du 31 août 1886,
donne des renseignements plus détaillés sur chaque
partie .de ce système télégraphique et sur
les diverses combinaisons dans lesquelles il peut entrer, nous
prions nos lecteurs de ne pas oublier que tout ce qui suit sapplique
à lorganisation, à laméricaine,
des lignes télégraphiques.
Le phonoplex a pour but daugmenter la capacité
dun simple circuit Morse ; lemploi du duplex augmente,
il est vrai, le nombre des communications, mais ce nest
quentre les stations terminales du circuit, tandis que le
phonoplex permet détablir des circuits intermédiaires
entre les diverses stations, de manière à augmenter
de beaucoup la capacité dun circuit simple.
Le principe du système consiste dans lemploi des
courants dinduction, envoyés par un appareil transmetteur
; ces courants nagissent pas sur les appareils Morse, placés
dans le même circuit, et dun autre côté,
les courants des appareils ordinaires nont pas deffet
sur les appareils récepteurs du phonophore ; on a ainsi
deux circuits indépendants sur le même fil,
En ce qui concerne la distance possible de transmission de ces
signaux, elle dépasse une centaine de milles, soit plus
de 160 kilomètres; en outre, cette transmission est beaucoup
moins affectée par une mauvaise isolation de la ligne.
 
Lensemble dun poste comprend une clef, un transmetteur,
une bobine magnétique (bobine munie dun noyau de
fer doux), une petite boîte de résistance, le «
phone » ou récepteur, deux condensateurs; une batterie
de 4 piles par la production des signaux et une pile de deux éléments
à gravité pour la manoeuvre du transmetteur ; le
tout ne prend pas plus de place quun poste Morse.
La figure 6 montre lensemble dun poste.
- Le « phone » (fig. 1) est lappareil récepteur;
sa description ayant déjà paru, nous rappellerons
seulement que les décharges électriques occasionnent
un choc violent de la membrane contre son arrêt ; ce choc
donne lieu à un son plus ou. moins intense, qui est découpé
en « traits et points » par la clef et le transmetteur
; les signaux se recevant à louïe suivant lusage
américain.
- Le transmetteur (fig. 2) est placé entre la clef et la
bobine magnétique ; la manuvre de la première
donne lieu à un mouvement du levier du transmetteur sous
laction de soft électro-aimant et du ressort antagoniste,
le circuit de la bobine est ainsi successivement fermé
et ouvert, et cela dune manière uniforme, de quelque
manière que se fasse la manuvre de la clef; le transmetteur
a en outre pour but de mettre en court circuit le « phone
f, de la station, chaque fois que le circuit de la bobine est
ouvert, afin quil ne réponde pas à la décharge
qui a lieu à ce moment.
- La bobine magnétique (fig. 3) est un électroaimant
dont les extra-courants fournissent les décharges électriques
actionnant le phone de lautre station ; pour augmenter leffet,
un condensateur est placé en dérivation.
- La clef (fig. 4) dont la construction rappelle celle des clefs
américaines ordinaires, est telle que lorsque le levier
horizontal est « ouvert » ou poussé à
droite (fig. 6), la pile principale est introduite dans le circuit
de la bobine magnétique, complété par les
pointes du transmetteur, et lorsquil est « fermé
» ou poussé à gauche, il ouvre la batterie
et met en court circuit la bobine magnétique ; de la sorte,
la batterie nest en circuit que lorsque lappareil
travaille ; et de plus lélectroaimant, qui nuirait
à la réception des signaux, est mis en court circuit
en ce moment.

La manipulation de la clef noffre donc rien
de nouveau aux télégraphistes américains,
qui ont les mêmes dispositions à prendre avec leur
clef Morse ordinaire, ouvrir pour la transmission et fermer pour
la réception.
- La boîte de résistance (fig. 5) est intercalée
de telle sorte que immédiatement après la rupture
du courant dans la bobine magnétique, il soit rétabli
à travers les bobines, cela pour différencier le
son produit par labaissement et le relèvement de
la clef.
FIG.
6
La figure 6, qui montre lensemble dun poste, permet
de comprendre le mode de transmission des signaux.
Le poste Morse ordinaire à droite est shunté
par un condensateur.
La ligne principale passe à travers la bobine magnétique
et à travers le « phone » ; elle nest
jamais rompue, le courant qui traverse cette bobine passant par
un circuit dérivé ; comme nous lavons déjà
dit, le levier de la clef étant à droite, la manoeuvre
de la clef, aura pour effet de rompre ce circuit dérivé
par lintermédiaire du transmetteur ; lextra-courant
de rupture de la bobine est alors envoyé dans la ligne
sans actionner 1 e phone de cette station ; au contraire, quand
le levier est à gauche, la bobine est fermée sur
elle-même, et les décharges, aussi bien que les courants
ordinaires des appareils Morse, traversent directement le phone.
Les diagrammes suivants, 1, 2, 3, 4, 5, 6, 7, 8, 9 représentent
les divers modes de disposition des circuits supplémentaires
avec phonoplex entre les diverses stations dune même
ligne ; les lignes pointillées représentent le fil
supplémentaire idéal que remplace le phonoplex.
Diag 1 à 4
Diag 5 et 6
Le diagramme 1 montre tous les bureaux dune même ligne
reliés entre eux par le « phonoplex », tandis
que, dans le cas 2, la moitié seulement sont ainsi reliés.
Les postes non reliés, sont alors munis dun condensateur
formant pont pour les décharges.
Dans le diagramme 3, un certain nombre de bureaux intermédiaires
sont réunis, les communications à la terre ont lieu
à travers des condensateurs ; les bureaux extérieurs
nont plus besoin den être pourvus.
Dans le cas 7, on a deux lignes Morse ayant une partie commune;
le phonoplex réunit ainsi des bureaux qui, sans cela, seraient
sans communications directe.
Le diagramme 8 montre le cas de deux bureaux montés en
duplex, le fil passant par des bureaux .ntermédiaires ;
ceux-ci sont, en outre, reliés par le phonoplex ; le diagramme
9 se rapporte au cas dun quadruplex.
Comme on le voit, le phonoplex se prête
à des combinaisons variées, aussi a-t-il été
déjà installé sur de nombreuses lignes en
Amérique ; la compagnie de chemins de fer Atchison, Topeka
et Santa-Fé la adopté, ainsi que la compagnie
de télégraphes, Baltimore et Ohio, et la G. N. W.
Company du Canada.
|
sommaire
En 1887 dans la revue l'électricien
LE PHONOPLEX D'ÉDISON
|
La télégraphie duplex est d'un usage
très fréquent en Amérique ; elle y est considérée
comme d'un emploi plus commode et plus simple que la télégraphie
multiple , pour laquelle il faut établir un synchronisme
toujours plus délicat que l'ajustement des résistances
et des capacités d'un duplex et même d'un quadruplex
.
Mais si le problème est simple pour les lignes télégraphiques
ordinaires , il l'est beaucoup moins pour certains services spéciaux
, tels , par exemple , que celui des chemins de fer . Les tronçons
de ligne successifs n'ont pas les même qualités électriques
: résistance , capacité et isolement , il faudrait
rétablir l'équilibre des appareils chaque fois que
les communications changent : les pertes de temps feraient alors
plus que compenser les avantages offerts par les transmissions
simul tanées .
C'est pour éviter ces inconvénients et résoudre
les difficultés du problème qu'Edison
a imaginé le système auquel il a donné le
nom de phonoplex ou way - duplex et que nous fait connaitre aujourd'hui
notre excellent confrère de New - York , The Electrical
world .
Le système dont nous ne voulons qu'indiquer aujourd'hui
le principe est identiquement le même que celui des transmissions
télégraphiques et téléphoniques simultanées
de M. Van Rysselberghe , mais le but est différent .
A chaque posle sont deux sounders , fonctionnant l'un en
récepteur ordinaire à relais , l'autre en phone
, c'est à dire par le clic d'une membrane agissant comme
un téléphone sous l'action de courants de haut potentiel
et de courte durée . Les courants télégraphiques
n'affectent pas le phone ou récepteur phonique , parce
qu'ils sont convenablement gradués par l'intercalation
d'électros graduateurs , et les courants phoniques n'agissent
pas sur le relais ordinaire parce qu'ils sont trop faibles . La
longueur de la ligne n'exerce aucune influence sur la transmission
phonique . En somme , le phonoplex dEdison , dont nous donnerons
prochainement une explication plus complète avec diagrammes
, n'est pas autre chose qu'une simplification , dans son but et
ses moyens , du système de M. Van Rysselberghe . Il a déjà
reçu un certain nombre d'applications en Amérique
, et sa simplicité contribuera sans aucun doute à
les accroître rapidement .
Nous donnons aujourd'hui , pour compléter la note publiée
dans le précédent numéro de l'Électricien
, deux diagrammes montrant les dispositions d'un phone ou récepteur
phoniqne et celles d'un poste monté en phonoplex , les
deux postes placés à chaque extrémité
d'une ligne étant d'ailleurs absolument symétriques
.
Le phonoplex d'Edison consiste en une transmission
double composée de deux récepleurs embrochés
dans le même circuit : l'un de ces récepteurs agit
comme relais ordinaire commandant un sounder, l'autre comme un
phone ou appareil phonique constituant directement son propre
sounder .
Le circuit de Morse représenté à gauche du
diagramme, figure 1 , comprend , comme à l'ordinaire ,
un relais R , un sounder S et une clef K. Un condensateur C ,
dont nous allons examiner le rôle dans un instant , est
placé en dérivation entre la sortie de R et l'entrée
de la clef K

Le circuit du phone ou sounder phonique se compose d'un télé
phone M d'une disposition spéciale et du fil d'une bobine
I entre les extrémités de laquelle est monté
un condensateur C ' . La clef K ' du circuit phonique ferme par
l'intermédiaire d'un électro - aimant R , le circuit
de la pile PLB sur la bobine I à travers la résistance
R " .
Supposons d'abord , pour faciliter l'explication
, que le circuit du Morse ne fonctionne pas . La ligne est à
la terre à travers le phone M , la bobine I , la clef K
, le relais R et la pile MB . Le condensateur C forme un pont
constituant un passage additionnel entre l'entrée de la
clef K et la sortie du relais R. Lorsque l'opérateur du
phone appuie sur K , le levier du relais R ' rompt le circuit
de la bobine I , il se produit un extra-courant énergique
et de peu de durée ; le condensateur C' a pour effet de
diminuer encore cette durée . Ce courant n'influence pas
les relais R , mais agit sur les membranes de deux phones aux
deux postes et produit un clic énergique . Il faut remarquer
que chaque mouvement de l'armature du relais R provoqué
par la maneuvre de R ' produit deux extra-courants : l'un à
la rupture et l'autre à la fermeture sur le circuit R "
, mais ce second courant est très - diminué par
la résistance R " , et il se produit si peu de temps
après le premier qu'on n'entend qu'un seul clic dans le
phone . En relâchant le levier K , les deux extra
- courants successsifs se reproduisent en sens inverse ; le premier
est faible et le second beaucoup plus énergique . Cette
inversion dans l'ordre des extra - courants modifie la nature
du son émis par le phone et permet de distinguer facilement
le bruit produit par l'abaissement de la clef de celui produit
par son relèvement .
Nous avons supposé jusqu'ici la clef K au repos , et le
circuit métalliquement fermé . Dans le cas où
la clef R serait abaissée , le circuit à travers
le relais serait ouvert , mais l'action du courant phonique se
transmettrait également par la charge du condensateur P.
Pour bien comprendre le fonctionnement de tous ses organes , il
faut ne pas perdre de vue que les appareils sont montés
à circuit fermé , et que le rôle des clefs
Morse et des relais est absolument inverse de celui des appareils
analogues usités en France , où l'on fonctionne
presque toujours à circuit ouvert .
Les relais R et la bobine I à chaque poste agissent par
leur grand coefficient de self - induction pour graduer les courants
de Morse ordinaires au moment de la rupture du circuit pour chaque
émission d'un signal : ils graduent le courant et le rendent
inaudible au phone sans retarder sensiblement la vitesse de transmission
. La résistance R " est variable pour graduer les
bruits du phone à la convenance de chaque opérateur
; mais une fois la résistance ajustée , elle reste
inva riable .
Le phone représenté en coupe , figure 2 , est formé
d'un aimant en U placé à l'intérieur d'une
colonne en laiton ; les bobines sont en regard du diaphragme et
peuvent être rapprochées ou éloignées
à volonté à l'aide d'une crémaillère
et d'un pignon . Sur le centre de la membrane est fixée
une tige filetée , avec écrou et contre - écrou
. Un anneau d'acier , fendu suivant une génératrice
, repose sur le diaphragme et est percé d'un trou assez
grand pour laisser glisser librement la tige filetée .
Lorsque la membrane est attirée , elle entraine la tige
filetée et son écrou , qui viennent frapper l'anneau
d'acier en produisant un clic énergique , plus sonore que
le bruit du sounder ordinaire . Une four chette dans laquelle
vient s'engager une petite tige fixée sur l'anneau d'acier
l'empêche de prendre un mouvement de rotation qui altérerait
la netteté du son ; une traverse supérieure en laiton
protège mécani quement le dispositif que nous venons
de décrire .
Le système phonoplex est à la fois et à volonté
duplex ou dipler , c'est - à - dire qu'il permet d'envoyer
deux dépêches en sens inverse ou deux dépêches
dans le même sens , par une extrémité quelconque
de la ligne , à la condition d'en transmetre une au relais
ordinaire et l'autre au phone .
Bien que plus spécialement destiné au service télégraphique
des chemins de fer , il convient également aux lignes ordinaires
. Il est en service sur plusieurs lignes à New - York et
l'Ohio Telegraph Cº and Railroad l'a établi entre
Baltimore , Harrisburg et Pittsburgh .
La longueur de la ligne n'influe pas matériellement sur
le nombre d'éléments nécessaires au phone
: trois ou quatre éléments suffisent jusqu'à
200 ou 300 milles de distance . C'est là une ingénieuse
, utile et pratique application faite par Edison des principes
indiqués et appliqués pour la première fois
par M. van Rysselberghe .
|
- Phonoplex 1886
sommaire
En Amérique Edison invente le phonoplex
qui utilisait, pour le canal passe-haut, des signaux dérivés
des transitoires produits par une bobine d'induction. Dès 1873,
il avait réalisé un système le « Way
duplex » qui sera renommé « Phonoplex
»
Lettre de Thomas Alva Edison à Erastus Wiman,
19 septembre 1885
Le vôtre du 17 est arrivé à portée de
main. Vous aurez entendu M. Tate ce que nous proposons de faire
en ce qui concerne le Way Duplex - le nouveau nom est le
"Phonoplex", nom sous lequel je souhaite que l'invention
soit connue de mon ancien système duplex. Je ne pense pas
qu'il me sera possible de venir déjeuner avec vous lundi,
car je pars à Boston ce jour-là et j'y serai le reste
de la semaine. Cependant, à mon retour, j'espère pouvoir
vous faire part des progrès réalisés dans le
cadre du travail de Tate au Canada. Il ira directement chez M. Dwight
et organisera immédiatement la mise en place de l'appareil. |
Certaines inventions de Thomas Edison ne constituent
à la vérité que des perfectionnements; mais d'autres,
absolument originales, lui sont exclusivement personnelles. Nous nous
contenterons de citer :
Un répétiteur automatique (1863);
le télégraphe duplex (1864), dont la priorité d'invention
semble revenir à Gintl (1853), mais qu'il a imaginé de
son côté et considérablement amélioré;
la plume électrique; le télégraphe quadruplex,
qui est une combinaison des systèmes duplex et diplex et qu'il
a réalisé pratiquement en 1874; le phonoplex ou
way-duplex; un télégraphe automatique, qu'à
la demande du gouvernement anglais il vint, en 1873, expérimenter
avec un plein succès entre Londres et Liverpool; le téléphone
à courant électrique ou micro-téléphone
(1877), qui constituait un progrès capital sur la téléphone,
jusque-là sans utilité pratique, de Graham Bell : il avait
d'abord simplement adapté à ce dernier son transmetteur
à pastille de charbon, puis il en avait remplacé le récepteur
lui-même par son nouvel électromotographe; le phonographe,
«-la plus remarquable, la plus incontestable et la moins contestée
de ses inventions », qui date de 1877, mais qui n'a reçu
sa dernière forme qu'en 1888, et dont la combinaison avec le
transmetteur à charbon et l'électromotographe a donné
naissance à la téléphonographie; ...
LE MULTIPLEX :
Explorons les archives Edison : The Papers of Thomas A. Edison:
New Beginnings, January 1885December 1887
Edison a abordé la nouvelle année 1885 avec sa carrière
inventive dans une sorte d'accalmie.
Il était revenu à l'automne pour travailler sur les technologies
téléphoniques, suite à sa décision de quitter
le secteur de l'éclairage électrique l'été
précédent. Cependant, il trouva l'American Bell Telephone
Company, dont il espérait qu'elle parrainerait ses expériences,
réticente à prendre un engagement contractuel, et en avril,
la société lui ordonna de suspendre tous les travaux en
son nom. À la quarantaine, Edison avait obtenu sa réputation
inventive (au point qu'un critique de journal a commenté : «
Mark Twain peut être appelé l'Edison de notre littérature
») et était considéré comme une autorité
publique dans tout ce qui concerne l'électricité, mais
il lui manquait soit un projet en cours sur lequel concentrer son l'énergie
créatrice ou les ressources nécessaires pour lancer seul
un tel projet.
Il aurait passé presque tous les jours dans son laboratoire personnel
au sommet du bâtiment Bergmann & Company à New York,
où il travaillait, entre autres, sur la téléphonie
longue distance et sur une imprimante améliorée, mais
il y a une absence frappante de notes techniques et des dessins à
la main datant des mois d'hiver. Il laissa son fidèle secrétaire
et conseiller d'affaires, Samuel Insull, s'occuper de ses questions
administratives et financières ; celles-ci comprenaient, outre
le secteur de l'éclairage électrique, des négociations
pour les droits sur le séparateur de minerai d'Edison. Il envoya
également Francis Upton, un physicien et mathématicien
de formation allemande qui dirigeait désormais l'usine de lampes
Edison, en Europe pour négocier plusieurs accords commerciaux
au nom de ses entreprises d'éclairage électrique, notamment
les conditions de vente de lampes Edison de fabrication américaine
en Europe.
La vie personnelle d'Edison avait également été
perturbée depuis le décès inattendu de sa femme
en août 1884. Lui et ses trois enfants jouissaient d'une relative
sécurité financière, avec de bonnes perspectives
de remboursement des plusieurs dizaines de milliers de dollars qu'il
avait dépensés pour l'électricité. projets
d'éclairage. Mais il vivait dans des chambres louées à
quelques pâtés de maisons de ses bureaux new-yorkais tout
en gardant un attachement à Menlo Park, dans le New Jersey, où
sa belle-mère s'était installée et s'occupait probablement
de ses enfants à l'occasion.
Edison a effectué au moins deux voyages de New York à
Boston en janvier. Ces voyages étaient en partie destinés
à rendre visite à Ezra Gilliland, avec qui il avait renoué
une amitié et entamé une collaboration en octobre. Il
faisait également affaire avec American Bell, pour qui lui et
Gilliland (qui dirigeait le département expérimental de
Bell) travaillaient sur des lignes et des émetteurs longue distance
et assistaient à une exposition électrique dans la ville.
Lassociation dEdison avec Gilliland et sa femme Lillian
à cette époque a déclenché plusieurs chaînes
dévénements qui allaient influencer son travail
et remodeler fondamentalement sa vie. Le résultat le plus immédiat
fut un « voyage de tournage » que lui et Gilliland prévoyaient
d'effectuer en Floride. Accompagnés de la fille d'Edison et de
l'épouse de Gilliland, ils entreprirent à la mi-février
un voyage détourné jusqu'à la ville natale de Gilliland
dans le Michigan, puis à Chicago, à la Nouvelle-Orléans
(où une exposition industrielle était en cours) et à
Jacksonville, avant de tourner à nouveau vers l'ouest à
travers le centre de la Floride pour rejoindre la côte du Golfe.
Une fois sur place, ils acceptèrent de manière plutôt
impulsive d'acheter treize acres de terrain près de Fort Myers,
un entrepôt de bétail isolé mais relativement riche
dont le climat, l'environnement naturel et les possibilités de
chasse et de pêche séduisaient tous Edison. Les deux amis
du Nord envisageaient chacun de construire leur propre maison (et Edison
un laboratoire) pour les hivers à venir.
Peu de temps avant d'embarquer pour la Floride, Edison et Gilliland
ont discuté d'un autre brevet d'inventeur (dont Gilliland était
copropriétaire) permettant de téléphoner sans fil
depuis un train. L'un ou les deux hommes y ont vu le germe d'une idée
de système permettant la télégraphie sans fil,
une capacité d'une grande valeur potentielle pour améliorer
la sécurité et l'efficacité de l'exploitation ferroviaire.
Ils ont esquissé à la hâte les principes fondamentaux
dun système de télégraphie sans fil et Edison
a envoyé par courrier du Michigan des instructions pour quun
brevet soit déposé au nom de Gilliland. Une semaine plus
tard, depuis la Nouvelle-Orléans, il a demandé à
son assistant de laboratoire John Ott de réaliser quelques expériences
fondamentales. Cette lettre était l'une des nombreuses lettres
sur divers sujets qu'il adressa à Ott pendant le voyage.
À son retour à New York fin mars, Marion est vraisemblablement
retournée à lécole et Edison est retourné
dans son laboratoire avec une nouvelle orientation vers les technologies
de communication.
Lui et Gilliland ont immédiatement signé deux demandes
de brevet pour le télégraphe sans fil (surnommé
la « sauterelle »).
Peu de temps après, la brève expérience dEdison
avec ce système qui la amené à concevoir
lapplication de lune de ses caractéristiques distinctives
une série dimpulsions électriques rapides
bien plus brèves que les signaux Morse à points et tirets
à un problème télégraphique entièrement
différent. Le résultat fut ce quil appellera plus
tard le « phonoplex » essentiellement un ensemble
de canaux différents, chacun avec sa propre fréquence
qui permettait la transmission de plusieurs signaux entre nimporte
quelle station (pas seulement les points dextrémité)
sur un seul fil.
Le phonoplex offrait la possibilité d'augmenter considérablement
l'utilité des fils déjà possédés
par les sociétés de télégraphe (et les chemins
de fer en particulier), et Edison revint à son développement
dans plusieurs élans créatifs tout au long de l'année.
À la fin du printemps, il travaillerait à nouveau sur
des émetteurs téléphoniques, cette fois en dépit
plutôt qu'au nom d'American Bell.
Au printemps, les systèmes télégraphiques sans
fil et phonoplex ont en outre suggéré à Edison
des parallèles avec les questions contemporaines sur la transmission
de l'énergie à travers les champs de force. Ces problèmes
physiques fondamentaux ont été discutés dans des
revues techniques comme l'Electrician qu'Edison a lu, et ils étaient
clairement liés à ses propres notions de champs de force.
Ses conceptions avaient été façonnées par
les premières lectures des lucides recherches expérimentales
de Michael Faraday, et elles étaient évidentes dans son
intérêt antérieur pour la découverte de forces
physiques encore inconnues. Peu de temps après son retour de
Floride, Edison a tenté d'exposer de manière systématique
sa compréhension des formes d'énergie et de la manière
dont l'une (comme l'électricité) était convertible
en une autre (le magnétisme, par exemple). Son effort est désormais
de courte durée mais il donne lieu, fin 1885, à un projet
plus soutenu qu'il reprendra en Floride en 1886. À court terme,
il l'aide aussi à imaginer (et breveter) un système de
télégraphie sans fil sur de longues distances entre navires
en mer.
Edison a visité Gilliland au moins deux fois entre avril et juin.
Lors d'un des voyages ultérieurs, Gilliland ou Lillian lui présentèrent
Mina Miller, la fille d'un fabricant de l'Ohio, qui étudiait
à Boston. Il est possible que les deux hommes se soient rencontrés
brièvement au domicile des Gillilands en janvier, mais cette
rencontre, si elle avait lieu, n'a laissé aucune impression durable.
Mais fin juin, Edison s'éprend de la jeune femme qui deviendra
sa seconde épouse....
TÉLÉGRAPHE PHONOPLEX Doc. 2800
Avec le télégraphe ferroviaire sans fil frais à
l'esprit, Edison revint en avril sur un vieux problème.
Son objectif était de créer un système de télégraphie
multiple (pour envoyer plus d'un message à la fois sur un seul
fil) qui pourrait être utilisé par chaque station d'une
ligne, et pas seulement par les deux stations situées à
chaque extrémité.
Étant donné que les systèmes télégraphiques
multiples existants (duplex pour deux messages ; quadruplex pour quatre)
dépendaient d'un ajustement minutieux de chaque instrument aux
conditions de la ligne, y compris l'appareil à l'autre extrémité,
ils étaient limités à fonctionner uniquement entre
une paire d'instruments appariés. Ces systèmes, bien qu'avantageux
sur les lignes principales commerciales, offraient moins d'avantages
là où les gares intermédiaires généraient
elles-mêmes beaucoup de trafic, comme pour contrôler les
mouvements des trains.
Edison avait essayé de surmonter cette limitation dès
1874, et il avait réfléchi à un système
de « Way duplex » en 1878 et à nouveau lors de ses
vacances en Floride en 1884. Certaines de ces tentatives précédentes
préfiguraient l'approche qu'il a adoptée aujourd'hui,
qui mélangeait ses précédentes connaissance de
la télégraphie acoustique avec des expériences
récentes sur le télégraphe sans fil (à induction).
(1)
Edison a reconnu que le principe du télégraphe à
induction pouvait fonctionner aussi bien avec le fil qu'avec l'air.
Autrement dit, les décharges à fréquence relativement
élevée qui sautaient sur les fils télégraphiques
à proximité sans perturber la transmission des impulsions
Morse de démarrage et d'arrêt pourraient tout aussi bien
traverser une connexion filaire vers le circuit récepteur. (2)
Dans les deux cas, les décharges d'induction activeraient un
récepteur qui était essentiellement un téléphone.
De tels récepteurs pourraient être indépendants
les uns des autres sans le réglage complexe requis par les sounders
duplex ou quadruplex, ouvrant ainsi la possibilité d'en utiliser
plusieurs sur la même ligne. Les autres composants clés
étaient la bobine d'induction pour générer les
signaux et notamment le condensateur.
Le condenseur agirait comme un filtre, bloquant les signaux Morse stables
ou à impulsions lentes, mais permettant le passage des courants
de fréquence plus élevée. (3) Elément bien
connu, le condensateur jouait déjà un rôle similaire
dans le télégraphe sans fil. Edison avait clairement réfléchi
à son fonctionnement, l'utilisant comme base d'une analogie par
laquelle il comprenait que le télégraphe sans fil fonctionnait
par un processus similaire d'induction électrostatique. (4)
Doc. 2800 est la première ébauche cohérente
d'un tel système télégraphique multiple, qu'Edison
modifiera et affinera tout au long de l'année.
Le système se composait de deux types différents de paires
démetteurs et de récepteurs appariés.
Un ensemble d'instruments était un émetteur Morse standard
et un sounder fonctionnant normalement.
L'autre émetteur était une clé en circuit avec
une pile locale et l'enroulement primaire d'une bobine d'induction.
Lorsque la clé interrompait le courant, des impulsions rapides
à haute tension étaient induites dans l'enroulement secondaire
et déchargées sur la ligne.
La caractéristique distinctive à l'extrémité
de réception était un récepteur téléphonique
qui répondait de manière audible à ces courants
induits de la même manière qu'un sounder ordinaire répondait
aux signaux Morse.
Les impulsions d'induction brusques agiraient sur cet instrument, aussi
sensible soit-il aux variations rapides du courant, mais passeraient
trop rapidement pour vaincre l'inertie du sounder Morse ordinaire. Edison
a d'abord utilisé son récepteur motographe comme téléphone.
Il a couvert ces éléments dans deux demandes de brevet
élaborées à partir des croquis et des notes du
Doc. 2800.
Edison a exécuté la première demande, plus générale,
le 27 avril ; trois jours plus tard, il signait l'autre,
concernant un émetteur doté d'un interrupteur de circuit
à rotation rapide comme celui utilisé dans le télégraphe
ferroviaire sans fil.(5)
Les deux ont été déposés le 8 mai et ont
été rapidement transmis au Bureau des brevets.(6)
Edison a initialement conçu le système comme une méthode
autonome pour le duplexage des lignes de cheminement.
Alors qu'il terminait les deux demandes de brevet, il réfléchit
à une approche permettant d'appliquer la technologie quadruplex
aux lignes de cheminement (voir Doc. 2801). Cependant, ce n'est qu'au
milieu de l'été qu'il commença à prendre
des notes sur l'utilisation du phonoplex en tandem avec des systèmes
duplex ou quadruplex existants, ce qui conduisit à deux autres
demandes de brevet en octobre (voir Doc. 2849).
Les nouvelles conceptions de circuits ont effectivement ajouté
des canaux indépendants aux fils existants de sorte que, comme
Edison l'a expliqué dans l'un des brevets, « la transmission
par induction duplex peut être effectuée sur la ligne seule
simultanément avec la transmission duplex ou quadruplex ordinaire,
produisant ainsi un nouveau système de transmission duplex ».
, quadruplex ou sextuplex. (7)
Cette flexibilité, espérait-il, permettrait aux ingénieurs
télégraphistes de diviser les longues lignes en segments
et de gérer leur trafic de manière créative, augmentant
ainsi l'utilité de chaque fil au-delà de la simple addition
de canaux (voir Docs. 2879 et 2902).
Edison a décidé à la fin de l'été
de faire un essai pratique de son système. Il a désigné
Alfred Tate, qui venait de terminer une période de développement
d'une entreprise d'éclairage électrique au Canada, pour
la créer sur une ligne de la Great North Western Telegraph Company
allant de Toronto à Hamilton, en Ontario. On ne sait pas pourquoi
il a choisi ce lieu. Son ami Erastus Wiman, avec qui il avait collaboré
sur le télégraphe ferroviaire, était président
de la Great North Western, mais il est évident qu'ils avaient
les yeux rivés sur un plus gros prix : un contrat avec Western
Union (voir Docs. 2840 et 2850). ). Cest également à
cette époque quEdison donna officiellement le nom de «
phonoplex » au nouveau système, qui était désormais
potentiellement plus polyvalent quun simple « way duplex
». (9)
Quoi qu'il en soit, le câble de Hamilton s'est avéré
trop court pour un bon test, alors Tate a commencé à utiliser
une ligne beaucoup plus longue vers Ottawa le long des voies du Grand
Trunk Railroad.(10)
Edison était inhabituellement absent de ce premier essai sur
le terrain d'une invention majeure.(11) Non seulement il se déroulait
à des centaines de kilomètres de sa base à New
York, mais il faisait toujours la navette vers Boston en septembre et
octobre. Tate, un ancien télégraphiste, était un
bon choix pour cette tâche, mais il se heurta à des problèmes,
comme on pouvait s'y attendre, et ne comprit pas au début l'importance
d'une communication fréquente et complète. Samuel Insull
lui a fait comprendre qu'Edison « veut que vous entriez dans chaque
détail et sur chaque petit point. . . . [V] ous devez vous rappeler
qu'il est absolument nécessaire que M. Edison soit informé
de tous les détails possibles. Il se peut que vous ne considériez
pas une chose comme importante, alors que cela peut lui donner la clé
de la résolution d'une de vos plus grandes difficultés.
(12) Lune des difficultés de Tate était linterférence
de linduction des signaux Morse sur les lignes adjacentes. Edison
l'a conseillé sur le placement stratégique des condensateurs
pour bloquer les courants indésirables (voir Doc. 2863). À
la mi-novembre, Edison était suffisamment satisfait du système
pour facturer des redevances pour son utilisation par le Baltimore &
Ohio Railroad (voir Doc. 2866).
Edison a également modifié le récepteur, en substituant
un téléphone magnétique à son motographe
et en plaçant un poids sur son diaphragme vibrant suffisamment
lâche pour sauter de haut en bas bruyamment. Cet instrument discriminait
mieux l'induction et produisait des timbres distinctifs en montée
et en descente, comme les récepteurs Morse auxquels tous les
opérateurs étaient habitués.(13)
Après avoir effectué des tests sur une ligne téléphonique
vers Boston à la mi-novembre, Edison a perfectionné l'appareil
de transmission pour produire des impulsions électriques plus
nettes. Il a incorporé les deux séries de changements
dans une demande de brevet signée le 12 novembre. Une deuxième
demande douze jours plus tard couvrait un répéteur phonoplex,
tandis qu'une troisième à la fin du mois protégeait
son arrangement pour diviser une longue ligne Morse pour une utilisation
« de manière » phonoplex (voir Docs. 2867 et 2879).
Les trois demandes ont connu des retards au Bureau des brevets, en partie
parce que l'examinateur s'est opposé au mot « phonoplex
» comme étant « nouveau dans la technique »
et par conséquent « vague et indéfini ». Edison
s'est conformé en remplaçant chaque occurrence par « induction ».
(14)
Le changement représentait un subtil changement sémantique
daccent du récepteur (et de limportance de son son)
vers lémetteur (et ses impulsions distinctives), mais dans
lesprit et les plans daffaires dEdison, le système
restait le phonoplex. (15)
Parce qu'Edison a basé son phonoplex sur de nouveaux agencements
de composants familiers comme des condensateurs, des bobines d'induction
et des récepteurs téléphoniques, il n'est pas surprenant
que des systèmes similaires soient apparus à peu près
à la même époque (comme ce fut également
le cas avec la télégraphie sans fil, où
sa première étape fut une adaptation du brevet d'un autre
inventeur).(16) François Van Rysselberghe a inventé
une méthode de téléphonie
et de télégraphie simultanées qui a été
utilisée commercialement dans sa Belgique natale vers 1885, et
l'inventeur britannique Charles Langdon-Davies a breveté
un système similaire (appelé « phonophore
») en 1884. , bien qu'il n'ait pas été mis en service
pendant plusieurs années. (17)
Il nest pas non plus surprenant que des demandeurs rivaux se soient
manifestés, dont plusieurs ayant des liens internes avec la Great
North Western Telegraph Company. Tate avait des raisons de s'inquiéter
de tester le phonoplex sous leurs yeux alors que les brevets canadiens
d'Edison n'étaient pas encore complets, du moins en ce qui concerne
les dernières améliorations (voir Doc. 2874, en particulier
n. 5).
Edison a juré en mai 1886 de « perfectionner linvention
». (18 )
Lorsque l'entreprise est devenue une entreprise commerciale permanente
peu de temps après, Samuel Insull a assumé le rôle
de directeur et Tate celui d'électricien. Au cours de cet été,
Insull a sollicité l'intérêt et répondu à
de nombreuses demandes de renseignements, principalement émanant
de compagnies ferroviaires. Au moins six chemins de fer, la Great North
Western Telegraph Company et la United Lines Telegraph Company, auraient
utilisé le système sur leurs lignes en octobre, à
des conditions de redevances favorables à Edison.
À la fin de 1886, Edison avait dépensé environ
15 634 $ pour développer et tester le système. (19)
Le phonoplex est resté en service pendant des années et
se classe parmi les inventions dEdison les plus réussies
et les plus largement utilisées.
Notes :
1 . Sur les premiers efforts dEdison en faveur dun mode
duplex, voir, par exemple, Doc. 392. Son travail de 1877 sur un système
sextuplex combinait de manière suggestive des éléments
de télégraphie quadruplex et acoustique (voir Docs.754
[headnote] et 808), et son idée de 1878 pour un « Way duplex
» incorporait un récepteur téléphonique,
un élément crucial de ce qui serait devenir le phonoplexe
(voir Doc. 1415 esp. n. 2). Voir Doc. 2632 concernant le regain dintérêt
dEdison pour la voie duplex en 1884.
2. En fait, le nouveau système télégraphique
de station de passage dEdison était suffisamment similaire
au télégraphe sans fil pour quil ait dû envisager
la possibilité que lun puisse interférer avec lautre
lorsquil était utilisé sur des lignes voisines.
Voir Doc. 2857.
3. Comme dans le cas du télégraphe sans
fil, les travaux dEdison sur ces composants lont amené
de manière suggestive à des questions qui irritaient les
meilleurs esprits scientifiques sur la nature des charges électriques
et leur transmission à travers des conducteurs et un espace apparemment
vide. Son implication continue dans le phonoplex tout au long de 1885
a probablement gardé ces questions à l'esprit et a peut-être
contribué à son regain d'intérêt pour la
physique de l'énergie à la fin de 1885 (Docs. 2780 et
2804 [notes]).
4. Voir Doc. 2780 (note de synthèse). Abner Rosebrugh,
inventeur canadien et rival potentiel d'Edison, a expliqué le
rôle critique des condensateurs dans les systèmes sans
fil et phonoplex au cours de sa propre revendication prioritaire devant
l'Institut canadien (Toronto) en 1886. Rosebrugh 1886 ; Doc. 2874
n. 5.
5. Deux figures du brevet fondamental dEdison
montrent la disposition de base dun nombre quelconque de stations.
Le premier dessin montre trois stations (A, B et C) pour transmettre
et recevoir des signaux phonoplex. Comme le montre plus en détail
la deuxième figure, chacun aurait les instruments Morse ordinaires
(relais a et touche b) shuntés par le condensateur (G) ;
un diaphragme de récepteur téléphonique (H) ;
et bobine d'induction (D) et clé (F) pour la transmission. La
résistance fournie par l'électro-aimant (K) aiderait à
acheminer les courants d'induction à travers le téléphone
et les impulsions Morse jusqu'au sondeur.
Le deuxième dessin comprend une batterie locale (LB), utilisée
avec un sondeur de point arrière pour générer un
son distinctif sur le coup arrière de la touche. Le brevet américain.
333 289.
6. Brevets américains. 333 289 et 333 290.
Un certain nombre de publications contemporaines (ou presque) offraient
des descriptions et des illustrations lucides du système phonoplexe
mature, y compris les améliorations évoquées ci-dessous.
Parmi eux se trouvent un dépliant promotionnel non daté
publié aux noms de Samuel Insull et Alfred Tate. «Système
de télégraphie Edison Phonoplex», s.d. (1886 ?),
CPP (TAED CA012A) ; « The Edison « Phonoplex » ou
« Way-Duplex » », Electrical World 7 (17 avril 1886)
: 177 ; « The Edison « Phonoplex » ou «
Way-Duplex » », Electrician 16 (7 mai 1886) : 516-17 ;
« The Edison Phonoplex », Engineering 42 (22 octobre 1886)
: 411-413 ; Marteau 1889, Maver 1899, 353-55 ; et International
Textbook Co. 1901, 2:60-67.
7. Pat. 437 422 ; voir aussi Doc. 2857.
8. Le Bureau des brevets n'a pas constaté de flexibilité
mais une duplication des technologies multiplex établies. Il
a dabord refusé daccéder aux revendications
dEdison car « aucune combinaison brevetable ne semble exister
entre les deux ensembles dinstruments télégraphiques
».
Les avocats dEdison ont rétorqué avec succès
que linvention « permet dutiliser des lignes duplex
et quadruplex pour le commerce des voies, ce qui est un objectif recherché
sans succès depuis des années. Edison fut le premier à
atteindre l'objectif.
Il fut obligé d'inventer les instruments phonoplexes ou à
induction, puis de prévoir des moyens spéciaux pour les
rendre opérationnels en relation avec des appareils duplex ou
quadruplex.
Une invention du plus haut caractère a été produite.
Comme ce fut le cas pour trois demandes ultérieures (discutées
ci-dessous), le Bureau des brevets s'est également opposé
au terme « phonoplex ». Charles Kintner à TAE, 3
mai 1886 ; Dyer & Seely au commissaire aux brevets, 31 décembre
1886 ; les deux Pat. Application. 422 072.
9. Voir Docs. 2849 et 2850.
10. Tate à TAE, 3 octobre 1885, DF (TAED D8546ZAV) ; Israël
1998, 241-43. Page 95
11. Le retrait dEdison de linstallation commerciale dun
nouveau système technique nétait pas sans précédent.
En 1883, après avoir installé des systèmes électriques
dans des centrales villageoises à Sunbury et Shamokin, en Pennsylvanie,
ainsi qu'à Fall River et Brockton, dans le Massachusetts, il
laissa en grande partie leurs périodes de rodage à ses
adjoints, qu'il autorisa également à construire des centrales
supplémentaires. Les contrariétés et linefficacité
de ces expériences auraient cependant pu raisonnablement conduire
Edison à renoncer à les répéter. Voir, par
exemple, Docs. 2424 (note de synthèse), 2490, 2563, 2615, 2709.
12. Doc. 2862.
13. Voir Docs. 2859 en particulier. n. 10, 2869 et 2870 ; l'instrument
est présenté comme Doc. 2868.
Tate a rapporté que le nouvel instrument éliminait les
sons de « poêle à frire » et le « hachage
morse » de l'induction (voir Doc. 2870, en particulier n. 5).
Parmi les avantages revendiqués plus tard pour le phonoplex figurait
la capacité de fonctionner sans altération par temps humide,
ce qui a presque désactivé l'appareil Morse (« Edison
Phonoplex System of Telegraphy », s.d. [1886 ?], PPC [TAED CA012A]).
14. Les objections linguistiques du Bureau des brevets et les
révisions dEdison dans ces cas étaient similaires
à celles des deux demandes doctobre. Charles Kintner à
TAE, 9 avril et 7 mai 1886, tous deux Pat. Application. 422 074.
15. Le terme « phonoplex » avait des connotations explicatives
aux oreilles contemporaines. Comme le note un article descriptif, le
nom « suggère immédiatement une application du téléphone,
et tel est effectivement le cas ». « The Edison «
Phonoplex » ou « Way-Duplex » », Electrical
World 7 (17 avril 1886) : 177.
16. Voir Doc. 2780 (note de synthèse). Après la délivrance
rapide des deux premiers brevets américains pour phonoplex d'Edison,
il lui fallut, ainsi qu'à ses avocats, un temps considérable
pour convaincre le Bureau des brevets de la nouveauté des améliorations
apportées à ses cinq demandes suivantes, toutes publiées
en 1890. 422 072 ; 437 422 ; 422 073 ;
422 074 ; 435 689.
17. Tucker 1978 ; Tucker 1974. Edison a acquis d'une manière
ou d'une autre des copies des résultats des tests sur le phonophore
effectués par l'expert en télégraphe Josiah Latimer
Clark à la fin de 1886. Clark à J. H. Duncan, 30 octobre
1886 ; Clark à Langdon-Davies, 30 novembre 1886 ; rapport Clark,
décembre 1886 ; tous Miller (TAED HM860292, HM860295, HM860296).
18. Doc. 2948.
19. « The Edison Phonoplex », Engineering 42 (22 octobre
1886) : 412 ; Accord TAE avec United Lines Telegraph, 23 mars 1886,
Miller (TAED HM860283) ; cf. également. Doc. 2866 nn. 2-3 ;
Grand livre n° 5 : 388-90, 469-73, Comptes. (TAED AB003,
images 203-4, 231-33).
Concernant les redevances, voir la correspondance d'Insull d'août
et septembre 1886 copiée dans Phonoplex Letterbook LM 12 (TAED
LM012) ; cf. Doc. 2866.
Les dossiers des contrats phonoplex avec environ deux douzaines de chemins
de fer étaient conservés dans un grand volume relié.
Les dossiers comprennent le nombre et la longueur des circuits, le nombre
de bureaux et les taux de redevances ; beaucoup ont également
des dessins schématiques des lignes montrant les emplacements
relatifs des bureaux et des batteries.
La plupart des contrats datent de la fin des années 1880 au milieu
des années 1890, certains datant du début du XXe siècle.
« Cases Vol 1 », Edison Phonoplex System, CR (voir TAED
CK509).

Edison ne perd pas de temps pour espérer commercialiser
le Way Duplex en Europe :
Lettre de Thomas Alva Edison à Siemens
et Halske, 21 mai 1886
Je désire ouvrir des négociations avec vous en vue
de vous représenter dans toute l'Europe (à l'exception
du Royaume-Uni de Grande-Bretagne et d'Irlande) dans l'exploitation
des inventions télégraphiques. La représentation
impliquerait la fabrication de lappareil et lactivité
de son élimination. Si cela vous convient, je vous proposerais
de conclure avec vous un contrat qui porterait non seulement sur
l'invention à laquelle j'ai plus particulièrement
à l'esprit en vous écrivant, mais également
sur toutes inventions télégraphiques que je pourrais
faire pendant une certaine période d'années dans le
avenir. J'accepterais une base de rémunération sous
forme de redevances, qui ne taxerait pas les inventions dans une
grande mesure. Mon désir est d'obtenir une bonne représentation
à caractère permanent et ensuite d'assurer l'exploitation
de mes inventions de la manière la plus avantageuse possible
tant du point de vue technique que commercial.
## La raison qui m'a poussé à vous écrire est
mon désir d'exploiter immédiatement en Europe mon
Way Duplex, ou Système Phonoplex qui est un dispositif permettant
de doubler la capacité d'un fil exploité par les Officiers
"Voie" ou "Intermédiaire". Je vous joins
des extraits du "Monde électrique" de cette ville
qui vous donneront une idée de la manière de l'invention.
Jusqu'à présent, je n'ai pas testé l'invention
sur des circuits de plus de cent milles de longueur.
## Je compte également produire d'autres inventions télégraphiques
en temps voulu. ## Si vous êtes prêt à aborder
l'affaire, j'enverrai le représentant de mon Bureau à
Berlin pour conclure le contrat nécessaire avec vous. ##
Dans l'attente de votre réponse je reste très sincèrement
vôtre [Signé par "R" |
sommaire
Brevet américain
US333289
|
SPÉCIFICATION faisant partie des lettres patentes n°
333 289, datées du 29 décembre 1885.
Demande déposée le 8 mai 1885. Numéro de
série 164 856. (Pas de modèle.)
|
A tous ceux que cela concerne..-
Sachez que moi, THOMAS A. EDISON, de Menlo Park, dans le comté
de Middlesex et l'État du New Jersey, j'ai inventé
une nouvelle et utile amélioration de la télégraphie
(cas n° 648), dont ce qui suit est une spécification
.
Le but que j'ai en vue est d'augmenter la capacité des lignes
télégraphiques d'une manière simple et pratique
par la production d'instruments et de connexions permettant la transmission
de deux séries de signaux Morse dans les deux sens sur la
ligne en même temps sans interférer avec l'autre. avec
l'autre, et non seulement entre bureaux terminaux, mais entre un
bureau terminal et tout bureau intermédiaire, ou entre bureaux
intermédiaires seuls.
L'invention s'applique particulièrement aux lignes locales
ou aux lignes comportant plusieurs bureaux, auxquelles elle peut
être appliquée à peu de frais, chaque bureau
de la ligne étant pourvu d'instruments pour transmettre et
recevoir un deuxième ensemble de signaux, et de dispositifs
pour rendre les deux ensembles de signaux indépendants et
s'assurer contre leurs interférences. Non seulement la capacité
des lignes télégraphiques est doublée, mais
les retards occasionnés sur les lignes à plusieurs
bureaux par l'interférence de deux ou plusieurs opérateurs
dans leurs tentatives pour prendre possession de la ligne sont diminués.
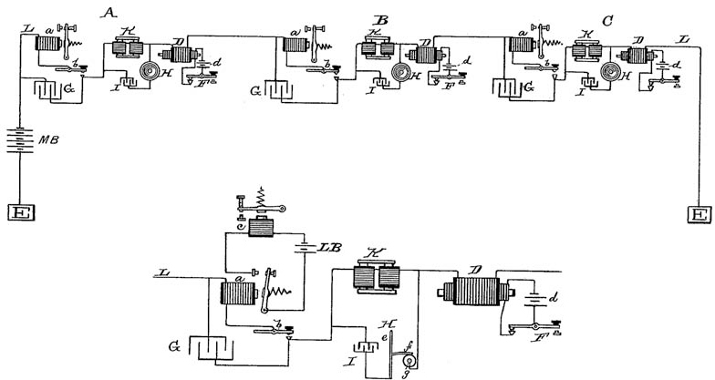
Dans les dessins annexés, qui en font partie, la figure 1
est une vue schématique d'une ligne à trois bureaux
matérialisant mon invention ; Fig. 2, une vue à plus
grande échelle de l'appareil pour un bureau ; Fig. 3, une
vue de l'appareil pour un bureau, avec une disposition modifiée
des pièces ; et la figure 4, une vue d'une autre modification.
Les lettres semblables désignent les parties correspondantes
dans toutes les figures.
La ligne LL est mise à la terre à ses extrémités
et possède la batterie principale habituelle, M B. Les trois
bureaux AB 0 ont chacun l'ensemble ordinaire d'instruments Morse,
dont sont représentés sur la figure 1 le relais a
et la clé b. Dans les Fig. 2 et 3 sondeurs theMorse c et
batteries locales LB sont représentés. Avec ces instruments
Morse ordinaires, la télégraphie s'effectue au moyen
de signaux Morse de la manière habituelle.
A chaque bureau se trouve un appareil fonctionnant indépendamment
de la batterie principale et agissant pour induire sur cette ligne
des impulsions de haute tension.
L'étau est composé d'une bobine d'induction D dont
le circuit secondaire peut être situé directement en
ligne, comme le montrent les Fig. 1 et 2. Le circuit primaire de
cette bobine comprend une pile, d, et une clé de point arrière,
F ; ou, à la place de la clé F, un avertisseur sonore
F, actionné par une clé et une pile locale, peut être
utilisé, comme le montre la figure 4. g
La clé Morse ordinaire 12 est shuntée par un condensateur
G, de sorte que la ligne sera toujours fermée aux courants
induits. Ce condensateur shunte également de préférence
le relais, dans un but qui sera présenté ci-dessous.
Pour recevoir ces courants induits, il est prévu dans chaque
bureau un sondeur à diaphragme H, qui est de préférence,
comme le montrent les Fig. 2 et 3, construits sur le principe de
l'électromotographe, un diaphragme 6 étant maintenu
sous tension par un ressort f maintenu par friction sur un cylindre
de craie tournant 9. Le cylindre de craie est entraîné
en rotation continuellement par un moteur, électrique ou
mécanique, et le circuit est fermé par le ressort
et le cylindre. Cette construction d'instrument est un récepteur
téléphonique bien connu de mon invention et ne nécessite
donc pas de description plus détaillée ici. |
Pour mon sondeur à membrane, un téléphone magnétoélectrique
ou une autre forme de récepteur téléphonique peut
être utilisé. Le sondeur à diaphragme de chaque bureau
est de préférence situé dans un circuit avec un condensateur
I, et ce circuit est de préférence un shunt autour d'une
résistance située dans la ligne, comme le montrent les Fig.
1 et 2, dont la résistance est de préférence un électro-aimant
K. Le circuit de chaque bureau, comprenant le sondeur à membrane
H et le condenseur L', au lieu d'être un shunt autour d'un aimant
en ligne, peut être une connexion à la terre ou une fuite
à la terre, comme le montre la figure 3, et le circuit secondaire
de la bobine d'induction D, au lieu d'être directement en ligne,
peut être dans un circuit de condensateur, que ce circuit soit un
shunt autour d'un aimant en ligne ou une fuite vers la terre. . Par la
manipulation des touches F (ou le fonctionnement des sondeurs F), des
signaux sont émis sur la ligne sous la forme d'ondes momentanées
et nettement définies, auxquelles ne répondent que les sondeurs
à diaphragme, les relais Morse réguliers n'agissant pas
rapidement. suffisant pour répondre à ces vagues. Les touches
Morse régulières étant shuntées par des condensateurs,
la ligne est toujours fermée aux courants induits à haute
tension, et comme de tels condensateurs ont ce qui équivaut à
une faible résistance à l'instant de fermeture du circuit,
on voit qu'un libre parcours est toujours prévu pour les impulsions
momentanées de l'induction. En étendant ces shunts de condensateur
pour inclure les relais ainsi que les clés, un résultat
souhaitable est obtenu, en ce sens que la force contre-électromotrice
créée par l'aimant du relais arrête efficacement le
passage des impulsions induites au moyen de la clé et du relais,
et rend le circuit-condenseur est pratiquement le seul fermé à
ces impulsions. L'effet de cette action est de rendre le circuit d'induction
pratiquement la même résistance, que les touches Morse normales
soient ouvertes ou fermées. le fait que les impulsions induites
ne sont pas absorbées par les relais et que les signaux d'induction
sont ainsi rendus plus distincts. Les shunts des condensateurs sont cependant
des circuits pratiquement ouverts pour les courants de quantité
utilisés pour faire fonctionner les relais pour les signaux Morse
réguliers, les condensateurs devenant complètement chargés
et présentant une très haute résistance en moins
de temps que nécessaire pour que les relais agissent.
En plaçant les sondeurs à diaphragme dans le circuit des
condensateurs I, ces sondeurs ne sont pas affectés au point d'une
perturbation des signaux par les courants de quantité de ligne
réguliers. Cependant, pour obtenir ce résultat, même
avec les sondeurs à membrane dans les circuits de condenseurs,
j'ai constaté que la capacité des condenseurs doit être
définitivement fixée. J'ai constaté que l'intensité
du son dans le sondeur à diaphragme est, dans certaines limites,
tout à fait indépendante de la capacité du condensateur
I, tandis que l'effet perturbateur des signaux Morse réguliers
dans le sondeur à diaphragme augmente avec la capacité de
ce condensateur I ; c'est pourquoi je réduis la capacité
de ce condensateur en dessous du point de perturbation par les signaux
Morse réguliers. D'un autre côté, je trouve que l'effet
perturbateur des signaux Morse réguliers sur les sondeurs à
diaphragme diminue à mesure qu'augmente la capacité du condensateur
G autour des touches et des relais ; c'est pourquoi je fabrique ces condenseurs
G de grande capacité, disons de plusieurs microfarads chacun, tandis
que les condenseurs J'ai une petite capacité, disons une fraction
de microfarad chacun.
Lorsque chaque sondeur à membrane et son condenseur sont situés
en shunt autour d'une résistance en forme d'aimant, K, en ligne,
l'action inverse du condenseur et de l'aimant fera du condenseur-shunt
le seul chemin pratiquement fermé au signal induit. les courants
et la ligne sont le seul chemin fermé aux courants de ligne de
quantité régulière, comme expliqué précédemment,
en ce qui concerne la relation entre les condensateurs G et les relais
Morse.
Les impulsions induites projetées par la bobine d'induction D sur
la ligne sont produites par une source d'énergie (la batterie d)
indépendante des batteries principales. Ces impulsions sont pratiquement
les mêmes, que le code Morse ordinaire soit utilisé. Un avantage
supplémentaire découle des touches ouvertes ou fermées.
En disposant la touche F de telle sorte que la course vers le bas ouvrira
le circuit primaire et la course vers le haut fermera la touche sera plus
bruyante que pour la course vers le haut, car lorsque le circuit primaire
est fermé, il absorbe dans une certaine mesure l'induction, et
l'impulsion dans le secondaire est plus faible que lorsque le primaire
est ouvert. Le sondeur de recul, piloté par clé et pile
locale, fonctionne de la même manière. Cette différence
dans les frappes de touche vers le bas et vers le haut est importante,
car si les deux signaux requis pour marquer l'intervalle de temps indiquant
un point ou un tiret étaient les mêmes, l'opérateur
récepteur pourrait souvent être confondu en se trompant sur
le dernier signal d'un message. point ou tiret pour le premier signal
du prochain point ou tiret suivant, et obtenez ce qu'on appelle dans le
langage des télégraphistes le dos-course.
L'instrument et les dispositifs décrits constituent un système
complet de télégraphie Morse, grâce auquel sur une
ligne peuvent être transmis dans les deux sens deux ensembles de
signaux Morse produits par différentes sources d'énergie
indépendantes l'une de l'autre quant à l'intensité
sonore et également quant aux interférences dans la réception.
instruments.
Ce que je prétends est- 1. Dans les télégraphes,
la combinaison, avec deux ou plusieurs ensembles d'instruments télégraphiques
Morse, constitués chacun d'un relais ordinaire et d'une clé
de signalisation, d'une source d'énergie électrique pour
faire fonctionner celui-ci, et de circuits de dérivation pour maintenir
la ligne constamment fermée au niveau des touches de signalisation,
de deux ou plusieurs autres ensembles d'instruments télégraphiques,
chacun composé d'un émetteur sigual Morse ayant une source
séparée d'énergie électrique et jetant des
impulsions momentanées et nettement définies sur la ligne,
et d'un sondeur à diaphragme répondant à de telles
impulsions momentanées, grâce à quoi deux ensembles
de signaux Morse peuvent être transmis et reçus simultanément
sans interférence, sensiblement comme indiqué. g
2. Dans les télégraphes, la combinaison, avec deux ou plusieurs
ensembles d'instruments télégraphiques Morse, constitués
chacun d'un relais ordinaire et d'une clé de signalisation, d'une
source d'énergie électrique pour faire fonctionner celui-ci
et de circuits de dérivation pour maintenir la ligne constamment
fermée. aux touches de signalisation, de deux ou plusieurs autres
ensembles d'instruments télégraphiques, chacun composé
d'un émetteur de signal Morse ayant une source séparée
d'énergie électrique et jetant des impulsions momentanées
et nettement définies sur la ligne, et 2. un sondeur à diaphragme
répondant à ces impulsions momentanées et situé
en shunt de ce circuit le signal pour la course descendante de la ligne,
grâce à quoi deux ensembles de signaux Morse peuvent être
transmis et reçus simultanément sans interférence,
sensiblement comme indiqué.
3. Dans les télégraphes, la combinaison, avec une ligne
télégraphique, d'instruments télégraphiques
Morse,
constitué de relais et de touches de signalisation, et d'une source
d'énergie électrique pour faire fonctionner ceux-ci, d'une
bobine d'induction ayant son circuit secondaire en connexion avec la ligne,
séparé. source d'énergie électrique, et un
dispositif de transmission de signal Morse dans le circuit primaire d'un
tel c0i1, et un sondeur à diaphragme répondant aux impulsions
d'induction, sensiblement comme indiqué.
4. Dans un système de télégraphie Morse, la combinaison,
avec une ligne télégraphique et des instruments Morse, d'un
sondeur à diaphragme et d'un émetteur de signaux transmettant
des ondes momentanées et nettement définies produisant des
signaux alternativement variables au sondeur à diaphragme, sensiblement
comme réglé en avant,
5. Dans un système de télégraphie Morse, la combinaison,
pour la transmission et la réception de signaux Morse, d'une ligne
télégraphique, d'une bobine d'induction ayant un secondaire
connecté à la ligne, d'un émetteur de signaux Morse
au primaire produisant des signaux variant alternativement. en secondaire,
et un diaphragme-sondeur recevant les impulsions induites, sensiblement
comme indiqué.
6. La combinaison, avec une ligne télégraphique, des instruments
télégraphiques Morse et une source d'énergie électrique
pour faire fonctionner ceux-ci, d'une bobine d'induction ayant un secondaire
connecté à la ligne, un émetteur de signal Morse
au primaire produisant des signaux variant alternativement. en secondaire,
et un diaphragnrsounder recevant les impulsions induites, sensiblement
comme indiqué.
7. La combinaison, avec une ligne télégraphique, d'un diaphragme-sondeur
répondant aux impulsions induites, d'une bobine d'induction émettrice
ayant un secondaire connecté à la ligne, d'une batterie
dans le circuit primaire et d'une clé commandant ledit circuit
primaire, ladite clé étant agencée pour ouvrir le
circuit primaire lors de la course descendante, sensiblement comme indiqué.
8. Dans les télégraphes, la combinaison, avec deux ou plusieurs
ensembles d'instruments télégraphiques Morse, constitués
chacun d'un relais ordinaire et d'une clé de signalisation, d'une
source d'énergie électrique pour faire fonctionner celui-ci
et de circuits de dérivation pour maintenir la ligne constamment
fermé aux touches de signalisation, de deux ou plusieurs autres
ensembles d'instruments télégraphiques, chacun composé
d'un émetteur de signal Morse ayant une source séparée
d'énergie électrique et jetant des impulsions momentanées
et nettement définies sur la ligne, et d'un diaphragme- sondeur
répondant à de telles impulsions momentanées, et
situé dans un circuit à condensateur connecté à
une telle ligne, grâce auquel deux ensembles de signaux Morse peuvent
être transmis et reçus simultanément sans interférence,
sensiblement comme indiqué.
9, La combinaison, avec une ligne télégraphique et des instruments
télégraphiques Morse, de condensateurs situés dans
des shunts autour des touches Morse, et de sondeurs à membrane
connectés en circuits de condensateurs avec ladite ligne, les condensateurs
de touche étant de plus grande capacité que les condensateurs
sonores, et la capacité relative des condensateurs est telle que
la perturbation des sondeurs à diaphragme par les signaux Morse
réguliers est empêchée, sensiblement comme indiqué.
10. La combinaison, avec une ligne télégraphique, d'un sondeur
à diaphragme recevant des signaux Morse produits par des ondes
momentanées et nettement définies, une résistance
dans la ligne autour de laquelle ledit sondeur à diaphragme est
shunté, et un condenseur dans ledit circuit de dérivation,
sensiblement comme indiqué.
11. La combinaison, avec une ligne télégraphique, d'un sondeur
à diaphragme recevant des signaux Morse produits par des ondes
momentanées et nettement définies, d'une résistance
électromagnétique en ligne autour de laquelle ledit sondeur
à diaphragme est shunté, et d'un condensateur dans ledit
circuit de dérivation. , essentiellement comme indiqué.
12. La combinaison, avec une ligne télégraphique, d'un certain
nombre d'ensembles d'instruments directement dans le circuit de ligne,
chaque ensemble étant constitué d'un relais ordinaire et
d'une clé de signalisation, et d'un condensateur shuntant à
la fois le relais et la clé, et plusieurs ensembles d'autres instruments
indépendants connectés avec ou dans ladite ligne, constitués
d'un dispositif de transmission pour envoyer des ondes momentanées
et nettement définies, un diaphragme-sondeur shunté autour
d'une résistance ou d'un aimant dans la ligne, et d'un condenseur
dans ledit circuit de dérivation, sensiblement comme indiqué.
Ce cahier des charges signé et attesté ce 27 avril 1885.
THOS. A. ÉDISON.
Les témoins:
R. WV. KIDDLE, EO ROWLAND
Suivra le brevet US333290
sommaire
Technical Note: Phonoplex
(1) Les éditeurs ont assemblé ce document à partir
de dix pages à feuilles mobiles décrivant un système
télégraphique multiple qui deviendra connu sous le nom
de « phonoplexe » dEdison . Les dessins ont été
regroupés d'abord en fonction de leur association avec deux demandes
de brevet connexes qu'Edison a complétées à peu
près à cette époque, puis classés en fonction
des numéros fournis par Edison (le cas échéant)
et par quelqu'un d'autre (probablement le conseil en brevets Richard
Dyer) ; la dernière section concerne la revendication proposée,
qu'Edison rédigeait habituellement à la fin d'un projet
de brevet. Edison a déposé une demande de brevet fondamental
(brevet américain
US333289) le 27 avril et une autre de brevet supplémentaire
trois jours plus tard (brevet américain US333290) ;
tous deux publiés le 29 décembre 1885.
Ce dernier a été publié par erreur sous le titre
« Duplex Telegraphy » au lieu de simplement « Telegraphy
», une erreur corrigée par le Bureau des brevets en 1886.
Avec les pages de ce document, une autre feuille avec trois dessins
numérotés a été conservée. très
similaire à ceux publiés dans la première spécification ;
ceux-ci ont probablement été réalisés par
le dessinateur Edward Rowland (image 20) .
(2) Le rapporteur pour avis Edward Rowland a daté plusieurs de
ces pages du 27 avril, probablement à un moment donné
de la préparation des brevets qui en ont résulté.
New York, c. April 27, 1885
Dyer Je trouve qu'avec une clé régulière
disposée de cette façon, c'est aussi bon et beaucoup plus
simple qu'avec une fermeture sonore sur les points arrière et
avant (3). Vous savez que lorsque vous ouvrez le primaire d'une bobine,
l'onde est deux fois plus forte qu'à la fermeture. Le CKT primaire
fermé absorbe l'induction - par conséquent, en appuyant
sur la touche d'ouverture primaire, un son fort est entendu dans le
téléphone représentant une course vers le bas.
Lors de l'ouverture de la clé primaire fermée, un son
plus faible est entendu dans le téléphone représentant
une course vers le haut - Cela élimine la nécessité
d'un pot de tableau de bord et d'un sounder.
(3). Ce dessin est similaire à celui immédiatement ci-dessus
mais comprend également une batterie locale et une clé
de point arrière, comme indiqué dans la première
figure de la spécification fondamentale (4).
4. Edison a néanmoins inclus le « dash pot & sounder »
dans sa demande supplémentaire (voir ci-dessous)
Un X à chaque station.(5)

(5) Edison a indiqué la terre comme « E »
dans le dessin ci-dessus ; les étiquettes des figures sont
« pareil ici », « X », « Phila »,
« X » et « Phila ». Edison semble avoir ajouté
le mécanisme montré dans le dessin ci-dessous en « X »
au centre du dessin ci-dessus. Également sur le dessin ci-dessus
où apparaît l'étiquette de la figure « pareil
ici », Edison a barré la figure et a écrit «
N[o] G[ood] ». Le dessin ci-dessus correspond globalement à
la figure 1 du brevet supplémentaire (brevet US333290).
Cette spécification couvrait un émetteur spécialisé
« construit pour établir et couper un circuit avec une
grande rapidité, de manière à envoyer pour chaque
signal un grand nombre d'ondes momentanées et bien définies
», différenciant davantage les signaux destinés
au récepteur téléphonique de ceux destinés
au Morse. sondeur. Le mécanisme préféré
dEdison était une roue de freinage à rotation rapide
(représentée par le petit cercle près de chaque
« X »), semblable à celle utilisée dans le
télégraphe ferroviaire dans un but similaire. Le croquis
ci-dessous semble montrer de petits composants incomplètement
effacés ci-dessus. Le sounder, « avec ses points avant
et arrière connectés en circuit et actionnée par
une clé et une batterie locale », a été décrite
dans la demande supplémentaire, où les composants apparaissent
dans la figure 1.
Type No 1 (6)
(6) Lagencement montré dans ce dessin est une variante
de la figure 2 du brevet supplémentaire, illustrant lemplacement
préféré dEdison du « contrôleur
de circuit » (représenté par le petit cercle à
droite). La disposition inhabituelle de la bobine dinduction a
peut-être dérouté les conseils en brevets dEdison,
qui lont redessinée plus clairement sur une feuille séparée
(voir addendum ci-dessous).
Type 2 (7)
(7). Létiquette de la figure est « Téléphone ».
Ce dessin montre le contrôleur de circuit dans un circuit shunt
qui, en fonction de l'action de la clé, pourrait envoyer des
impulsions rapides à travers la bobine d'induction. C'est devenu
la figure 4 du brevet supplémentaire.
Le condenseur peut se trouver uniquement autour de la clé - autrement
préférable -
Type 3 (8)
(8) Ce dessin a servi de base à la figure 5 de la spécification
supplémentaire. Il montre une autre variante du contrôleur
de circuit, du circuit shunt et de la bobine d'induction.
Type 4 (9)

(9) Ce dessin, une autre variante de ceux ci-dessus, est devenu la figure
3 du brevet supplémentaire
Fig 6 (10)
(10) Ce dessin, correspondant à la figure 6 du brevet supplémentaire,
montre une alternative au mécanisme de commande du circuit de
fermeture et de coupure rotatif. Ici, un mécanisme alternatif,
modulé par un dashpot, glisserait de haut en bas sur un bloc
de contact.
Sondeurs à membrane Le condensateur fonctionne à l'opposé
de l'aimantaucune résistance au début (11)
(11). Le dessin (qu'Edison a réalisé sur la même
feuille que les deux croquis qui suivent immédiatement) incorpore
une variante représentée à la figure 4 de la spécification
fondamentale. Il montre un sounder de recul (au lieu d'une clé
ordinaire) et une batterie locale dans le circuit de la bobine d'induction.
En faisant fonctionner le sounder, « des signaux sont émis
sur la ligne sous la forme d'ondes momentanées et nettement définies,
auxquelles seuls les sounderà diaphragme [distants] répondent,
les relais Morse réguliers n'agissant pas assez rapidement pour
répondre à ces ondes.
7 (12)
(12) Le dispositif montré dans ce croquis est apparu dans le
brevet supplémentaire sous la forme de la figure 7. Le Dashpot
retarderait le mouvement du mécanisme du bloc de contact montré
précédemment.
8 (13)

(13) Ce dispositif, illustré à la figure 8 du brevet supplémentaire,
était un ventilateur ralentisseur à cliquet destiné
au même objectif que le Dashpot. Le dessinateur Edward Rowland
a signé et daté un croquis plus grand du même mécanisme
le 27 avril. Chat. 1151, Laboratoire. (TAED NM020AAE [image 21])
ADDENDUM
New York, c. April 28, 1885 (14)

(14) Les éditeurs supposent qu'Edison a réalisé
ces dessins (sur une seule feuille) pour fournir plus de détails
à ses conseils en brevets sur la disposition inhabituelle des
bobines d'induction présentée ci-dessus sous le nom de
« Type n° 1 ». L'accord figurait dans le cahier des
charges supplémentaire, qu'Edison a signé le 30 avril.
No 2 (15)

(15) Létiquette de la figure est « [Recver ?] ».
Le dessin terminé, une version complète de celui barré
qui le précédait immédiatement, est devenu la base
de la figure 2 du brevet supplémentaire dEdison. Sa particularité
est une bobine d'induction avec deux enroulements primaires séparés.
La demande dEdison ne décrivait pas cette bobine ni ses
connexions, qui sont différentes de celles des autres dessins,
et le Bureau des brevets na apparemment soulevé aucune
question à ce sujet. Edison a cependant illustré et décrit
une telle bobine dans une application qu'il a exécutée
en octobre 1885 pour un système télégraphique sextuplex.
Tapoter. Application. US 333290 ;
Le brevet américain. 437 422 ; voir Doc. 2857 n. 3
Dyer = Voici un fait important sur lequel fonder l'affirmation :
(16) Le son du téléphone est tout aussi fort avec 10/1000
de microfarads dans X qu'avec plusieurs microfarads, tandis que l'écriture
morse entendue au téléphone augmente en volume & [trouble ?]
c plus vite à mesure que nous augmentons la capacité en
microfarads de X. Par conséquent, revendiquez une capacité
en X qui diminuera le mors régulier en dessous du point [de perturbation
?] c - d'un autre côté, le pouvoir perturbateur du morse
régulier est diminué si la capacité du condenseur
G est augmenté.
(16) Les étiquettes des figures ci-dessus sont « Plusieurs
microfarads » et « Fraction de microfarad ».
Le dessin représente un schéma partiel d'un bureau phonoplex.
La première figure du brevet fondamental dEdison (brevet
américain US 333289)
montrait trois de ces bureaux le long dune ligne télégraphique.
(Le deuxième dessin du brevet montrait en détail une variante
d'agencement d'un seul bureau.) La description expliquait que l'effet
des signaux Morse réguliers sur l'instrument téléphonique
était proportionnel à la capacité du condensateur
dans le circuit téléphonique mais inversement proportionnel
à celui du condensateur dans le circuit clé. Ces relations
constituaient la base de lune des douze revendications du brevet.
______________________________________________
Mémorandum à Richard Dyer : Télégraphie
multiple
New York, 29 avril 1885
Dick=
Je vous envoie un schéma pour un autre brevet, sur les lignes
du Quadruplex, un message est envoyé en inversant le courant,
l'autre en augmentant et en diminuant le courant. Pour utiliser ce principe
sur le chemin des fils, j'ai heurté une chose mignonne = Disons
que je n'ai pas d'inverse les hommes travaillent et les clés
X X tout au long de la ligne sont ouvertes Je n'ai pas de batterie de
leur appareil = sur la ligne il y a constamment connecté disons
16 cellules M. La moitié d'entre eux peuvent être à
un terminal et la moitié à un autre ou tous ensemble n'importe
où sur la ligne. Ce courant est utilisé pour signaler
sur le relais commun par augmentation et diminution au moyen de la clé
et de la résistance1.
La batterie S S' ; est exactement deux fois plus de cellules que M mais
toujours jetées sur la ligne dans la direction opposée
à M donc sur les 32 cellules 16 neutralisent les 16 de la batterie
principale mettent 16 sur la ligne mais dans la direction opposée
donnant ainsi un relais polarisé d'inversion et de fonctionnement
mais n'affecte pas le relais commun car il y a toujours la même
[-----]b quantité de courant = Vous savez que dans le Quad comme
dans tous les cas, le relais commun au moment de l'inversion perd son
magnétisme pendant un instant et cela provoque le levier du relais
quitte un instant son point avant mutilant ainsi 2 signaux [----]b c'est
très rapide mais quand même il mutile pour éviter
cela dans le Quaudruplex Le point arrière sert à fermer
le Sounder donc au moment de l'inversion le levier recule presque en
frappant le point arrière et frappe fréquemment et donne
un faux son. 3 Pour réduire ce défaut au minimum j'ai
frappé de très bonne chose je place un gros aimant n en
liaison avec l'aimant régulier & shunte ce dernier avec lui
pMais en plaçant un condensateur de grande Capacité en
circuit avec lui La Résistance de cet aimant est de 2 ou 3000
ohms ou plus alors que l'aimant ordinaire n'est qu'ordinaire Résistance
du relais 150 ohms au moment de l'inversion, une onde puissante due
à la décharge et à la recharge du condensateur
a lieu et cette onde a sa plus grande puissance au moment exact où
l'aimant ordinaire a pas de magnétisme Cette onde charge le gros
mag n & le retient un instant = Cette onde est momentanée,
ainsi vous voyez au moment où l'aimant régulier n'a pas
de magnétisme n qui cesse lorsque l'aimant commun a
Réclamez ceci =
également le nombre de stations sur une ligne, dotées
de commun et polarisé
Combinez en jetant Res pour travailler en commun
La manière d'inverser le sens du courant en ligne à plusieurs
stations
Cette méthode d'inversion est destinée à être
utilisée en télégraphie.
Ce système de stations de cheminement est entièrement
original et vous ne devriez pas avoir de revendications très
générales =
Le seul défaut est que même si les opérateurs du
relais commun peuvent interrompre, les hommes polarisés ne doivent
fermer ou interrompre que lorsque l'expéditeur est ouvert, ce
n'est pas une objection car ils peuvent hésiter tous les 10 mots
environ... ______________________________________________
Accès au Carnet
de lettres Phonoplex (1886) de Samuel Insull
Ce recueil de lettres couvre la période juin-septembre
1886. La majeure partie de la correspondance est de Samuel Insull. Il
existe également des lettres d'Alfred O. Tate. Le livre contient
de la correspondance relative au développement commercial
du système télégraphique phonoplex d'Edison
aux États-Unis et au Canada. On y trouve également une
liste de composants phonoplex envoyés à divers bureaux
de la Baltimore & Ohio Telegraph Co. Parmi les destinataires figurent
de nombreuses sociétés de chemin de fer et de télégraphie,
notamment la Baltimore & Ohio Telegraph Co., le Chemin de fer Canadien
Pacifique, la Great Northwestern Telegraph Co., la Newport News &
Mississippi Valley Telegraph Co. et la Pennsylvania Railroad Co. La
couverture est intitulée « Correspondance Phonoplex du
23 juin au 14 septembre 1886. Les lettres précédentes
ont été copiées dans les livres de lettres généraux
». Le dos est étiqueté « 1886 » et est
estampillé « Lettres ». Le livre contient 301 pages
numérotées et un index. Environ 60 pour cent du livre
a été sélectionné.
Avec l'aimable autorisation du parc historique national
Thomas Edison.
______________________________________________
sommaire




sommaire
|