HASLER
- Les COMMUTATEURS HS 25, HS 31 et HS 52
Gustav Adolf Hasler (1830-1900) fils de
Johannes, greffier au tribunal d'Aarau et de Elise Jaumann, fille d'Ignaz
Ludwig.
Ecole des métiers à Aarau, apprentissage dans l'atelier
mécanique de Jakob Kern à Aarau (1847-1850), années
de compagnonnage à Vienne, Berlin et Hambourg (1850-1854).
C'était un mécanicien automobile suisse qui entra en 1855
à la Fabrique télégraphique fédérale
de Berne en tant qu'assistant du directeur de cette institution, Matthäus
Hipp (1813-1893).
En 1855, H. construisit chez Adam Jundzill à Genève un
théodolite à répétition pour l'Exposition
universelle de Paris.
Lorsque le Conseil fédéral donna le feu vert à
l'Atelier télégraphique fédéral (ETW) en
1852, les spécialistes capables de construire des appareils mécaniques
et électromécaniques de précision étaient
difficiles à trouver dans toute l'Europe. Le gouvernement estime
donc qu'il est dans l'intérêt national de permettre au
directeur de l'ETW, Matthias Hipp, de poursuivre ses propres ambitions
techniques parallèlement à la production de télégraphes.
Il en fit un usage intensif, soutenu plus tard par son assistant entreprenant
Gustav Adolf Hasler.
En 1861, ETW commença la production d'instruments météorologiques
selon Heinrich Wild, professeur de physique à Berne et directeur
de l'observatoire de Berne. Les développements intelligents dETW
sont utilisés avec succès de lAllemagne et de la
France à la Sicile et à la Sardaigne et même à
la Turquie. Lorsque le professeur de physique Heinrich Wild, voulut
compléter ses observations météorologiques par
des enregistrements automatiques, il se tourna vers Gustav Adolf Hasler,
qui dirigea l'ETW après le départ de Matthias Hipp en
1860. En étroite collaboration, des instruments auto-enregistrables
sont développés pour enregistrer la pression atmosphérique,
la vitesse et la direction du vent, les précipitations, la température
et l'humidité, permettant ainsi pour la première fois
une observation météorologique scientifiquement précise.
La réaction à l'étranger fut vive et en peu de
temps les usines de la « marque ETW » furent opérationnelles
à Saint-Pétersbourg et à Moscou ainsi qu'à
Pékin, Strasbourg, Washington et Lisbonne.
À partir de 1867, Hasler et son équipe travaillent avec
le professeur Epper, directeur de l'Office hydrométrique fédéral,
sur des limnigraphes. Ils servent à afficher et à enregistrer
le niveau d'eau dans les plans d'eau et à indiquer les marées
hautes et basses dans les installations portuaires. Les télégraphes
de niveau d'eau sont développés pour l'affichage à
distance dans les réservoirs d'eau et pour l'affichage du niveau
de la mer.
L'équipe Hasler conçoit et construit des appareils de
ce type, par exemple, pour le bureau de l'U.S. Coast & Geodetic
Survey à Washington. À l'aide de deux fils et d'un retour
à la terre, les variations du niveau de l'eau peuvent être
transmises à une échelle éloignée et en
même temps la montée ou la descente de l'eau - c'est-à-dire
le flux et le reflux - peuvent être indiquées.
Les activités sophistiquées de l'atelier bernois attirent
des contemporains intéressés par la technique, comme le
Suédois Lars Magnus Ericsson. Lors d'un voyage à travers
l'Europe, il travailla en 1874 à l'ETW sur l'assemblage et le
réglage d'un thermohygrographe auto-enregistrant pour le professeur
Wild, ce qui conduisit à une amitié avec Gustav Adolf
Hasler. Cela a ensuite donné lieu à des activités
communes dans le domaine de la téléphonie, lorsqu'Ericsson
a posé les bases de sa société mondiale à
Stockholm.
Afin de garantir un emploi à long terme à ses employés,
Hasler reste toujours au courant des derniers développements
techniques.
Bien que George Stephenson ait déjà mis en place un chemin
de fer fonctionnel sa « Locomotion » en 1814,
une première mondiale, ce nest quen 1830, lorsquil
sillonna la ligne Liverpool-Manchester nouvellement ouverte, que limportance
économique et militaire du nouveau moyen de transport devint
généralement évidente.
Alors que le réseau ferroviaire suisse commençait à
prendre forme dans les années 1860, le désir de pouvoir
contrôler la vitesse des trains est rapidement apparu. À
partir d'un appareil télégraphique, l'équipe ETW
a créé vers 1870 une horloge de contrôle, qui a
été installée dans les gares et connectée
aux contacts ferroviaires via des lignes électriques longue distance.

Horloge de contrôle pour l'enregistrement de la vitesse des trains
depuis la gare, vers 1870 et Compteur de vitesse pour locomotives,
système Hausshälter, vers 1889.
Cependant, pour garder un il sur la vitesse et ne pas dépasser
les maximums, le conducteur a besoin d'un compteur de vitesse à
l'intérieur de la locomotive qui affiche et enregistre simultanément
la vitesse. Ces exigences sont satisfaites par un système conçu
par B. Hausshälter, directeur du dépôt des chemins
de fer saxons à Dresde. Ce qui est intelligent, c'est qu'il affiche
la vitesse en utilisant le principe de l'échantillonneur. Le
pointeur est tourné à des intervalles de temps spécifiques
définis par une horloge de précision intégrée
la rotation du pointeur pendant cette période étant
directement proportionnelle à la vitesse. Cependant, le temps
de mesure initial est de 12 secondes, ce qui est suffisant pour les
locomotives à vapeur qui ne peuvent pas accélérer
ou décélérer rapidement. Mais avec les freins à
air, la conduite devient plus rapide et les performances de traction
augmentent, ce qui nécessite des temps de mesure plus courts.
L'équipe ETW reconstruit donc le système Hausshalter et
réduit pour le moment le temps de mesure à 6 secondes.
Une bande de diagramme enregistre désormais la distance parcourue.
Et comme les ingénieurs de développement de Hasler sont
toujours guidés par l'expérience pratique, ils équipent
le compteur de vitesse d'une cloche pour que le conducteur du train
Malgré le niveau sonore élevé locomotive
qui halète, chauffeur qui travaille et sifflet de train bruyant
il remarque toujours quand il dépasse la vitesse maximale.
Hasler a breveté cet appareil, qui pouvait désormais enregistrer
la vitesse, le temps et la distance, en 1891.
En juillet 1902, l'appareil Hasler optimisé a démontré
ses capacités sur la ligne Berne Bienne du chemin de fer
Jura-Simplon. Les résultats positifs des tests sont également
signalés aux compagnies ferroviaires étrangères,
qui mettent immédiatement en uvre le système suisse.
Il sagit dun leader technologique depuis des années
et il est particulièrement apprécié dans les pays
non industrialisés, où il y a toujours des bricoleurs
qualifiés qui peuvent ??contrairement à lélectronique
réparer un appareil mécanique. Au début
du 21e siècle, il existe environ 20 000 HASLER dans le
monde. Après que Hasler a externalisé sa division de mesure
ferroviaire à ABB/Sécheron, la société indépendante
HaslerRail a été créée à l'été
2005. Elle ne fournit pas seulement des pièces de rechange, notamment
à l'Europe de l'Est et à l'Asie. Dans la perspective de
l'introduction du système européen de contrôle des
trains (ETCS), leurs systèmes modernes de technologie ferroviaire
TELOC enregistrent la mesure de la vitesse, la consommation d'énergie,
la position GPS du train, assurent la communication avec la cabine du
conducteur et exécutent des fonctions de sécurité.
Dotés des dernières technologies, ils sont préparés
pour la prochaine génération de véhicules.
Nous sommes le 28 janvier 1871. La dernière des trois guerres
d'unification allemande touche à sa fin, Paris capitule, la France
dépose les armes. Près de 190 000 personnes ont dû
mourir. Léconomie européenne est à larrêt,
le chômage se propage. Aussi
L'atelier télégraphique, désormais dénationalisé
et rebaptisé Hasler & Escher, n'est pas épargné.
Lorsqu'en 1873, la Poste envisagea d'introduire des coffres-forts de
type américain pour que les clients puissent accéder à
leur courrier 24 heures sur 24, Gustav Adolf Hasler proposa spontanément
de les fabriquer. La construction s'avère être un véritable
défi, car les PTT exigent que chaque serrure à l'échelle
nationale ne puisse être ouverte qu'avec une seule clé
afin de préserver le secret postal. En 1875, les premiers coffres-forts
sortent de l'usine, avec des portes en laiton décorées
de façon artistique. Grâce à des optimisations de
conception constantes, dont certaines sont brevetées, l'équipe
Hasler reste depuis des années le leader des systèmes
de boîtes aux lettres et le seul fabricant en Suisse.
sommaire
La télégraphie
Au début des années 1860, Hipp quitte l'usine télégraphique
fédérale et s'installe à Neuchâtel pour fonder
sa propre usine télégraphique privée. Peu de temps
après, Hasler succède à Hipp à la tête
de la Fabrique télégraphique fédérale de
Berne.
Déjà dans les années 1850, cette usine ne produisait
pas seulement du matériel télégraphique, mais proposait
également une large gamme d'instruments scientifiques, parmi
lesquels le célèbre chronoscope Hipp. Hasler a poursuivi
cette politique.
En 1864, la Federal Telegraph Factory fut privatisée et réapparut
sous le nom de société "Hasler
& Escher".
Le développement du télégraphe a constamment confronté
Gustav Adolf Hasler à des problèmes, tels que l'alimentation
électrique. Cela se fait avec des cellules humides en plaçant
deux anodes en carbone de chaque côté d'une anode en zinc
dans un récipient en verre. Faute de quelque chose de plus judicieux,
lacide sulfurique ou chlorhydrique dilué sert délectrolyte.
La tension électrochimique résultante entre les électrodes
est de 1,9 volts. Si vous emballez 10 de ces cellules humides en série
dans une boîte en bois, vous obtenez 19 volts pour la tension
télégraphique que vous fournissez aux systèmes.
19 volts est une basse tension et donc insensible au contact, c'est
pourquoi elle est souvent utilisée dans les premiers appareils
électriques.
Mais leur portée est limitée. Alors que l'Amérique
atteignait une portée allant jusqu'à 400 km avec du fil
de cuivre ce qui était alors inabordable pour nous
le fil de fer utilisé en Suisse, d'un diamètre de 8 mm,
avait une résistance spécifique environ 10 fois plus élevée,
ce qui explique pourquoi le signal devenait trop faible après
une distance relativement courte.
Pour couvrir de plus grandes distances, Hasler et son équipe
commutent un relais de translation sur une bobine réceptrice
à haute impédance et peuvent ainsi contrôler un
nouveau circuit. Cela a été utilisé dans la pratique,
par exemple, sur la ligne de 120 km de Belgrade à Nisch, pour
laquelle Gustav Adolf Hasler a personnellement créé en
1883 un schéma de montage et de circuit de la « Station
intermédiaire double ».

Dessin d'assemblage et de circuit par G. A. Hasler pour une station
télégraphique sur la ligne Belgrade-Nisch

Sélecteur télégraphique de traverse, vers 1890
Les batteries humides des centraux télégraphiques survivent
dans la misère pendant des années dans les sous-sols,
car elles émettent des gaz nitreux malodorants. En conséquence,
l'assistant de l'opérateur télégraphique doit souvent
descendre dans les voûtes pour immerger les anodes plus profondément
dans le liquide. Celui qui utilise le télégraphe ne sait
jamais jusquoù son signal parvient. Plus les anodes sont
profondes dans le liquide, plus la résistance interne est faible
et plus les performances sont élevées. Si l'immersion
est insuffisante, 19 volts sont générés, mais le
courant n'est pas suffisant. Pour les gens de Hasler, c'est clair :
il faut un instrument qui indique si l'alimentation fournit suffisamment
d'énergie.
Lastuce quils ont dans leur sac est une boussole, sur laquelle
ils enroulent la ligne dalimentation perpendiculairement
à la direction nord-sud. Si le courant circule maintenant, le
courant continu produit un champ magnétique. La vitesse et lamplitude
de déviation de laiguille déplacée révèlent
si le signal est suffisamment fort. Dans le cas contraire, les 10 anodes
sont enfoncées plus profondément dans le liquide du sous-sol,
ce qui augmente les performances.
Le signal est ensuite transmis au sélecteur de barre transversale,
également un développement Hasler, pour la sélection
ciblée du partenaire d'appel. La base est la disposition matricielle
des lamelles de laiton. Selon le choix, ceux-ci sont connectés
branchés à dautres rails, ce qui correspond
au routage du signal.
La protection contre la foudre est une source de problèmes pour
les fabricants dappareils du monde entier. Si vous envoyez le
message dans une région où un orage se produit actuellement,
la foudre peut frapper la ligne à tout moment et la tension apparaîtra
sur le bouton de transmission. Les opérateurs télégraphiques
sont souvent victimes de blessures. Mais les experts Hasler savent quoi
faire et créent le fusible réparable. La base est une
plaque de terre servant de plancher électrique avec des lattes
sur lesquelles circule le signal Morse. Placez un morceau de papier
entre la plaque et la latte. Il conserve le courant galvanique tout
en détournant les décharges atmosphériques en raison
de leur tension plus élevée. Si la foudre frappe la ligne
dans la zone de réception, l'énergie libérée
brûle un trou dans le papier sur la plaque de sol. D'un seul mouvement,
l'opérateur télégraphique retourne le papier et
le fusible est réparé. Voilà à quoi ressemblaient
les débuts modestes de la plaque de protection contre la foudre,
à une époque où l'on ne prêtait pas trop
attention au matériau d'isolation, qui changeait en fonction
des influences environnementales.
Propriétaires et employés de l'atelier télégraphique
Hasler & Escher
Le code Morse en mission secrète
Les télégraphes Morse étaient particulièrement
populaires à des fins militaires en raison de leur sécurité
contre les écoutes clandestines. Par exemple, l'équipe
Hasler a créé pour l'armée italienne un appareil
compact et portable dans une jolie boîte en imitation acajou.
Pour éviter qu'ils ne souffrent de l'air salin, certaines pièces
sont nickelées pour éviter la formation de vert-de-gris.
Cela distingue le télégraphe portable des autres appareils
dont les composants en laiton sont recouverts de gomme laque jaune doré.
Ce vernis est d'ailleurs une véritable curiosité, car
les chimistes astucieux ne sont plus en mesure d'analyser la composition
du revêtement vieux d'environ 130 ans et toujours parfait. Certains
experts capitulants murmurent derrière des portes closes que
ce quelque chose de certain est probablement de la thiourée,
en langage clair de l'urine de cheval.
Le boîtier de code Morse « luxueux » du voisin du
sud est équipé d'un sélecteur à barre transversale
et d'un galvanomètre pour la portée. Une cloche réveille
l'opérateur du télégraphe s'il s'assoupit. Un cendrier
en laiton verrouillable et une montre Revue Thommen étaient également
inclus. Après que ces dernières soient tombées
à plusieurs reprises entre les mains de voleurs lors d'opérations
sur le terrain, les autorités militaires ont ordonné que
les montres soient emportées à domicile par l'opérateur
télégraphique de service le soir et enregistrées
dans le livret de service, à l'instar de l'arme de service. Le
garde-temps exposé dans la vitrine a néanmoins subi le
même sort que ses contemporains, puisque la montre que nous voyons
aujourd'hui provient d'une foire de collectionneurs à Baden,
où elle a été achetée par un employé
de Hasler pour 300 francs.
Comme le notent les carnets de commandes Hasler, des systèmes
de code Morse militaires ont également été envoyés
à l'armée suisse, mais dans des boîtes en bois de
sapin ordinaire... parlons d'acajou !

L'équipe de l'atelier télégraphique de Zehndermätteli,
mai 1891, Télégraphe Morse portable, fabriqué pour
l'armée italienne.

Sur la Schwarztorplatz, on peut admirer un complexe de bâtiments
d'importance économique et urbaine : l'ancienne usine Hasler,
construite en 1894-95. Issue de l'Atelier télégraphique
fédéral, où l'on fabriquait à partir du
milieu du XIXe siècle les équipements pour les moyens
de communication en plein essor (car ils étaient difficiles à
obtenir), l'entreprise fut rapidement privatisée et transformée
en une entreprise à succès international par Gustav Adolf
Hasler. Après la guerre, l'entreprise devient le plus grand employeur
(industriel) de Berne. Bientôt, l'espace dans le quartier de Mattenhof
ne suffit plus et en 1957, un autre complexe industriel est construit
sur le Bodenweid à Bümpliz, où, dans les meilleurs
moments, plus de 6 000 employés travaillent.
Avec le déclenchement de la Première Guerre
mondiale, les rangs des effectifs de Hasler s'éclaircirent. Néanmoins,
léquipe restante a réussi à lancer un best-seller
avec le « compte-tours portatif Hasler ».
Le cur de cet instrument de précision est un mécanisme
composé d'un mécanisme d'horlogerie qui règle le
temps de mesure à trois secondes et d'un compteur qui mesure
les vitesses de rotation ou d'avance pendant ce temps. Le cadran du
compte-tours portatif indique le résultat de la mesure en tours
ou en mètres par minute. Le tachymètre portatif, initialement
conçu sur le modèle de son « grand frère
» pour avions, est aujourdhui vendu par dizaines de milliers
à travers le monde et est utilisé avec autant de succès
en Haïti quà Curaçao et dans larchipel
malais.
...
Au début des années 1920, la menace d'une diminution du
travail pesait à nouveau sur la main-d'uvre de Hasler,
c'est pourquoi Gustav Hasler décida de s'aventurer dans l'inconnu.
En 1920, le Congrès postal universel de Madrid décide
d'autoriser l'affranchissement automatique dans ses pays membres. Les
inventeurs du monde entier se sont immédiatement mis au travail.
Mais construire une machine à affranchir qui affranchit le courrier
en imprimant un timbre au lieu de le coller dessus est tout sauf une
mince affaire. Par exemple, aucune lettre ne peut être affranchie
sans quun compteur enregistre la valeur. Une facturation correcte
auprès de l'administration postale doit être assurée
et il faut clarifier quelles valeurs d'affranchissement la machine doit
émettre. Le premier prototype Hasler a connu son baptême
du feu en 1922 à la Foire de Bâle. Cela confirme certes
la faisabilité, mais nécessite l'attention affectueuse
du personnel du stand pour annuler la lettre insérée en
tournant la manivelle. Seulement six ans plus tard, l'équipe
Hasler dispose d'un appareil exempt de problèmes de démarrage,
dont les valeurs peuvent être ajustées selon les besoins.
Ce dernier le rend particulièrement populaire dans les pays dont
les monnaies fluctuent fortement. Cette machine, constamment améliorée
et de plus en plus sophistiquée, captive l'imagination des clients
du monde entier, qui l'utilisent pour tamponner les lettres de voiture,
les droits de douane, les reçus fiscaux et autres, et pour faire
enregistrer mécaniquement les montants pour les autorités
fiscales. Hasler est depuis des années un pionnier international
dans le domaine des machines à affranchir.
sommaire
Avec un esprit pionnier, l'ancien Atelier fédéral
du télégraphe a adopté le concept du télégraphe
et, grâce à une technologie intelligente, a fait le saut
de l'écriture en relief à l'écriture en couleur.
Sous la direction de Hasler père, l'entreprise a inauguré
l'ère du téléphone en Suisse et, grâce à
l'esprit d'entreprise infatigable de Hasler fils en matière d'instruments
de précision et de mesure, a porté le nom Hasler dans
le monde entier. Mais à maintes reprises, dans des périodes
politiquement et économiquement difficiles, l'équipage
a ouvert de nouveaux marchés rentables grâce à des
développements technologiques sophistiqués qui ne faisaient
pas réellement partie de son activité principale.
La téléphonie
Via l'Amérique, la nouvelle de la transformation de la parole
en ondes électriques parvint bientôt jusqu'aux foyers suisses.
L'administration télégraphique suisse veut savoir exactement
ce qui se passe et se tourne vers ses collègues berlinois. Ils
envoient deux échantillons d'appareils. En 1878, ce téléphone
remplaça la liaison télégraphique entre la tour
de guet de la cathédrale et la police de la ville de Berne. Le
Conseil fédéral a rapidement reconnu le potentiel de la
téléphonie et l'a déclarée la même
année comme une question de responsabilité étatique.
Le 6 décembre 1877, Hasler & Escher
fabriquent leurs téléphones, qui sont basés sur
le principe Bell. Gustav Adolf Hasler ne savait pas qu'avec la fabrication
de téléphones, il posait une fondation qui serait d'une
importance décisive pour le développement futur de l'entreprise.
dans l'atelier télégraphique à Berne.
En 1879, l'associé de Hasler, A. Escher, décède
et l'entreprise devient la propriété de Hasler.
Le catalogue de l'entreprise nous apprend qu'entre 1880 et 1890, l'entreprise
fabriquait non seulement des dispositifs de protection contre la foudre
et la haute tension, mais aussi des postes téléphoniques
et des commutateurs téléphoniques.
Le téléphone manuel
En 1880, le premier réseau téléphonique reliait
Zurich aux communes périphériques, suivi des autres cantons
en 1881, et en 1896, l'ensemble du pays était connecté.
Le téléphone connaît un véritable essor :
alors que le trafic télégraphique augmente d'environ 6
% entre 1880 et 1890, cette augmentation des appels longue distance
est même période environ 900%.
La tâche de ladministration est de veiller à ce que
de larges pans de la population bénéficient des nouvelles
technologies afin de garantir des avantages économiques. Elle
propose un poste de base à 150 francs, avec appels locaux gratuits,
mais obligation de souscrire un abonnement de deux ans. Une telle station
se compose d'une plaque clignotante et d'un boîtier d'appel, qui
comprend un bouton à trois contacts pour le courant continu ou
un inducteur pour l'appel en courant alternatif et un réveil
électrique - la cloche.
Il comprend un microphone, un ou deux écouteurs et la batterie
logés dans un boîtier spécial. Le signal d'appel
est fourni par le réveil, dont la tension de fonctionnement est
prélevée sur la batterie, qui fournit également
le courant vocal, ou sur un générateur de courant alternatif.
Cet inducteur à manivelle est intégré à
l'appareil et est mis en mouvement par l'utilisateur du téléphone
en le tournant.
Mais le coût de telles stations est trop élevé pour
les consommateurs ordinaires, c'est pourquoi, au départ, seules
les entreprises, les banques, les hôpitaux, la police et les pompiers
disposent d'un téléphone. Sans parler des étranges
obligations que ladministration impose à labonné.
Non seulement les téléphones loués doivent être
protégés de la saleté et des dommages, mais le
cordon téléphonique ne doit pas être cassé
ou tordu. Il est également interdit de perdre du temps, c'est
pourquoi les « rires insensés et autres bêtises »
au téléphone sont soumis à un supplément.
Hasler-Bell 1896
Hasler-Bell Hasler 1908
Hasler fabrique des centraux manuels et suit les évolutions avec
la progression des demandes...
Hasler a produit des centraux plus petits du fabricant suédois
Ericsson jusqu'à la fin des années 1920.
Avec la croissance, des dispositifs denregistrement du temps sont
nécessaires. Les appels ne doivent pas dépasser trois
minutes, sinon vous devrez payer un supplément. Voilà
de quoi donner du grain à moudre à l'équipe Hasler
: ils développent des compteurs de minutes basés sur les
montres Zenith qui déclenchent une impulsion toutes les trois
minutes.
Hasler, lancien pionnier du télégraphe, na
pas fait la transition vers lère du téléphone
avec fanfare. Ce n'est que par le catalogue de l'entreprise que nous
apprenons discrètement qu'entre 1880 et 1890, l'entreprise fabriquait
des appareils et des centraux téléphoniques ainsi que
des dispositifs de protection contre la foudre et la haute tension.
À la mort de Gustav Adolf Hasler en 1900, son fils Gustav
Hasler (1877-1952),suivit ses traces à l'âge
de 22 ans et transforma l'atelier télégraphique 9 ans
plus tard.
L'usine Hasler se développe rapidement et s'organise en 1909
en société d'actionnaires.
Le téléphone publique (ou publiphone
)
Entre-temps, le premier central téléphonique semi-automatique
de Zurich-Hottingen a commencé à fonctionner en 1917 et
un service de renseignements sous le numéro 11 a été
créé en 1921. Comme pour la plupart des gens, pour des
raisons financières, avoir son propre téléphone
est encore loin d'être une réalité, ils souhaitent
des appareils publics à pièces. Le premier poste de caisse
de ce type, fabriqué par Vanoni-Schum, est à commande
manuelle et s'appuie sur du personnel pour surveiller les zones tarifaires
et les durées d'appel et pour compter l'argent.
Mais les ingénieurs de Hasler retroussent déjà
leurs manches. En 1923, ils développent le premier téléphone
public automatique basé sur la station anglaise dite Hall. Les
appels longue distance sont toujours limités à trois minutes
et la signalisation des pièces laisse beaucoup à désirer,
car l'appareil peut être bluffé et établit des connexions
même sans insérer d'argent. Ce n'est donc pas la solution
à tous les problèmes, constatent les Bernois imaginatifs
et continuent de réfléchir.
Huit ans plus tard, ils ont lancé le Type M optimisé pour
les appels locaux, de groupe en réseau et longue distance. Il
est très précis avec la fente à pièces,
bien qu'il autorise différents types de pièces. Cependant,
le handicap des interventions de trois minutes demeure. En 1939, léquipe
a créé un mécanisme dimpulsion sophistiqué
qui fonctionne lorsque des pièces sont insérées
et génère des chocs électriques correspondant à
la valeur des pièces insérées. Après avoir
été envoyées au bureau central, les pièces
sont vérifiées et celles qui ne sont pas valides sont
éliminées dans un canal de retour. Si l'appelant est au
téléphone depuis trois minutes, il lui sera automatiquement
demandé de payer le montant supplémentaire s'il souhaite
poursuivre l'appel. Ce type de caisse enregistreuse rencontre immédiatement
un succès et se retrouve bientôt dans les caisses publiques,
les restaurants, les hôtels et les grands magasins. Afin de se
concentrer sur les nouvelles technologies, Hasler a transféré
la production de ces appareils à une société fondée
à cet effet en 1948.
Le téléphone automatique
En 1924 l'« âge d'or » des centres automatiques
commence Hasler achète une licence Ericsson du modèle
Ericson 500, qui est suivie en 1925 par
une licence pour les petits systèmes téléphoniques
automatiques dans les zones rurales le HS25.
Le System Hasler HS25
La première installation d'un système de contrôle
domestique Hasler HS25 apporte une douche froide aux installateurs.
Le responsable des PTT indique qu'ils devraient placer le système
près de la porte afin de pouvoir le retirer rapidement en cas
de dysfonctionnement.
Mais le HS25 tient ses promesses et génère davantage de
commandes, c'est pourquoi Hasler se tourne vers la construction de relais
et de chercheurs. Le système existant remonte à ces débuts,
a été installé sur Rigi Kaltbad en 1925 et déplacé
dans le garage d'une entreprise d'installation électrique de
Lucerne en 1936. En 1998, un employé de Hasler a appris l'existence
de la chose rouillée, l'a achetée pour 600 francs et l'a
remise en état de marche.
Le système à ces débuts, a été installé
au Rigi Kaltbad en 1925 et a été transféré
en 1936 dans le garage d'une entreprise d'installation électrique
de Lucerne. (Il n'y a pas de documentaton technique sur ce système).
Afin d'assurer le développement national et de
permettre une automatisation complète et indépendante
des grands centres urbains, PTT a besoin de son propre développement.
Gustav Hasler est clairvoyant : s'il veut résister à la
concurrence des entreprises étrangères, il doit apporter
ses propres idées sur le marché. Grâce à
son engagement, à ses collaborateurs motivés et à
ses investissements courageux, il s'est imposé malgré
ses contemporains qui le considérait mal.
Hasler remporte la course contre la montre et livre le système
HS31, son propre développement, aux PTT à Hasle-Rüegsau
en 1931.
Le central peut effectuer des recherches de manière entièrement
automatique, mais ne peut encore compter les appels. Le viseur rotatif
a 10 positions dans un plan, 10 radiales et 10 polaires. Une fois l'appel
terminé, le système revient à zéro et la
connexion est complètement rétablie à chaque appel.
Le HS31 constitue la base de l'automatisation du réseau téléphonique
suisse.
Tous les commutateurs HS 25, 31, 52 et ... 68 ont été
développés par Hasler pour automatiser les centres de
petite et moyene capacité de la Suisse et n'ont été
installés qu'en Suisse.
sommaire
System Hasler HS 31
|
Le nouveau système de téléphone
automatique créé par la maison Hasler S. A. à
Berne, est basé sur un principe qui diffère très
peu de celui sur lequel reposent les installations qu'elle a établies
jusqu'à ce jour et pour lesquelles elle avait employé
des chercheurs à 25 contacts.
Par contre, l'ensemble des connexions et surtout la construction
sont entièrement nouveaux.
Il a été conçu comme système
à enregistreurs et doit aussi être désigné
comme tel. L'emploi de chercheurs à 25 contacts limite
les possibilités de raccordement de l'installation; il
ne pouvait donc pas être question de le généraliser
pour les centraux de 400 à 1000 abonnés ou davantage,
pas plus que pour les grands centraux et les groupes de réseaux
comptant plusieurs milliers de raccordements. Le nouveau système
employant des chercheurs à 100 contacts, rien ne s'oppose
à ce qu'on y ait recours pour l'installation de centraux
importants comptant 1000 raccordements ou plus. L'intercalation
de groupes de sélecteurs permet de l'étendre à
volonté. Si l'on veut, par exemple, passer d'un système
à 1000 raccordements à un système à
10,000, il suffit d'ajouter un nouveau groupe de sélecteurs,
la IIe série des sélecteurs de groupes. On obtient
ainsi un système où les présélecteurs
servent uniquement à éviter l'installation de dispositifs
connecteurs coûteux, en ce sens que les premiers sélecteurs
de groupes fontction de chercheurs de groupes des milliers, les
deuxièmes sélecteurs, de chercheurs de groupes des
centaines et les sélecteurs de lignes, de chercheurs de
raccordements. On remarque en outre qu'en intercalant en série
différents groupes de sélecteurs, on obtient un
système qui peut être étendu à volonté
sans que l'installation des sélecteurs prenne des proportions
exagérées.
Le système est conçu pour 1000 raccordements et
équipé de 3 groupes de sélecteurs: les chercheurs
d'appels, les chercheurs de groupes et les chercheurs de lignes.
La première installation à Hasle-Rüegsau
compte 250 raccordements d'abonnés et est reliée
au central B. C. de Berthoud par 15 lignes servant à l'écoulement
du trafic dans les deux sens. D'autre part, deux centraux terminus,
ceux de Lützelflüh et de Obergoldbach, sont reliés
au central de Hasle-Ruegsau, l'un par 10 lignes de raccordement,
l'autre par deux. Ces deux centraux, qui, avant la mise en service
du central de concentration étaient reliés directement
à Berthoud, sont équipés d'après le
système connu d'enregistreurs-marqueurs comportant des
unités à 50 raccordements. Le nouveau système
put donc être adapté sans difficultés et sans
grands changements aux installations existantes.
Le nouveau système automatique permet d'employer des chercheurs
de même construction pour les trois groupes de sélection,
ce qui représente un grand avantage au point de vue technique.
Au besoin, les chercheurs d'appels peuvent être employés
aussi bien comme chercheurs de groupes que comme chercheurs de
lignes et réciproquement.
L'enregistreur, appelé enregistreur à sélecteurs,
fait ici également le travail d'une téléphoniste
; il reçoit les impulsions du numéro composé
par l'abonné et les retransmet jusqu'au dispositif d'appel
du numéro désiré.
Jusqu'à maintenant, l'administration suisse avait été
obligée de faire appel exclusivement à des maisons
étrangères pour l'établissement d'installations
automatiques importantes. Le fait qu'une maison suisse est aujourd'hui
en mesure d'entreprendre ces travaux et de s'occuper activement
de l'installation de centraux automatiques importants, présente
un grand avantage pour l'économie nationale.
Description des appareils.

Chercheurs avec multiple de raccordement.
Nous avons déjà vu que le chercheur employé
est du type à 100 contacts et qu'il peut être utilisé
aussi bien comme chercheur d'appels que comme chercheur de groupes
ou chercheur de lignes. La direction est donnée directement
par l'aimant de commande et par l'auto-interrupteur. Le mouvement
de rotation horizontale et le mouvement radial du chercheur sont
tous deux provoqués par le même aimant: l'aimant
de direction ou aimant de commande. Lorsque l'armature de l'aimant
de commande est attirée, le chercheur est mis en mouvement
par un cliquet de propulsion fixé à un prolongement,
en forme de fourche, de l'armature. Ce cliquet de propulsion,
qu'on distingue très bien sur la fig. 2, appuie sur le
bras du chercheur en faisant avancer pas à pas le chercheur
qui est retenu après chaque pas par un cliquet d'arrêt.
Les différentes parties du chercheur peuvent très
bien être étudiées d'après la fig.
2. Le changement de mouvement du chercheur de la direction horizontale
à la direction radiale, est provoqué par le fonctionnement
d'un aimant de couplage. Cet aimant est excité aussitôt
que le balai de test fixé au-dessous du porte-balais passe
sur le raccordement marqué et ferme le circuit du courant.
Lorsque l'aimant de couplage fonctionne, le bras du chercheur
est arrêté dans son mouvement de rotation horizontal
par un dispositif d'arrêt fixé à la partie
inférieure de l'armature de l'aimant et venant engrener
dans la roue dentée du bras du chercheur.

Le porte-balais a 4 conducteurs: les conducteurs de conversation
a et b, le conducteur de test c et le conducteur de comptage d.
Il change la direction de son mouvement sans qu'il y ait interruption
dans la commande. Dès qu'on a testé, le chercheur
change la direction de son mouvement ou s'arrête instantanément.
Après chaque conversation, tous les chercheurs, chercheurs
d'appels, chercheurs de groupes et chercheurs de lignes reviennent
à. leur position de repos. Ce mouvement de recul a lieu
aussitôt que fonctionne l'aimant de déclenchement
qui, par une combinaison de connexions, attire son armature à
la fin de chaque conversation. On remarque à la fig. 2
que sur le prolongement de cette armature se trouve une fourchette
qui, lorsque l'armature est attirée, fait sortir de leur
position le cliquet de propulsion et le cliquet d'arrêt,
libérant le bras du chercheur qui est ramené à
sa position de repos par le ressort de rappel. La construction
du chercheur lui permet de se déplacer de 12 pas dans son.
mouvement de rotation horizontal et d'avancer de 11 pas dans son
mouvement radial.
Le multiple de raccordement comprend 11 coulisses avec 11 raccordements
chacun, autrement dit, il a une capacité de 121 raccordements.
Cependant, on ne prévoit et ne raccorde normalement que
100 abonnés. On peut ainsi conduire un certain nombre de
raccordements multiples à un seul numéro d'appel,
par exemple relier dix raccordements multiples à 2 numéros
et un à 10 numéros à un seul numéro
des centaines. On peut employer pratiquement le onzième
raccordement de chaque coulisse, en s'en servant pour faire passer
l'appel sur un chercheur libre au cas où le chercheur n'aurait
pas fonctionné, et permettre ainsi l'établissement
de la communication.
Si, par suite d'un dérangement quelconque, le chercheur
de lignes ne teste pas l'abonné, le porte-balais continue
son mouvement jusqu'au dernier raccordement sur lequel le signal
d'occupation retentit et l'abonné appelant est ainsi invité
à raccrocher son récepteur. La communication est
alors interrompue et les différents circuits libérés.
La vitesse du chercheur lui permet de tester environ 20 contacts
par seconde. Lorsque le chercheur s'est arrêté, on
peut, à n'importe quel moment, contrôler sa position
grâce aux divisions V, -1, -2, -3 ... -9, 0, qui sont gravées
sur le bord extérieur de l'étrier. Aux AS et aux
LS, on peut ainsi lire les décades; aux GS, par contre,
on peut lire les groupes des centaines ou les communications des
sous-centraux. Une autre division, qui permet de se rendre compte
de la position du balai dans la coulisse même, est gravée
sur le prolongement latéral du porte-balais. Cette division
porte les signes R, -1, -2, 9, -0, -B; R indique la position de
repos; 1 -2 -3 jusqu'à 9-0, les 10 raccordements; B, la
position d'occupation. Grâce à ces deux divisions,
on peut suivre facilement l'établissement d'une communication.
Cette disposition offre en outre ce grand avantage qu'en cas de
dérangement ou pour faire des essais, on peut observer
sans difficulté les mouvements des chercheurs.
Une méthode analogue est utilisée à l'étranger
pour tous les systèmes automatiques. Une simple pression
latérale sur les deux ressorts d'arrêt permet de
sortir facilement les chercheurs du bâti. On peut donc réparer
rapidement les dérangements aux chercheurs en remplaçant
simplement l'appareil défectueux.
Les chercheurs de chaque groupe de sélecteurs sont réunis
par 8 dans des cadres (suivant les besoins on peut doubler ce
nombre), ainsi que le montre la fig. 4, placés dans le
cadre et maintenus bien au centre par rapport au multiple de raccordement
au moyen de chevilles-guides.
Pour former des unités de 100 raccordements, on réunit
sur un même bâti 3 cadres de chercheurs comprenant
les chercheurs des 3 groupes de sélecteurs ainsi que 100
relais d'abonnés et 100 compteurs de conversations avec
les circuits des chercheurs d'appels, de groupes et de lignes.
Une de ces unités à 100 raccordements prend très
peu de place ; le bâti a une hauteur de 2 m 20 et une largeur
de 72 cm.
Le courant est conduit aux chercheurs par une fiche de raccordement
qui est fixée au bâti et qui, par un court câble,
relie les raccordements aux balais et aux bobines des aimants.
La disposition de cette fiche et l'amenée du courant peuvent
très bien être étudiées aux fig. 2
et 4.
Tout le multiple de raccordement comprend 11 coulisses placées
dans les cadres et maintenues au bâti par une seule vis
fixée à sa partie supérieure. Des chevilles
guides appropriées maintiennent chaque coulisse au centre
et la relient fortement au bâti.
Tout le système des contacts se compose de fils nus de
bronze phosphoré de 1,2 mm de diamètre qui, sous
forme de coulisses, sont tirés à des distances régulières
et maintenus en place par des plots d'ébonite. Les deux
extrémités de ces tiges de bronze forment des illets
qui permettent de les relier facilement au câble de raccordement.
Le sélecteur.
Contrairement au système d'enregistrement au moyen de relais
décrit dans le bulletin technique n° 2/1931, le système
employé ici comprend des sélecteurs et des relais;
les sélecteurs y fonctionnent comme marqueurs, c'est-à-dire
comme organe enregistreur d'impulsions. Il y a deux sortes de
sélecteurs : le sélecteur à cylindre et le
sélecteur ordinaire (fig. 6).
 
Le sélecteur à cylindre est un petit sélecteur
à 10 contacts qui se compose de deux bobines reliées
en série dont l'une, à action différée,
fait mouvoir le cliquet d'arrêt et l'autre, de construction
normale, actionne le cliquet de propulsion. L'armature de la bobine
ordinaire porte à son extrémité le cliquet
de propulsion qui, lorsque l'armature est attirée, vient
engrener dans la petite roue dentée fixée au cylindre
et fait mouvoir le cylindre d'un nombre de pas égal à
celui des impulsions reçues. Sur le pourtour du cylindre
se trouvent, disposées en hélice, les tiges de contact
sur lesquelles viennent appuyer les ressorts de contact lorsque
l'armature est attirée. Un ressort spiral ramène
le cylindre en position de repos aussitôt que l'aimant à
action différée a fonctionné, c'est-à-dire
dès que le courant est interrompu. Le sélecteur
ordinaire se distingue du sélecteur à cylindre en
ce qu'il n'a pas de cylindre. Celui-ci est remplacé par
une petite roue à contact mobile qui ferme un circuit lorsque
le sélecteur a terminé son mouvement.
série
100 HS 31
Le central de Porrentruy

Le central de Versam
Le central téléphonique Versam est un témoin
historique technique important de l'histoire des télécommunications
de la Suisse.
Cest la preuve dun changement technologique dans une
région encore structurellement faible. Contrairement aux
centraux téléphoniques plus récents, il ne
s'agit pas d'un bâtiment fonctionnel standardisé,
mais plutôt d'un bien aménagé et adapté
aux besoins.
Le bâtiment, qui servait à l'origine d'atelier de
forgeron, a été transformé en central téléphonique
et une partie du bâtiment a été agrandie pendant
l'exploitation afin de pouvoir répondre aux besoins croissants
en matière de capacité.
Les chercheurs
au siège de Versam.
Alors que les autres fabricants parlent de « sélecteurs
», Hasler AG fait référence à leur
assemblage sous le nom de viseur.

Le relais plat HS 31 développé par Hasler présente
une fiabilité de contact nettement supérieure à
celle des modèles précédemment disponibles.
Le design est constamment amélioré au fil des années.
Les contacts notamment sont encore optimisés, ces éléments
étant d'abord constitués de platine, puis de molybdène
et enfin d'un alliage d'argent. La forme des contacts est également
modifiée, passant de la combinaison originale d'une pointe
et d'une plaque à deux contacts en forme de dôme.
Ce type de relais a été installé des millions
de fois sur plusieurs décennies.
Ce type de viseur est caractéristique du système
Hasler HS 31. Le principe de conception avec un mouvement rotatif
et un mouvement plongeant se distinguait de tous les autres systèmes
de l'époque. Une version légèrement modifiée
du viseur 100 est installée dans le central téléphonique
Versam. Dans le système de marquage de registre, ce viseur
est utilisé à la fois au niveau de l'indicatif régional
et au niveau de la sélection de groupe et de ligne.
Tous les détecteurs de commutateurs pas à pas sont
utilisés comme registres et détecteurs de marqueurs.
Ceux-ci comportent 52 positions de contact (50+0+R) disposées
en arc de cercle. Le rotor monté au centre avec les brosses
de contact à double bras est entraîné par
un aimant à interruption automatique, avec une roue à
rochet assurant les niveaux de contact appropriés.
Les détecteurs de commutation dits à 10 étapes
sont utilisés comme détecteurs de registre, dans
le registre lui-même comme mémoire de chiffres et
pour marquer la commutation de chiffres ainsi que comme détecteurs
de marquage dans les détecteurs de groupe et les détecteurs
de lignes.
Le commutateur de registre est un viseur doté de deux petites
brosses qui recouvrent une feuille de contact à 22 positions.
Le commutateur utilisé comme mémoire de chiffres
est enfichable dans le registre et est à peine plus grand
qu'un relais plat.
Les interrupteurs horaires sont toujours utilisés dans
les circuits automatiques où un processus de commutation
doit être retardé. Cette temporisation est réalisée
en mettant en service un mécanisme de temporisation mécanique
lorsque le courant traverse l'électro-aimant de la minuterie
et, par exemple, en actionnant un contact inverseur après
son expiration.
En fin de compte, les machines de signalisation constituent le
dernier maillon important de la chaîne fonctionnelle d'un
système HS 31.
L'établissement de la connexion
Le système Hasler HS 31, développé en 1931,
fonctionne selon ce que l'on appelle le système de marquage
par registre, c'est-à-dire avec commande indirecte.
La structure et l'exécution d'une conversation téléphonique
peuvent être divisées en étapes de processus
: trafic d'appel, trafic de numérotation et trafic vocal
dans le central téléphonique. Selon la destination
souhaitée, les possibilités de transport longue
distance jouent également un rôle.
Lorsque vous décrochez le combiné téléphonique,
le trafic d'appels démarre et le relais de ligne du centre
de contrôle est alimenté. Un enregistreur distant
local est désormais activé via le chercheur d'appel
(rechercheur de groupe), le chercheur d'éléments
de commutation et le chercheur de registre. Il existe un outil
de recherche de groupe disponible pour cent connexions d'abonnés,
qui démarre désormais et recherche la ligne de la
personne qui appelle. Une fois la ligne trouvée, un registre
libre est activé dans le chercheur de registre. La personne
qui appelle entend maintenant le bourdonnement du récepteur,
ce qu'on appelle la tonalité, et peut commencer à
composer.
Les chercheurs d'appel concentrent le trafic sur l'un des 2 x
8 éléments de commutation et les chercheurs de registres
sur l'un des cinq registres locaux distants. Concrètement,
cela signifie que le système est à pleine capacité
lorsque l'ensemble des 2 x 8 éléments de commutation,
soit un total de 16, sont en position de parole. Le 17ème
appelant ne trouve plus de chemin de connexion et doit attendre
la fin de l'un des appels en cours.
Dès que la personne qui appelle A entend le bourdonnement,
elle peut commencer à composer le numéro de téléphone
de la personne souhaitée B. Cest là que commence
ce quon appelle le trafic électoral. Considérons
d'abord un appel téléphonique local entre deux lignes
connectées au même central téléphonique.
Le registre distant local stocke ce numéro et le convertit
en informations de numérotation précises. Dans la
recherche de groupe et de ligne, l'enregistreur distant local
compte désormais les chiffres de numérotation correspondants.
Le registre prend les chiffres choisis et les stocke dans les
bobines de sélecteurs . Dès que le deuxième
chiffre est sélectionné, le registre commence à
paramétrer les circuits de marquage. Pour ce faire, on
compte les chiffres complémentaires à 11.
Dès que le numéro de téléphone complet
est composé et que la ligne est établie, l'enregistreur
local distant s'éteint à nouveau. Il est désormais
à nouveau disponible pour établir une nouvelle connexion.
La connexion est établie et la personne B reçoit
une sonnerie : Le téléphone sonne.
Si la personne que vous recherchez est là et décroche
le combiné lorsque le téléphone sonne, la
phase de conversation commence. Concrètement, lorsque vous
décrochez le combiné, le flux de sonnerie est désactivé
et la connexion dans le centre de contrôle est réglée
sur ce que l'on appelle la position de parole. Au même moment,
le compteur d'appels de la personne A est également activé.
La fréquence de comptage est définie en fonction
du numéro d'appel défini. Pendant la conversation,
des impulsions de comptage sont affichées en permanence
sur l'écran.
Le compteur d'appels est résumé, sur lequel la facture
de téléphone est ensuite basée.
Lorsque les récepteurs sont raccrochés des deux
côtés, la connexion est terminée, les viseurs
concernés reviennent à leur position d'origine et
les lignes sont à nouveau libres pour la connexion suivante.
Le transport longue distance est le même en principe, mais
le processus est plus complexe. Si les deux participants n'étaient
pas connectés au même central téléphonique,
la connexion transitait par le câble de district jusqu'au
central principal le plus proche ; dans le cas de Versam, cela
signifie Coire. Là, l'appel était transféré
au siège approprié en Allemagne ou à l'étranger.
En plus du central téléphonique proprement dit avec
l'équipement de la machine HS 31, des équipements
supplémentaires sont installés dans le central téléphonique
Versam. Pour les lignes de liaison entre Coire et les sièges
sociaux de Safien et Illanz, un équipement amplificateur
approprié est disponible. Ceux-ci amplifient les signaux
électriques, qui présentent certaines pertes dues
à la longueur du câble. Viennent ensuite les
Des rangées de racks dans la partie la plus récente
du bâtiment installaient des équipements d'amplification
pour les émissions téléphoniques HF des programmes
de radio.
Différents appareils et installations sont disponibles
pour la maintenance technique et le dépannage, comme le
boîtier de test et de mesure du distributeur principal.
Les formalités administratives peuvent être effectuées
à deux tables de bureau, où sont également
disponibles les documents techniques les plus importants.
1 2
1 - Lieu de travail et équipement de mesure pour les travaux
de service. Le graphique sur le mur montre le bâtiment de
la Hasler AG à Berne.
2 - Dans la première salle se trouvent des amplificateurs
pour les lignes de transport en commun. Ces câbles ne sont
pas reliés au siège, mais sont acheminés
du siège de Coire à Illanz. Au siège de Versam,
seuls les signaux sont amplifiés.
sommaire
La déviation des appels téléphoniques.
Des appels téléphoniques restant sans réponse
sont toujours désagréables. D'autre part, un abonné
souvent absent ne connaît la portée de l'inconvénient
qui résulte de cette absence que bien plus tard.
Pour la grande masse du public habitué au téléphone,
un appel sans réponse a souvent pour résultat (en
particulier pour les médecins et les négociants)
la perte d'un client ou d'une affaire. Des appels sans réponse
ne privent pas seulement l'administration des taxes habituelles
de conversation, mais chargent encore inutilement les organes
du central par de «faux appels», toujours indésirables.
Depuis nombre d'années, diverses solutions ont été
proposées pour parer à cet inconvénient.
Dans les centraux manuels, on peut très simplement marquer
le jack des abonnés absents ou bien encore établir
un renvoi vers un raccordement de remplacement à l'aide
de paires de fiches spéciales. Dans le premier cas, la
téléphoniste est au courant de l'absence et donne
le renseignement voulu, ou bien elle raccorde le demandeur à
une position de service ou de renseignements prévue à
cet effet. Dans le second cas, le remplaçant est automatiquement
et immédiatement appelé.
De telles installations sont en service depuis de nombreuses années
dans les centraux à batterie centrale des P. T. T. suisses
et donnent d'excellents résultats). La déviation
d'un appel vers le poste remplaçant est schématiquement
assez poussée pour que les conversations particulières
du remplaçant ne soient pas entendues par l'abonné
absent si celui-ci est revenu chez lui et si la déviation
existe encore au central. D'autre part, l'abonné revenu
chez lui peut, à tout instant, appeler directement le central
et faire interrompre la jonction de déviation...
En Suisse un tel appareil a été fabriqué
en exclusivité par la maison Hasler S. A. à Berne
.

sommaire
1932 Encore quelques innovations
La ville du Locle possède depuis
le 10 décembre 1932 un service téléphonique
automatique qui est venu remplacer le service manuel à
batterie locale dont l'installation, de capacité insuffisante,
ne répondait plus aux exigences qu'impose l'écoulement
irréprochable du trafic téléphonique.
L'installation mise en service est la deuxième installation
de ce type et de cette capacité établie en Suisse,
la première en Suisse romande, par les soins de la
maison Hasler S.A. à Berne .
D'une capacité de 1000 raccordements, avec extension
possible à 2000, elle est installée au premier
étage du nouveau bâtiment communal.
Sans entrer dans le détail des circuits de la nouvelle
installation automatique, nous relèverons toutefois
les quelques innovations qu'elle présente par rapport
aux installations existantes, livrées par la même
ique automatique du Locle. maison, innovations qui ont été
introduites aussi bien dans le central automatique même
que dans le central de raccordement de La Chaux-de-Fonds.
Considérant que le trafic du Locle avec La Chaux- de-Fonds
représente environ 67% du trafic interurbain total,
il a été prévu à quelques places
de travail interurbaines un équipement supplémentaire
pour le service rapide. Ces places sont munies chacune d'un
indicateur optique d'appel ainsi que d'un certain nombre de
cordons monocordes. Elles sont en somme des places pour travail
combiné, car le trafic total, même pendant l'heure
la plus chargée, n'est pas assez intense pour justifier
une ou plusieurs places spéciales. Ces places sont
au nombre de 3 et comptent ensemble 36 cordons et 3 enregistreurs.
Les installations du Locle constituent un central nodal, auquel
sont raccordés les centraux des Brenets, du Cerneux-Péquignot
et de la Chaux-du-Milieu, tous équipés avec
des installations à bâtis de 50 raccordements,
connues dans notre administration.
Le jour de la mise en service, 700 abonnés étaient
raccordés au central. Malheureusement, la crise aiguë,
qui règne dans l'industrie horlogère en particulier,
n'est pas favorable à une augmentation prochaine du
nombre des abonnés. L'installation comprend : 1000
raccordements d'abonnés, représentant 10 baies
de 100 abonnés chacune.
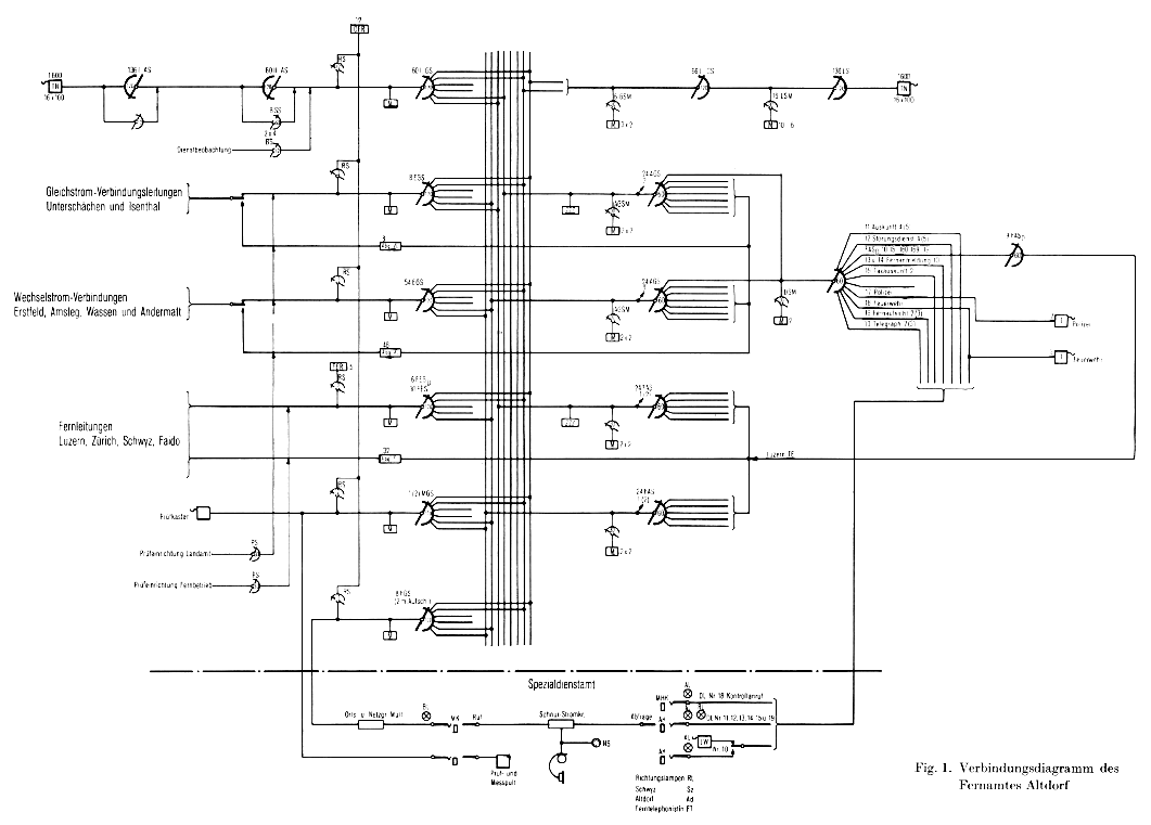
Le nombre des différents organes ressort du diagramme
des connexions de la figure suivante :
 Fig.
2. Enregistreurs
Une table de mesure et d'observation permet, d'une part, d'effectuer
toutes les mesures d'isolement, de capacité et de résistance
et, d'autre part, d'observer l'occupation des divers circuits
au moyen d'un ampèremètre- enregistreur.
L'installation d'énergie comprend: Deux batteries d'accumulateurs
de 760 Ampère- heures chacune, qui se chargent en alternative
par une dynamo. Le tableau de commande comprend un panneau
pour le courant faible et un pour le courant fort; il a été
livré et installé par la maison Gardy S. A.
à Genève. Un dispositif de charge permet le
déclenchement automatique après un laps de temps
variable, opération qui est nécessaire lorsque
apparaît un défaut imprévu et lorsque
le monteur s'occupe du service d'entretien des centraux du
groupe nodal.
L'écoulement des conversations entre ces 4 centraux
se fait normalement, c'est-à-dire par la voie automatique;
les communications interurbaines, appels n° 14, sont établies
par le central de raccordement de La Chaux-de-Fonds où
arrivent d'ailleurs tous les appels 1019.
Un appel provenant d'un central du groupe du Locle pour une
communication avec La Chaux-de- Fonds occupe d'emblée
un cordon d'une des positions de travail spéciales
indiquées ci-dessus, sur lequel s'intercale, par un
chercheur, l'enregistreur de place pour recevoir la série
de chiffres émise par l'appelant. La numérotation
des abonnés de La Chaux-de-Fonds s'étend de
21.000 à 29.999. Tout appel est signalé par
la mise en circuit d'une lampe d'appel correspondant au monocorde
occupé. Au moment où l'enregistreur du central
nodal enregistre et retransmet à l'enregistreur d'un
des indicateurs automatiques d'appel les 5 chiffres composés
par l'abonné appelant, ces chiffres apparaissent sur
l'un de ces indicateurs et le vacillement de la lampe d'appel
signifie que l'appel est terminé. La téléphoniste
n'a plus qu'à planter, dans le numéro demandé
du multiple local, la fiche du monocorde sur lequel se trouve
l'abonné appelant. Immédiatement, un premier
appel suivi de l'appel automatique est mis en action et ce
dernier répété jusqu'au moment où
l'abonné appelé répond.
La réponse de l'abonné est signalée au
moyen d'une lampe de supervision, tandis que la lampe d'appel
devient, une fois la communication établie, l'organe
de supervision pour l'appelant. Cette double surveillance
ne diffère pas de celle qui s'effectue dans le service
local ou interurbain et n'occasionne, dans le service de commutation,
aucune manipulation spéciale.
La fin de la communication est signalée par la mise
en circuit des deux lampes, et la fiche du monocorde retirée
devient libre pour un appel ultérieur. L'occupation
de l'abonné demandé est signalée à
l'opératrice de La Chaux-de-Fonds de la même
façon qu'une fin de communication, soit par la mise
en circuit des deux lampes de supervision à l'instant
même où la fiche du cordon est plantée
dans le numéro appelé. L'appelant reçoit
à ce moment du central nodal le signal d'occupation,
pendant que la ligne de sortie utilisée devient libre.
Une occupation des lignes de raccordement par l'écoute
prolongée d'un signal d'occupation devient de cette
manière impossible, avantage du nouveau système
automatique qu'on ne peut assez apprécier.
Comptage des communications.
La taxation des communications dans le groupe de réseaux
nodal du Locle est automatique et dirigée par les compteurs
de zone des lignes de sortie sur les compteurs d'abonnés.
Pour une conversation échangée entre un central
du groupe nodal et La Chaux-de-Ponds, par exemple entre les
Brenets et La Chaux-de-Fonds, la communication est enregistrée
et taxée par le compteur de zone de la ligne Le Locle
- La Chaux-de-Fonds et les impulsions d'unité sont
dirigées du central nodal sur le compteur de l'abonné
empruntant la ligne de raccordement occupée. Par suite
de la sélection, dans les centraux raccordés
au central nodal, des numéros attribués à
La Chaux-de-Fonds et des chiffres 1019, les compteurs
de zone des jonctions de sortie sont mis hors circuit. Le
compteur de zone reste en circuit à l'appel d'un numéro
du groupe même et dirige la O Ejp taxation dans
notre exemple la taxe est de 20 et. par unité
de communication de 3 minutes.

Le croquis fig. 4 montre les différents genres de comptage
automatique. Remarques.
1° La sélection des chiffres 1019 dans les
centraux raccordés au central nodal a pour effet d'exclure
les ZZZ des circuits et la taxation des communications est
dirigée par les ZZZ des jonctions LeLocle-LaChaux-de-Fonds
(places interurbaines).
2° La taxation des communications entre les centraux ruraux
et le central de La Chaux-de-Fonds, obtenues en composant
les chiffres 33.000-33.599 pour les centraux ruraux et 21.000-29.999
pour La Chaux-de-Fonds, est commandée par l'équipement
ZZZ du central respectif.
3° La taxation des communications Le Locle - La Chaux-de-Fonds
est commandée au moment de la réponse de l'abonné
appelé par les ZZZ des lignes de jonction des indicateurs
optiques d'appel.
4° La taxation des communications interurbaines, appel
n° 14 du groupe automatique du Locle, est commandée
par les ZZZ des jonctions de sortie utilisées et s'opère
suivant les taxes de 30, 50, 70 ou 100 ct., enregistrées
par la téléphoniste au moyen des touches de
zones.
Les impulsions de taxe sont donc envoyées au début
de chaque unité de conversation sur le compteur de
l'abonné appelant.
L'introduction du service automatique Le Locle - La Chaux-de-Fonds
constitue le premier pas dans la voie de l'automatisation
intégrale des groupes de réseaux de Neuchâtel
et de La Chaux-de-Fonds.
L'équipement de l'installation du Locle, c'est- à-dire
le nouveau système automatique en général,
est conçu de manière à permettre son
raccordement avec les centraux et réseaux automatisés
comportant une installation pas à pas ou à enregistreurs
fournie par les deux firmes étrangères bien
connues. |
Le nouveau système de la Hasler S. A. mod. 31
offre, d'une part, les avantages de la sélection claire et
dirigée en avant qui caractérise le système
Strowger et, d'autre part, ceux du système connu à
enregistreurs de la Bell Telephone Mfg. Co., permettant une sélection
soustraite aux perturbations possibles des lignes de raccordement,
l'enregistreur retransmettant toujours une série de numéros
sans défauts et excluant toute irrégularité.
Des connexions entre le nouveau modèle Hasler et les deux
systèmes automatiques étrangers rappelés ci-dessus
seront entreprises pour la première fois dans le courant
du printemps prochain à l'occasion de l'introduction du service
interrégional Berne groupe de Thoune, ainsi que, plus
tard, entre le réseau de Genève, qui comporte des
équipements-enregistreurs de la Bell Telephone Mfg. Co.,
et celui de Nyon où une installation automatique mod. Hasler
1931 sera probablement établie.
Ces deux exemples prouveront l'harmonie régnant dans la technique
des trois services automatiques introduits en Suisse, laquelle a
été réalisée grâce aux efforts
d'une maison suisse qui a su adapter le nouveau système automatique
aux installations existantes.
sommaire
1952 Le système Hasler HS 52
Avec la mise en service des nouvelles installations à Altdorf
- le 14 juin 1954 - et l'ouverture simultanée de
l'exploitation automatique à Andermatt, tous les bureaux
terminaux de ce groupe de réseau font partie d'un fonctionnement
entièrement automatique. 98% des abonnés téléphoniques
suisses sont joignables directement et sans l'aide de tiers à
toute heure du jour et de la nuit en composant l'indicatif à
distance et le numéro de téléphone souhaités.
|
En se limitant à quelques composants
électromécaniques relativement simples
relais et viseurs les ingénieurs de Hasler
ont développé le HS52, le dernier système
analogique de la « grande classe ».
La base est un viseur rotatif 120 avec marquage
codé, spécialement conçu pour les besoins
de contrôle du registre. Comme les relais restent
dans leur position après la fin de la conversation
téléphonique et l'utilisent pour établir
la conversation suivante, la connexion est établie
plus rapidement.

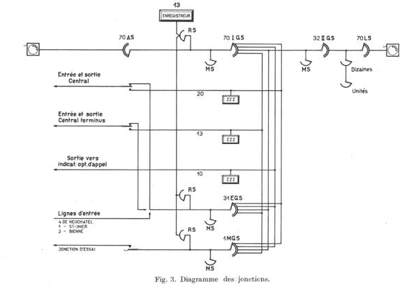
Comme le montre le schéma de connexion du siège
d'Altdorf (Fig. 1), une connexion locale est établie
via I. et II.

Un localisateur d'appel (AS), un localisateur de groupe
I., II et éventuellement III (GS) et un localisateur
de ligne (LS) sont configurés.
Les circuits partagés suivants sont brièvement
occupés :
Localisateur d'appels (ASS), localisateur de ligne (SS),
registre local distant (OFR), marqueur de localisateur de
groupe (GSM) et marqueur de localisateur de ligne (LSM).
Pour les connexions de groupe de réseau, les circuits
de ligne de connexion entrants pour la sélection
de courant continu ou alternatif (EGS ou EGS cv) sont occupés
en entrée. Les connexions sortantes sont contrôlées
via des détecteurs de groupe de sortie (AGS) sur
les lignes de connexion sortantes à courant continu
ou alternatif (VL ou VL nd). Une distinction est faite entre
l'AGS avec comptage de fuseaux horaires (ZZZ) et l'AGS sans
ZZZ, selon que le décompte de 3 minutes est lancé
dans le bureau final ou nud ou dans le bureau final
distant.
Les connexions à distance entrantes occupent un circuit
d'entrée à distance (FES), qui active un registre
d'entrée à distance (FER) pour une configuration
ultérieure de la connexion.
Les connexions longue distance sortantes sont établies
via I.AS, II.ASI.GS, le chercheur de sortie à
distance (FAS) et les circuits longue distance sortants
(FL cnd sortant) à l'aide des registres distants
locaux (OFR). et les circuits de marquage FAS.
Le trafic de services est géré via des demandeurs
de services (DS). Les appels professionnels qui doivent
être acheminés vers le bureau des services
spéciaux du bureau principal arrivent du DS via le
circuit de sortie à distance pour le trafic professionnel
(FAS D) et via les lignes longue distance normales jusqu'au
bureau principal.
I. Tâches des différents circuits
1. Bureau local
a) Circuit de localisation de lignes et d'appels (ASS)
Le relais de ligne et le compteur sont attribués
individuellement à chaque participant. La tâche
du circuit ASS est de connecter un abonné appelant
à un circuit I.AS libre. Les ASS sont regroupés
par paires, chacune devant desservir 200 lignes d'abonnés.
L'un des ASS a accès aux circuits I AS pairs et l'autre
aux impairs I AS des deux centaines de groupes.
Si un relais de ligne s'active dans un premier temps, les
deux ASS sont activés, ce qui signifie que chacun
occupe un I.AS. Les deux I.AS allumés, chacun doté
d'un circuit de recherche de cordon (SS), provoquent l'affectation
d'un circuit II AS I. GS. Pendant que l'I.AS tourne pour
vérifier l'abonné appelant, le II.AS recherche
l'I.AS vérifiant.
Le test se déroule en parallèle afin de limiter
le temps d'activation du buzzer au minimum (environ 1 seconde).
La première connexion établie est commutée
et l'autre est déclenchée.
En cas de panne, le circuit défectueux est coupé
automatiquement ou manuellement, après quoi l'autre
ASS prend en charge à la fois les I.AS pairs et impairs
du groupe de centaines. Bin ASS peut également être
utilisé comme viseur de test pour l'I.AS.
b) Circuit de ventouse de cordon (SS)
Le circuit de recherche de cordon a pour tâche d'occuper
un II.AS - I. GS (circuit de cordon) et de contrôler
son II AS vers un circuit I.AS qui est en état d'appel.
Les détecteurs de cordons sont affectés aux
groupes de cordons par paires, à savoir deux circuits
SS pour chacun des deux soixante champs de contact du II
AS d'un groupe de cordons. En cas de panne, le SS peut basculer
automatiquement ou manuellement. se remplacer. Le premier
circuit SS d'une paire est également configuré
pour effectuer des connexions de test via un circuit AS
I. GS pré-marqué.
c) II. Recherche d'appels- (II.AS-)I.
Circuit de recherche de groupe (I.GS)
Toutes les connexions établies par l'abonné
local sont transférées via le circuit II AS
vers I. GS. Il est connecté à la ligne d'abonné
via l'I.AS. Le cordon envoie également des impulsions
de comptage au compteur de participants dans le centre de
contrôle et transférez le rapport des frais
au participant. Le courant nécessaire au comptage
des impulsions ne provient pas de la batterie officielle,
mais d'une source d'alimentation spéciale non mise
à la terre. Les impulsions du détecteur de
taxes sont transmises en courant alternatif en connexion
simultanée via la ligne d'abonné.
Le circuit II.AS 1. GS est conçu pour le raccordement
à un circuit d'observation du trafic ainsi que pour
le raccordement à un circuit de test centralisé
manuel ou automatique.
Une prise est utilisée pour écouter ou parler.
Si un bouchon borgne est inséré dans ce verrou
de verrouillage et de surveillance, le circuit sera mis
hors service.
d) Circuit de recherche de groupe II. (II. GS)
Le circuit II. GS relie le I. GS au rechercheur de ligne
(LS). Trente circuits II.GS ont deux circuits de marquage
en commun. Le circuit de marquage reçoit le marquage
émis par le registre et l'utilise pour commander
le deuxième chercheur GS vers un groupe de recherche
de ligne, correspondant au centième du numéro
d'abonné sélectionné. Le II.GS, comme
le circuit I.AS II GS, dispose d'un verrou et de surveillance
ainsi que d'un bouton de test. Si le bouton PT est enfoncé,
le II.GS est connecté à la banque de contacts
d'un viseur de test, avec lequel un circuit de test peut
tester manuellement ou automatiquement le I.GS à
partir d'un emplacement central.
Le circuit de marquage du II. GS peut également être
bloqué par un cliquet utilisant un bouchon borgne.
e) Circuit de localisation de ligne (LS)
Le chercheur de ligne constitue l'étape de sélection
finale d'une connexion locale ou d'entrée et est
utilisé pour contrôler l'abonné sélectionné.
Il y a douze LS pour 100 participants, répartis en
deux groupes (5 et 7). Le marquage commun permet d'établir
simultanément deux connexions par groupe. Deux circuits
de notation desservent deux groupes de centaines de participants
via quatre multiples de notation. Les marqueurs prennent
les dizaines et les unités du numéro d'abonné
sélectionné dans le registre et déterminent
ainsi le fonctionnement et la vérification du détecteur
de ligne.
Un bouton de test est disponible pour tester manuellement
ou automatiquement le circuit LS. Un loquet de verrouillage
et de surveillance (SMK) permet de bloquer le circuit et
sert à écouter ou à parler.
f) Registre local distant (OFR)
Le registre distant local est utilisé pour configurer
des connexions de groupe de réseau local, longue
distance et de service. Les chiffres choisis par le participant
y sont stockés et les niveaux de vote dans son propre
bureau sont marqués par numérotation codée
demi-onde, 50 Hz, via les fils a et b ou les chiffres sont
envoyés sous forme d'impulsions de numérotation
via le fil d. Pour les connexions longue distance, il peut
envoyer jusqu'à trois séries de numérotation
tandem avec des chiffres d'un maximum de 22 impulsions.
Dans le cas des bureaux Siemens, la pause de numérotation
entre les chiffres est augmentée à 600...
700 ms. Si un sixième chiffre d'abonné est
composé après un groupe de réseau qui
ne comporte que des numéros d'appel à cinq
chiffres, la pause de transmission après le cinquième
chiffre d'abonné est prolongée jusqu'à
800... 1000 ms afin que la fin de la numérotation
soit reçue de manière fiable en fonctionnement
à distance.
En choisissant le code Eern, non seulement la direction
mais aussi le tarif sont déterminés dans l'OFR.
Pour les directions avec exceptions fiscales, la taxe ne
peut être déterminée qu'après
le premier chiffre du troisième participant. Pour
les connexions longue distance, les compteurs de fuseaux
horaires (ZZZ) des circuits FAS sont réglés
à partir du registre via les fils a et b à
l'aide d'un marquage codé. Toutefois, dans le cas
de connexions de groupes de réseau, le chercheur
de groupe de sortie ZZZ est réglé à
partir du circuit de marquage AGS lui-même.
Outre ses fonctions de commutation permettant d'établir
des connexions lors du vote depuis son propre bureau, l'OFR
est également utilisé pour établir
des connexions de groupe de réseau et de transit
longue distance. L'OFR dispose également de moyens
de commutation pour son attitude lors de la limitation des
perturbations ou pour son rejet si la sélection est
trop lente.
Le comptage des séries d'impulsions de cadran comptées
est accéléré afin de réduire
le temps de commutation en commençant à compter
les chiffres avant qu'ils ne soient complètement
enregistrés dans le registre.
Pour vérifier les impulsions, les séries d'impulsions
de numérotation comptées et les impulsions
de marquage de code peuvent être vérifiées
sur un verrou à l'aide d'un enregistreur d'impulsions.
2. Équipement de groupe réseau
a) Circuits de lignes de connexion entrantes (annoté
VL)
Le VL entrant assure la médiation du trafic depuis
un terminal ou un nud de bureau avec le bureau principal
et au-delà. La cheville. Le courant continu VL est
destiné au double redressage. Le circuit remplit
toutes les conditions nécessaires, telles que la
chute libre, le cas d'occupation d'abonné, le cas
d'occupation forcée, c'est-à-dire l'occupation
d'un étage de sélection intermédiaire,
les liaisons de transit avec déclenchement inverse
et les liaisons de service. La cheville. VL peut être
verrouillé avec le cliquet en insérant un
bouchon borgne ; Il dispose également d'une
prise d'écoute et d'un
Bouton de test pouvant être utilisé pour les
connecter à un circuit de test.
b) Circuit de recherche de groupe de sortie (AGS)
avec ZZZ
Le chercheur de groupe de sortie assure la connexion aux
circuits de connexion sortants et, dans divers cas, également
au trafic de service. Un circuit AGS est équipé
de deux chercheurs décalés trente avec lesquels
2 x 60 lignes peuvent être vérifiées.
Trente circuits AGS se voient attribuer deux circuits de
marquage AGS communs, qui reçoivent le marquage de
sélection de code du registre et contrôlent
le chercheur AGS. Un maximum de douze directions peuvent
être prévues pour le marquage, soit six pour
chaque viseur AGS. Le circuit est développé
pour un maximum de trois zones fiscales.
Le circuit ZZZ attribué à l'AGS reçoit
le marquage de roulage du marqueur AGS en fonction de la
direction sélectionnée. Lorsque le signal
de réponse arrive du circuit VL sortant, la tarification
est lancée, qui se répète toutes les
trois minutes. Si un VL distant à comptage indépendant
a été commandé, tel qu'un VL distant
vers des sous-centres ou un branchement de service, le marqueur
n'émet pas de marquage fiscal et les impulsions de
comptage transitent directement vers le circuit de ligne
AS - I. GS.
Comme les autres circuits, le circuit AGS dispose également
des organes nécessaires au blocage et à la
surveillance ainsi qu'aux tests manuels et automatiques.
c) Recherche de groupe de sortie (AGS) sans ZZZ
La structure de ce circuit est la même que celle de
l'AGS avec ZZZ, mis à part l'absence d'installation
ZZZ. Il est utilisé pour les liaisons de transit
par les centraux avec comptage indépendant.
d) Lignes de connexion sortantes (depuis VL)
Contrairement au VL des centrales de commande de type HS
31, le VL de type HS 52 ne dispose pas de circuits ZZZ.
Le comptage des fuseaux horaires s'effectue soit dans votre
propre circuit AGS, soit dans celui du bureau d'origine.
La sortie courant continu VL est destinée au double
redressage. Il dispose d'un loquet de verrouillage et de
surveillance ainsi que d'un bouton de test.
Si l'abonné est occupé, le VL attribué
sera toujours commuté. L'abonné appelant reçoit
la tonalité d'occupation du récepteur. Circuit
VL du bureau « occupé ». Si le circuit
est occupé par un opérateur téléphonique,
un signal de connexion et le critère de sonnerie
peuvent être transmis.
Le VL sortant peut être bloqué depuis le central
opposé en appuyant sur un bouton. Dans le cas de
lignes bidirectionnelles, le VL attribué est ank
lorsque la ligne affectée à la même
ligne est occupée. Circuit VL bloqué, ce qui
est indiqué par le clignotement du voyant d'occupation.
3. Fonctionnement à distance automatique
a) Circuit de ligne longue distance entrant (FES)
Dans un central automatique longue distance, le circuit
de ligne longue distance entrant commute le trafic terminal
entrant en fonctionnement longue distance automatique vers
le central local, vers le groupe de réseau ou vers
un bureau de service spécial. Normalement, les FES
fonctionnent avec des signaux de courant alternatif. Dans
des cas exceptionnels, il existe des FES pour le fonctionnement
en courant continu, qui desservent le trafic terminal entrant
via des lignes croisées depuis un nud ou un
nud d'extrémité d'un groupe de réseau
voisin.
Les localisateurs d'entrée à distance CA sont
destinés à une utilisation bidirectionnelle
et peuvent également être connectés
à des lignes porteuses pour un fonctionnement à
deux ou quatre fils. Le circuit est configuré pour
allumer et sonner. À l'aide d'un bouton de test,
le FES peut être connecté à la banque
de contacts d'un détecteur de test, qui connecte
le circuit à une installation de test centrale.
Un cliquet (SK) permet de désactiver le circuit et
un cliquet MK permet d'écouter et de parler. Si le
circuit FES est occupé par une impulsion parasite
dans un trafic à double sens et que l'impulsion de
veille est donc activée, ce qui entraînerait
un blocage permanent de la ligne, une alarme est déclenchée
dans le registre après l'écoulement d'un relais
temporisé de 30 secondes. et le registre est libéré.
b) Circuit de sortie à distance (FAS)
Les demandeurs de sortie longue distance (FAS) relient le
niveau de premier choix aux lignes longue distance sortantes.
Les circuits FAS avec ZZZ desservent les participants du
bureau principal et les bureaux d'extrémité
connectés au bureau d'extrémité distant
qui ne comptent pas indépendamment. Les FAS sans
ZZZ sont destinés au trafic de transit des centres
de comptage indépendants de leur propre groupe de
réseau ainsi qu'au central manuel longue distance,
dont le personnel d'exploitation compose via la machine
dans le service express.
Chaque circuit FAS dispose de deux viseurs de calibre trente
avec des brosses décalées qui ont accès
à 120 lignes. Un maximum de douze faisceaux de câbles
différents sont marqués, chaque viseur comportant
six faisceaux différents. 30 circuits FAS en ont
deux circuits de marquage.en commun.
Lorsqu'un circuit FAS est occupé, les trouveurs des
deux marqueurs commencent à tourner jusqu'à
ce que l'un d'eux vérifie. Le chercheur du circuit
de marquage, qui n'a pas effectué de test, reçoit
une étape de commutation supplémentaire via
un deuxième enroulement à faible résistance
après que son enroulement a été mis
hors tension. Cela empêche les positions intermédiaires
du viseur non test.
Dès que la direction souhaitée est marquée
dans le registre, celui-ci envoie les impulsions de marquage
au marqueur FAS sous forme d'alternances positives ou négatives
de 50 Hz. Cela permet au FAS contrôlé de fonctionner
jusqu'à la position marquée, en fonction de
la combinaison d'ascenseur des quatre relais de marquage
MR,...MR4. Les impulsions pour l'établissement ultérieur
de la connexion sont envoyées depuis le registre
via le fil D.du circuit FAS est commandé en fonction
de la ligne longue distance sortante. Après avoir
reçu le signal de fin d'élection, le registre
du FAS provoque la commutation de la connexion, après
quoi le registre se libère. Simultanément,
un circuit de commande du déclenchement inverse est
activé sur le FAS, qui libère à nouveau
la ligne longue distance sortante après 2...3 minutes
si un appel n'obtient pas de réponse. Le déclenchement
inverse peut être bloqué en insérant
le loquet de verrouillage et de surveillance SMK ou en appuyant
sur un bouton partagé.
c) Circuit de recherche de sortie à distance
pour le trafic de service (SAF D)
Le trafic de service d'un central longue distance à
un autre ou d'un central longue distance équipé
de lignes de service est commuté via des circuits
de sortie distants pour le trafic de service (FAS D).
Le circuit FAS D contrôle un certain nombre de lignes
longue distance sortantes du faisceau terminal via un chercheur
à trois voies, qui se trouvent sur des circuits de
recherche longue distance spéciaux sur des circuits
de recherche longue distance spéciaux « service
».
(FES D). Pour les connexions longue distance ou longue distance.
Une fois que l'opérateur téléphonique
a appuyé sur le bouton de comptage, le bureau des
services spéciaux donne une impulsion de comptage.
La même chose se produit avec les connexions via le
localisateur de ligne de service (DLS) aux connexions mécaniques.
Services tels que les messages parlés. L'impulsion
de réponse du DLS du central opposé provoque
un comptage unique de 20 centimes dans le circuit FAS D.
Avec le FAS D, deux directions différentes peuvent
être sélectionnées, en fonction du marquage
du registre. Le comptage peut être empêché
en fonction de cela.
d) Circuit de ligne longue distance sortant
La ligne principale sortante fonctionne normalement à
l'aide de signaux CA. Le circuit commute le trafic sortant
vers d'autres groupes de réseau. Il peut être
utilisé pour les lignes terminales ou tandem ainsi
que pour la connexion aux lignes porteuses ; il est destiné
à la circulation dans les deux sens.
Si le circuit est utilisé dans une direction dans
laquelle il n'y a pas de lignes tandem, il n'émet
pas d'impulsion prête. Cette impulsion est donnée
par le registre du bureau d'entrée. L'impulsion d'occupation
de la ligne longue distance entrante dans le central opposé
provient du circuit de ligne longue distance de départ
du central de sortie.
Si le circuit de ligne longue distance de départ
est utilisé comme ligne tandem, il donne simultanément
l'impulsion de veille vers l'arrière dans son propre
registre et l'impulsion d'occupation vers l'avant dans le
circuit tandem du central opposé.
De plus, la ligne longue distance sortante dispose d'un
circuit
les organes auxiliaires habituels, tels que boutons de test,
loquet de verrouillage et de surveillance.
Le circuit de ligne longue distance sortant pour le fonctionnement
en courant continu commute le trafic longue distance sortant
vers des groupes de réseau voisins. Il est également
configuré pour un double alignement et est contrôlé
via l'étape de sélection FAS. Les signaux
en courant continu arrivant du central opposé sont
transférés vers le central sortant
Ligne DC longue distance convertie en signaux AC pour les
circuits FAS.
4. Divers circuits
Dans le nouveau système de panneau de commande IIS
52, les mêmes circuits supplémentaires ont
été utilisés, qui étaient en
grande partie déjà présents dans le
système HS 31. Ils ont simplement été
repensés pour l'assemblage du châssis et, si
nécessaire, complétés sur la base de
l'expérience récente.
Fig. 3. Châssis de relais et cadre de viseur pivotant
de 30 mm
Montés en rangées de crémaillères,
repensés et, si nécessaire, complétés
sur la base de l'expérience récente.
Par souci dexhaustivité, les
circuits Divers les plus importants sont listés ci-dessous
:
Générateur d'impulsions, en tant qu'organe
commun pour les circuits ZZZ et pour le passage des tarifs
aux tarifs de jour et de nuit;
Disjoncteur relais, 50/50 ms, pour générer
les impulsions nécessaires au contrôle de la
sonnerie et de la sonnerie ;
Interrupteur à relais, 70/165 ms, pour générer
des impulsions pour surveiller le contrôle des lignes
AC ;
Circuit de commande du déclenchement inverse
des finders de sortie à distance (FAS). Ce circuit
génère des salves de courant de 1 / 47 secondes
qui sont utilisées dans le FAS sans ZZZ pour déterminer
le temps après lequel une connexion doit être
déconnectée en cas de non-réponse ;
Commutation tarifaire avec retour d'information
pour la commutation des circuits de comptage du tarif de
jour au tarif de nuit et vice versa dans les bureaux d'extrémité
et nuds du groupe de réseau.
A mentionner également : les postes de réponse
Airtomatic, les convertisseurs d'informations, les télécommandes
avec retour d'information, les circuits de bureau pour postes
de caisse, les générateurs de panneaux d'avertissement
pour postes de caisse, les circuits de coupure d'appel,
les circuits d'alarme à distance et d'alarme locale,
les circuits de transformateur d'alarme, le contrôle
des défauts. dispositif, divers circuits de test,
tels que pour II .AS-I. GS, II. GS et LS, ank. VL et FL,
AGS et abg. VL, FAS et abg FL, circuit de test centralisé
pour VL et FL, FAS et FL, circuit de test pour OFR et FER,
circuit de recherche de groupe de mesure, observation du
trafic, contrôle du temps d'occupation pour les observations
du trafic et le système d'enregistrement central
pour la mesure de la charge.
Outre l'équipement du système HS 52 décrit,
le nouveau bâtiment du siège du groupe de réseau
Altdorf abrite un certain nombre d'autres parties du système,
telles que le bureau des services spéciaux déjà
mentionné, le système d'alimentation électrique,
l'équipement pour les faibles charges. et la radiodiffusion
téléphonique à haute fréquence,
et le groupe d'urgence à essence pour 75 kVA, etc.
L'ouverture de l'exploitation téléphonique
automatique d'Altdorf (14 juin 1954) peut être considérée
comme un événement particulier car elle représente,
dans une certaine mesure, la clé de voûte de
l'automatisation complète prévue du réseau
téléphonique suisse.
Sur un total de 54 groupes de réseau, Altdorf était
jusqu'à présent le seul qui devait encore
se classer au-dessus du 13e ou du 14e rang en termes de
groupes de réseau automatisés. Depuis les
abonnés de Genève, Bâle, Saint-Gall
ou Lugano peuvent se connecter automatiquement avec les
abonnés Uri en composant directement l'indicatif
interurbain 044 et le numéro d'abonné.
Le HS52 sera une totale réussite
; Pendant des années, environ 300 cadres quittent
la production chaque mois.

1952, central téléphonique automatisé
de Wil.
|
|
Le système électromécaniques fourni
par Hasler AG Bern représente un système important et
répandu pour la technologie des télécommunications
suisse, développé et fabriqué en Suisse.
L'équipement technique avec le système de machines électromécaniques,
entièrement présent à l'exception des batteries
d'origine, est, avec les trois autres centraux téléphoniques
historiques, l'un des derniers de ce type en Suisse.
Le dernier nouveau système Hasler est entré en service
en 1959. Le système existant a bien fonctionné en Engadine
jusqu'en 1991 et était pleinement fonctionnel.
sommaire
System Hasler HS 68
Depuis quelques années déjà, les établissements
Hasler S. A. à Berne travaillent à la mise au point du nouveau
système HS 68.
Les options prises pour ce système ont été fortement
influencées par la capacité des centraux que cette maison
fabrique pour la Suisse et par les expériences qu'elle a faites
avec les centraux d'abonnés SKW.
Tenant compte des conditions demandées par l'Entreprise des PTT,
le sélecteur rotatif, soumis à une certaine usure, a été
remplacé par un contact scellé à rémanence.
Ce système ne demande ainsi presque pas d'entretien. Il peut, d'autre
part, être introduit dans les réseaux existants.
Le degré de centralisation du réseau de commande choisi
constitue un compromis entre la flexibilité et la capacité
des centraux.
Désirant augmenter la sécurité d'exploitation, la
maison Hasler a préféré à une centralisation
poussée, une répartition des fonctions entre différents
marqueurs et une division du central en plusieurs secteurs.
Si la flexibilité est ainsi quelque peu diminuée, la sécurité
est en revanche augmentée. Un dérangement ne perturbe qu'une
partie du central.
Le contact scellé à rémanence utilisé pour
le réseau de connexion comprend un contact de travail scellé
dans un tube de verre, contenant, sous légère surpression,
de l'azote avec adjonction d'hydrogène, un enroulement d'attraction
et un enroulement de relâchement.
Un centrai prototype est installé à Schüpfheim. Les
essais effectués ont donné des résultats satisfaisants.
Ils seront poursuivis jusqu'à la fin de 1972. Ce central sera mis
en service dans le courant de l'année 1973.
Si une décision favorable est prise pour ce système, il
remplacera le système HS 52.
Ce dernier système sera cependant encore quelque peu amélioré.
Un nouveau type d'enregistreur disposant de traducteurs communs est déjà
créé. Le cordon sera également modifié; il
permettra d'introduire facilement une taxation périodique pour
les communications locales.
D'autre part, ce système HS 52 A, sera capable de travailler en
signalisation multifréquence MFC. Quelques centraux ont déjà
été commandés
sommaire
La radio
Dans la période qui a suivi la Première
Guerre mondiale, des radioamateurs sont apparus et ont stimulé
la demande de radiodiffusion sans fil en utilisant la transmission et
la réception sans fil. Au milieu des années 1920, les stations
de radiodiffusion suisses étaient aux mains de la Marconi Wireless
Telegraph Co., fondée à Londres en 1897 par le fondateur
des communications sans fil et lauréat du prix Nobel Guglielmo
Marconi. La réception sans fil laissait beaucoup à désirer,
même lorsque la Suisse reçut trois émetteurs nationaux
en 1931. L'administration décide donc d'introduire la radiodiffusion
téléphonique à basse fréquence (NF-TR).
Cela signifie que les programmes radio sont transmis sous forme de signal
basse fréquence entre 50 et 7 000 Hz via le réseau téléphonique,
ce qui signifie qu'ils peuvent être écoutés avec n'importe
quel téléphone. Et une fois de plus, les spécialistes
de Hasler sont en avance. En 1936, ils décident de se lancer dans
la technologie des hautes fréquences. Les cibles sont des émetteurs
radio, notamment de « gros calibres ». Afin d'éviter
de se lancer dans des aventures audacieuses, ils obtinrent de Marconi
une licence pour construire des émetteurs à ondes courtes
et à ondes longues. Un an plus tard seulement, les PTT ont chargé
les pionniers de construire l'émetteur à ondes courtes de
Schwarzenburg. Dotée d'une puissance d'antenne de 25 kW, elle gère
la diffusion et, via des antennes directionnelles, toute la téléphonie
sans fil à l'étranger.
Avec le déclenchement de la Seconde Guerre mondiale, lemprise
de la Confédération suisse se resserra encore davantage.
Il ny a pratiquement plus de contacts avec Marconi et les réserves
de matériaux deviennent de plus en plus rares. Lindépendance
technologique de la Suisse porte désormais ses fruits. Les experts
de Hasler sont déterminés à compenser les sources
taries par leurs propres développements. Cela crée un appareil
portable pour la téléphonie sans fil utilisant des ondes
décimétriques qui peuvent couvrir des distances respectables.
L'appareil démontre ses capacités lorsqu'avec seulement
0,3 W de puissance d'antenne, il établit une connexion téléphonique
sur une distance de 162 km à vol d'oiseau entre Chasseral et Säntis
lors d'une forte tempête de neige. Les appareils VHF portables
de simples émetteurs-récepteurs pour la téléphonie
sans fil jusqu'à plus de 20 km ont été testés
en 1939 dans la région de Grindelwald-Jungfraujoch et se sont ensuite
révélés utiles pour les pompiers, la police, les
chantiers routiers et les centrales électriques. Les Bernois développent
également une radiosonde pour la recherche météorologique.
Pesant seulement quelques centaines de grammes, il flotte sur un ballon
dans les couches supérieures de l'atmosphère et transmet
les résultats à la station terrestre via un émetteur.
En 1940, la radiodiffusion téléphonique à haute fréquence
(HF-TR) est lancée. Une ligne d'abonné téléphonique
est modulée sur un signal à ondes longues dans la gamme
de fréquences de 160 à 255 kHz. Vous pouvez désormais
écouter et passer des appels téléphoniques sur la
même ligne sans vous déranger. Hormis une radio à
ondes longues, aucun appareil de réception spécial n'est
requis. De plus, plusieurs auditeurs peuvent être connectés,
même s'ils ne disposent pas de leur propre connexion téléphonique.
HF-TR améliore la qualité de réception sur des terrains
topographiquement difficiles, un aspect essentiel pour la Suisse en ces
temps de bouleversements politiques.
En 1998, le HF-TR a été progressivement abandonné,
victime de nouvelles technologies telles que la FM et la stéréo
FM et plus tard des technologies de transmission RNIS modernes.
sommaire
|